GM Service Manual Online
For 1990-2009 cars only
Figure 1:

PWR, GND and DLC


Object Number: 44658  Size: FS
Engine Controls Components
Information Sensors 4.3L, 5.0L
Ignition Controls
OBD II Symbol Description Notice
Figure 2:

Ignition Controls


Object Number: 44661  Size: FS
Engine Controls Components
Information Sensors 4.3L, 5.0L
Fuel Pump Controls
PWR, GND and DLC
Figure 3:

Fuel Pump Controls


Object Number: 44662  Size: FS
Engine Controls Components
Information Sensors 4.3L, 5.0L
Fuel Injector Controls
Ignition Controls
OBD II Symbol Description Notice
Figure 4:

Fuel Injector Controls


Object Number: 44663  Size: FS
Engine Controls Components
Information Sensors 4.3L, 5.0L
Sensor Controls
Fuel Pump Controls
OBD II Symbol Description Notice
Figure 5:

Sensor Controls


Object Number: 44664  Size: FS
Engine Controls Components
Information Sensors 4.3L, 5.0L
EGR and EVAP Controls
Fuel Injector Controls
OBD II Symbol Description Notice
EGR and EVAP Controls
EGR and EVAP Controls
Switch, Sensor and GND Controls
Sensor, Solenoid and GND Controls
Figure 6:

EGR and EVAP Controls


Object Number: 44666  Size: FS
Engine Controls Components
Information Sensors 4.3L, 5.0L
Oxygen Sensor Controls
Sensor Controls
OBD II Symbol Description Notice
Sensor Controls
Sensor Controls
Figure 7:

Oxygen Sensor Controls


Object Number: 44668  Size: FS
Engine Controls Components
Information Sensors 4.3L, 5.0L
VSS and Cruise Controls
EGR and EVAP Controls
OBD II Symbol Description Notice
Figure 8:
Object Number: 44670  Size: FS
Figure 9:

4L60-E Transmission Controls


Object Number: 44672  Size: FS
Engine Controls Components
Information Sensors 4.3L, 5.0L
4L60-E Transmission Switch Controls
VSS and Cruise Controls
OBD II Symbol Description Notice
Figure 10:

4L60-E Transmission Switch Controls


Object Number: 44673  Size: FS
Engine Controls Components
Information Sensors 4.3L, 5.0L
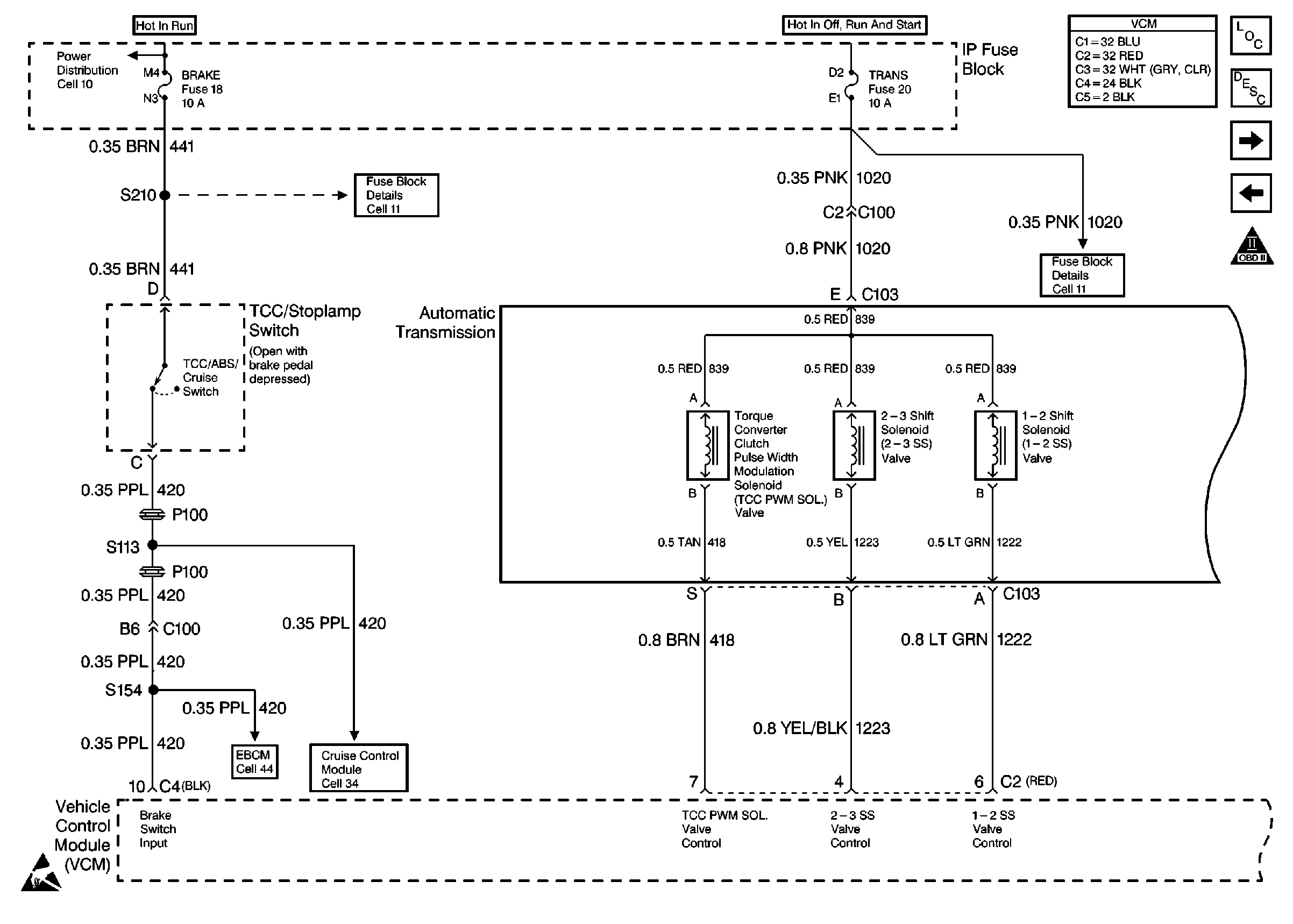
4L80-E Transmission Solenoid Controls
4L60-E Transmission Controls
OBD II Symbol Description Notice
Sensor Controls
Figure 11:

4L80-E Transmission Solenoid Controls


Object Number: 44675  Size: FS
Engine Controls Components
Information Sensors 4.3L, 5.0L
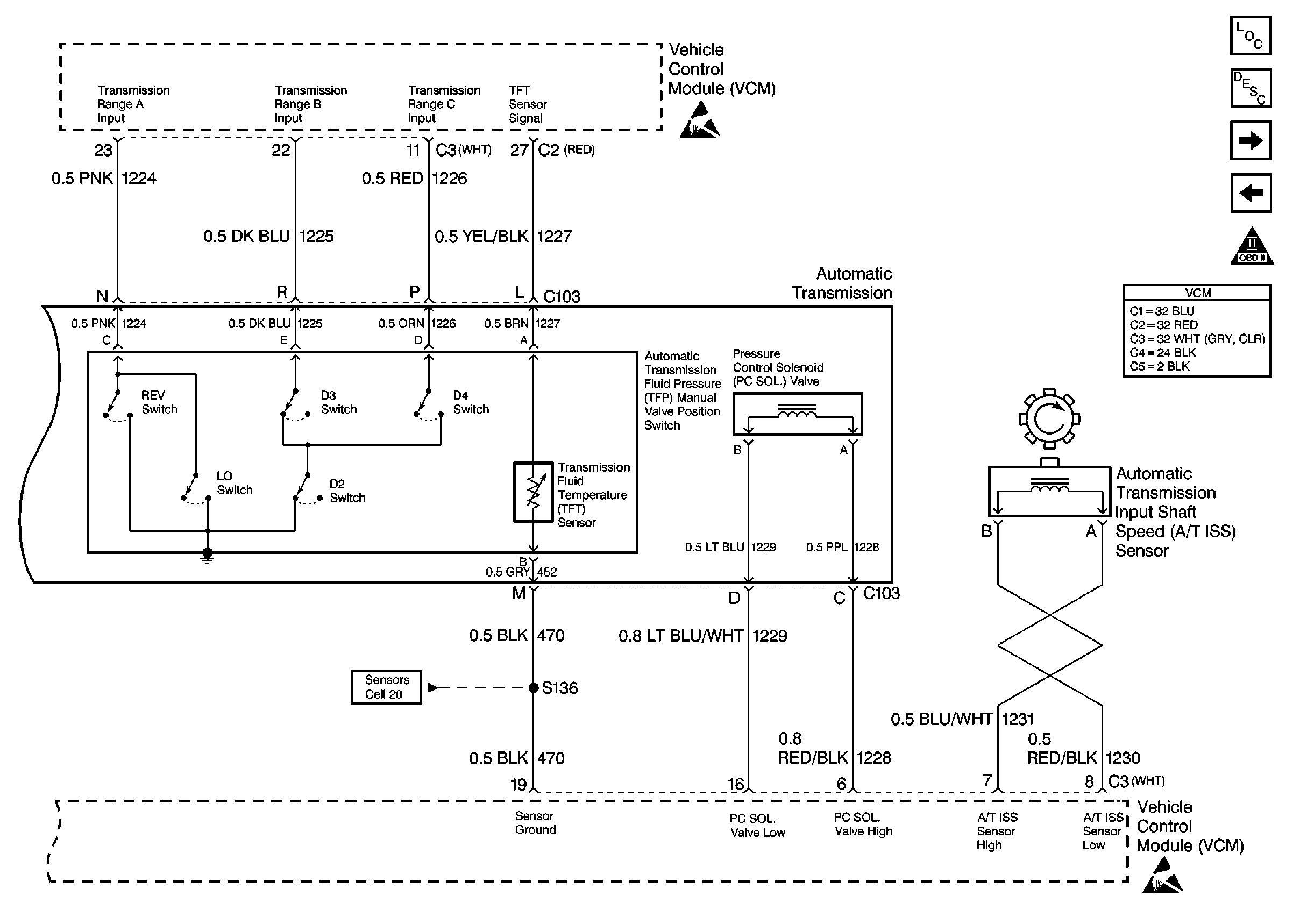
4L80-E Transmission Switch Controls
4L60-E Transmission Switch Controls
OBD II Symbol Description Notice
Figure 12:

4L80-E Transmission Switch Controls


Object Number: 44678  Size: FS
Engine Controls Components
Information Sensors 4.3L, 5.0L
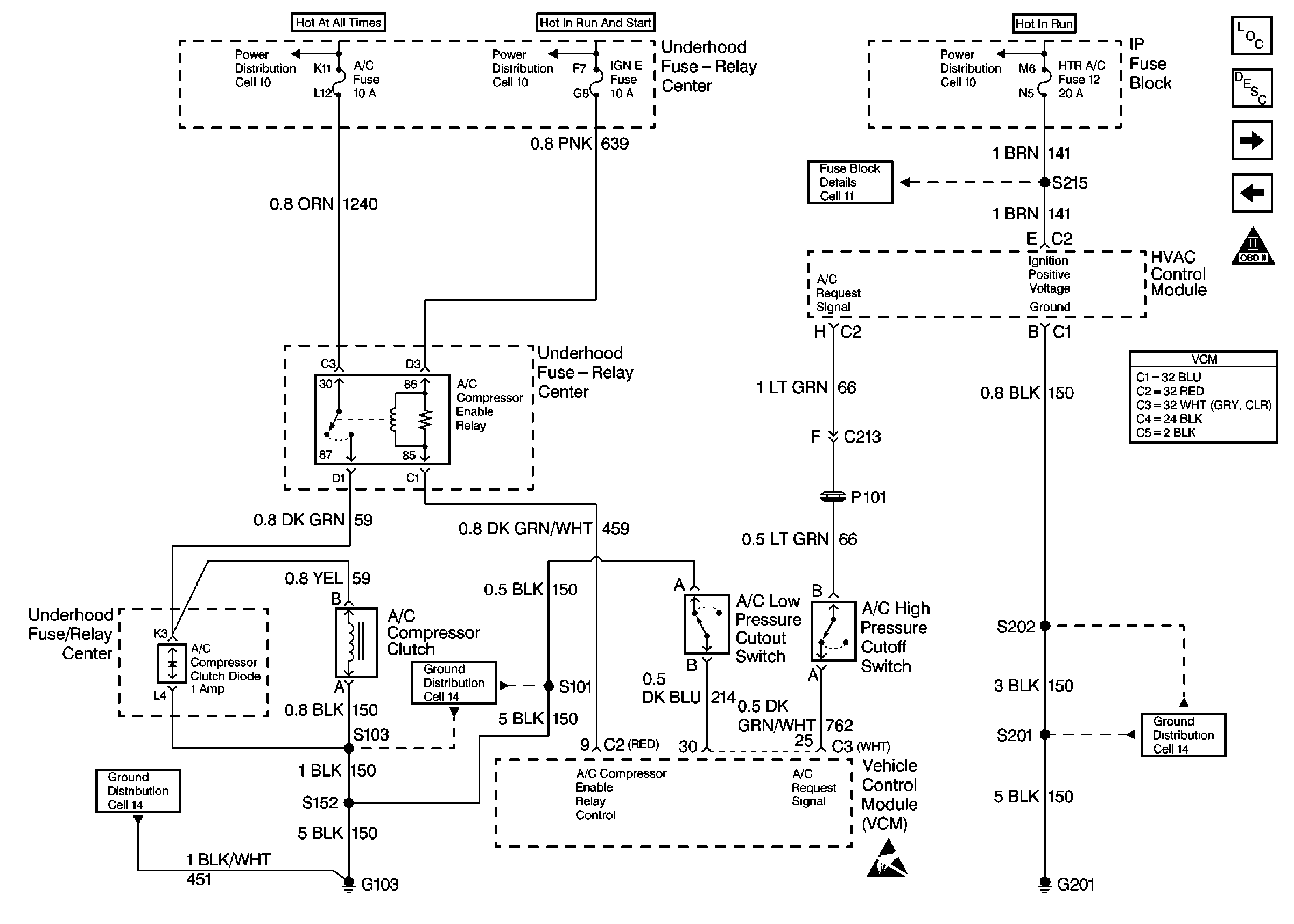
A/C Controls
4L80-E Transmission Solenoid Controls
OBD II Symbol Description Notice
Sensor Controls
Figure 13:

A/C Controls


Object Number: 44679  Size: FS
Engine Controls Components
Information Sensors 4.3L, 5.0L
4L80-E Transmission Switch Controls
OBD II Symbol Description Notice