GM Service Manual Online
For 1990-2009 cars only
Makes
🢒
Chevrolet
🢒
2001
🢒
Prizm
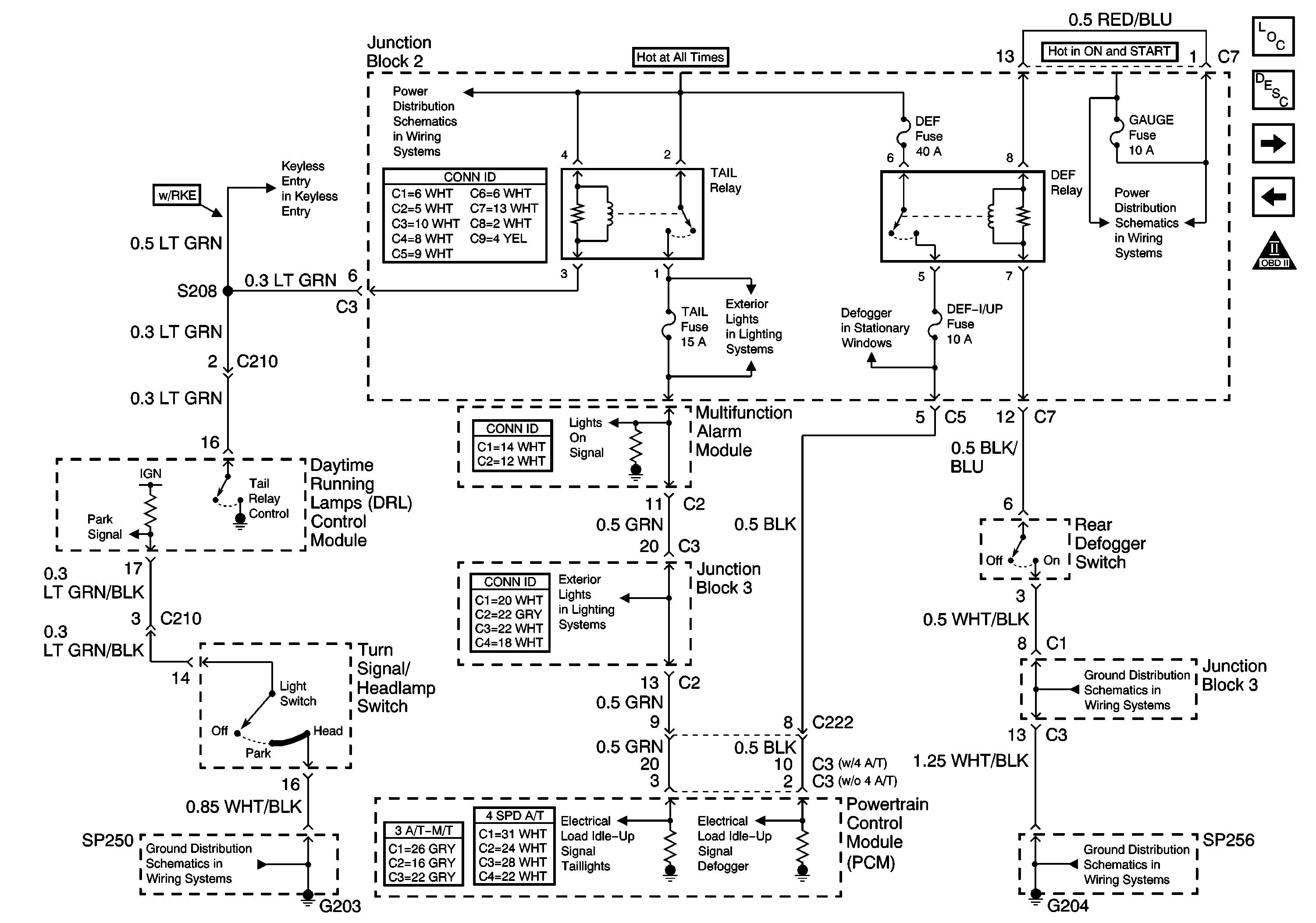
🢒 DRL Control Module and Rear Defogger Switch
DRL Control Module and Rear Defogger Switch
DRL Control Module and Rear Defogger Switch
Master Electrical Component List
Powertrain Control Module Description
OBD II Symbol Description Notice
PNP Switch
A/C Controls
Gauge Fuse
Junction Block 3
G204, Junction Block 1, and SP256
Rear Defogger
LH Rear Combination Lamp and Right Front Park/Turn Lamp
IP Lamp Dimmer
ABS, ALT, AMI, DEF, DYL, ECU-B, HTR, OBD, POWER and STOP Fuses
Ignition Key Alarm Switch and Tail Relay
G200, G203, SP250, and SP650