GM Service Manual Online
For 1990-2009 cars only
Makes
🢒
Chevrolet
🢒
2000
🢒
S10 Pickup - 2WD
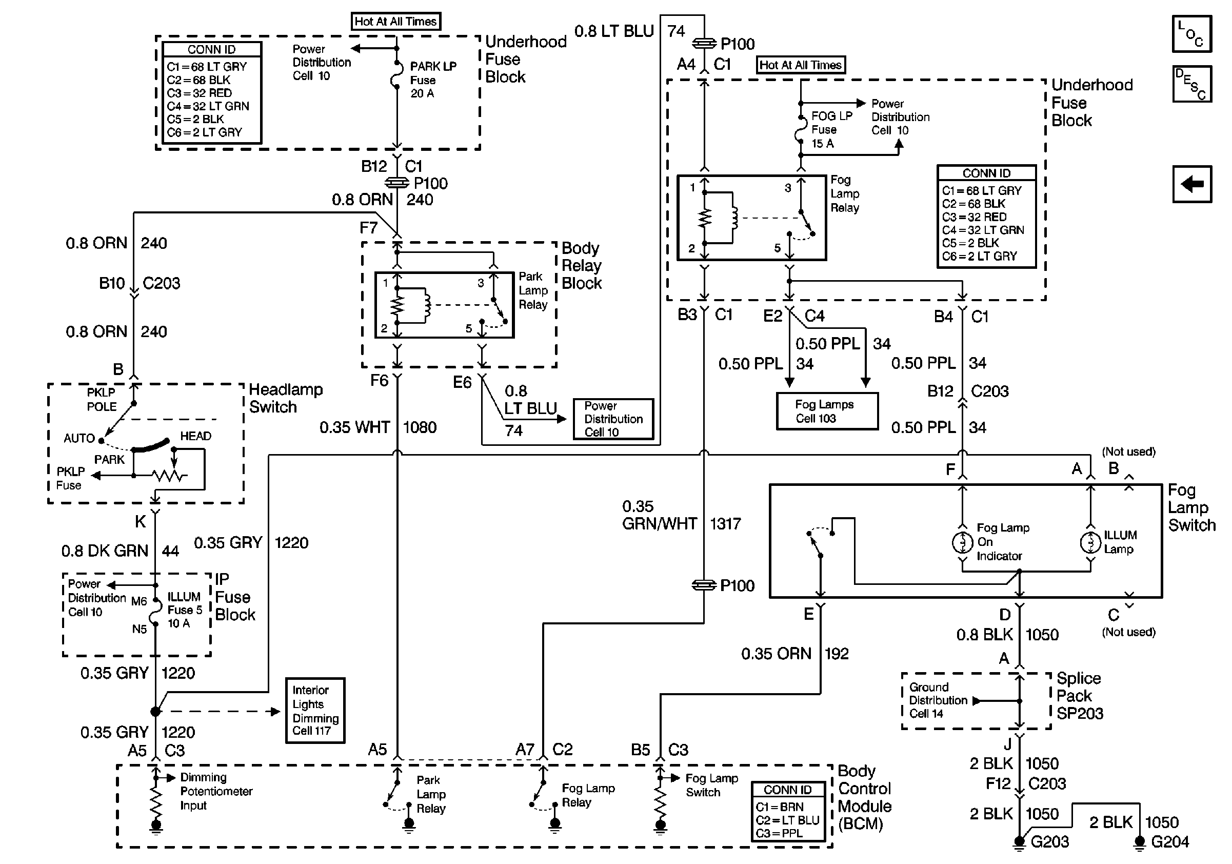
🢒 Cell 51: Fog Lamp Switch and Relay and Park Lamp Relay
Cell 51: Fog Lamp Switch and Relay and Park Lamp Relay
Cell 51: Fog Lamp Switch and Relay and Park Lamp Relay
Power and Grounding Connector End Views
Cell 10: ILLUM, PARK LP Fuses
Cell 10: MIR/LKS, FOG LP Fuses and DRL, Headlamp Power Relays
Power and Grounding Connector End Views
Cell 10: ILLUM, PARK LP Fuses
Cell 10: ILLUM, PARK LP Fuses
Cell 117: ILLUM Fuse 12
Body Control System Connector End Views
Cell 14: G203 and G204 (Pickup)
Cell 103
Body Control Module Components
Body Control System Circuit Description
Cell 51: Headlamps (Envoy Only)