GM Service Manual Online
For 1990-2009 cars only
Makes
🢒
Chevrolet
🢒
2000
🢒
S10 Pickup - 2WD
🢒 Cell 103
Cell 103
Cell 103
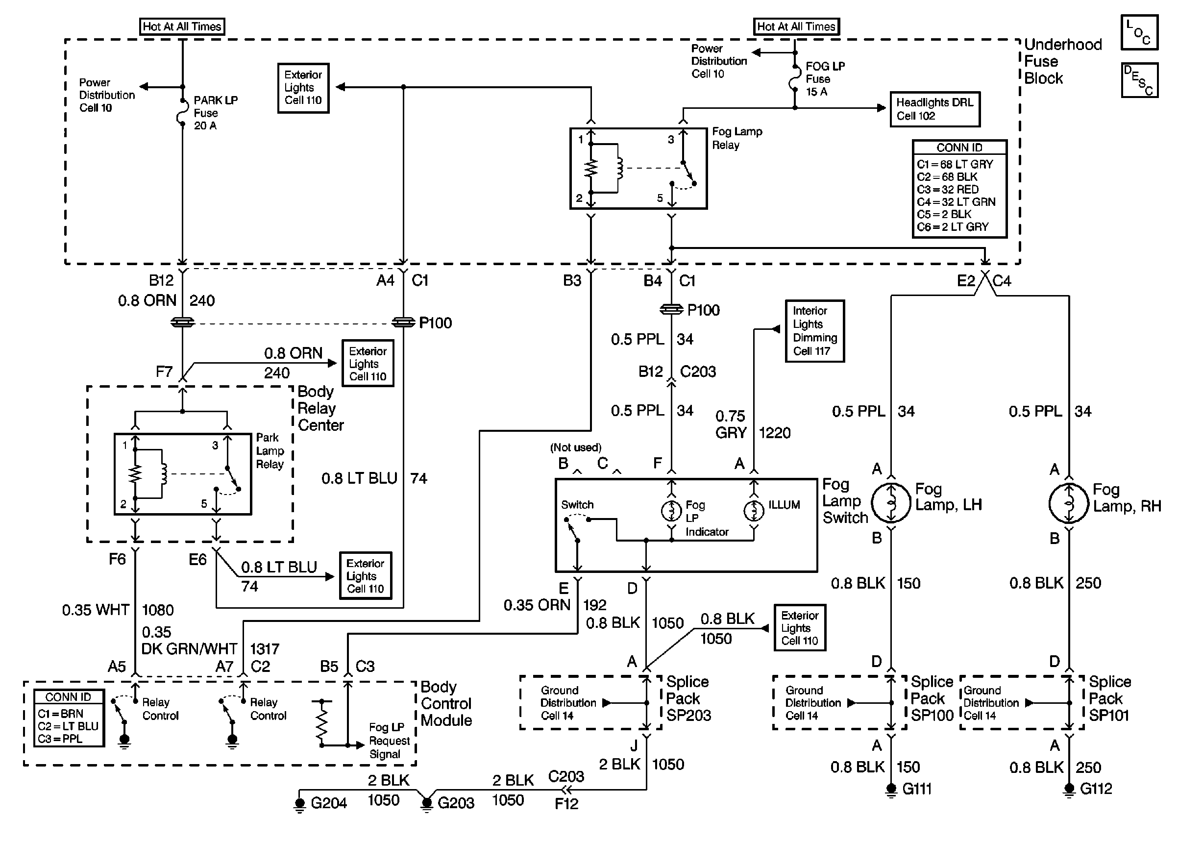
Cell 10: ILLUM, PARK LP Fuses
Cell 110: PARK LP Fuse and Park Lamp Relay
Cell 10: MIR/LKS, FOG LP Fuses and DRL, Headlamp Power Relays
Cell 102: DRL and Headlamp Power Relays
Power and Grounding Connector End Views
Lighting Systems Components
Fog Lights Circuit Description
Cell 110: PARK LP Fuse and Park Lamp Relay
Cell 110: PARK LP Fuse and Park Lamp Relay
Cell 117: ILLUM Fuse 12
Body Control System Connector End Views
Cell 14: G203 and G204 (Pickup)
Cell 14: G109, G111, G112 and G113
Cell 14: G109, G111, G112 and G113