GM Service Manual Online
For 1990-2009 cars only
Makes
🢒
Chevrolet
🢒
2000
🢒
S10 Pickup - 2WD
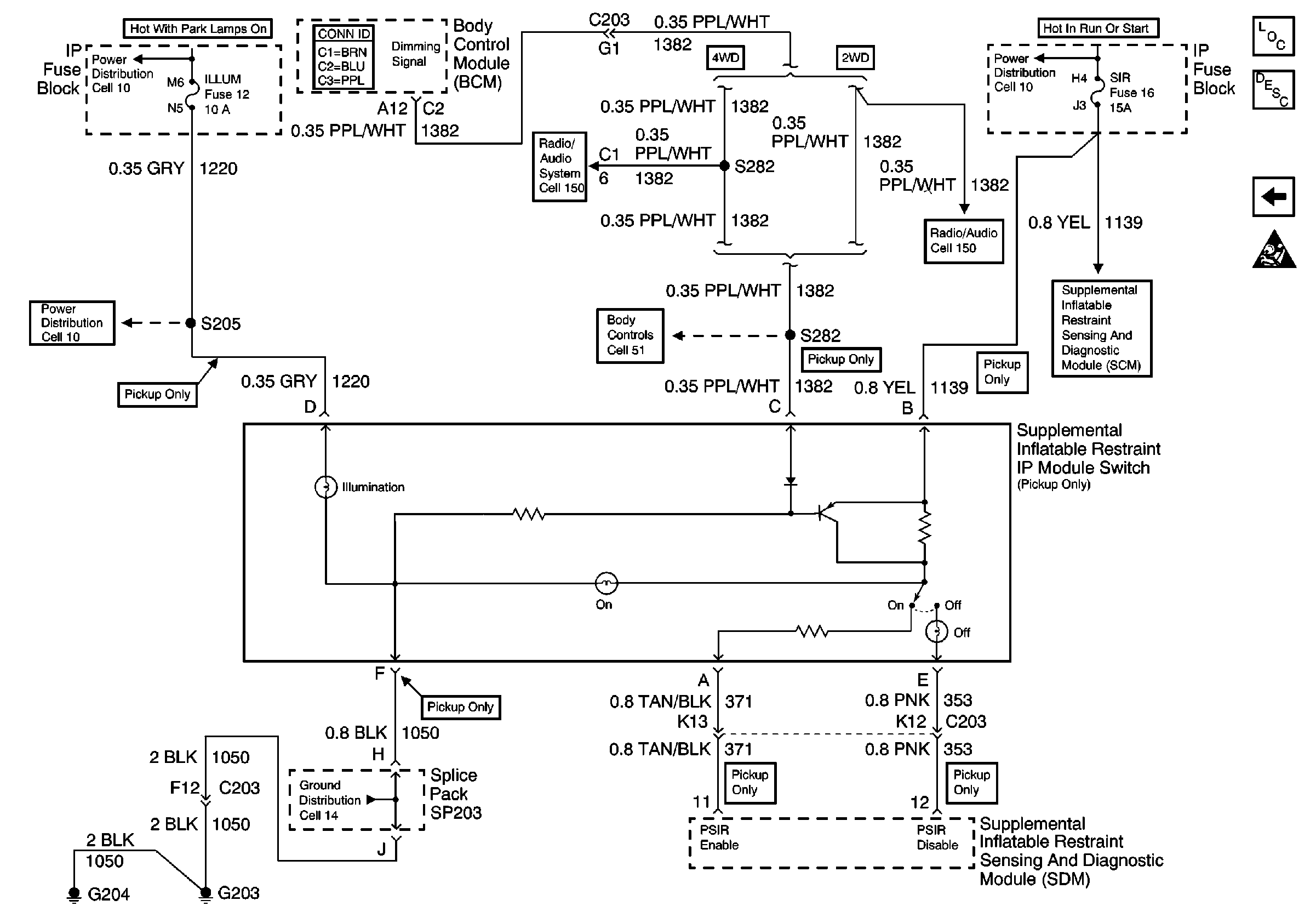
🢒 Cell 47: IP Module Switch
Cell 47: IP Module Switch
Cell 47: IP Module Switch
Cell 10: ILLUM, PARK LP Fuses
Body Control System Connector End Views
Cell 150: BCM (Chevy/GMC)
Cell 51: Dimming Signal
Cell 10: ILLUM Power (Pickup)
Cell 14: G203 and G204 (Pickup)
Cell 47: Power, Ground, DLC and Sensors
Cell 10: TURN, SIR and GAUGES Fuses
Cell 150: BCM (Chevy/GMC)
SIR Components
SIR System Component Description and Definitions
Cell 47: Seat Belt Switch, Steering Wheel and IP Module
SIR Handling Caution