GM Service Manual Online
For 1990-2009 cars only
Makes
🢒
Chevrolet
🢒
2000
🢒
S10 Pickup - 2WD
🢒 Instrument Cluster and BCM
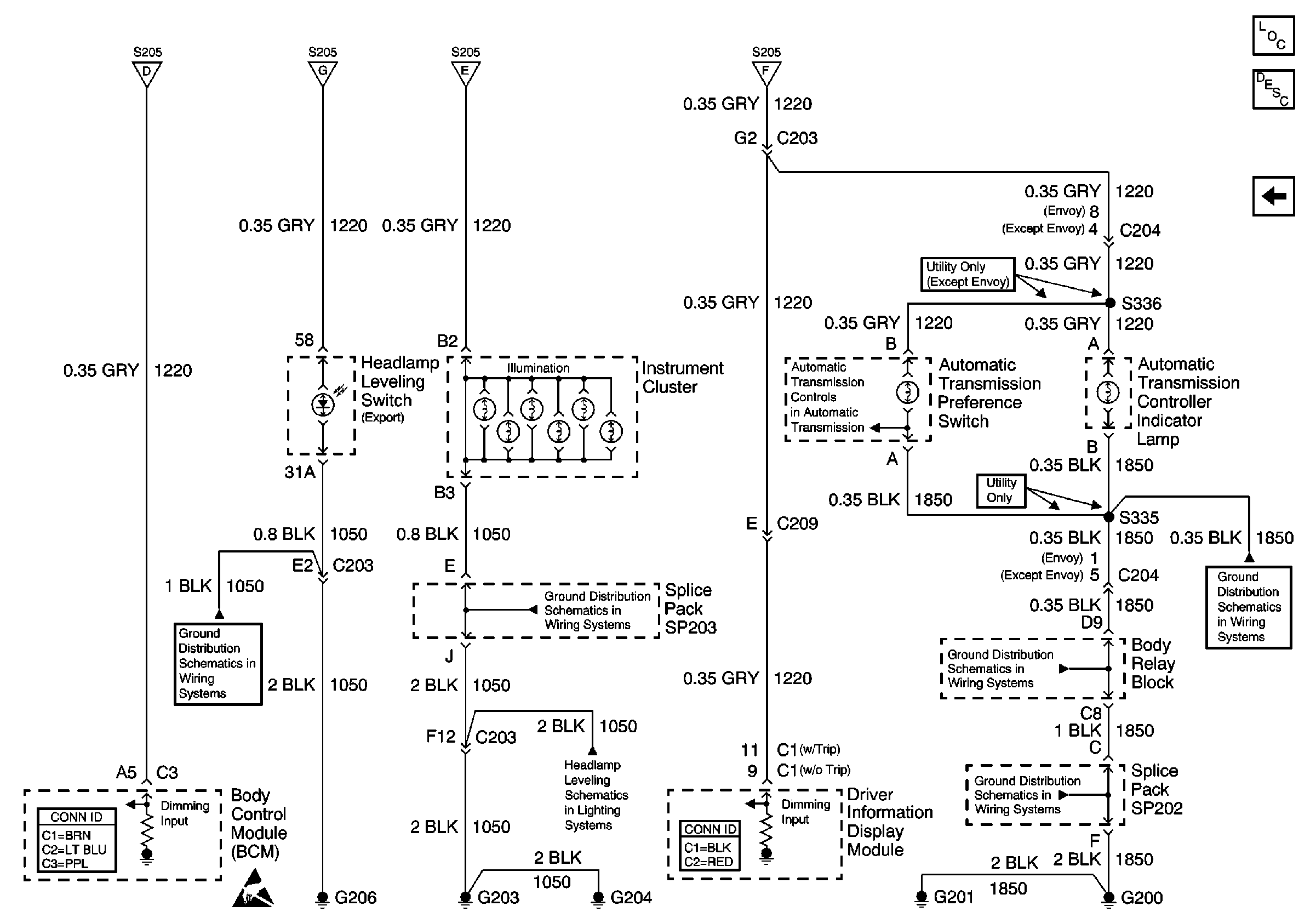
Instrument Cluster and BCM
Instrument Cluster and BCM
Lighting Systems Components
Interior Lights Dimming Circuit Description
Steering Wheel Controls
ILLUM Fuse 12
ILLUM Fuse 12
ILLUM Fuse 12
ILLUM Fuse 12
G205 and G206 (Utility)
Body Control System Connector End Views
Handling ESD Sensitive Parts Notice
G203 and G204 (Utility w/ Manual A/C)
2000 S/T Headlight Leveling
Driver Information Systems Connector End Views
Automatic Transmission Preference Switch
G200, G201 and G207 (Utility)
G200, G201 and G207 (Utility)
G200, G201 and G207 (Envoy)