GM Service Manual Online
For 1990-2009 cars only
Makes
🢒
Chevrolet
🢒
2000
🢒
S10 Pickup - 2WD
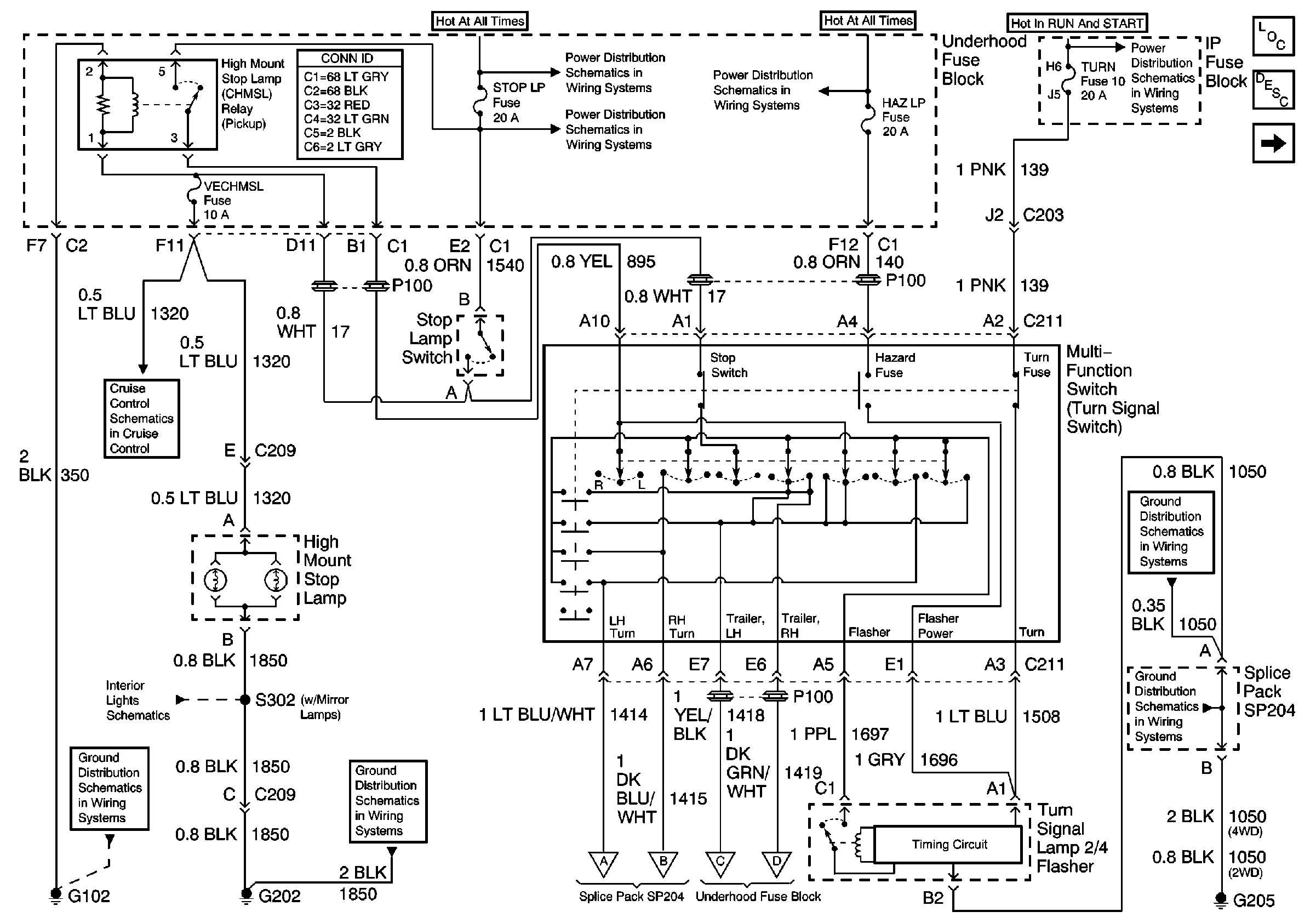
🢒 High Mount Stoplamp, Multifunction Switch (Turn Signal Switch) and Turn Signal Flasher
High Mount Stoplamp, Multifunction Switch (Turn Signal Switch) and Turn Signal Flasher
High Mount Stoplamp, Multifunction Switch (Turn Signal Switch) and Turn Signal Flasher
Lighting Systems Components
Exterior Lights Circuit Description
Instrument Cluster Turn Signal Indicators
Power and Grounding Connector End Views
B+ Bus Bar
STOP LP, HAZ LP, TURN Fuses and Turn and Hazard Switch
B+ Bus Bar
IGN C, IGN A Fuses and Ignition and Start Switch
Cruise Control Module and PCM/VCM
Inside Rear View Mirror and Visor Vanity Mirror Lamps
G102
G202
Instrument Cluster Turn Signal Indicators
Turn Signal Lamps (Front) and Turn Signal Fuses (Rear)
G205 and G206
G205 and G206