GM Service Manual Online
For 1990-2009 cars only
Makes
🢒
Chevrolet
🢒
2000
🢒
S10 Pickup - 2WD
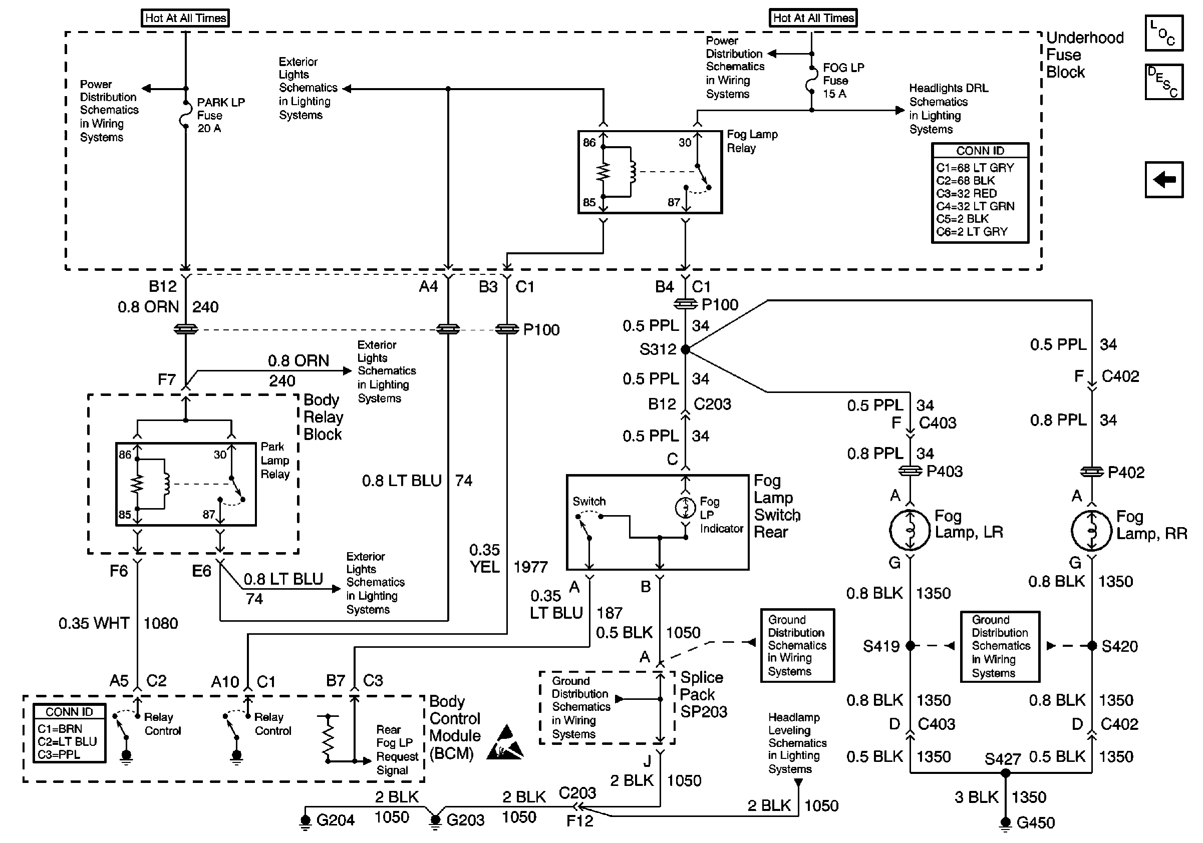
🢒 Rear Fog Lamps (Export)
Rear Fog Lamps (Export)
Rear Fog Lamps (Export)
Lighting Systems Components
Fog Lights Circuit Description
Front Fog Lamps
B+ Bus Bar
Park and License Lamps, Rear (Utility)
B+ Bus Bar
DRL and Headlamp Power Relays
Power and Grounding Connector End Views
Body Control System Connector End Views
Park Lamps and Marker Lamps, Front
Park Lamps and Marker Lamps, Front
Handling ESD Sensitive Parts Notice
G203 and G204 (Utility w/ Manual A/C)
G203 and G204 (Utility w/ Manual A/C)
2000 S/T Headlight Leveling
S313 and S419