GM Service Manual Online
For 1990-2009 cars only
Figure 1:

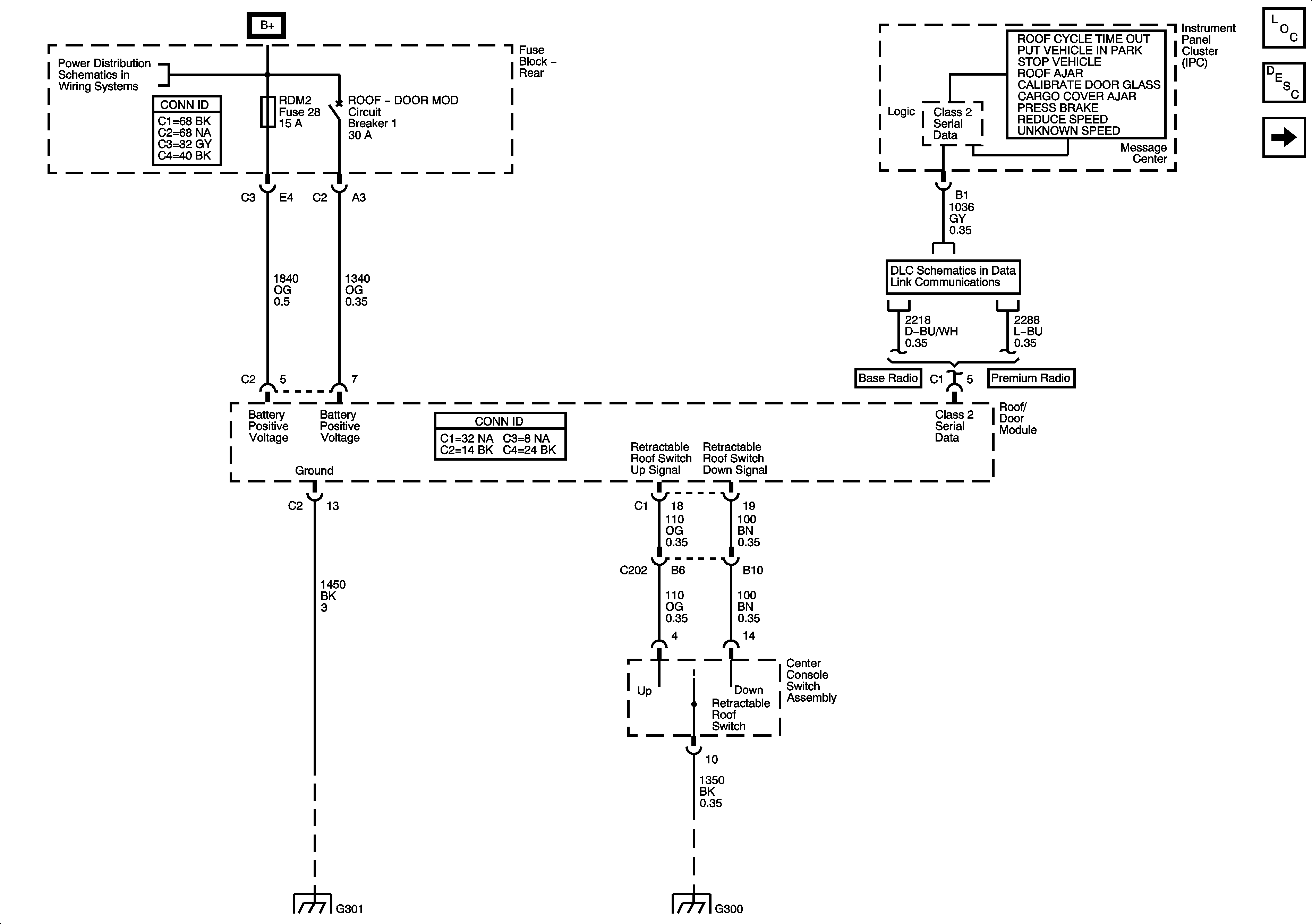
Power, Ground, Serial Data and Retractable Roof Switch


Object Number: 1260015  Size: FS
Master Electrical Component List
Power Folding Top Description and Operation
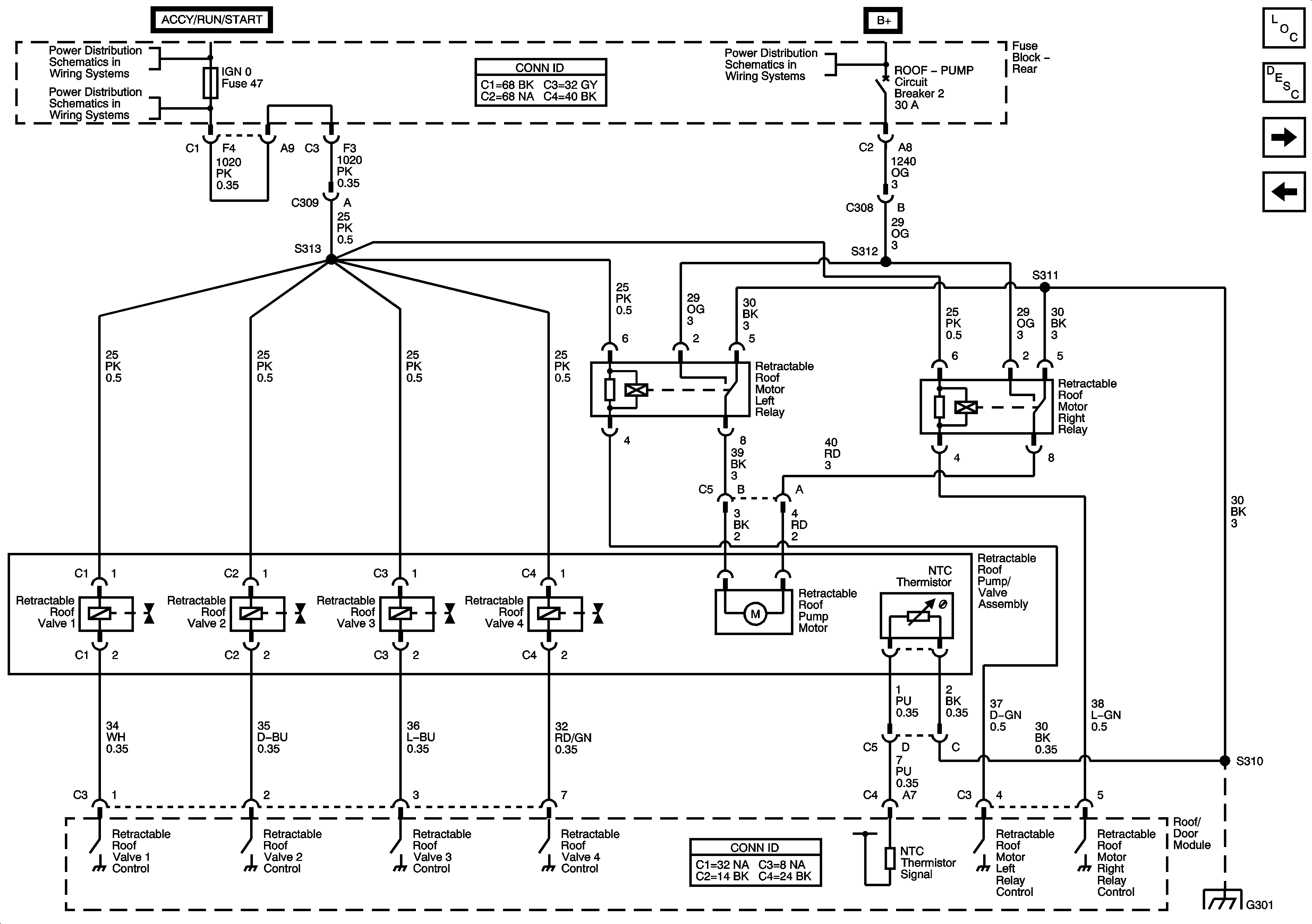
Retractable Roof Pump/Valve Assembly and Relays
B+ Bus - Fuse Block - Rear
Data Link Connector (DLC) Schematics
G301, G302
G300
Figure 2:

Retractable Roof Pump/Valve Assembly and Relays


Object Number: 1260059  Size: FS
Master Electrical Component List
Power Folding Top Description and Operation
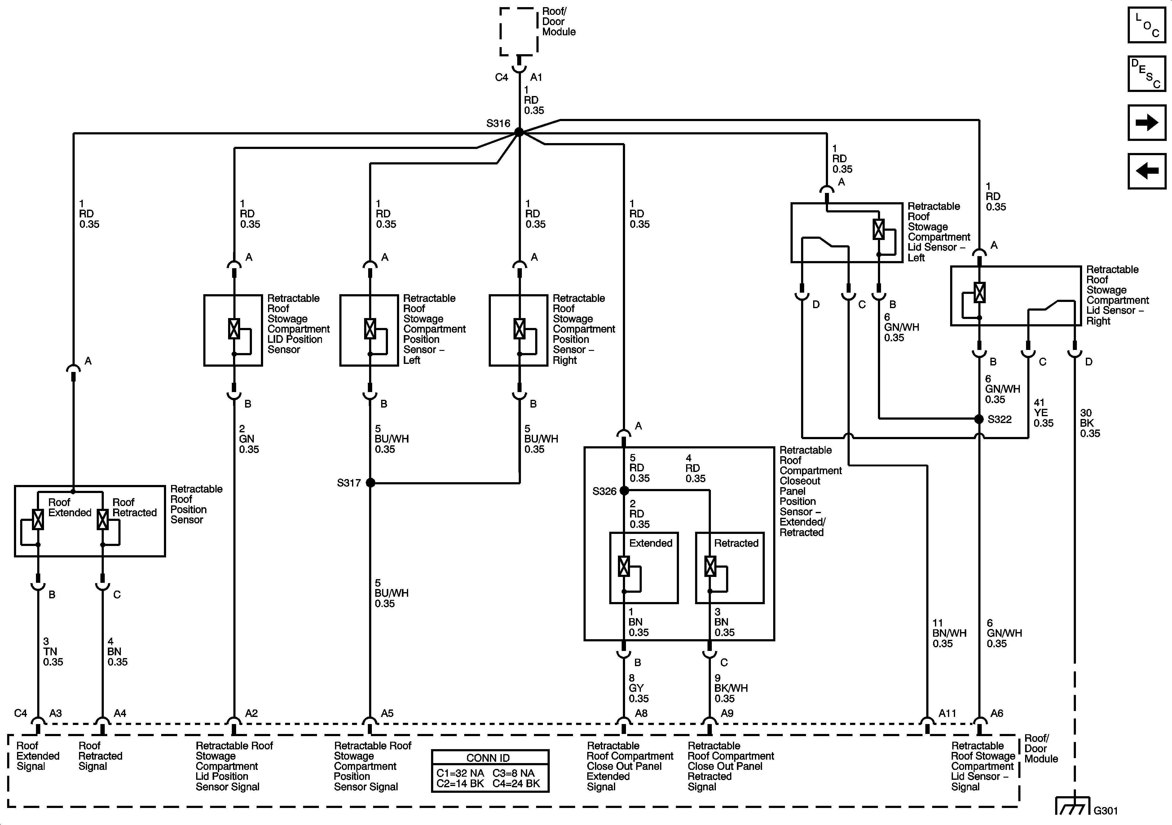
Sensors
Power, Ground, Serial Data and Retractable Roof Switch
ACCY/RUN and RUN/START BUS BAR
IGN 0, TBC IG, TBC 4CC and FT WPR Fuses
B+ Bus - Fuse Block - Rear
Figure 3:

Sensors


Object Number: 1260080  Size: FS
Master Electrical Component List
Power Folding Top Description and Operation
Retractable Roof Latches and References
Retractable Roof Pump/Valve Assembly and Relays
G301, G302
Figure 4:

Retractable Roof Latches and References


Object Number: 1260110  Size: FS
Master Electrical Component List
Power Folding Top Description and Operation
Sensors
Automatic Transmission Shift Lock Control Schematics
Power Window Schematics
Body Rear End Schematics
A/C Compressor Controls
G301, G302