GM Service Manual Online
For 1990-2009 cars only
Makes
🢒
Chevrolet
🢒
2007
🢒
Silverado - 2WD
🢒
Body Systems
🢒
Wipers and Washers
🢒 Wiper/Washer Schematics
Figure
1:
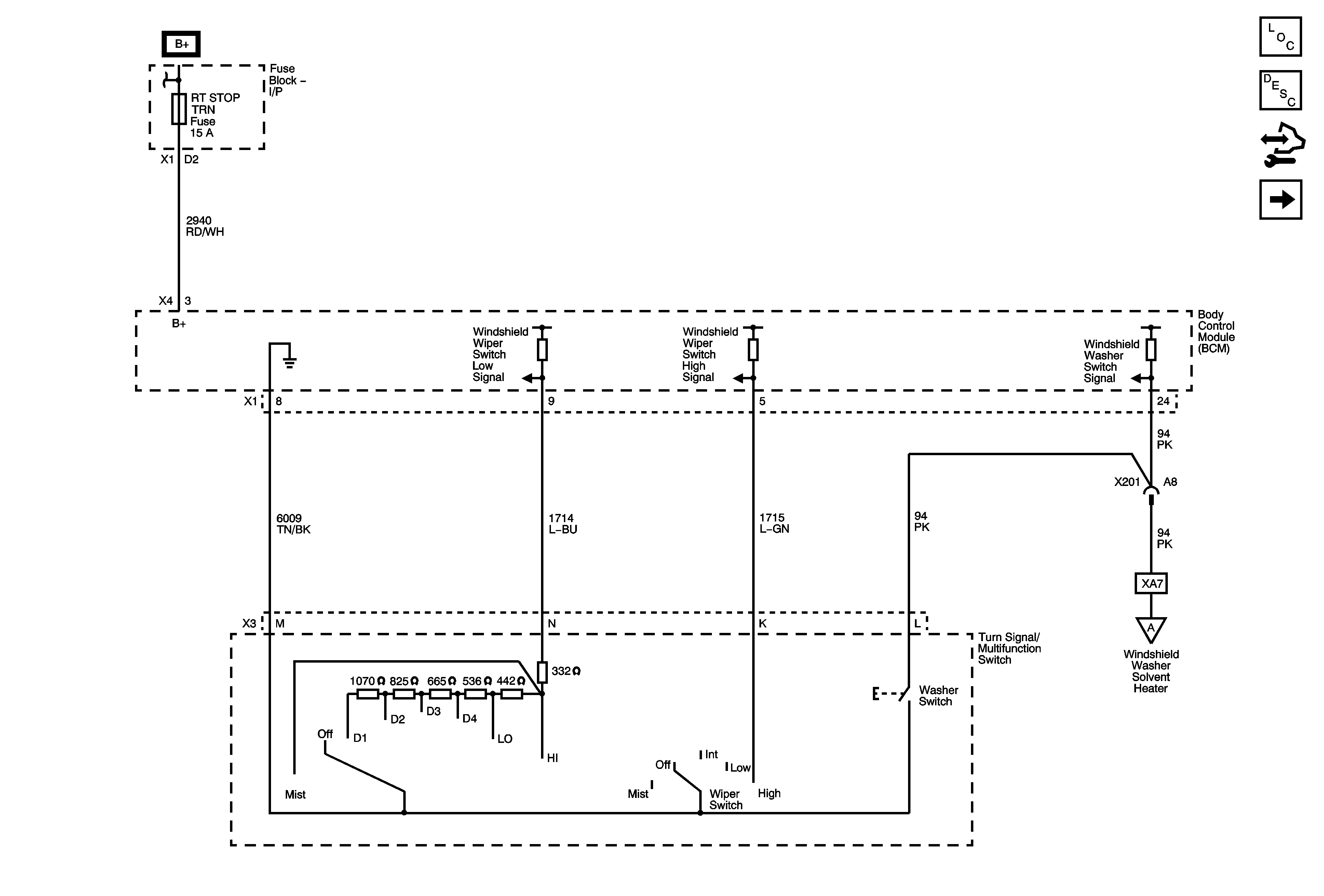
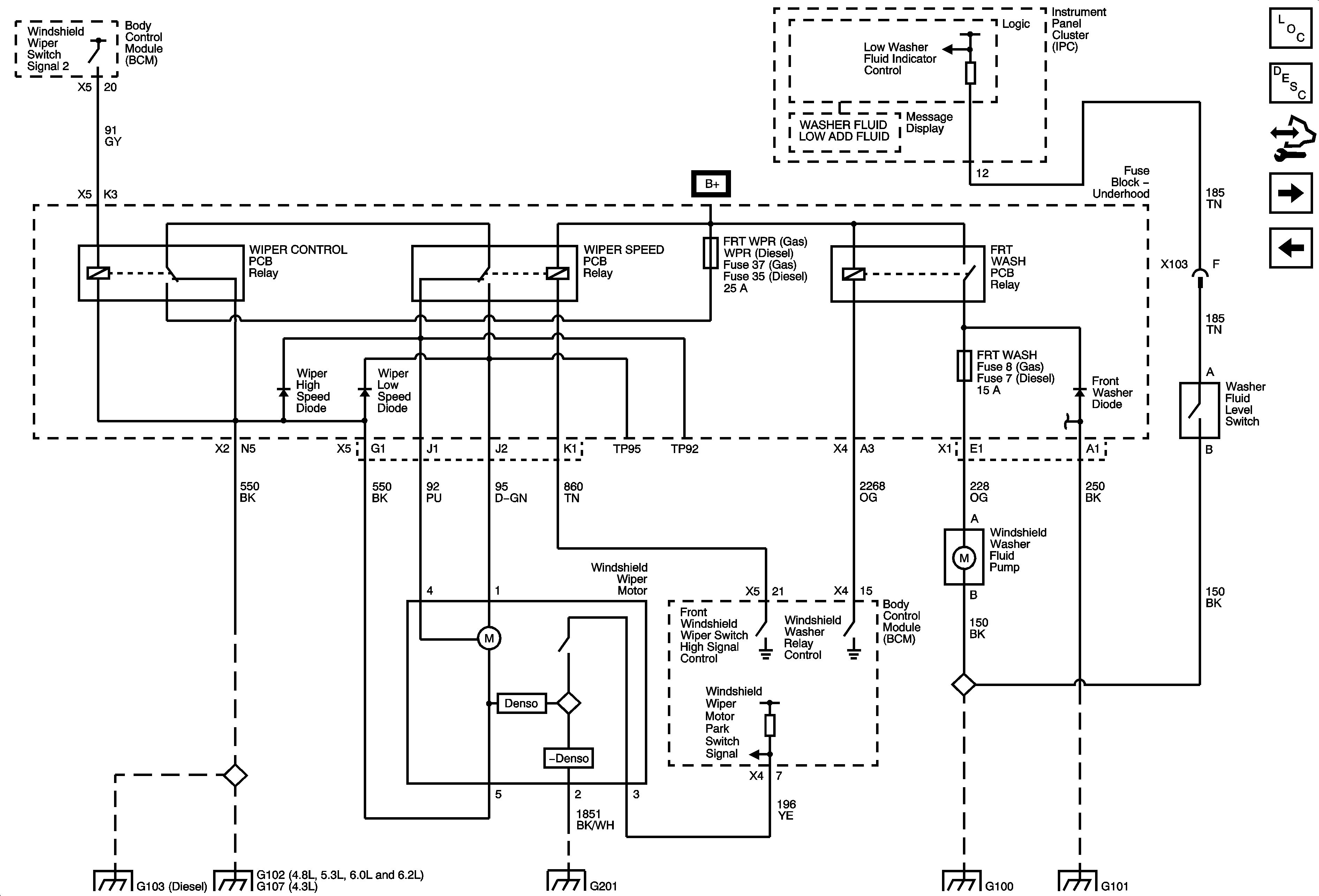
Wiper Controls
Master Electrical Component List
Wiper/Washer System Description and Operation
Control Module References
Wiper and Washer Motor Control
BCM, COOLED SEATS, CTSY, DDM, DIM, DSM, LBEC 2, PWR MIR, REAR HVAC and RT STOP TRN Fuses
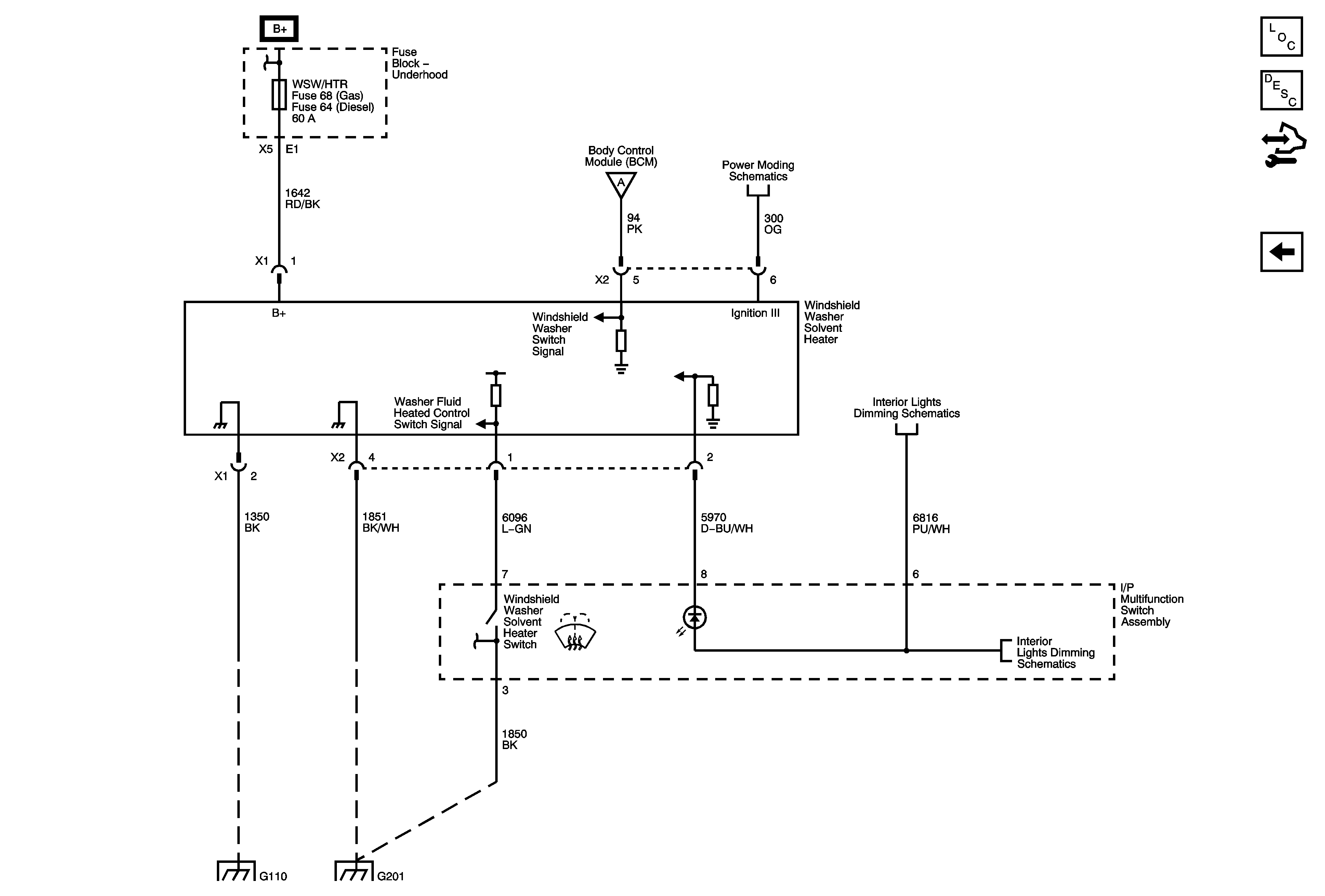
Heated Washer (XA7)
Figure
2:
Wiper and Washer Motor Control
Master Electrical Component List
Wiper/Washer System Description and Operation
Control Module References
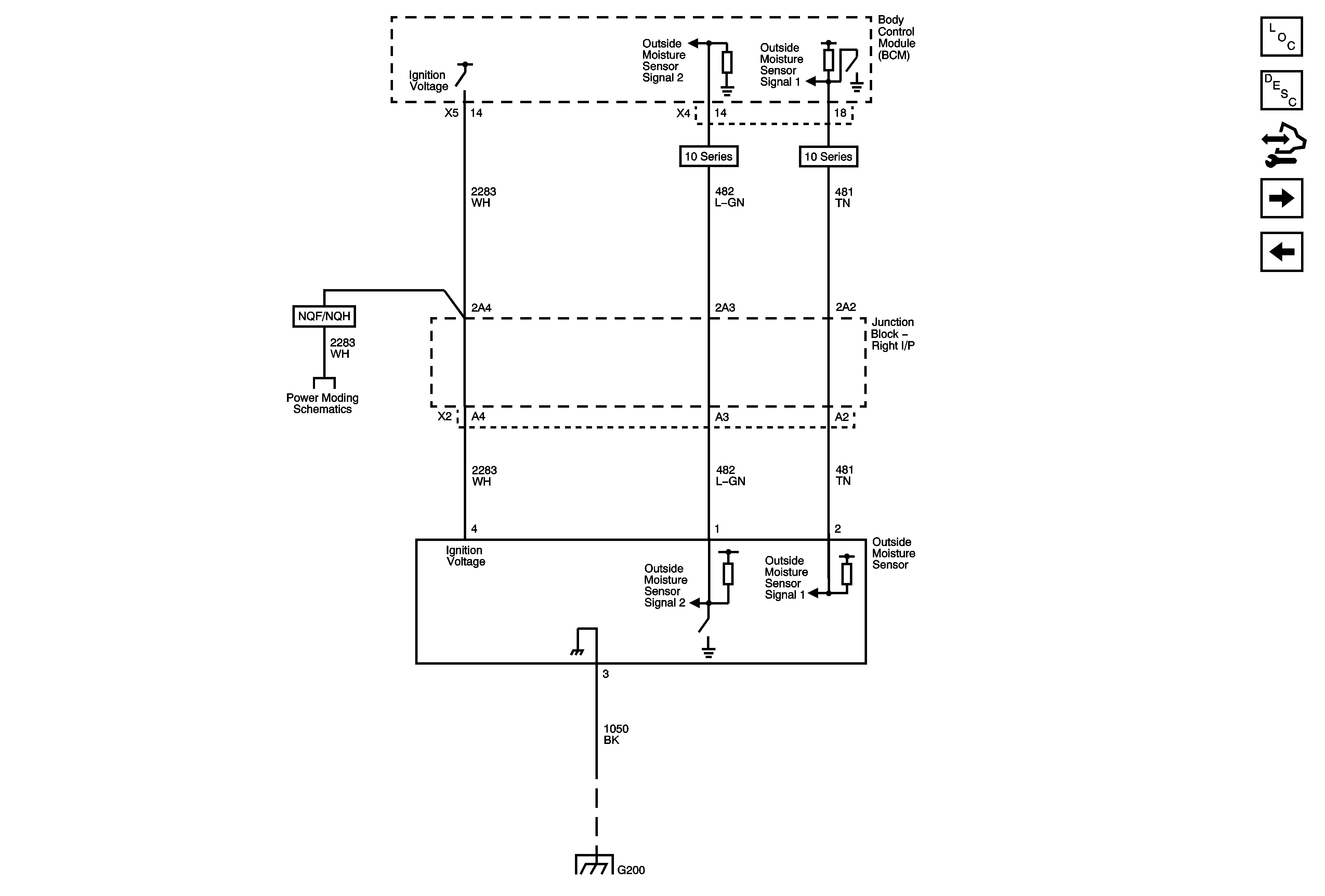
Outside Moisture Sensor (CE1)
Wiper Controls
B+ Bus - 3 of 3
A/C CMPRSR, FRT WASH, FUEL PUMP, HORN, HTD MIR, REAR DEFOG and STRTR Fuses
G106 (4.3L) and G103
G102, G107 (4.3L), G104, G108
G201 1 of 2
G100
G101
Figure
3:
Outside Moisture Sensor (CE1)
Master Electrical Component List
Wiper/Washer System Description and Operation
Control Module References
Heated Washer (XA7)
Wiper and Washer Motor Control
G200 1 of 2
Ignition I Voltage and 12 Volt Reference
Figure
4:
Heated Washers (XA7)
Master Electrical Component List
Wiper/Washer System Description and Operation
Control Module References
Outside Moisture Sensor (CE1)
ABS-1, ABS-2, HEAVY DUTY ABS, HVAC BLWR, STUD 1, STUD 2 and WSW/HTR Fuses
Wiper Controls
Ignition III Voltage and Accessory Voltage
LED Dimming 3 of 3
LED Dimming 3 of 3
G106 (Diesel), G105, G110 and G111
G201 1 of 2