GM Service Manual Online
For 1990-2009 cars only
Makes
🢒
Chevrolet
🢒
2003
🢒
Tracker - 2WD
🢒
Transmission/Transaxle
🢒
Automatic Transmission - 4 Speed-M41
🢒 Automatic Transmission Controls Schematics
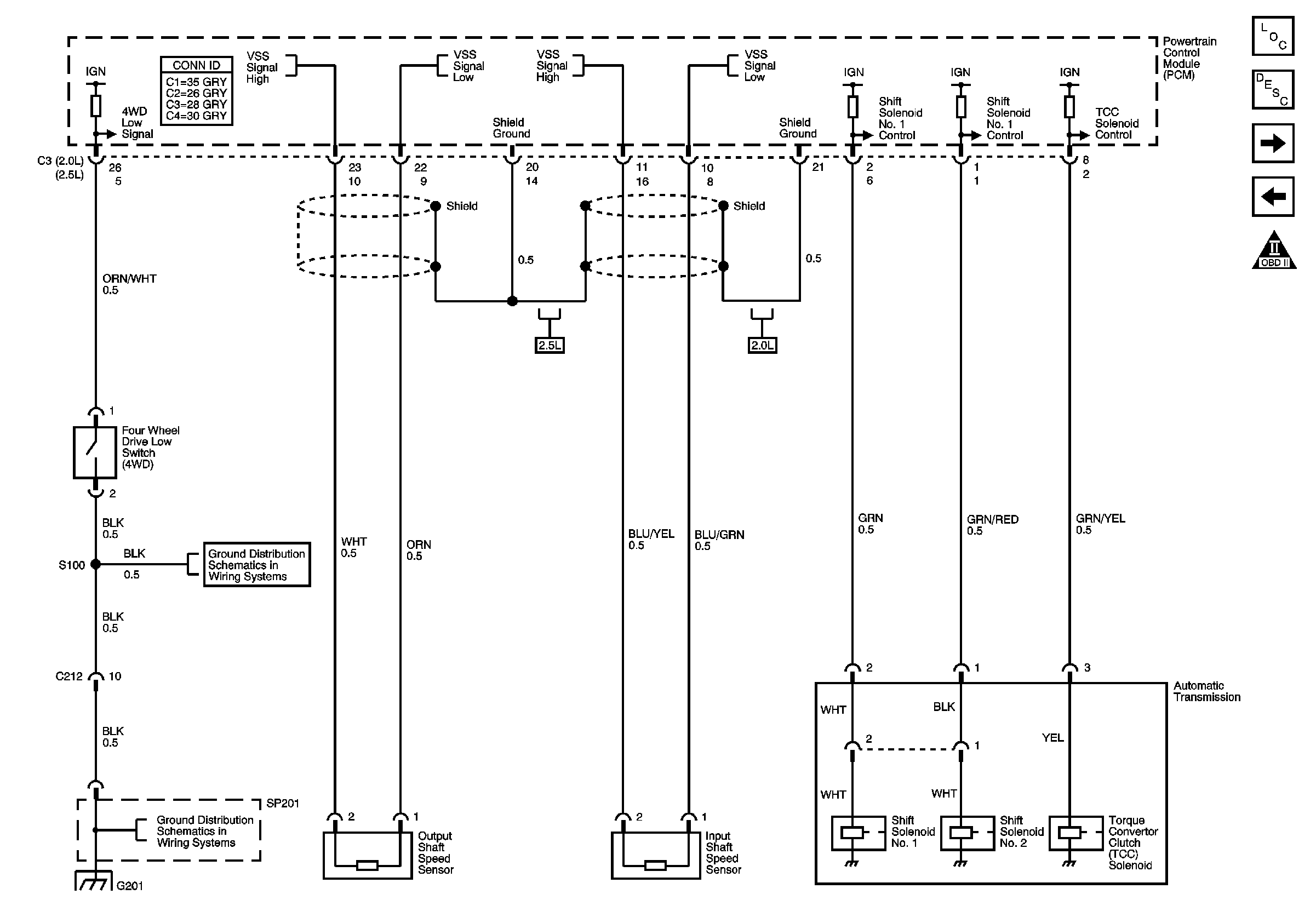
Figure
1:
Transmission Range Switch
Master Electrical Component List
Transmission General Information
Four Wheel Drive Low Switch, Output Shaft, Input Shaft Speed Sensors, TCC
OBD II Symbol Description Notice
HAZ, D/L, TAIL, STOP, DOME Fuses
HAZ, D/L, TAIL, STOP, DOME Fuses
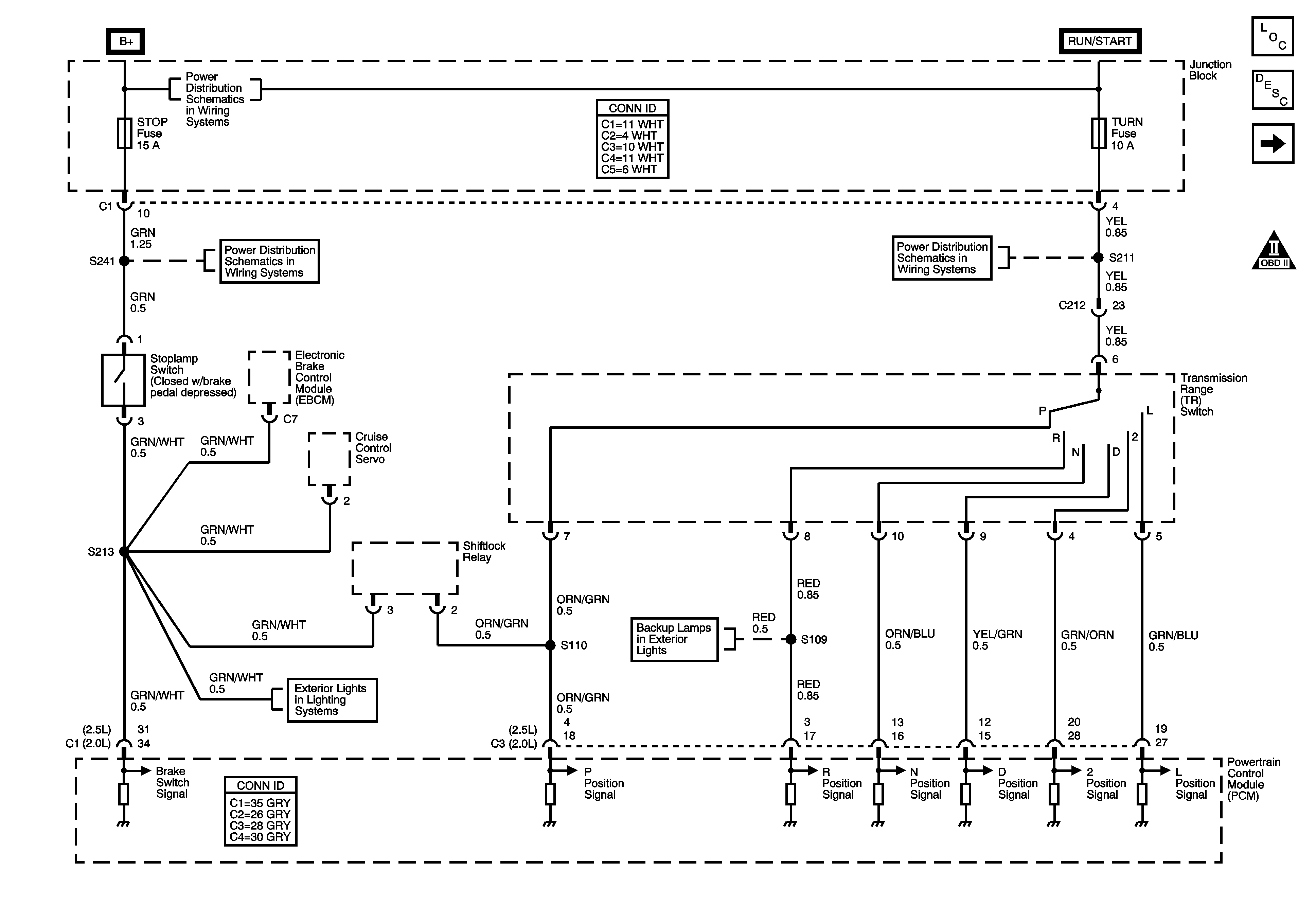
Electronic Brake Control Module (EBCM), Brake Indicator, Stoplamp Switch
Stoplamp Switch, Cruise Control Servo
Shiftlock Control with Cruise Control
Stoplamps Switch, Stoplamps
TURN, WIP Fuses
Backup Lamps, Backup Lamp Switch, Transmission Range Switch
Figure
2:
Four Wheel Drive Switch, Output Shaft Speed Sensor, Input Shaft Speed Sensor, Torque Converter Clutch (TCC) Solenoid
Master Electrical Component List
Transmission General Information
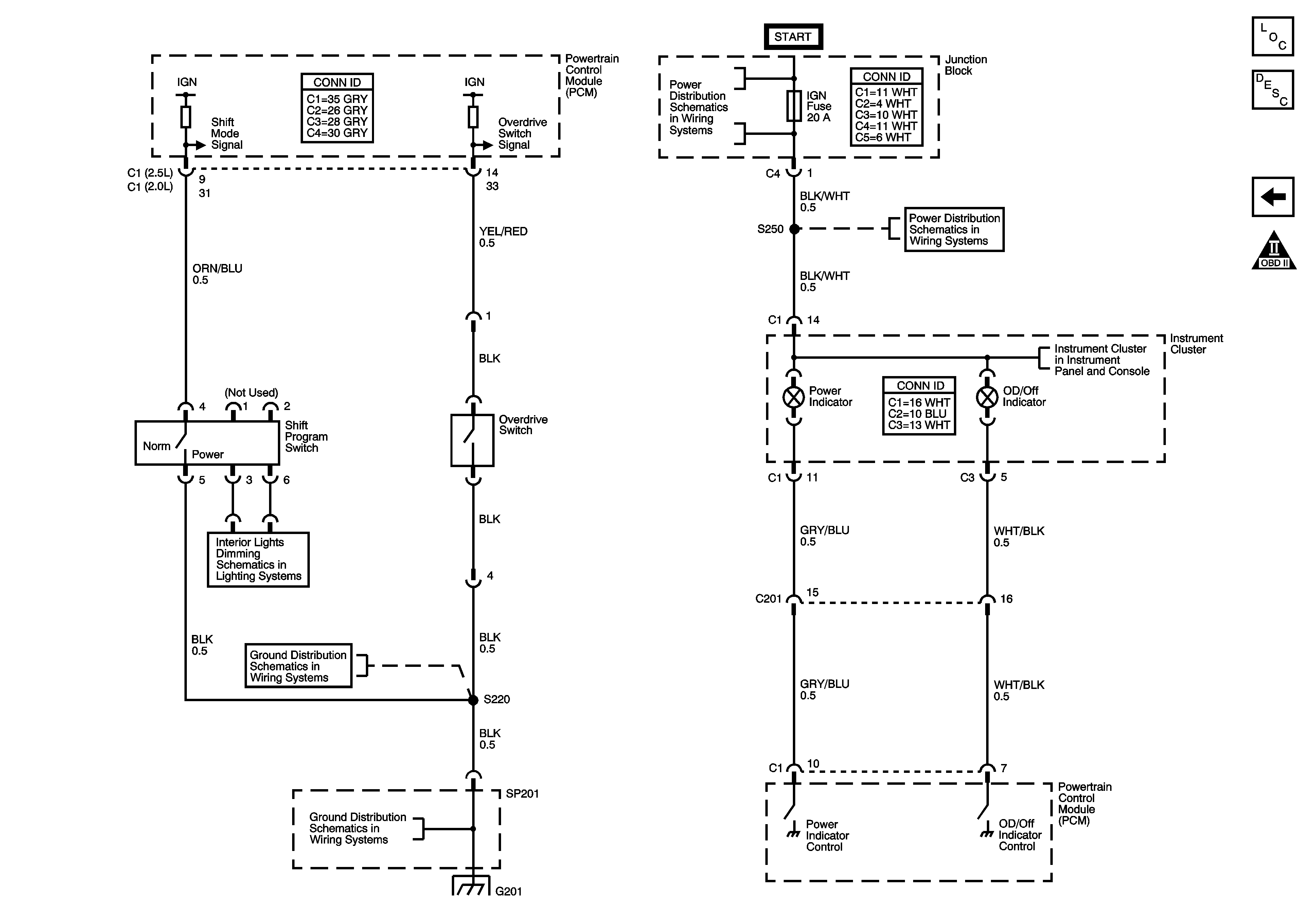
Shift Program Switch, Overdrive Switch
Transmission Range Switch
OBD II Symbol Description Notice
G201
G201
Figure
3:
Shift Program Switch, Overdrive Switch
Master Electrical Component List
Transmission General Information
Four Wheel Drive Low Switch, Output Shaft, Input Shaft Speed Sensors, TCC
OBD II Symbol Description Notice
Instrument Panel Lamp Dimmer Control
G201
G201
IG Fuse
IG Fuse
Power, O/D OFF, 4WD, MIL, CRUISE, Charge Indicators