GM Service Manual Online
For 1990-2009 cars only
Makes
🢒
Generic
🢒
2003
🢒
Unit Repair
🢒
Transmission/Transaxle
🢒
Automatic Transmission - 4L80-E/4L85-E
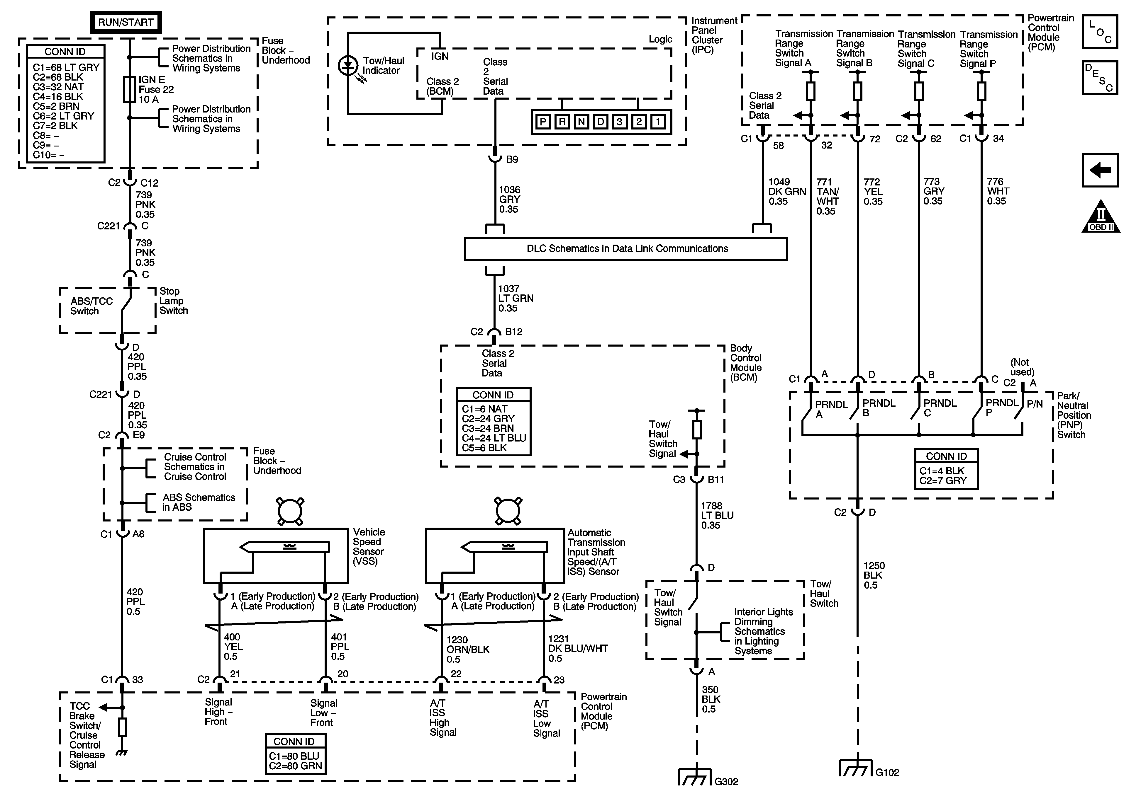
🢒 Automatic Transmission Controls Schematics
Figure
1:
Transmission Controls
Master Electrical Component List
Transmission Component and System Description
Temperature/Pressure/Range Switches and VSS
OBD II Symbol Description Notice
CRANK, IGN O, TBC ACC, FR WPR, BRKS, and HVAC Fuses
CRANK, IGN O, TBC ACC, FR WPR, BRKS, and HVAC Fuses
Figure
2:
Switches, Indicator, and VSS
Master Electrical Component List
Transmission Component and System Description
Power and Solenoid Valve Controls
OBD II Symbol Description Notice
Controls and Backlighting - 1 of 3
IGN B Fuse
SPARE, IGN E, SIR, TBC IGN 1, and ISRV Fuses
Cruise Control
Power, Ground, DLC and Indicator
Data Link Schematics
G302
G102