GM Service Manual Online
For 1990-2009 cars only
Makes
🢒
Generic
🢒
2003
🢒
Unit Repair
🢒 Content Theft Deterrent
Content Theft Deterrent
Content Theft Deterrent
Master Electrical Component List
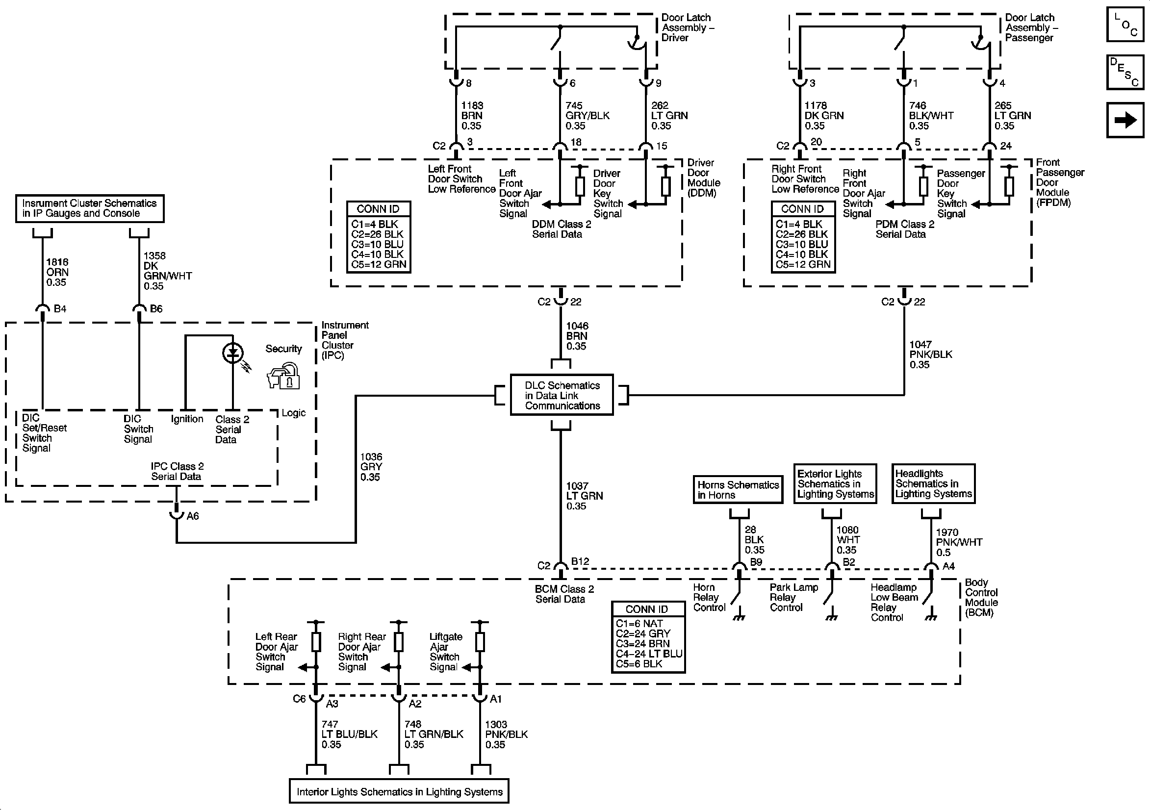
Vehicle Theft Deterrent (VTD) Description and Operation
Vehicle Theft Deterrent
Displays and Personalization Controls
Power, Ground, DLC, and Splice Pack SP205
Horns Schematics
Park Lamp Relay, Front Park and Marker Lamps
Headlamp Controls, Switches, Ambient Light Sensor
Interior Light Controls, BCM, Door Ajar Switches