GM Service Manual Online
For 1990-2009 cars only
Makes
🢒
Generic
🢒
2006
🢒
Unit Repair
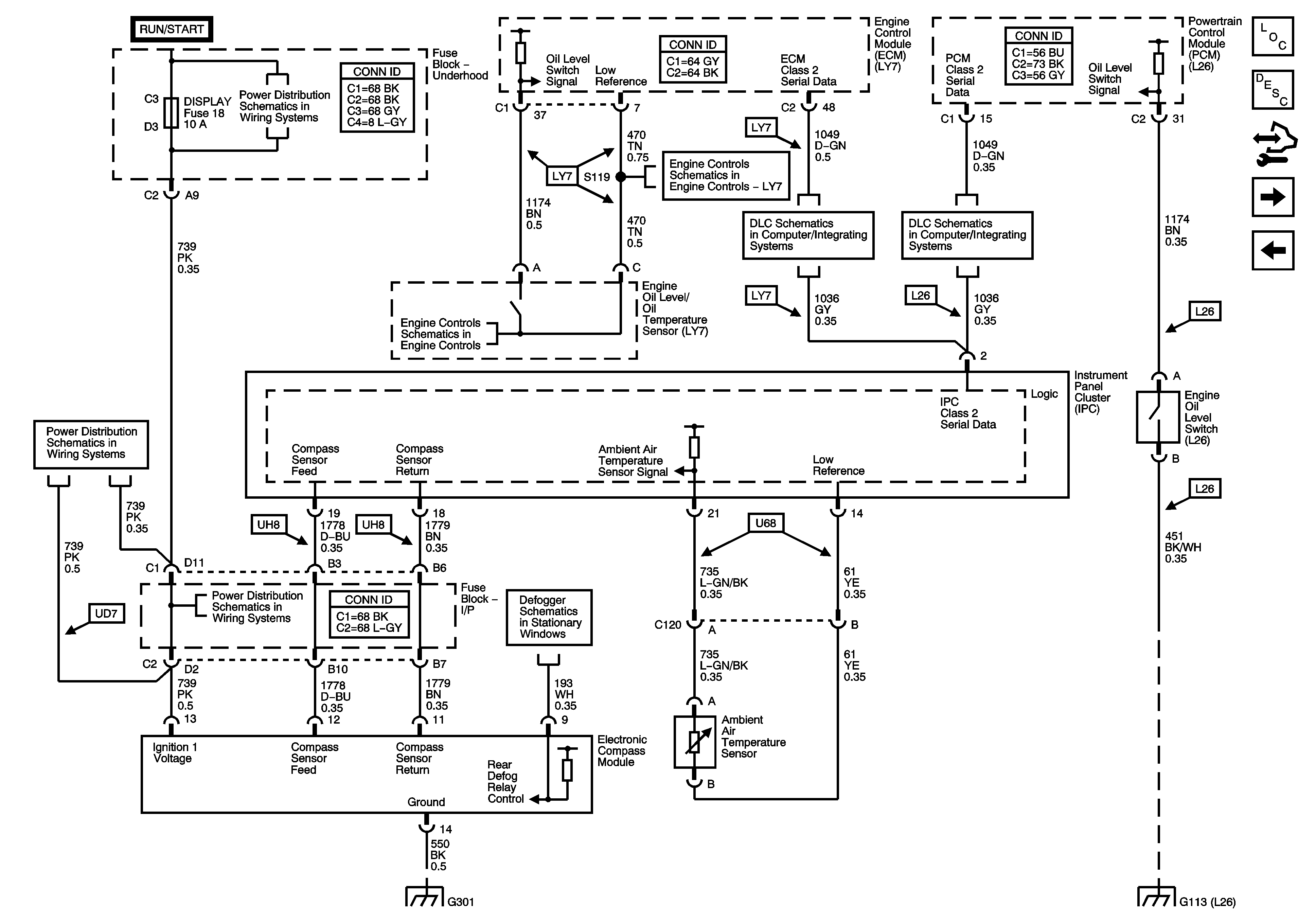
🢒 Ambient Air Temperature Sensor, Electronic Compass Module, and Oil Level Switch
Ambient Air Temperature Sensor, Electronic Compass Module, and Oil Level Switch
Ambient Air Temperature Sensor, Electronic Compass Module, and Oil Level Switch
Master Electrical Component List
Instrument Cluster Description and Operation
Control Module References
Indicators (U2E)
Power, Ground, Serial Data, and Gages (LY7)
Fuse Block - Underhood ABS, TRANS SOL, PCM, SIR, and DISPLAY Fuses, CRANK Relay, and Fuse Block - I/P CRUISE SW Fuse
Pressure and Temperature Sensors
LY7
L26
Pressure and Temperature Sensors
Fuse Block - Underhood ABS, TRANS SOL, PCM, SIR, and DISPLAY Fuses, CRANK Relay, and Fuse Block - I/P CRUISE SW Fuse
Fuse Block - Underhood ABS, TRANS SOL, PCM, SIR, and DISPLAY Fuses, CRANK Relay, and Fuse Block - I/P CRUISE SW Fuse
Defogger Schematics
G301
G101, G102, G103, G111, G112, and G113