GM Service Manual Online
For 1990-2009 cars only
Figure 1:

Instrument Panel DImming - 1 of 5 and LED Dimming - 1 of 2


Object Number: 1522265  Size: FS
Master Electrical Component List
Interior Lighting Systems Description and Operation
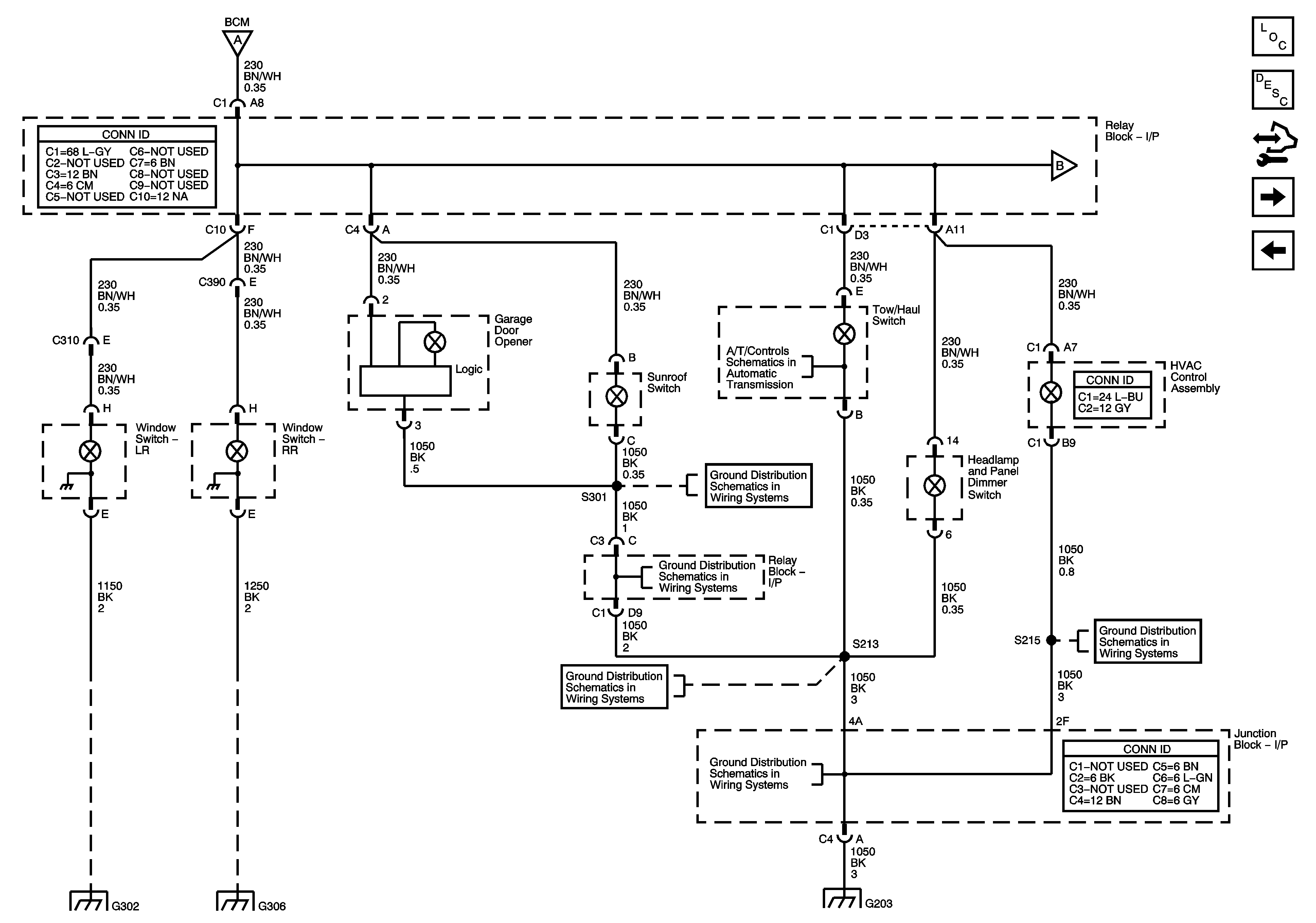
Illumination - Rear Windows, Garage Door Opener, Sunroof, HVAC Control, Headlamp, and Tow/Haul Switches
Illumination - Rear Windows, Garage Door Opener, Sunroof, HVAC Control, Headlamp, and Tow/Haul Switches
CKT 1050: G203, S302, S303, S351, and S215
Figure 2:

Instrument Panel DImming - 2 of 5


Object Number: 1522272  Size: FS
Master Electrical Component List
Interior Lighting Systems Description and Operation
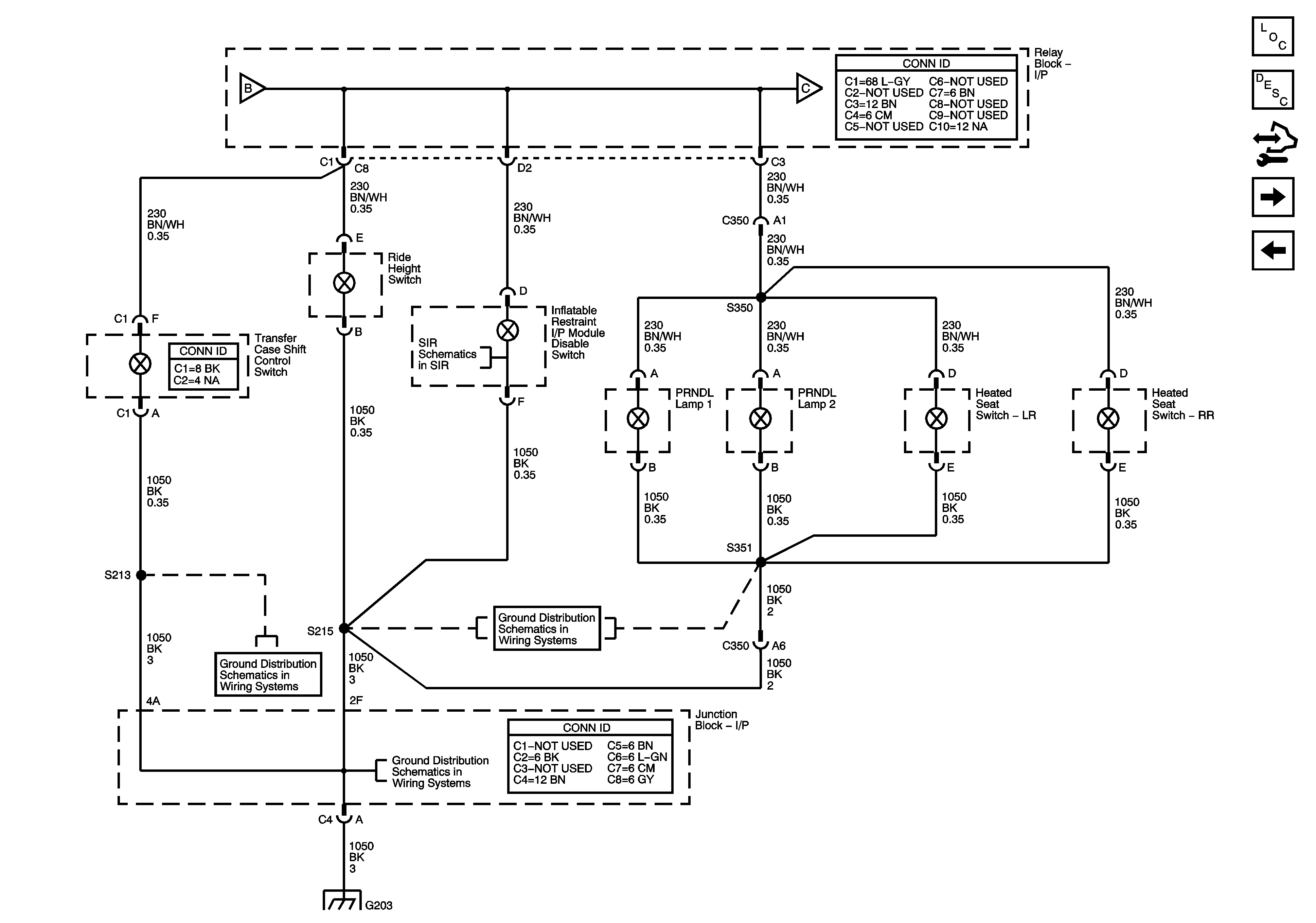
Illumination - Transfer Case Control, Ride Height Control, Inflatable Restraint Disable, and Rear Heated Seat Switches, PRNDL Lamps
Dimmer Controls, I/P Cluster Illumination, and Switch Indicators
Dimmer Controls, I/P Cluster Illumination, and Switch Indicators
Power, BCM, PCM, Class 2, Stop Lamp Switch, Tow/Haul Switch, and Shift Solenoids
CKT 1050: S301 and S213
CKT 1050: G203, S302, S303, S351, and S215
CKT 1050: G203, S302, S303, S351, and S215
CKT 1050: G203, S302, S303, S351, and S215
G302, G304, and G306
G302, G304, and G306
Figure 3:

Instrument Panel DImming - 3 of 5


Object Number: 1522275  Size: FS
Master Electrical Component List
Interior Lighting Systems Description and Operation
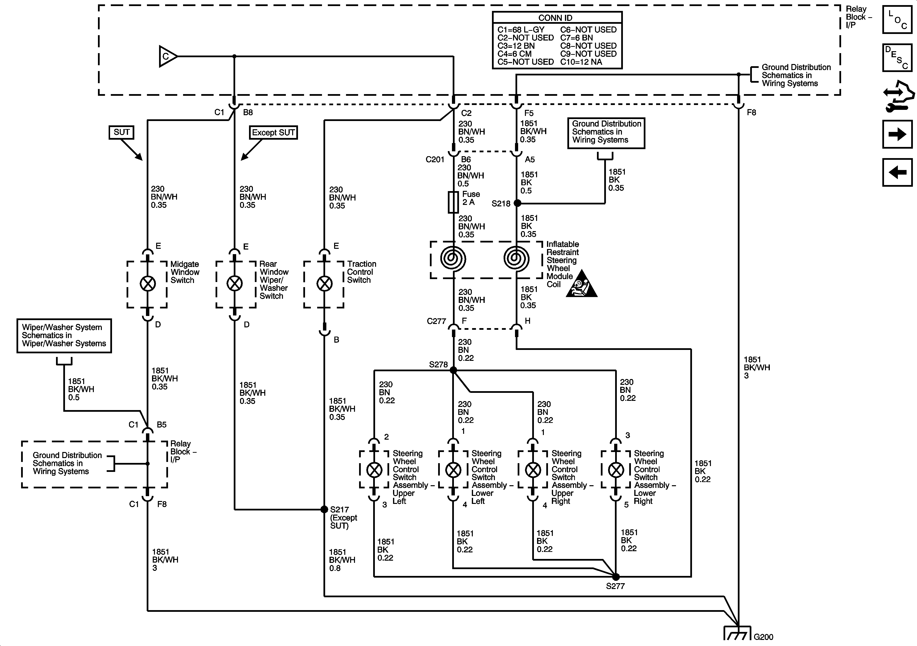
Illumination - Traction Control, Steering Wheel Controls, and Rear Window Washer/Wiper Switches
Illumination - Rear Windows, Garage Door Opener, Sunroof, HVAC Control, Headlamp, and Tow/Haul Switches
Illumination - Rear Windows, Garage Door Opener, Sunroof, HVAC Control, Headlamp, and Tow/Haul Switches
Illumination - Traction Control, Steering Wheel Controls, and Rear Window Washer/Wiper Switches
CKT 1050: G203, S302, S303, S351, and S215
CKT 1050: G203, S302, S303, S351, and S215
CKT 1050: G203, S302, S303, S351, and S215
CKT 1050: S301 and S213
Figure 4:

Instrument Panel DImming - 4 of 5


Object Number: 1522277  Size: FS
Master Electrical Component List
Interior Lighting Systems Description and Operation
Driver Window, Door, and Seat Switches
Illumination - Transfer Case Control, Ride Height Control, Inflatable Restraint Disable, and Rear Heated Seat Switches, PRNDL Lamps
Illumination - Transfer Case Control, Ride Height Control, Inflatable Restraint Disable, and Rear Heated Seat Switches, PRNDL Lamps
G200
G200
SIR Caution for Zoning
G200
Displays and Personalization Controls
Figure 5:

Instrument Panel DImming - 5 of 5 and LED Dimming - 2 of 2


Object Number: 1522278  Size: FS
Master Electrical Component List
Interior Lighting Systems Description and Operation
Front Passenger Window, Door, and Seat Switches
Illumination - Traction Control, Steering Wheel Controls, and Rear Window Washer/Wiper Switches
Power, Ground, DLC, and Splice Pack SP205
Front Door Windows
LBEC 1, LBEC 2, INFO, FPDM, AUX PWR, DDM, LOCKS, TBC 2A, 2B, and 2C, and LT DOORS Circuit Breaker
B+Bus
CKT 1050: S301 and S213
Heat Controls