GM Service Manual Online
For 1990-2009 cars only
Makes
🢒
HUMMER
🢒
2007
🢒
H2
🢒
Driver Information and Entertainment
🢒
Displays and Gages
🢒 Instrument Cluster Schematics
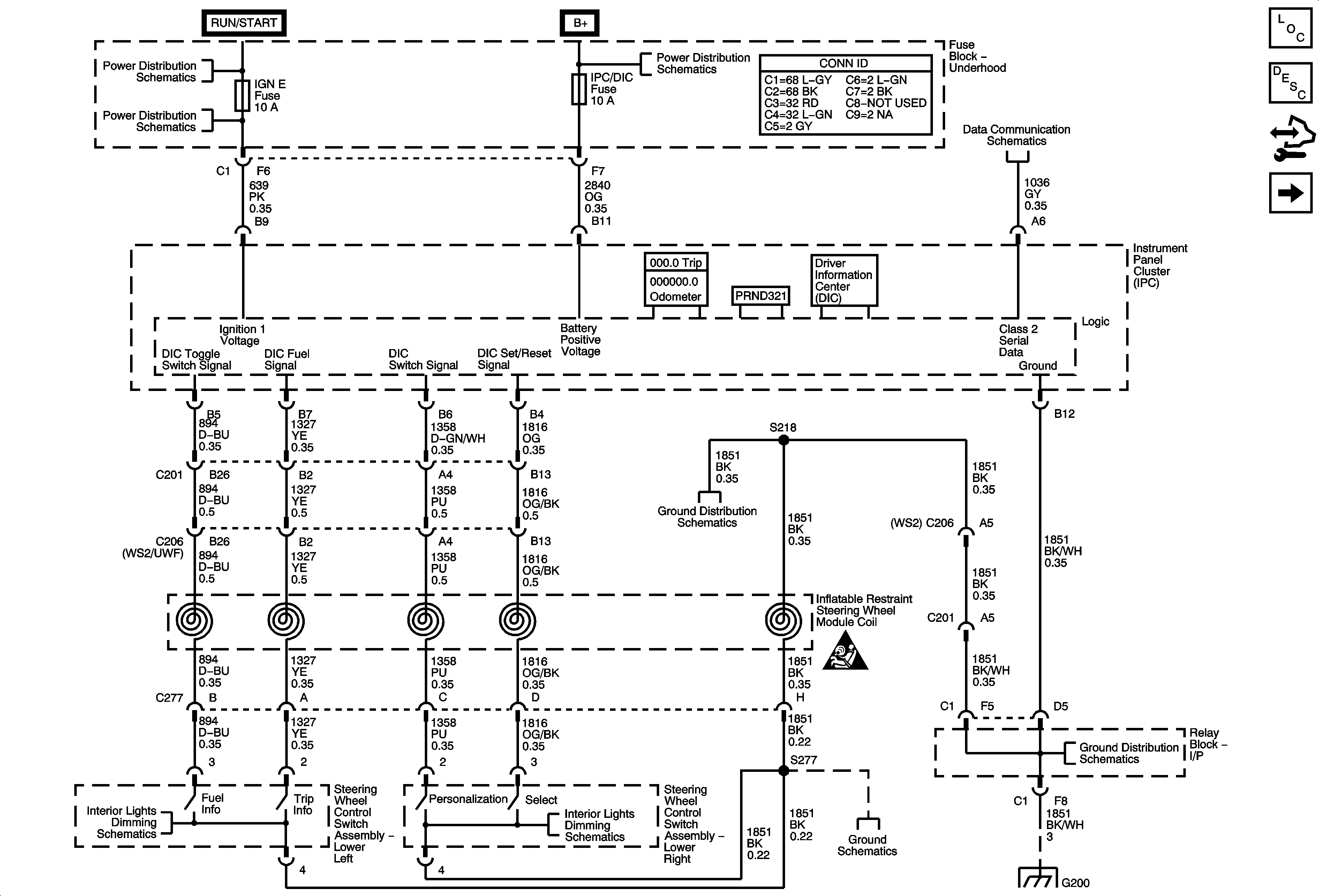
Figure
1:
Power, Ground, Serial Data, and Driver Information
Master Electrical Component List
Instrument Cluster Description and Operation
Control Module References
Gages
Ignition Switch - ACCY/RUN and RUN/START Bus Bars, and IGN B Fuse
IGN E, SEO IGN, and SIR Fuses
B+ Bus
Power, Ground, DLC and Splice Pack SP205
G200
G200
Displays and Gages Schematic Icons
G200
G200
Instrument Panel Dimming - 4 of 5
Instrument Panel Dimming - 4 of 5
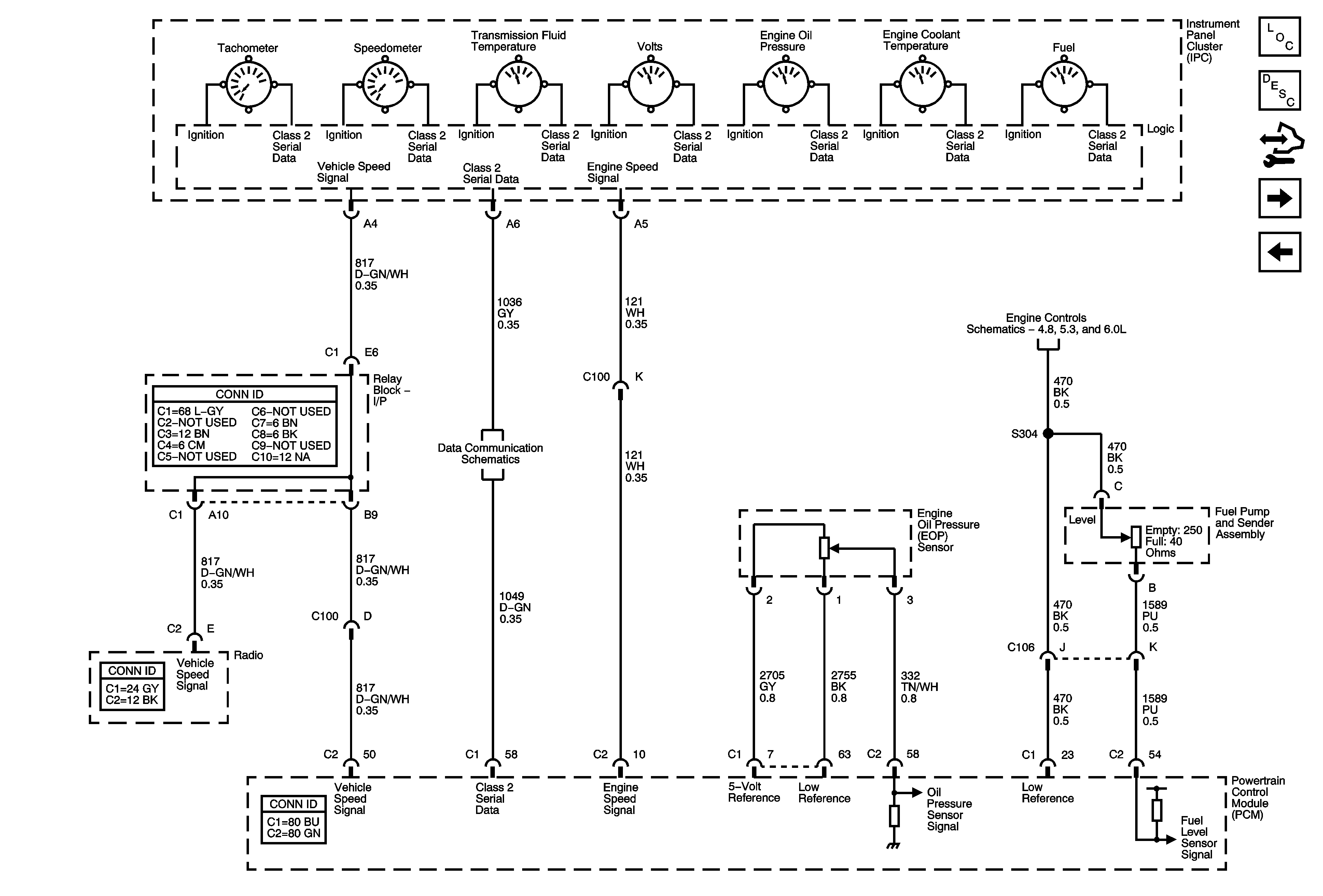
Figure
2:
Gages
Master Electrical Component List
Instrument Cluster Description and Operation
Control Module References
Indicators
Power, Ground, Serial Data, and Driver Information
Power, Ground, DLC and Splice Pack SP205
Engine Data Sensors - 5-Volt and Low Reference
Figure
3:
Indicators
Master Electrical Component List
Instrument Cluster Description and Operation
Control Module References
Gages
07 H2 Exterior Lights Schematics - Marker Lamps and Front Turn Signal Lamps
Module Power, Ground, Serial Data, and MIL
Rear Wiper/Washer Controls and Washer Fluid Level Sensor
Power, Ground, DLC and Splice Pack SP205
G103 and G103