GM Service Manual Online
For 1990-2009 cars only
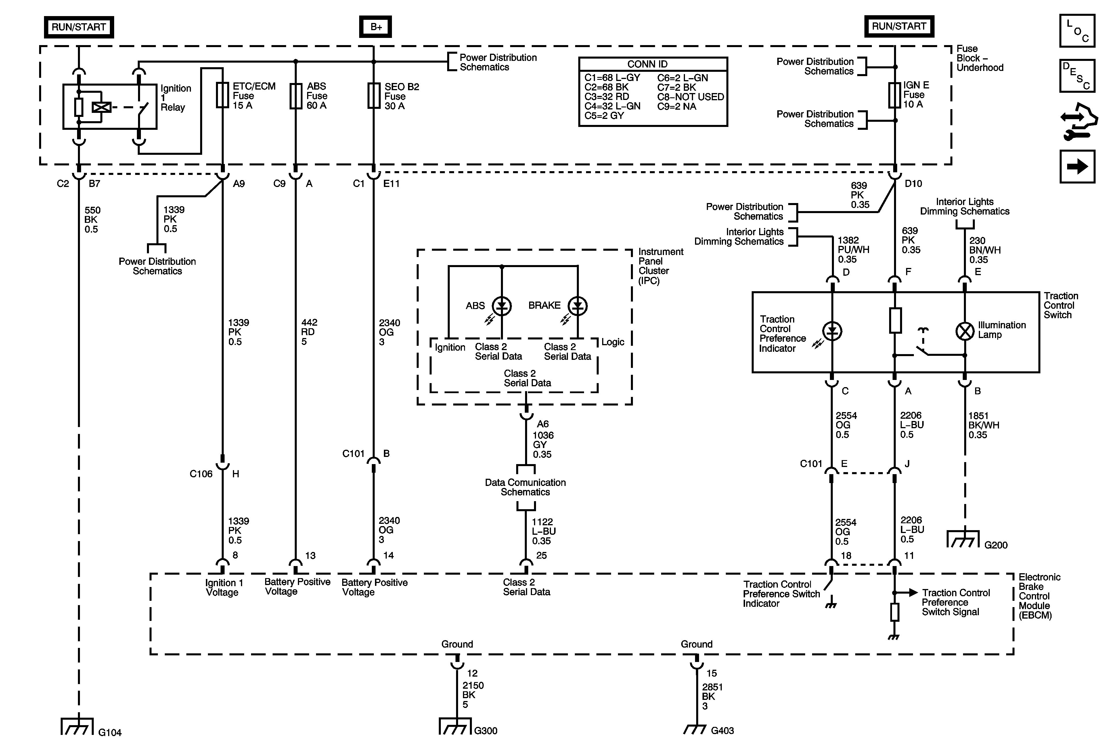
Figure 1:

Power, Ground, Serial Data, Indicator, and Traction Controls


Object Number: 1803837  Size: FS
Master Electrical Component List
ABS Description and Operation
Control Module References
Stop Lamp Switch and Longitudinal Accelerometer Signals
ETC/ECM, INJ 1, INJ 2, and PCM 1 Fuses
B+ Bus
Ignition Switch - ACCY/RUN and RUN/START Bus Bars, and IGN B Fuse
IGN E, SEO IGN, and SIR Fuses
Instrument Panel Dimming - 4 of 5
IGN E, SEO IGN, and SIR Fuses
Instrument Panel Dimming - 1 of 5 and LED Dimming - 1 of 2
G200
Power, Ground, DLC and Splice Pack SP205
G300, G310, G401, and G403
G104 and G106
Figure 2:

Stop Lamp Switch and Longitudinal Accelerometer Signals


Object Number: 1803841  Size: FS
Master Electrical Component List
ABS Description and Operation
Control Module References
Wheel Speed Sensor Signals
Power, Ground, Serial Data, Indicator, and Traction Controls
Stop Lamps
Shift Controls and Stop Lamp Switch
Power, Ground, DLC and Splice Pack SP205
Stop Lamps
Figure 3:

Wheel Speed Sensor Signals


Object Number: 1803857  Size: FS
Master Electrical Component List
ABS Description and Operation
Control Module References
Stop Lamp Switch and Longitudinal Accelerometer Signals
Antilock Brake System Schematic Icons