GM Service Manual Online
For 1990-2009 cars only
Figure 1:

Power, Ground, Serial Data, Indicator, and Side Impact Sensors


Object Number: 1413090  Size: FS
Master Electrical Component List
SIR System Description and Operation
Control Module References
Frontal Sensors and Modules
SIR Caution for Zoning
Ignition Switch - ACCY/RUN and RUN/START Bus Bars, IGN B Fuse
SIR Schematic Icons
SIR Schematic Icons
SIR Schematic Icons
4WD, ENG I, HVAC, O2, SIR, and TAC Fuses
SP205
Seat Belts
G102
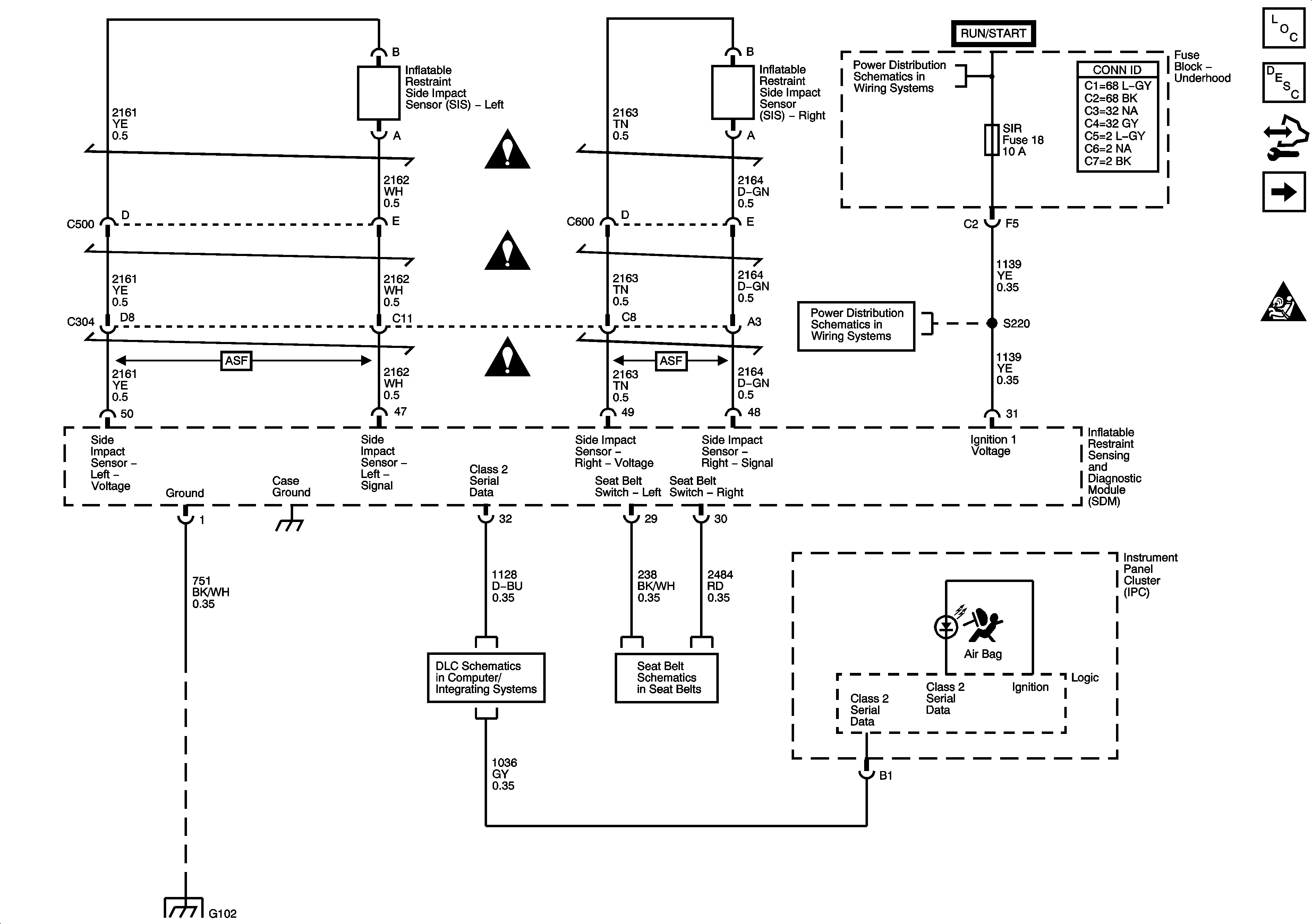
Figure 2:

Front Sensors and Modules


Object Number: 1413095  Size: FS
Master Electrical Component List
SIR System Description and Operation
Control Module References
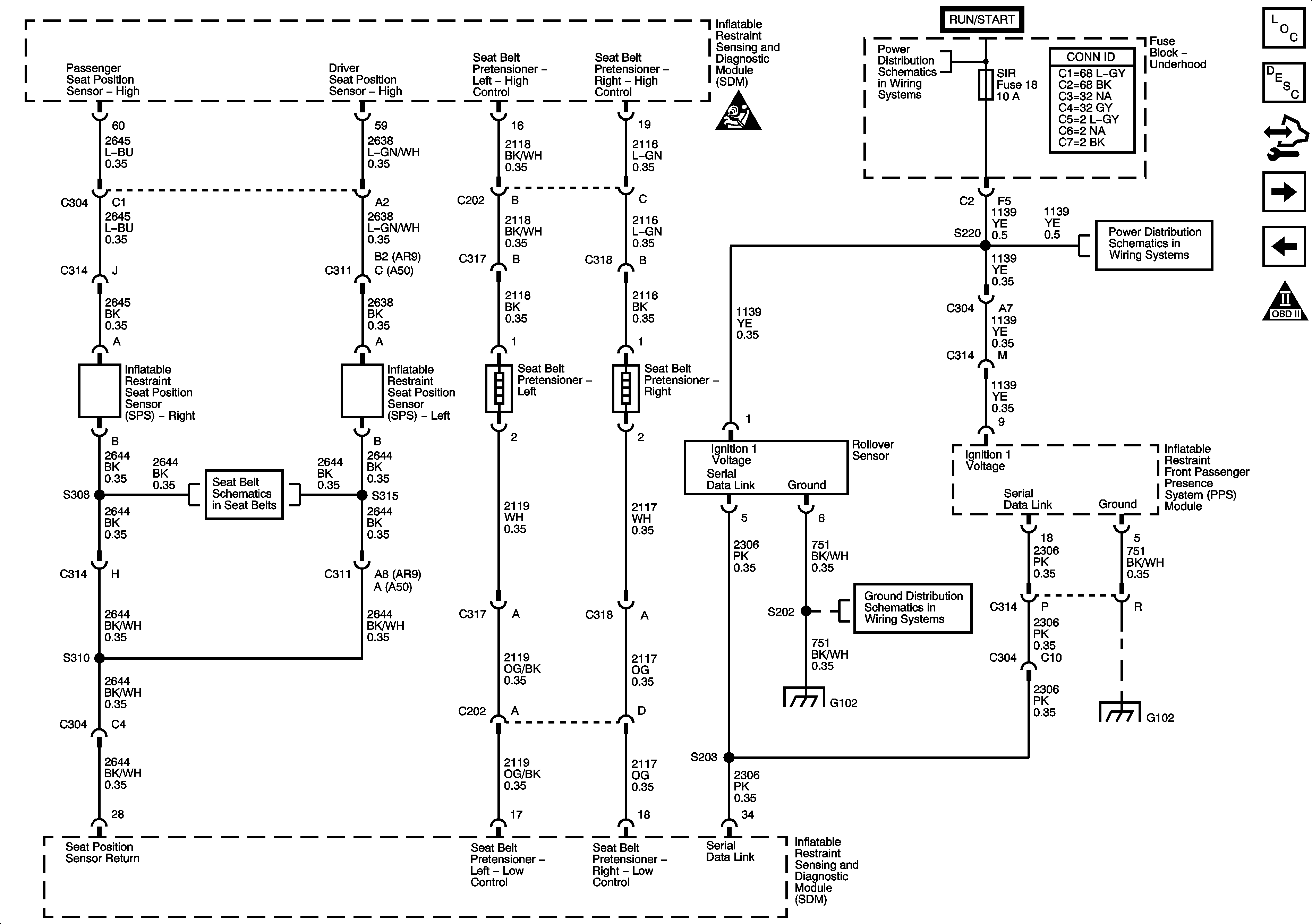
Seat Position Sensors, Rollover Sensor, PPS Module and Seat Belt Pretensioners
Power, Ground, Serial Data, Indicators, and Side Impact Sensors
SIR Caution for Zoning
SIR Schematic Icons
SIR Schematic Icons
SIR Schematic Icons
SIR Schematic Icons
SIR Schematic Icons
Figure 3:

Seat Position Sensors, Rollover Sensor, and PPS Module


Object Number: 1413097  Size: FS
Master Electrical Component List
SIR System Description and Operation
Control Module References
PPS Sensors and Indicators
Frontal Sensors and Modules
OBD II Symbol Description Notice
SIR Caution for Zoning
Ignition Switch - ACCY/RUN and RUN/START Bus Bars, IGN B Fuse
4WD, ENG I, HVAC, O2, SIR, and TAC Fuses
Seat Belts
G102
G102
G102
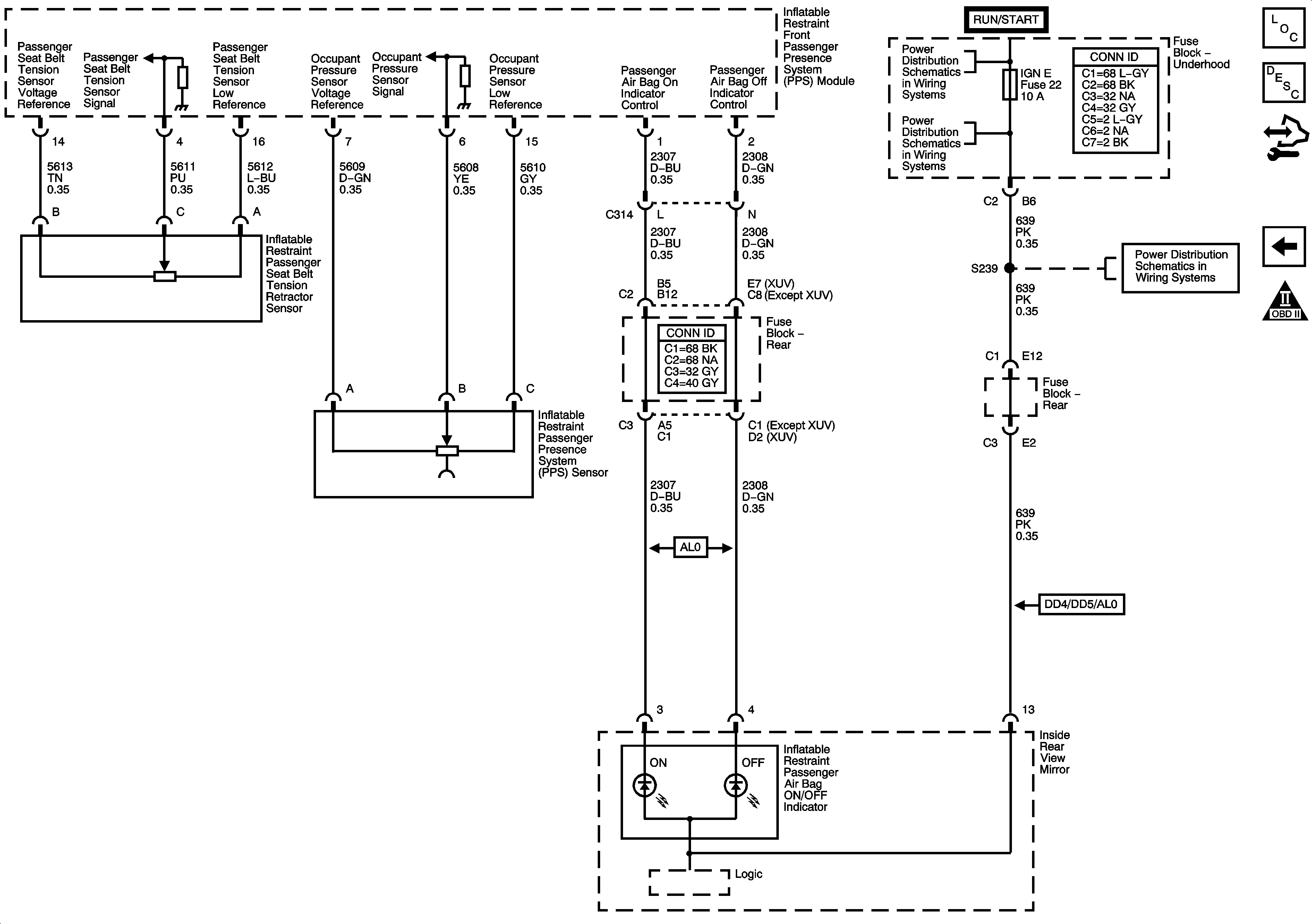
Figure 4:

PPS Sensors and Indicators


Object Number: 1413102  Size: FS
Master Electrical Component List
SIR System Description and Operation
Control Module References
Seat Position Sensors, Rollover Sensor, PPS Module and Seat Belt Pretensioners
OBD II Symbol Description Notice
Ignition Switch - ACCY/RUN and RUN/START Bus Bars, IGN B Fuse
BACK UP, BTSI, IGNE, TBC IGN1, and TRLR B/U Fuses
BACK UP, BTSI, IGNE, TBC IGN1, and TRLR B/U Fuses