GM Service Manual Online
For 1990-2009 cars only
Makes
🢒
Pontiac
🢒
2000
🢒
Firebird
🢒 5.7L With Traction Control
5.7L With Traction Control
5.7L With Traction Control
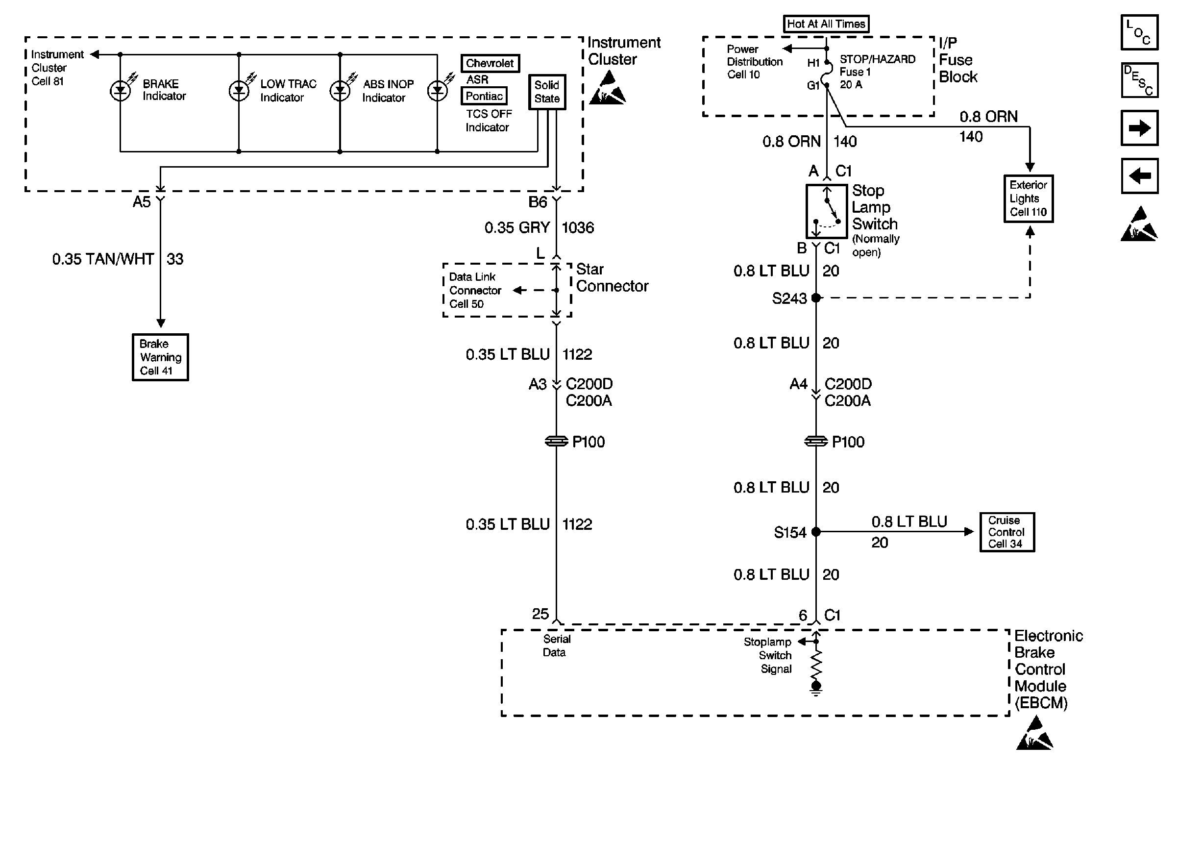
ABS Components
ABS Description
5.7L With Traction Control
5.7L With Traction Control
Handling ESD Sensitive Parts Notice
Handling ESD Sensitive Parts Notice
Handling ESD Sensitive Parts Notice
Cell 41
Class 2 Serial Data Line Cell 50
Center High Mounted Stoplamp Cell 110
Cell 34: PCM
Class 2 Indicators