GM Service Manual Online
For 1990-2009 cars only
Makes
🢒
Pontiac
🢒
2002
🢒
Firebird
🢒 Headlights Chevrolet Domestic and Gulf
Headlights Chevrolet Domestic and Gulf
Headlights - Chevrolet - Domestic and Gulf
Master Electrical Component List
Exterior Lighting Systems Description and Operation
Power,Ground and Headlight Switch Control Chevrolet Scandanavia
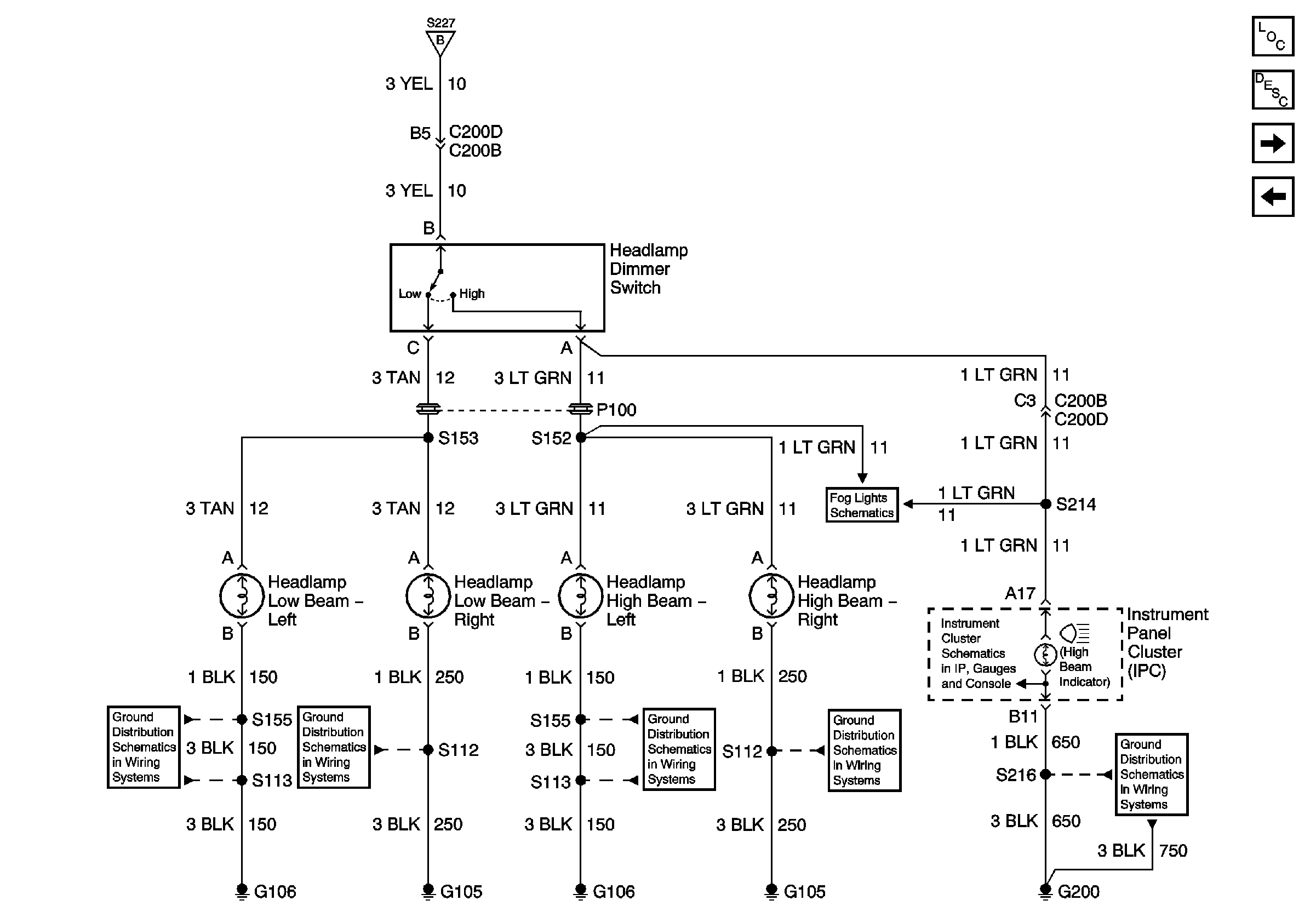
Headlights Pontiac
Power,Ground and Switch Control
G106
G105
G106
G105
Foglights Chevrolet Domestic and Gulf
Lamp Indicators
G200 Page 1 of 3