GM Service Manual Online
For 1990-2009 cars only
Makes
🢒
Pontiac
🢒
2002
🢒
Firebird
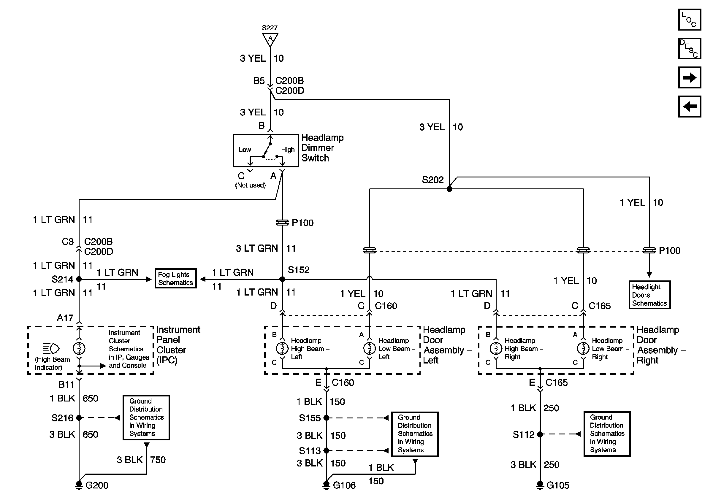
🢒 Headlights Pontiac
Headlights Pontiac
Headlights - Pontiac
Master Electrical Component List
Exterior Lighting Systems Description and Operation
Headlights Chevrolet Domestic and Gulf
DRL Controls
Power,Ground and Switch Control
Foglights Pontiac
Lamp Indicators
G200 Page 1 of 3
G106
G105
Headlight Doors Schematic