GM Service Manual Online
For 1990-2009 cars only
Makes
🢒
Pontiac
🢒
2002
🢒
Firebird
🢒 Controls and Signals V6 L36
Controls and Signals V6 L36
Controls and Signals -- V6 L36
Master Electrical Component List
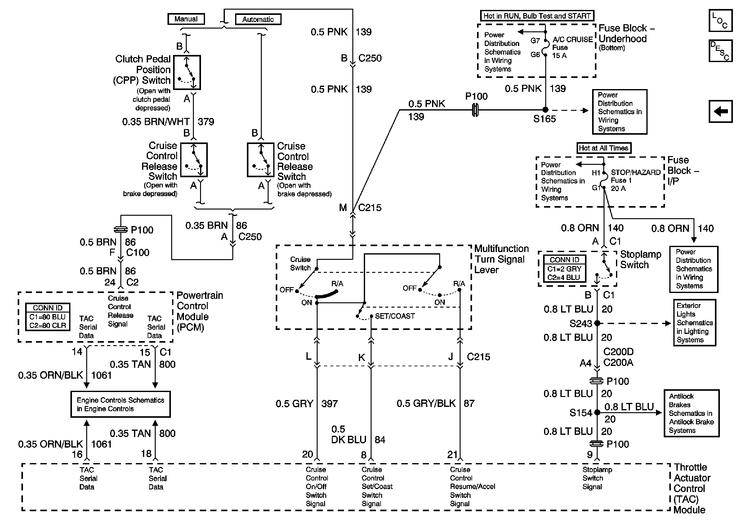
Cruise Control Description and Operation WO/ETC
Release/Inhibit Signals V8 LS1
Engine Data Sensors-Electronic Throttle Controls
ETC and A/C CRUISE Fuses
ETC and A/C CRUISE Fuses
I/P-2,TAIL LPS, STOP/HAZARD,PWR ACCY and CIG/ACCY Fuses
I/P-2,TAIL LPS, STOP/HAZARD,PWR ACCY and CIG/ACCY Fuses
Stoplamps Chevrolet Japan
Stop Lamp Switch, Data Link and IPC