GM Service Manual Online
For 1990-2009 cars only
Figure 1:

Powertrain Control Module (PCM) Power and Ground


Object Number: 1348903  Size: FS
Master Electrical Component List
OBD II Symbol Description Notice
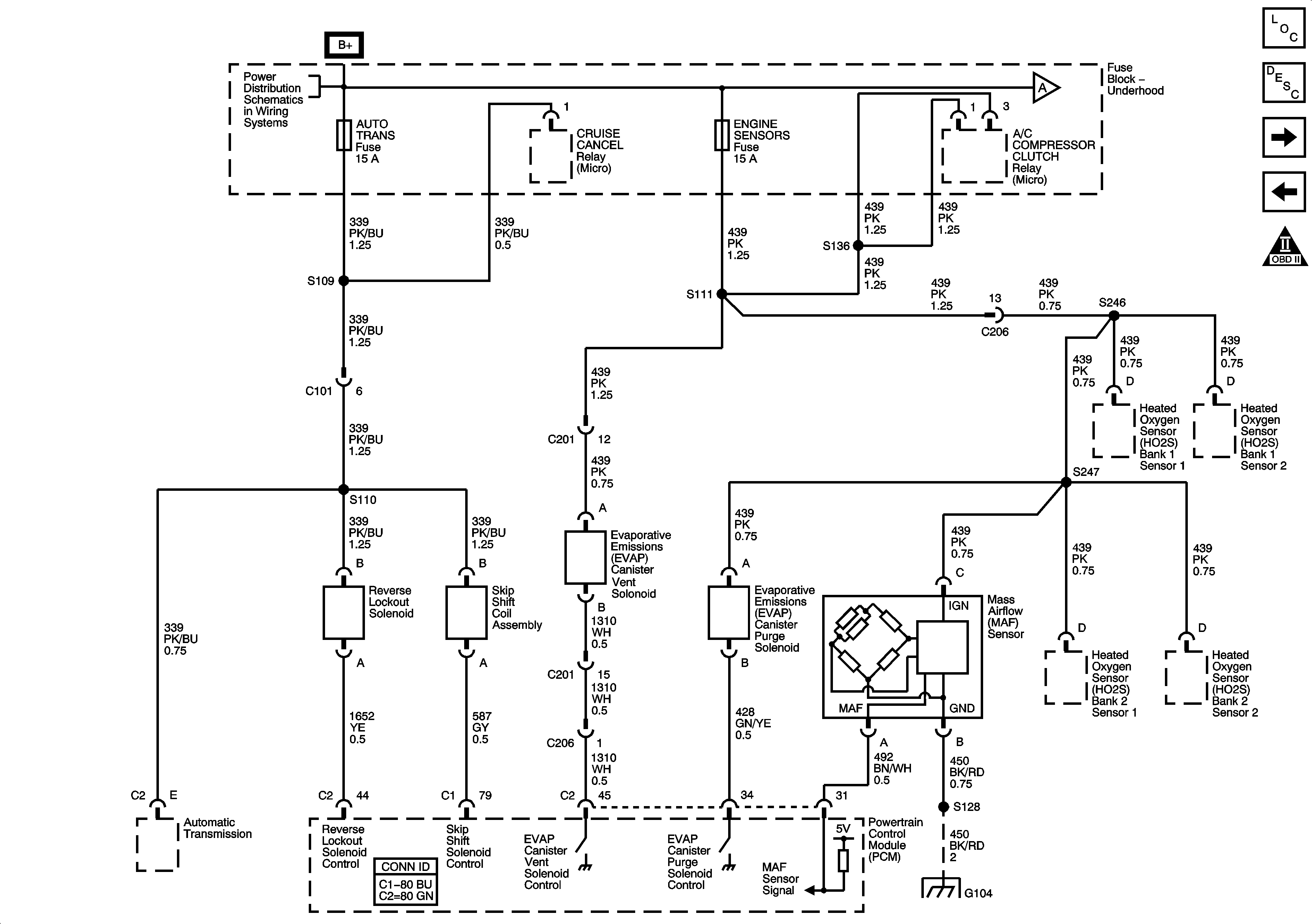
Manual Transmission Solenoids, EVAP Solenoids, MAF Sensor
Engine, Fuel Pump, BCM/Engine Control Telematics Fuses
Engine, Fuel Pump, BCM/Engine Control Telematics Fuses
Ignition Switch
Ignition Switch
G104 and G105
Figure 2:

Manual Transmission Solenoids, EVAP Solenoids, Mass Air Flow (MAF) Sensor


Object Number: 1215601  Size: FS
Master Electrical Component List
OBD II Symbol Description Notice
Fuel Injectors
Powertrain Control Module (PCM) Power and Ground
EFI Relay, Auto Trans, Engine Sensors Fuses
G104 and G105
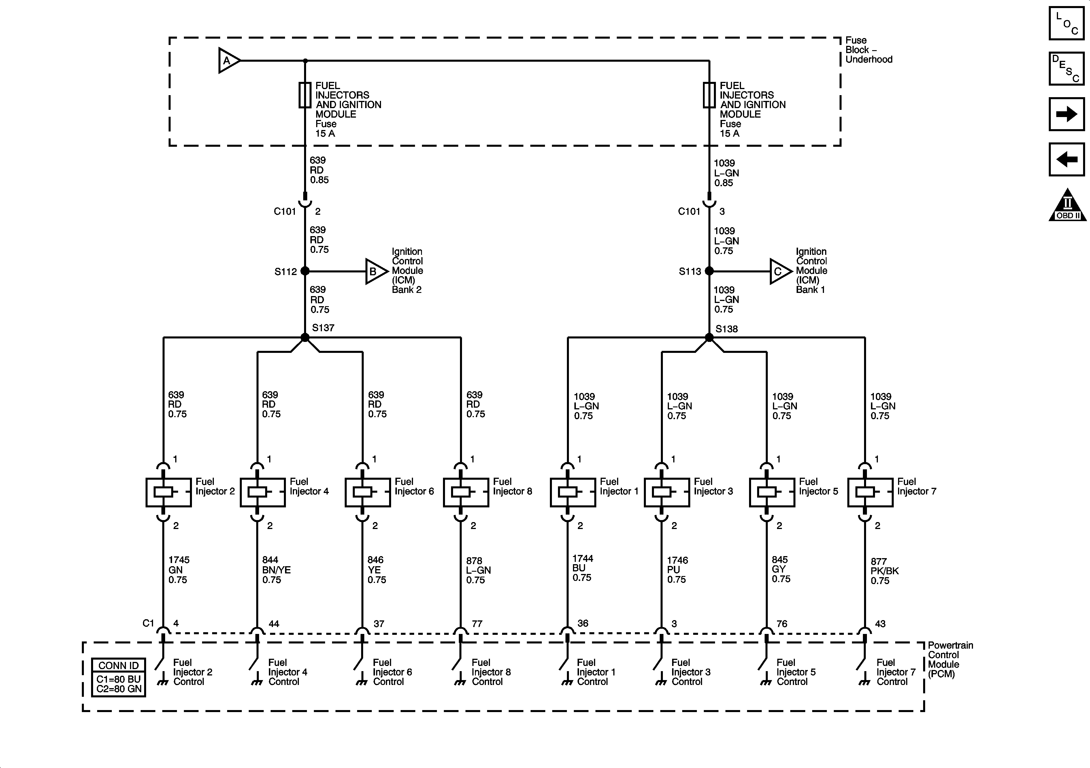
Figure 3:

Fuel Injectors


Object Number: 1215602  Size: FS
Master Electrical Component List
OBD II Symbol Description Notice
Ignition Control Modules
Manual Transmission Solenoids, EVAP Solenoids, MAF Sensor
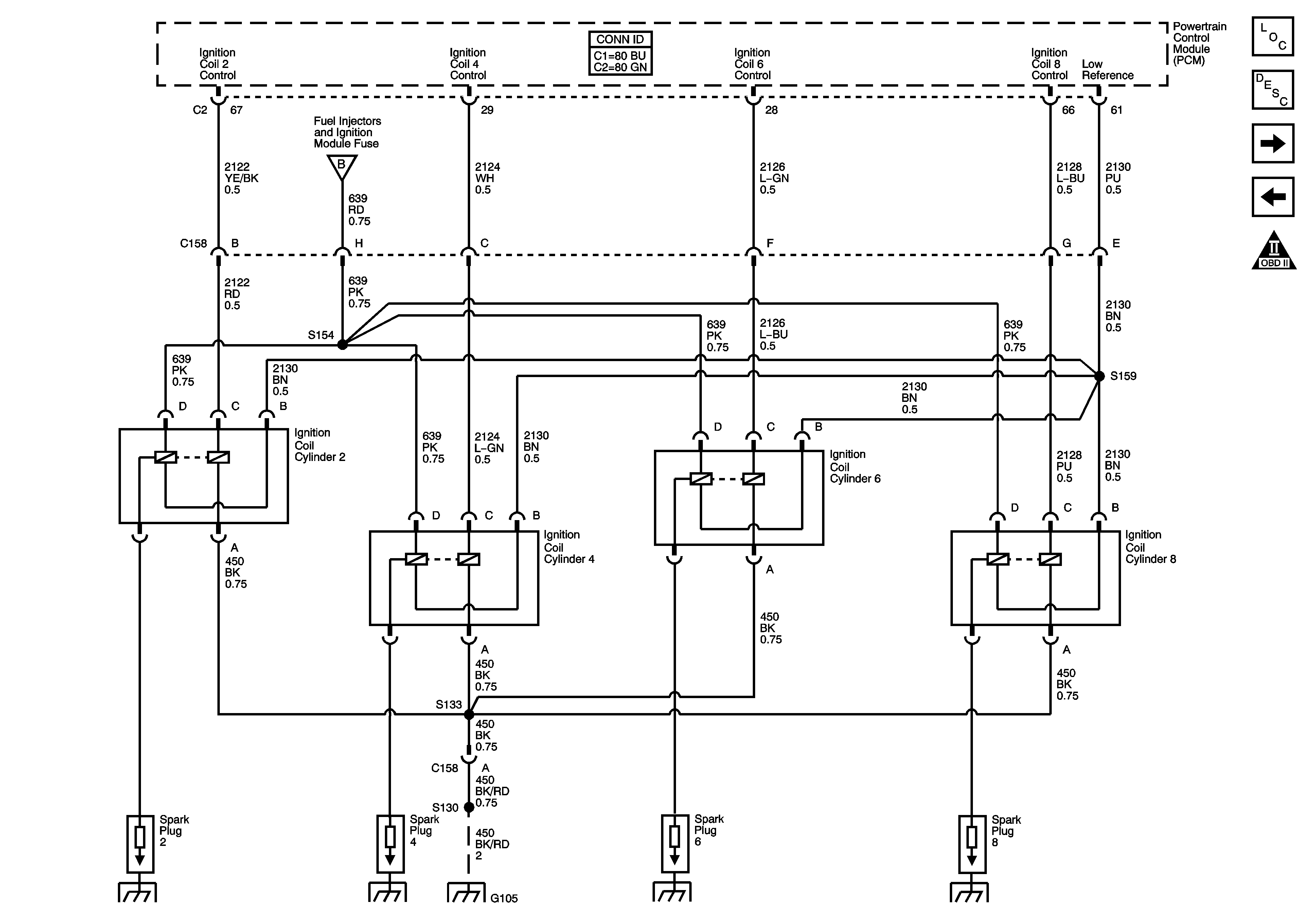
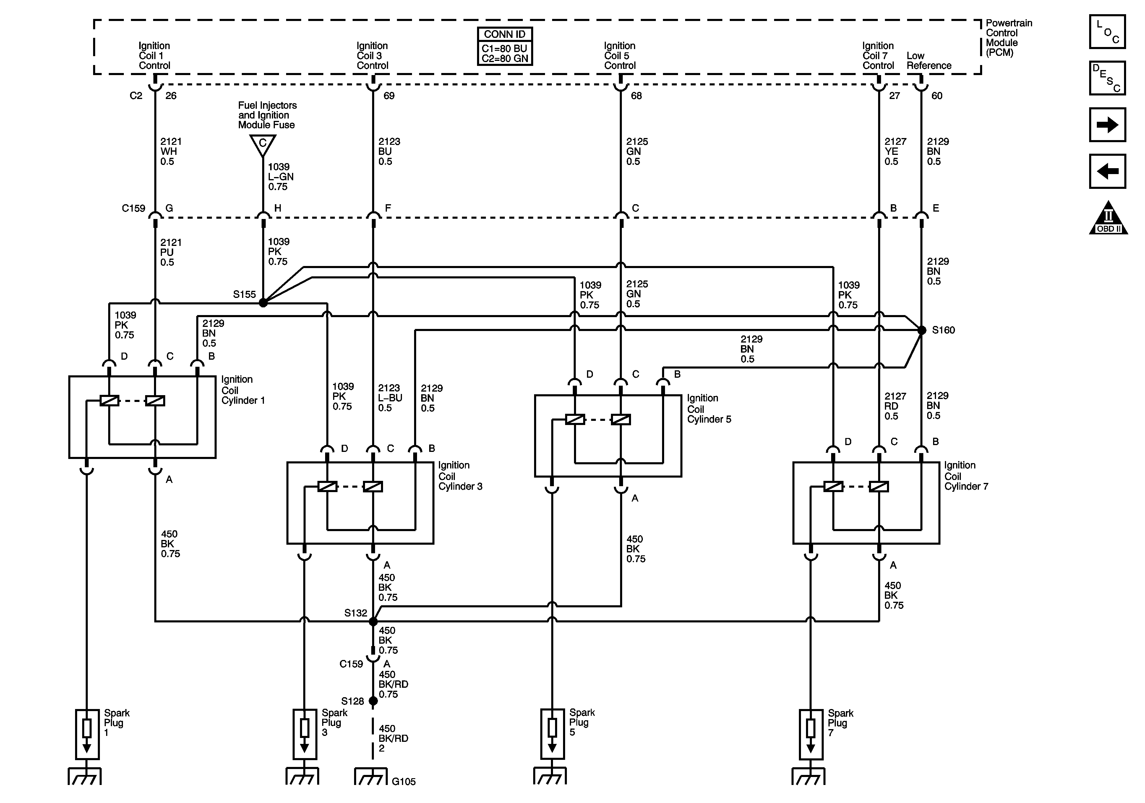
Figure 4:

Ignition Coils (1 of 2)


Object Number: 1215603  Size: FS
Master Electrical Component List
OBD II Symbol Description Notice
Ignition Coils (2 of 2)
Fuel Injectors
G104 and G105
G104 and G105
Figure 5:

Ignition Coils (2 of 2)


Object Number: 1392518  Size: FS
Master Electrical Component List
OBD II Symbol Description Notice
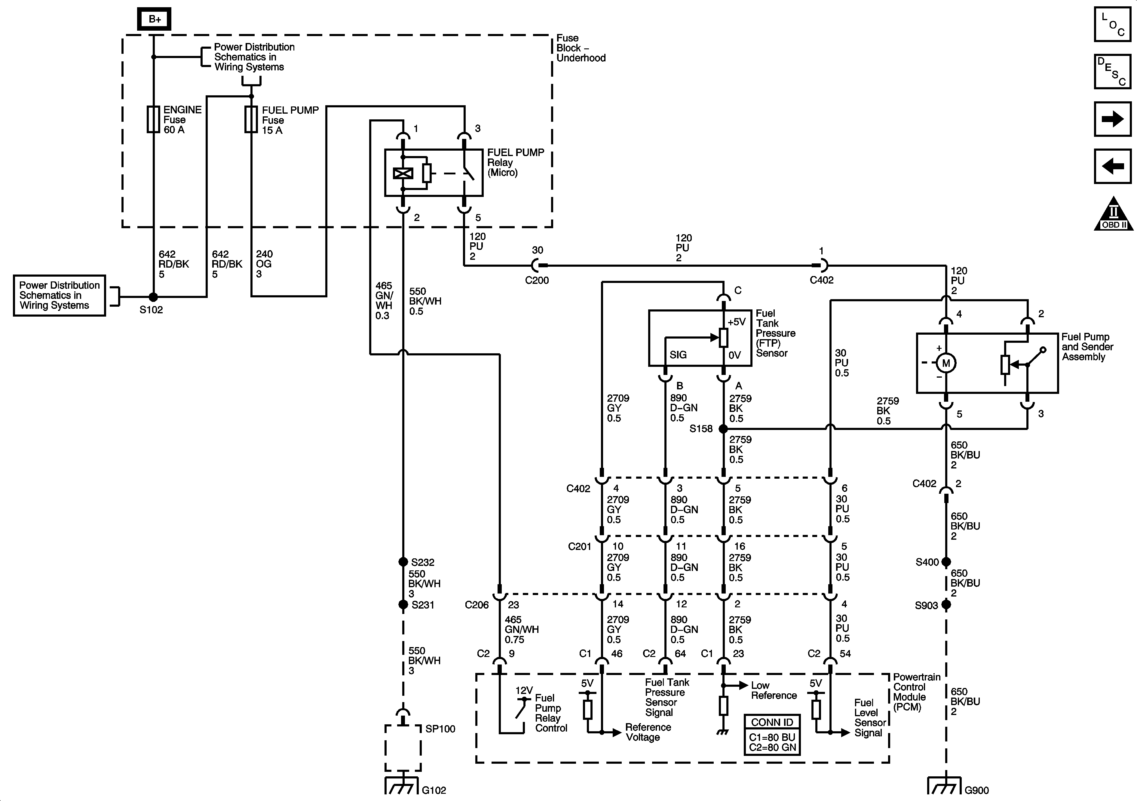
Fuel Pump and Sender Assembly, Fuel Tank Pressure (FTP) Sensor
Ignition Control Modules
G104 and G105
Figure 6:

Fuel Pump and Sender Assembly


Object Number: 1348157  Size: FS
Master Electrical Component List
OBD II Symbol Description Notice
IAC, ECT, CMP, CKP Sensors, Engine Coolant Level Switch
Ignition Coils (2 of 2)
Engine, Fuel Pump, BCM/Engine Control Telematics Fuses
Engine, Fuel Pump, BCM/Engine Control Telematics Fuses
SP100 and G102
G900 and G901
Figure 7:

Throttle Relaxer System, Throttle Position Sensor (TPS)


Object Number: 1349838  Size: FS
Master Electrical Component List
OBD II Symbol Description Notice
Knock Sensors, MAP, Engine Oil Pressure (EOP), IAT, A/C Pressure SensorsKnock Sensors, MAP, Engine Oil Pressure (EOP), IAT, A/C Pressure Sensors
Fuel Pump and Sender Assembly, Fuel Tank Pressure (FTP) Sensor
Ignition Control Relay, ABS, Throttle Relaxer, SRS, Cigar Lighter, Cruise Fuses
G104 and G105
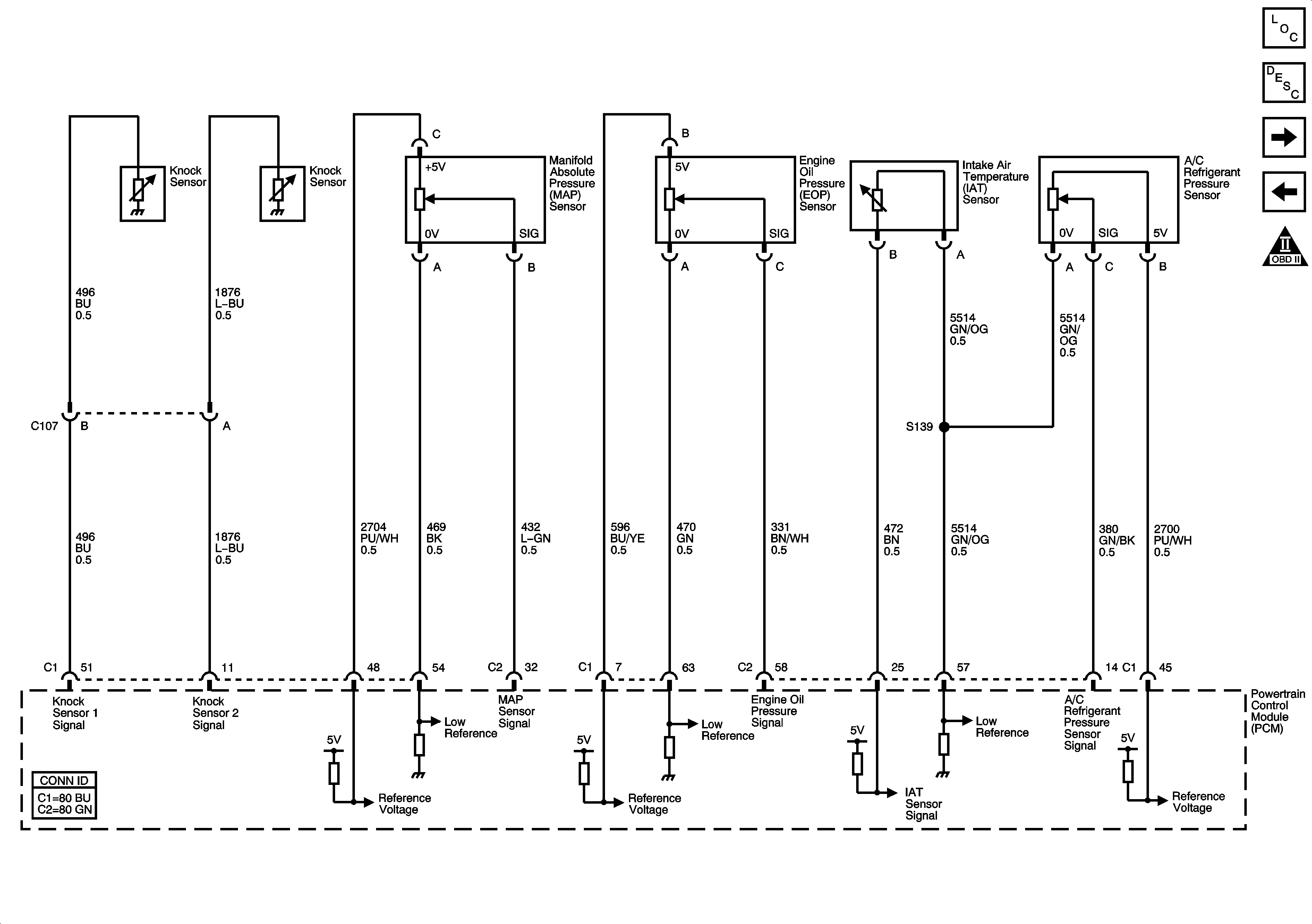
Figure 8:

Knock Sensors (KS), Manifold Absolute Pressure (MAP), Engine Oil Pressure (EOP), Intake Air Temperature (IAT), A/C Refrigerant Pressure Sensors


Object Number: 1348159  Size: FS
Master Electrical Component List
OBD II Symbol Description Notice
IAC, ECT, CMP, CKP Sensors, Engine Coolant Level Switch
Throttle Relaxer System, Throttle Position Sensor (TPS)
Figure 9:

Idle Air Control (IAC) Valve, Engine Coolant Temperature (ECT), Camshaft Position (CMP), Crankshaft Position (CKP) Sensors, Engine Coolant Level Switch


Object Number: 1348161  Size: FS
Master Electrical Component List
OBD II Symbol Description Notice
Heated Oxygen Sensors (HO2S)
Knock Sensors, MAP, Engine Oil Pressure (EOP), IAT, A/C Pressure SensorsKnock Sensors, MAP, Engine Oil Pressure (EOP), IAT, A/C Pressure Sensors
G104 and G105
Figure 10:

Heated Oxygen Sensors (HO2S)


Object Number: 1348162  Size: FS
Master Electrical Component List
OBD II Symbol Description Notice
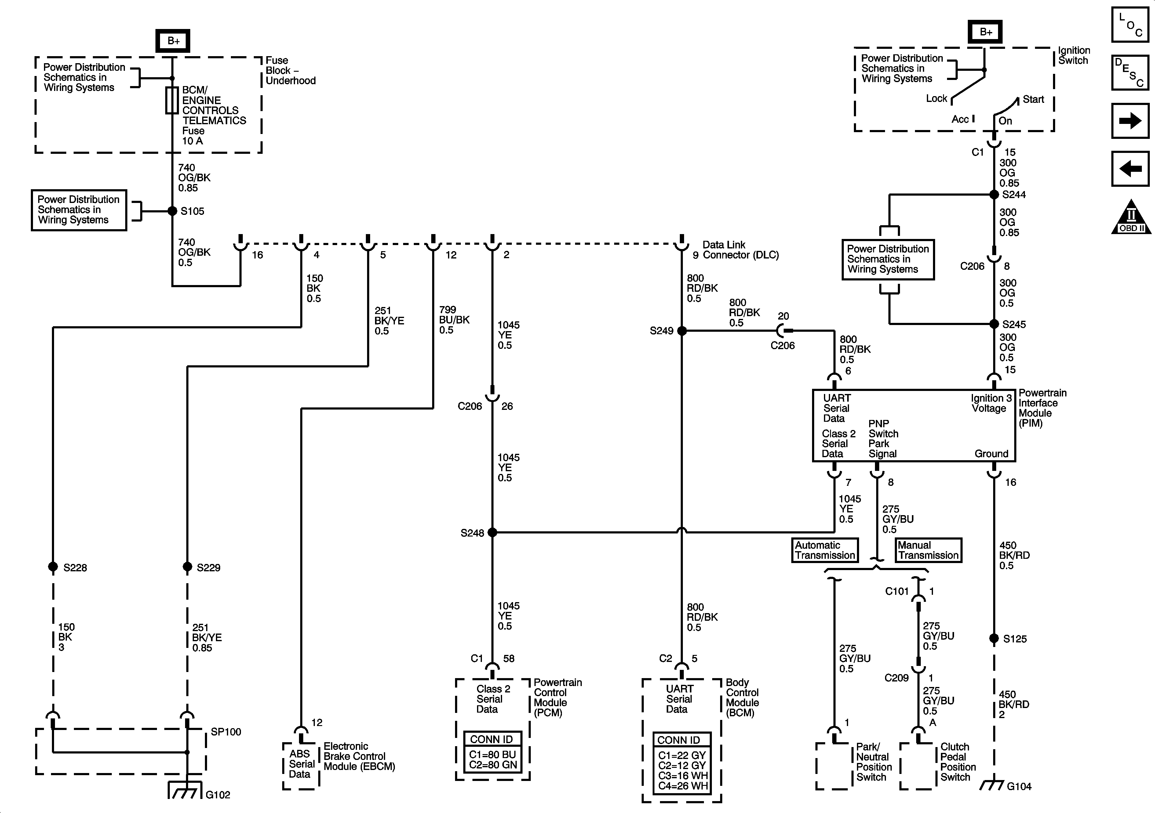
Data Link Connector (1 of 2)
IAC, ECT, CMP, CKP Sensors, Engine Coolant Level Switch
EFI Relay, Auto Trans, Engine Sensors Fuses
EFI Relay, Auto Trans, Engine Sensors Fuses
G104 and G105
G104 and G105
Figure 11:

Data Link Connector (DLC) (1 of 2)


Object Number: 1349386  Size: FS
Master Electrical Component List
OBD II Symbol Description Notice
Data Link Connector (2 of 2)
Heated Oxygen Sensors (HO2S)
Engine, Fuel Pump, BCM/Engine Control Telematics Fuses
Engine, Fuel Pump, BCM/Engine Control Telematics Fuses
G100, G101, SP100 and G102
Ignition Switch
Ignition Switch
G104 and G105
Figure 12:

Data Link Connector (DLC) (2 of 2)


Object Number: 1364453  Size: FS
Master Electrical Component List
OBD II Symbol Description Notice
Powertrain Control Module (PCM) Idle-Up Inputs
Data Link Connector (1 of 2)
MIL, Brake, SCR, Door Ajar, Seat Belt Indicators
IPC Power and Ground, Serial Data
Figure 13:

Powertrain Control Module (PCM) Idle-Up Inputs


Object Number: 1364454  Size: FS
Master Electrical Component List
OBD II Symbol Description Notice
Automatic Transmission Controls
Data Link Connector (2 of 2)
Figure 14:

Automatic Transmission Controls


Object Number: 1349510  Size: FS
Master Electrical Component List
OBD II Symbol Description Notice
Park/Neutral Position Switch
Powertrain Control Module (PCM) Idle-Up Inputs
EFI Relay, Auto Trans, Engine Sensors Fuses
EFI Relay, Auto Trans, Engine Sensors Fuses
Figure 15:

Park/Neutral Position Switch


Object Number: 1351336  Size: FS
Master Electrical Component List
OBD II Symbol Description Notice
Automatic Transmission Controls
Turn Signals, Heated Rear Window, HVAC and Instruments Fuses
Turn Signals, Heated Rear Window, HVAC and Instruments Fuses
Backup Lamps
G104 and G105