GM Service Manual Online
For 1990-2009 cars only
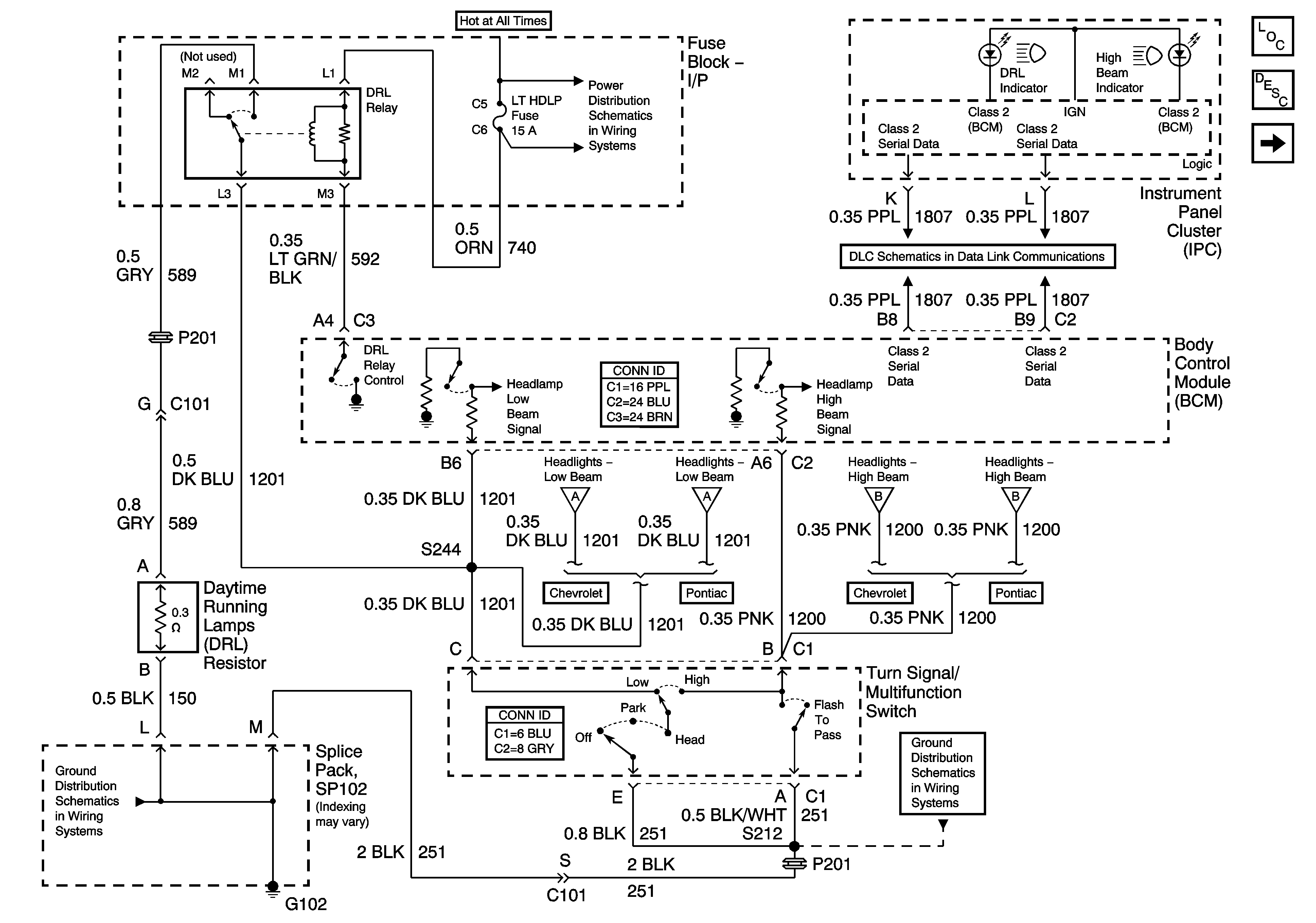
Figure 1:

Controls and Indicators - Domestic, Early Production


Object Number: 1237716  Size: FS
Master Electrical Component List
Interior Lighting Systems Description and Operation
Controls and Indicators - Domestic, Late Production
Fuse Block-I/P CIG, HORN, LT HDLP, CLSTR, EXT LP, FOG Fuses, and HDLP Circuit Breaker
G102 - 1 of 2 , Early Production
Data Link Communications
Headlights - Chevrolet Domestic
Headlights - Pontiac
Headlights - Chevrolet Domestic
Headlights - Pontiac
G102, G201, G303
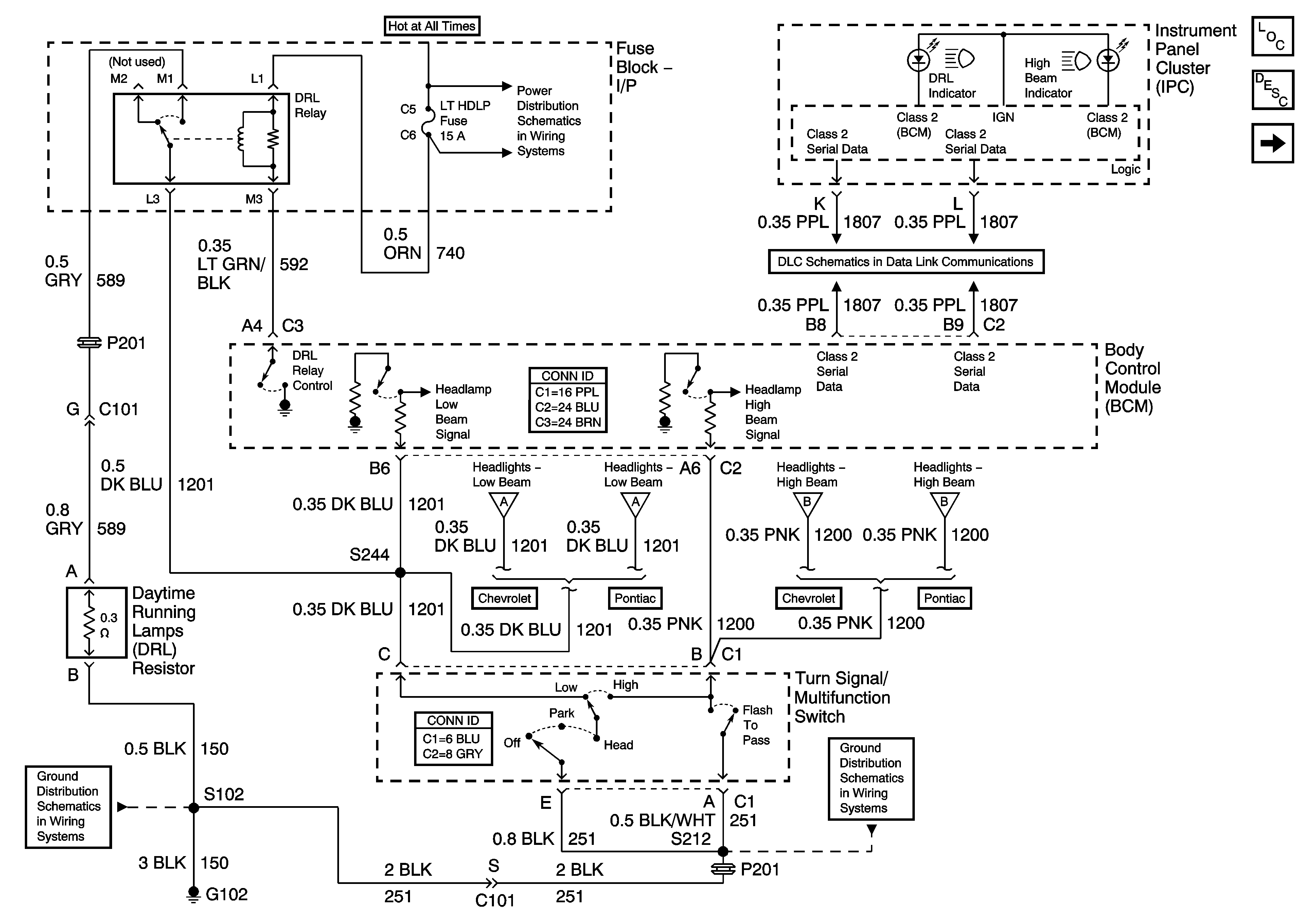
Figure 2:

Controls and Indicators - Domestic, Late Production


Object Number: 1237717  Size: FS
Master Electrical Component List
Interior Lighting Systems Description and Operation
Export Headlamps and Indicators, Early Production
Fuse Block-I/P CIG, HORN, LT HDLP, CLSTR, EXT LP, FOG Fuses, and HDLP Circuit Breaker
Data Link Communications
Headlights - Chevrolet Domestic
Headlights - Pontiac
Headlights - Chevrolet Domestic
Headlights - Pontiac
G102, G201, G303
G102 - 1 of 2 , Late Production
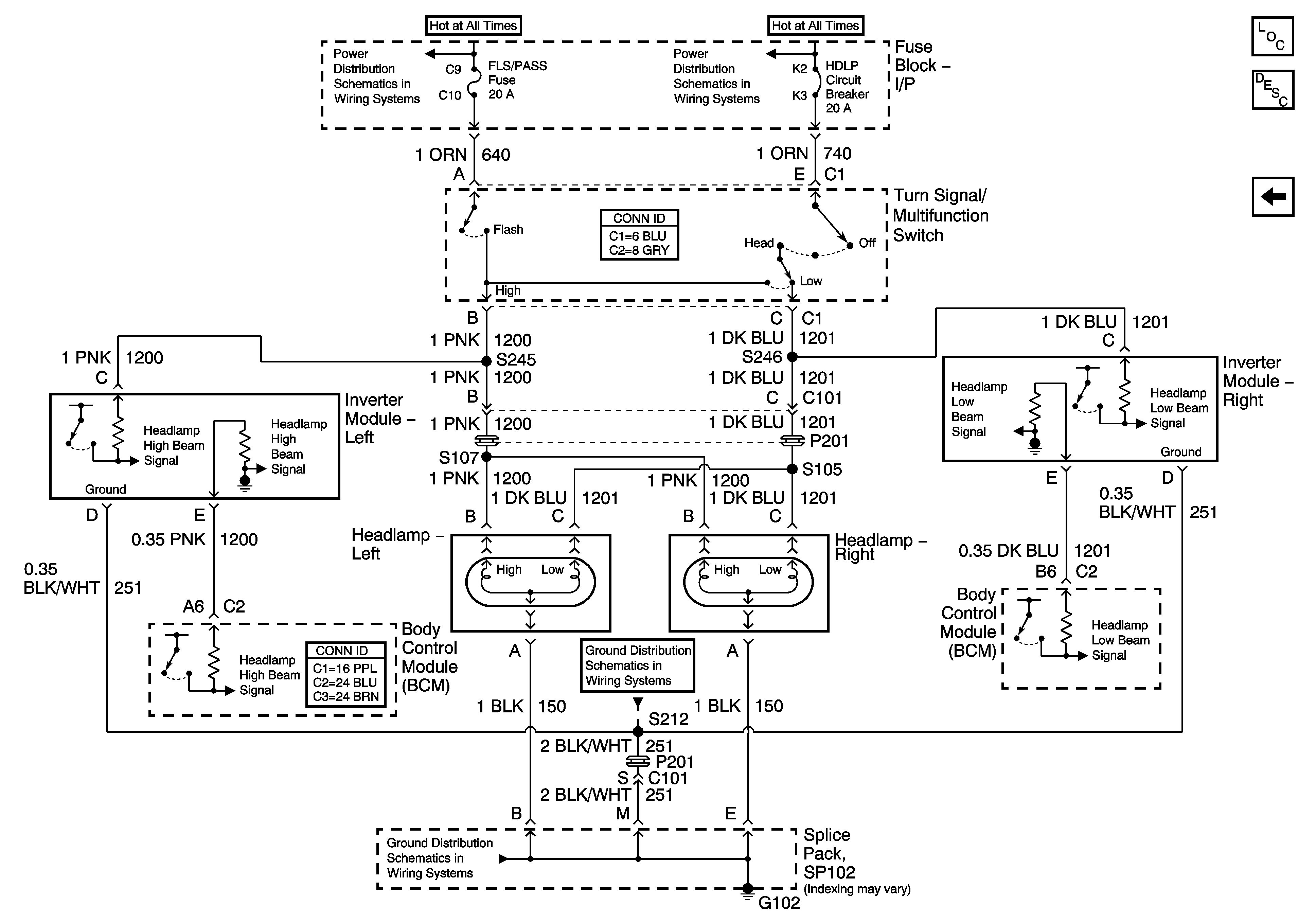
Figure 3:

Headlamps - Pontiac


Object Number: 892891  Size: FS
Master Electrical Component List
Exterior Lighting Systems Description and Operation
Headlights - Chevrolet Domestic
Controls and Indicators-Domestic
Fuse Block-I/P CIG, HORN, LT HDLP, CLSTR, EXT LP, FOG Fuses, and HDLP Circuit Breaker
Fuse Block-Underhood BATT 1 Fuse, Fuse Block-I/P MIRROR, RT HDLP, FLS/PASS, RDO/INTLP, RFA BATT and AMPL Fuses
Controls and Indicators-Domestic
Controls and Indicators-Domestic
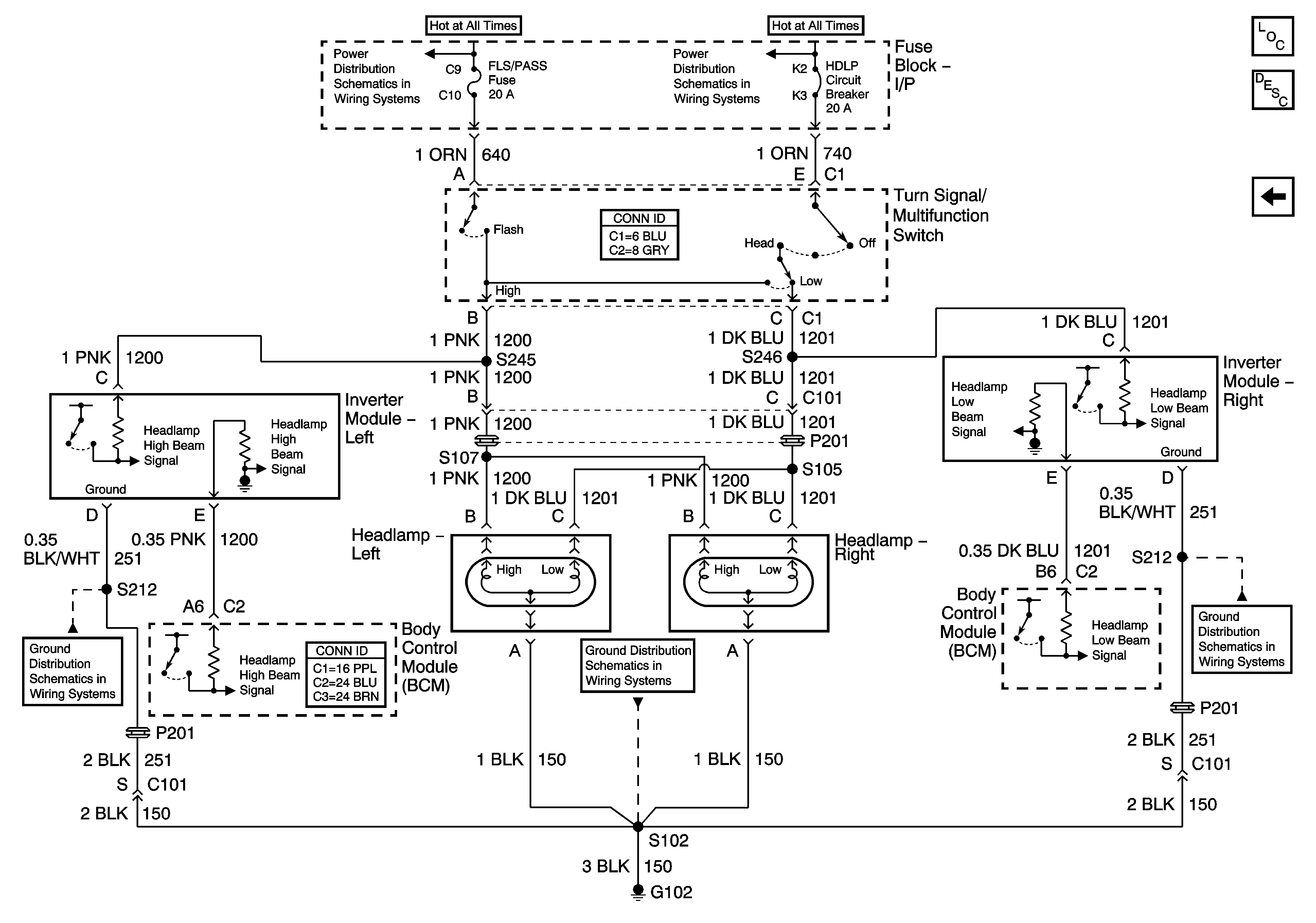
Figure 4:

Headlamps - Chevrolet Domestic


Object Number: 892887  Size: FS
Master Electrical Component List
Exterior Lighting Systems Description and Operation
Export Headlamps and Indicators
Headlights - Pontiac
Fuse Block-I/P CIG, HORN, LT HDLP, CLSTR, EXT LP, FOG Fuses, and HDLP Circuit Breaker
Fuse Block-Underhood BATT 1 Fuse, Fuse Block-I/P MIRROR, RT HDLP, FLS/PASS, RDO/INTLP, RFA BATT and AMPL Fuses
Controls and Indicators-Domestic
Controls and Indicators-Domestic
Figure 5:

Export Headlamps and Indicators, Early Production


Object Number: 1237718  Size: FS
Master Electrical Component List
Interior Lighting Systems Description and Operation
Controls and Indicators - Domestic, Early Production
Fuse Block-Underhood BATT 1 Fuse, Fuse Block-I/P MIRROR, RT HDLP, FLS/PASS, RDO/INTLP, RFA BATT and AMPL Fuses
Fuse Block-I/P CIG, HORN, LT HDLP, CLSTR, EXT LP, FOG Fuses, and HDLP Circuit Breaker
G102, G201, G303
G102 - 1 of 2 , Early Production
Figure 6:

Export Headlamps and Indicators, Late Production


Object Number: 1237719  Size: FS
Master Electrical Component List
Interior Lighting Systems Description and Operation
Controls and Indicators - Domestic, Late Production
Fuse Block-Underhood BATT 1 Fuse, Fuse Block-I/P MIRROR, RT HDLP, FLS/PASS, RDO/INTLP, RFA BATT and AMPL Fuses
Fuse Block-I/P CIG, HORN, LT HDLP, CLSTR, EXT LP, FOG Fuses, and HDLP Circuit Breaker
G102, G201, G303
G102 - 1 of 2 , Late Production
G102, G201, G303