GM Service Manual Online
For 1990-2009 cars only
Makes
🢒
Pontiac
🢒
2003
🢒
Sunfire
🢒 Starting System
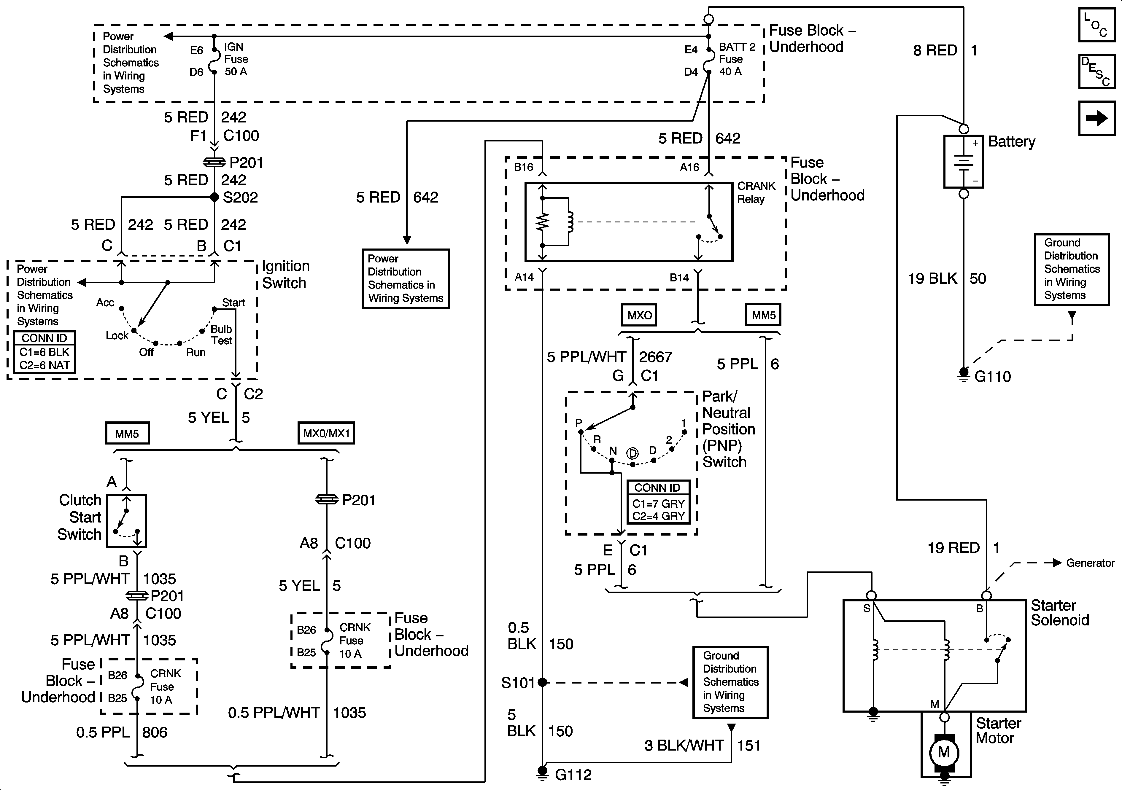
Starting System
Starting Systems
Master Electrical Component List
Starting System Description and Operation
Charging System
Fuse Block-Underhood B+ Buss Bar
Fuse Block-Underhood IGN and ABS Fuses, Fuse Block-I/P ABS, F/P-INJ, AIR BG, and CRUISE (w/K34) Fuses
Fuse Block-Underhood BATT2 Fuse and Fuse Block-I/P RR DEFOG, PWR ACC, APO, and STOP/HZD Fuses
G110
G112