GM Service Manual Online
For 1990-2009 cars only
Figure 1:

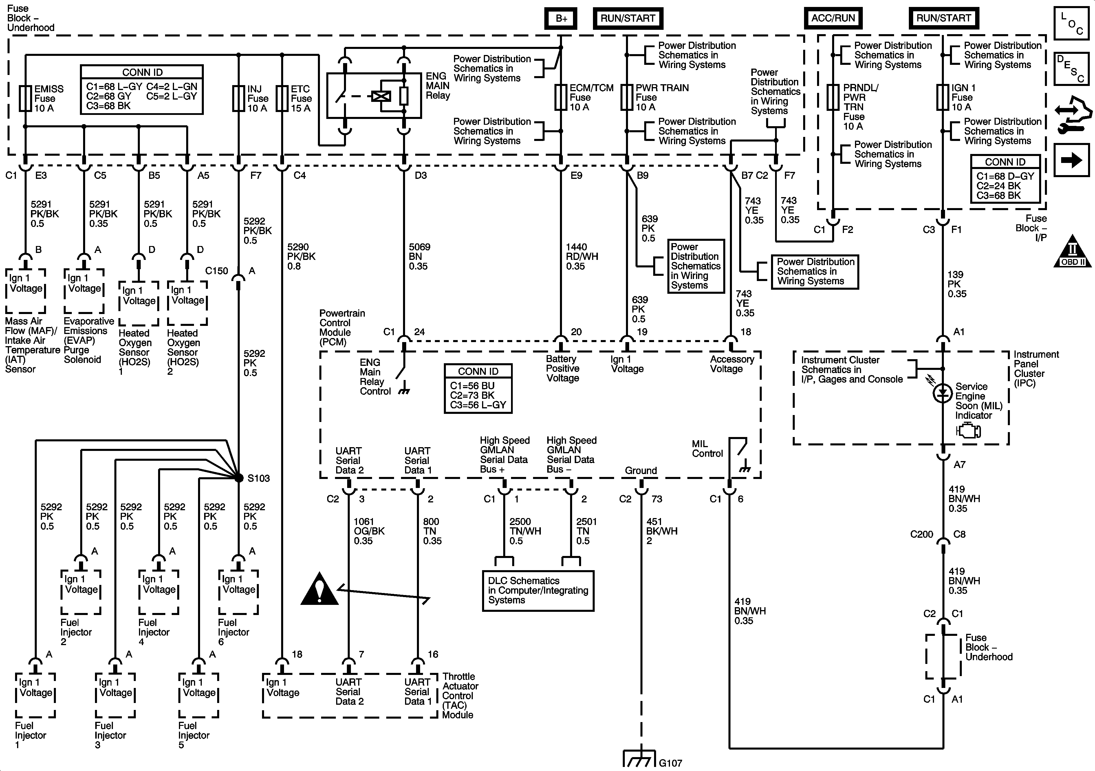
Power, Ground, ENG MAIN Relay, MIL, PCM Communication


Object Number: 1373322  Size: FS
Master Electrical Component List
Powertrain Control Module Description
Control Module References
5-Volt References
IGN FUSE, Ignition Switch and Ignition Circuits
B+ Bus and EPS Fuse
PWR WDW, SUNROOF, 20A ABS, 40A ABS, HVAC BLOWER, AUX OUTLETS, TRAILER, CIGAR AND ECM/TCM Fuses
BACKUP, PWR TRAIN, ENG IGN and 10A ABS Fuse
BACKUP, PWR TRAIN, ENG IGN and 10A ABS Fuse
TURN, PRNDL/PWR TRN, BCM/ISRVM, BCM/HVAC and HTD SEATS Fuses
IGN FUSE, Ignition Switch and Ignition Circuits
TURN, PRNDL/PWR TRN, BCM/ISRVM, BCM/HVAC and HTD SEATS Fuses
TURN, PRNDL/PWR TRN, BCM/ISRVM, BCM/HVAC and HTD SEATS Fuses
Indicators
IGN FUSE, Ignition Switch and Ignition Circuits
IGN 1, BCM(IGN), AIR BAG, EPS and CRUISE Fuses
Engine Controls Schematic Icons
Data Link Communication (DLC) Schematic
G103, G105, G107 and G207
Engine Controls Schematic Icons
Figure 2:

5-Volt References


Object Number: 1373325  Size: FS
Master Electrical Component List
Powertrain Control Module Description
Control Module References
Low References
Power, Ground, ENG MAIN Relay, MIL, PCM Communication
Engine Controls Schematic Icons
Figure 3:

Low References


Object Number: 1373326  Size: FS
Master Electrical Component List
Powertrain Control Module Description
Control Module References
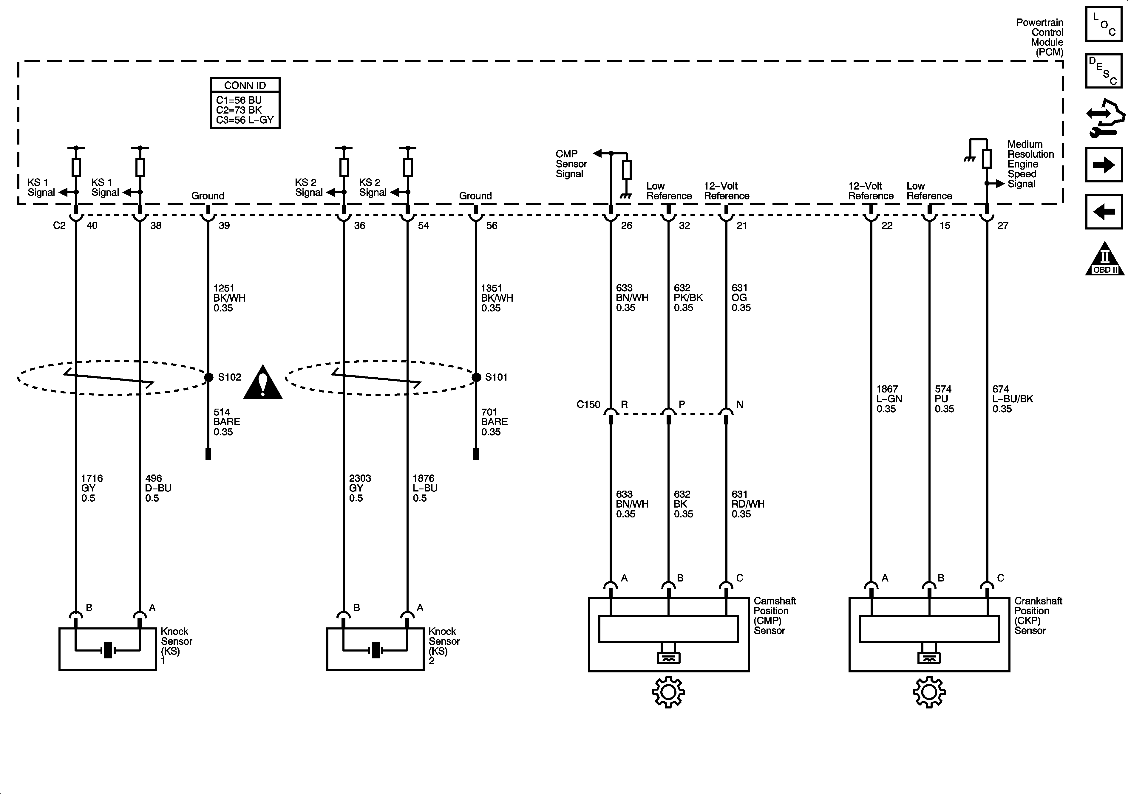
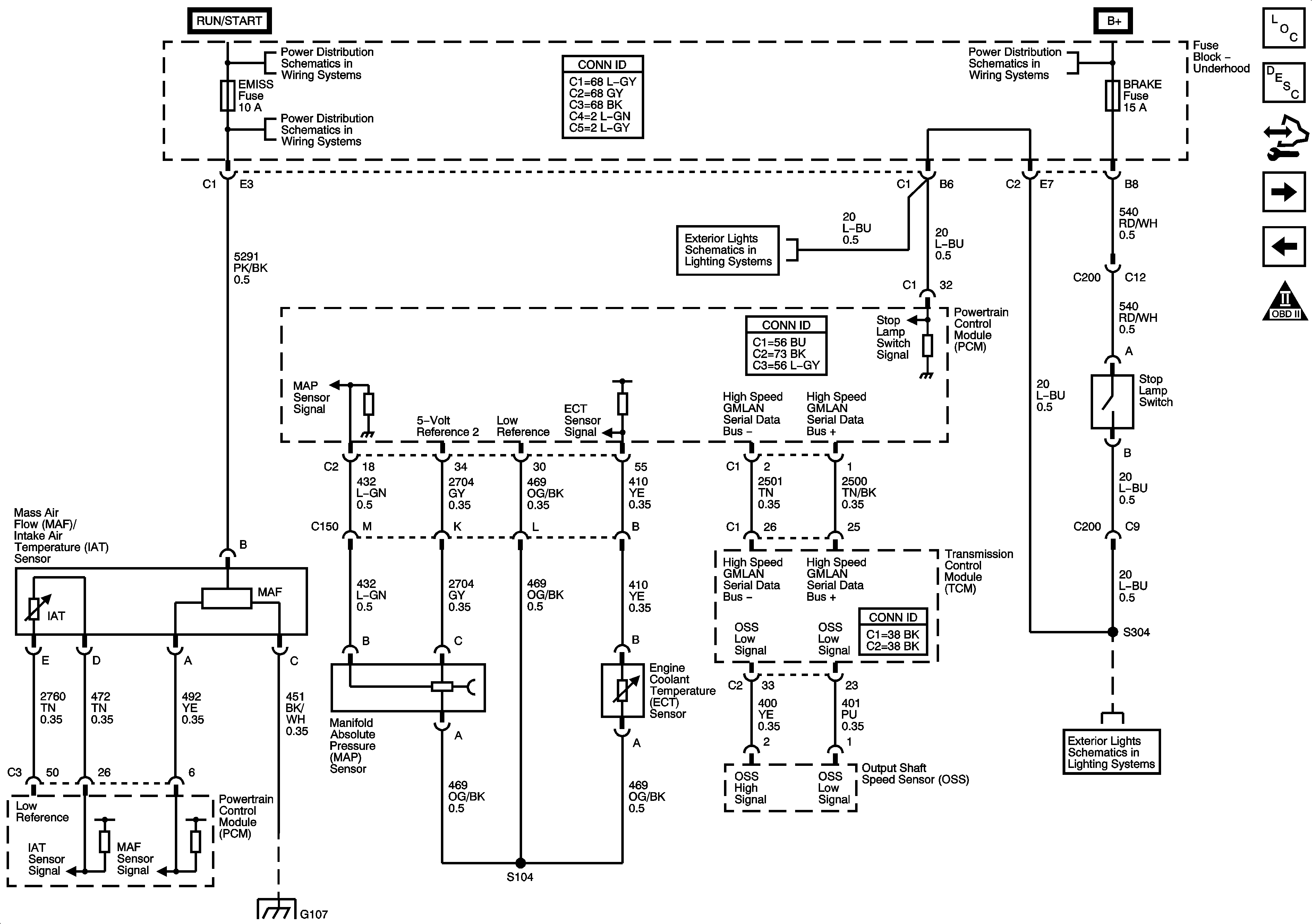
Engine Data Sensors - MAF/IAT, MAP, ECT, Stop Lamp Switch
5-Volt References
Engine Controls Schematic Icons
Figure 4:

Engine Data Sensors - MAF/IAT, MAP, ECT, Stop Lamp Switch


Object Number: 1630348  Size: FS
Master Electrical Component List
Powertrain Control Module Description
Control Module References
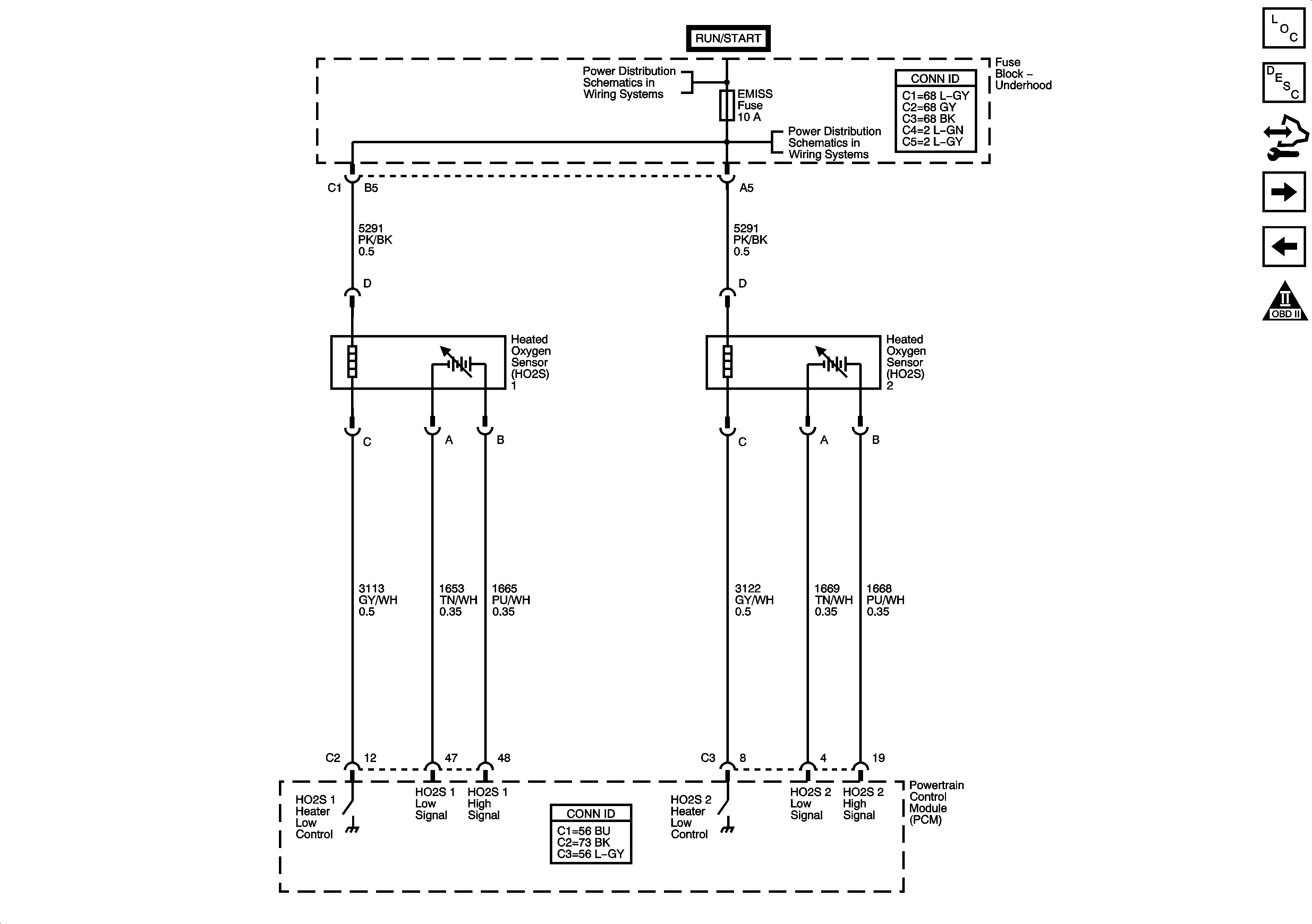
Oxygen Sensors
Low References
Engine Controls Schematic Icons
B+ Bus and EPS Fuse
ENG MAIN Relay, INJ, EMISS and ETC Fuses
Stop Lamps
B+ Bus and EPS Fuse
Stop Lamps
G103, G105, G107 and G207
Figure 5:

Oxygen Sensors


Object Number: 1630349  Size: FS
Master Electrical Component List
Powertrain Control Module Description
Control Module References
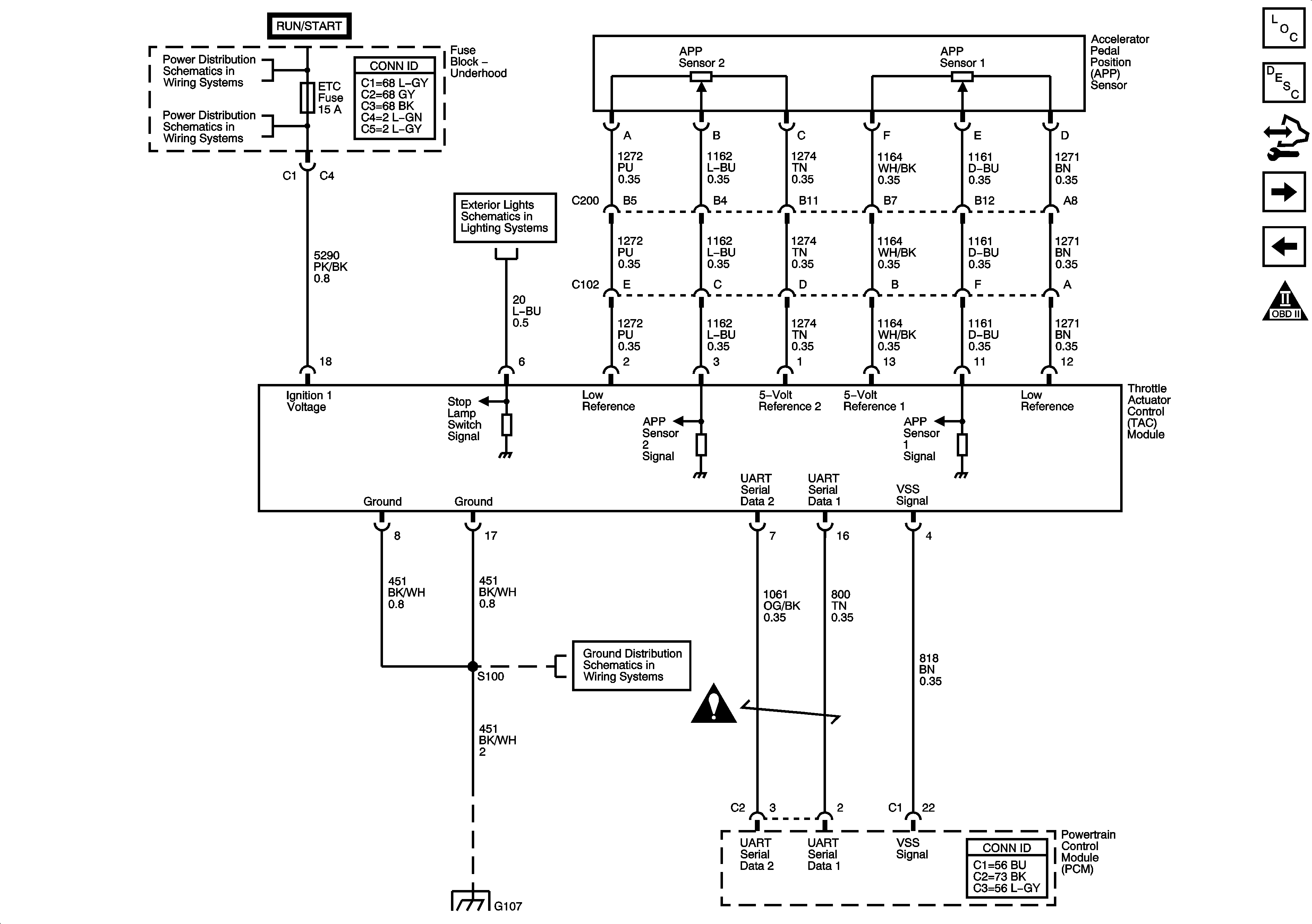
Throttle Controls
Engine Data Sensors - MAF/IAT, MAP, ECT, Stop Lamp Switch
Engine Controls Schematic Icons
B+ Bus and EPS Fuse
ENG MAIN Relay, INJ, EMISS and ETC Fuses
Figure 6:

Throttle Controls


Object Number: 1373332  Size: FS
Master Electrical Component List
Throttle Actuator Control (TAC) System Description
Control Module References
Ignition System - ICM
Oxygen Sensors
Engine Controls Schematic Icons
ENG MAIN Relay, INJ, EMISS and ETC Fuses
ENG MAIN Relay, INJ, EMISS and ETC Fuses
Stop Lamps
G103, G105, G107 and G207
Engine Controls Schematic Icons
G103, G105, G107 and G207
Figure 7:

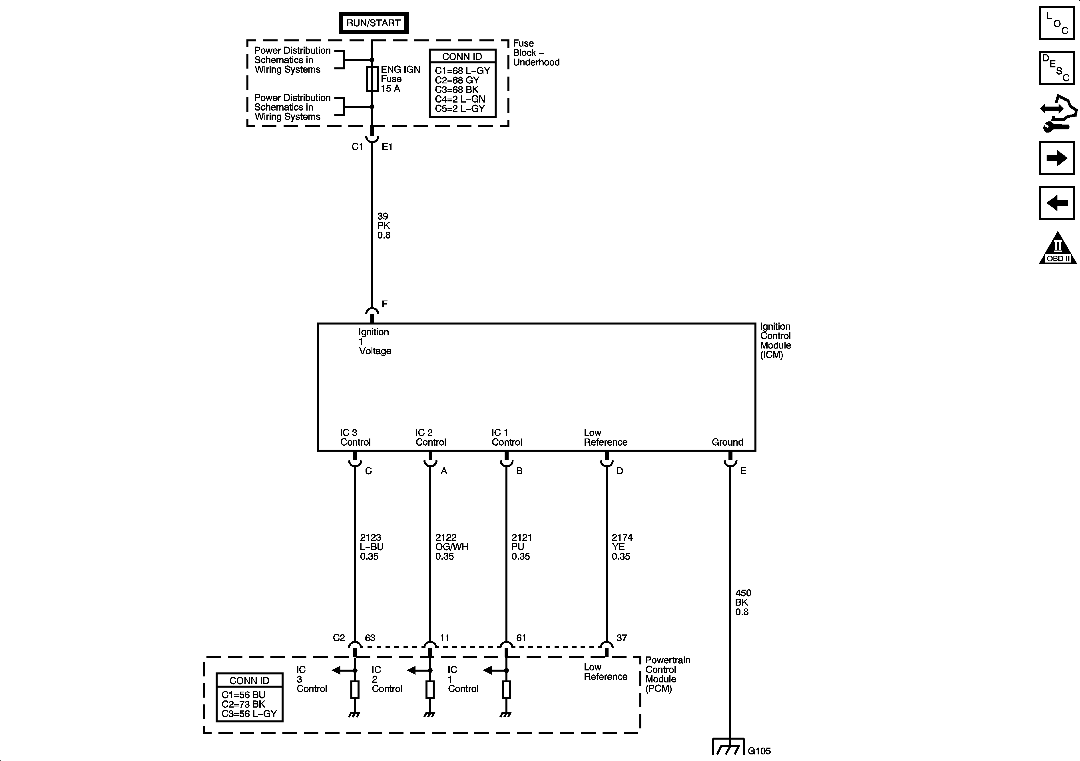
Ignition System - ICM


Object Number: 1373334  Size: FS
Master Electrical Component List
Electronic Ignition (EI) System Description
Control Module References
Ignition System - Sensors
Throttle Controls
Engine Controls Schematic Icons
IGN FUSE, Ignition Switch and Ignition Circuits
BACKUP, PWR TRAIN, ENG IGN and 10A ABS Fuse
G103, G105, G107 and G207
Figure 8:

Ignition System - Sensors


Object Number: 1373335  Size: FS
Master Electrical Component List
Electronic Ignition (EI) System Description
Control Module References
Fuel Controls
Ignition System - ICM
Engine Controls Schematic Icons
Engine Controls Schematic Icons
Figure 9:

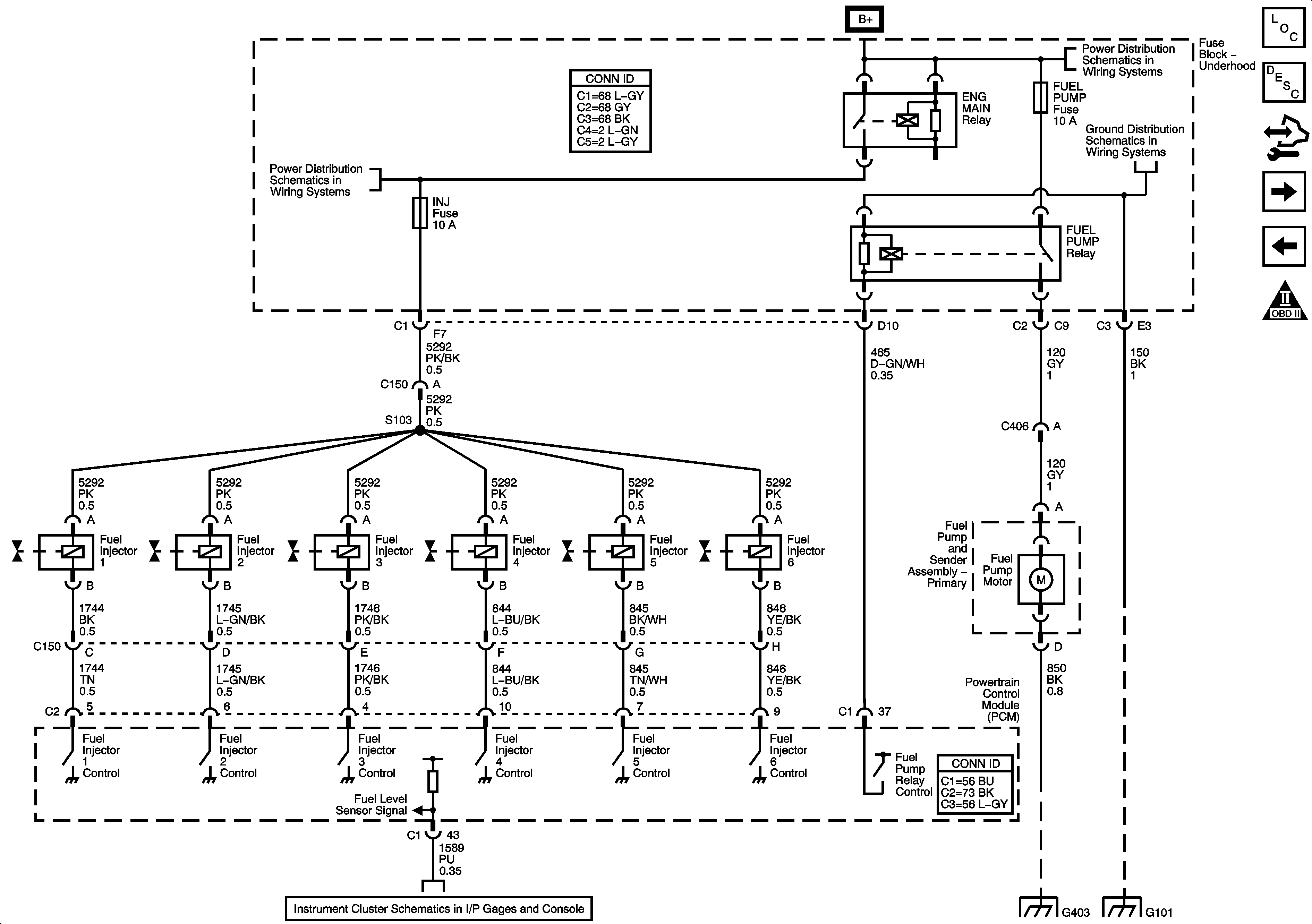
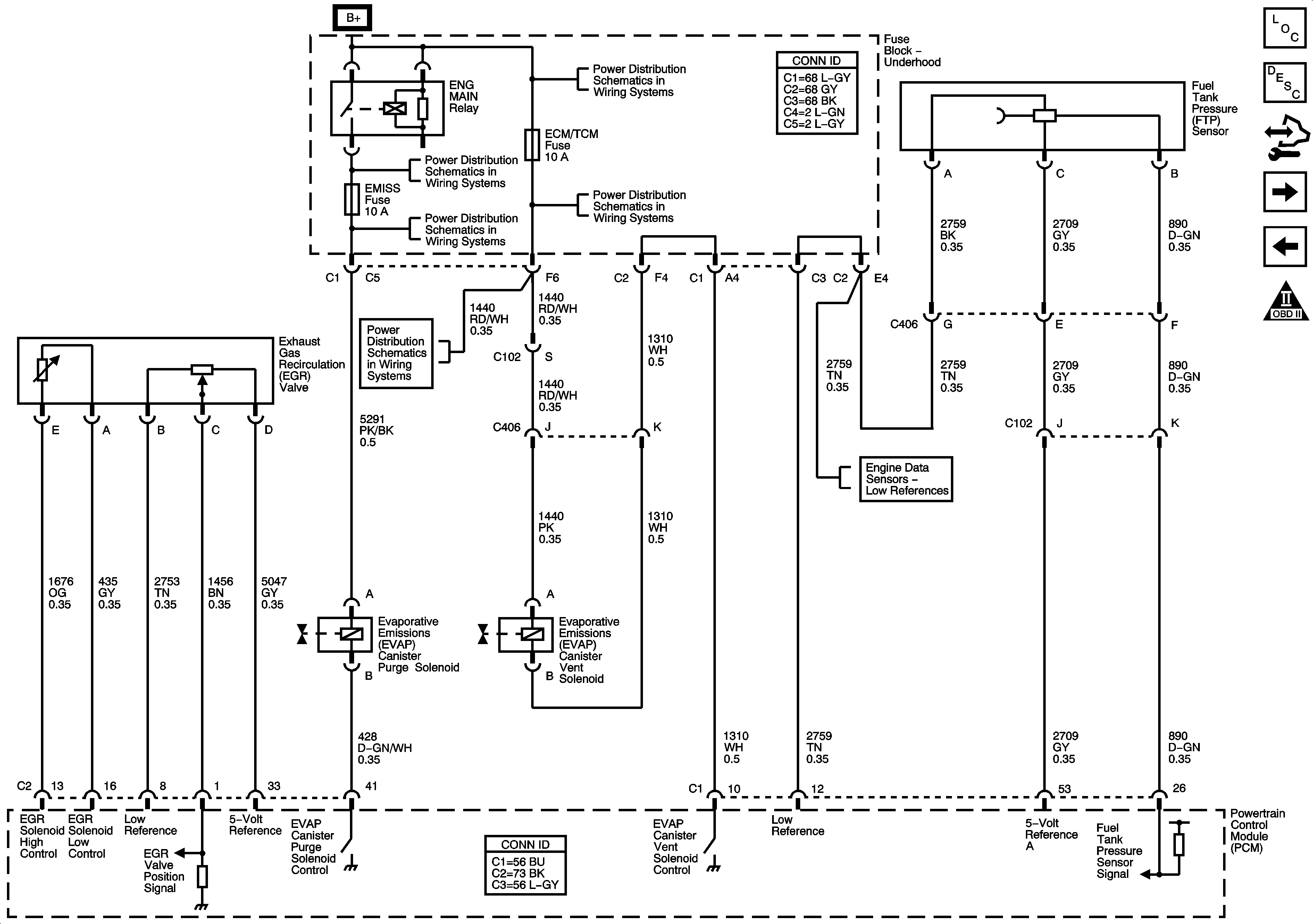
Fuel Controls


Object Number: 1373337  Size: FS
Master Electrical Component List
Fuel System Description
Control Module References
EGR Valve, FTP Sensor, EVAP Solenoids
Ignition System - Sensors
Engine Controls Schematic Icons
B+ Bus and EPS Fuse
B+ Bus and EPS Fuse
G101
G101
G401 and G403
Gages
Figure 10:

EGR, FTP, EVAP Solenoids


Object Number: 1373339  Size: FS
Master Electrical Component List
Evaporative Emission Control System Description
Control Module References
Controlled/Monitored Subsystem References
Fuel Controls
Engine Controls Schematic Icons
B+ Bus and EPS Fuse
B+ Bus and EPS Fuse
ENG MAIN Relay, INJ, EMISS and ETC Fuses
PWR WDW, SUNROOF, 20A ABS, 40A ABS, HVAC BLOWER, AUX OUTLETS, TRAILER, CIGAR AND ECM/TCM Fuses
PWR WDW, SUNROOF, 20A ABS, 40A ABS, HVAC BLOWER, AUX OUTLETS, TRAILER, CIGAR AND ECM/TCM Fuses
Low References
Figure 11:

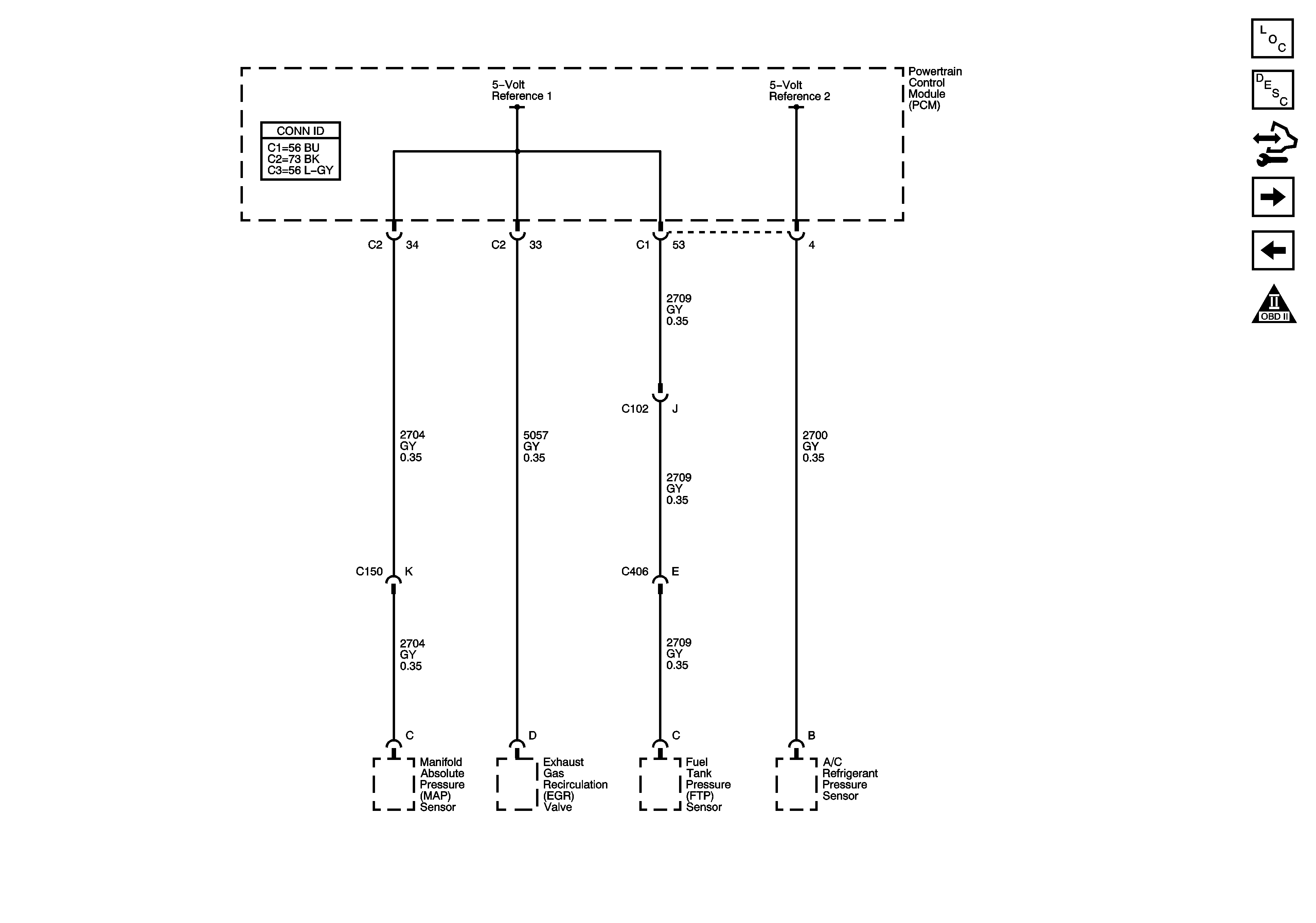
Controlled/Monitored Subsystem References


Object Number: 1373342  Size: FS
Master Electrical Component List
Powertrain Control Module Description
Control Module References
EGR Valve, FTP Sensor, EVAP Solenoids
Engine Controls Schematic Icons
A/C Compressor, Pressure Sensor Signals
Starting
Charging, Indicators
Indicators
Engine Cooling Schematic
Cruise Control Schematic