GM Service Manual Online
For 1990-2009 cars only
Makes
🢒
Pontiac
🢒
2003
🢒
Vibe - FWD
🢒
Restraints
🢒
Seat Belts
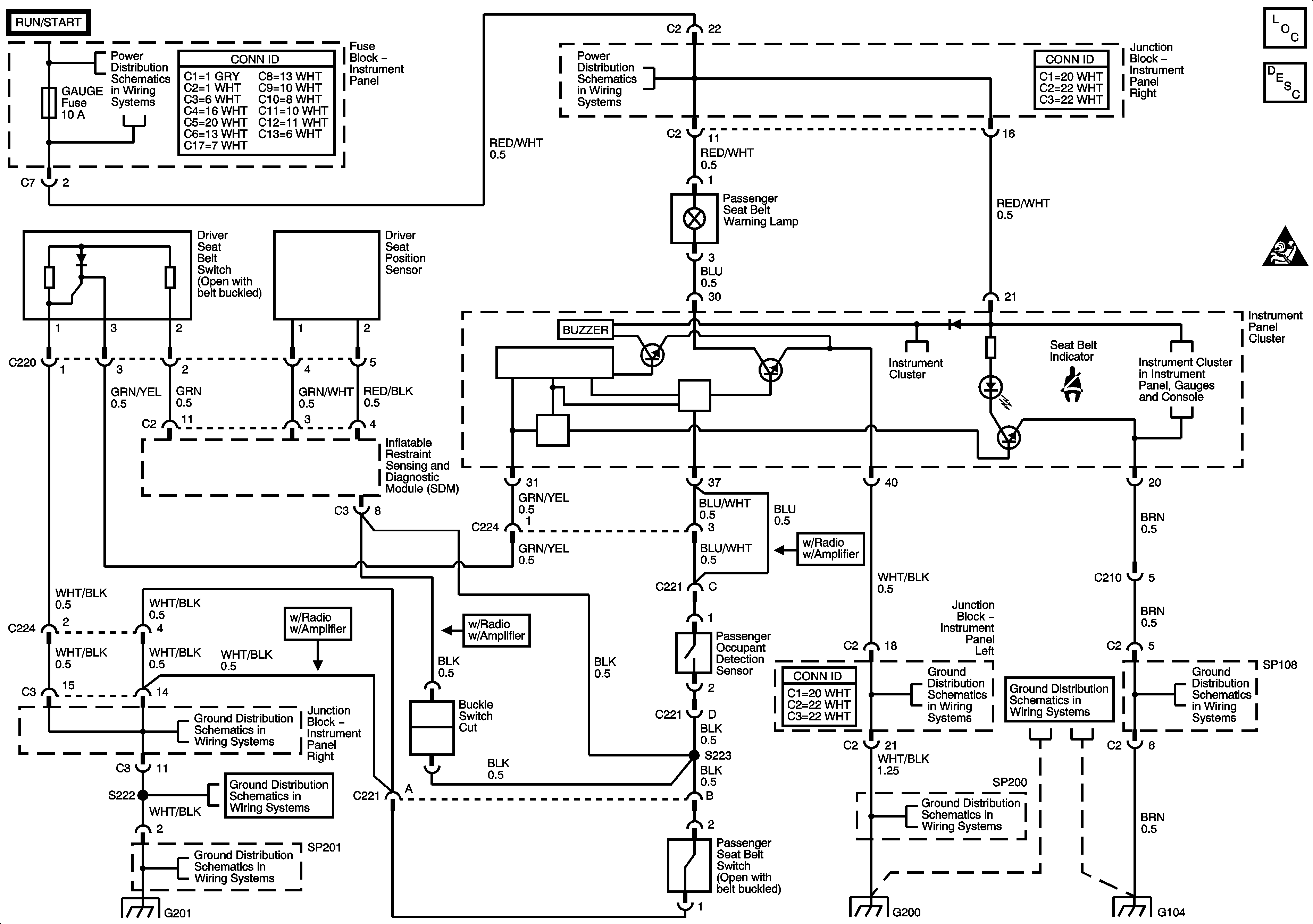
🢒 Seat Belt Schematics
Master Electrical Component List
Seat Belt System Description and Operation
WASH, RR WIP, WIPER, ECU-IG, GAUGE, HEATER, and DEF Fuses
Heater Relay, Right Instrument Panel Junction Block
SP201 and G201
Right Instrument Panel Junction Block
Left Instrument Panel Junction Block
SP200 and G200
SP107, SP108 and G104
Fuel Gauge, Seat Belt, Low Fuel Indicators and Seat Belt Buzzer