GM Service Manual Online
For 1990-2009 cars only
Makes
🢒
Saab
🢒
2005
🢒
9-7x
🢒
Vehicle Control Systems
🢒
Vehicle DTC Information
🢒 Door Control Module Schematics
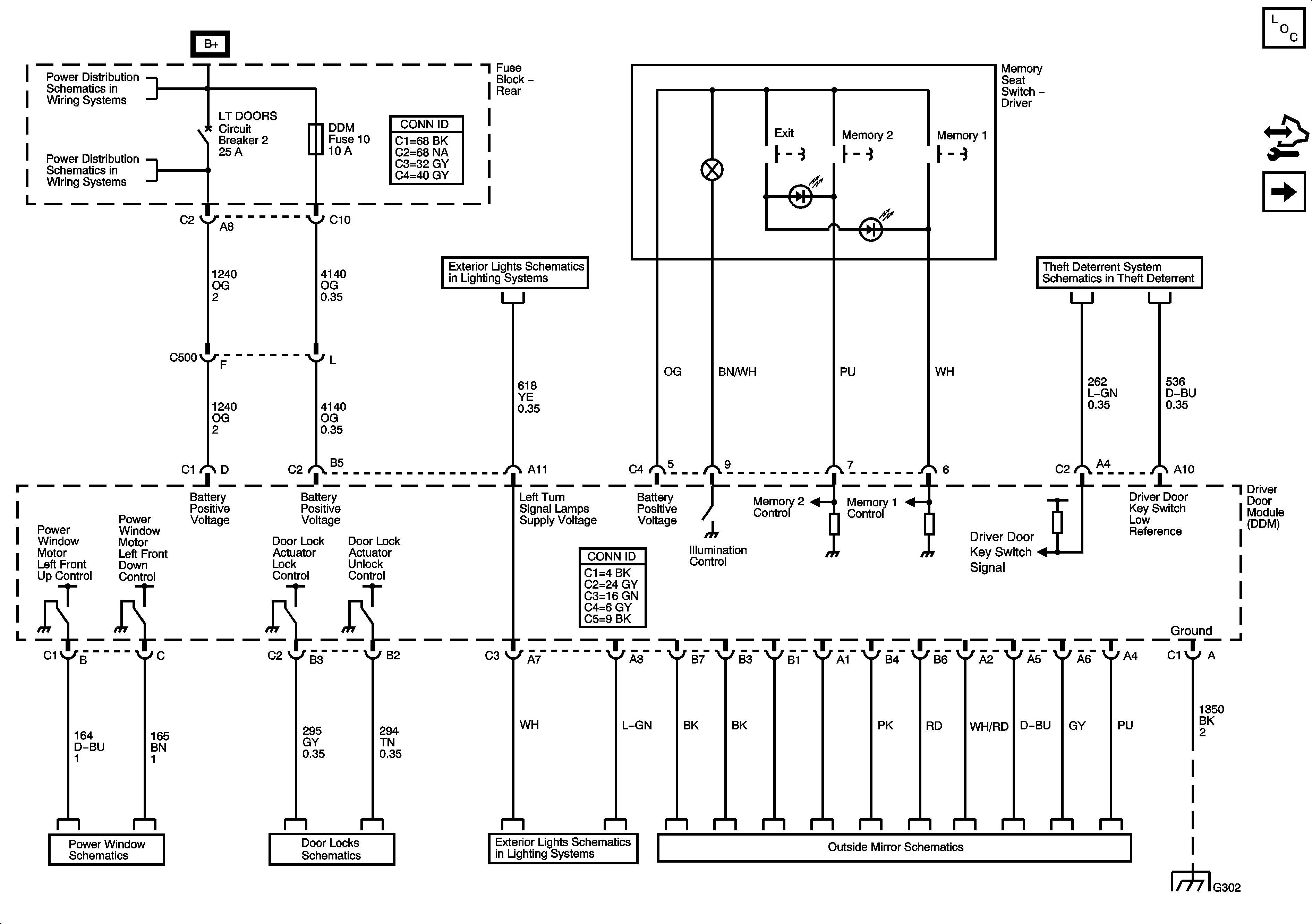
Figure
1:
Power, Ground, and Subsystem References
Master Electrical Component List
Control Module References
Serial Data and Subsystem References
B+ Bus - Rear Fuse Block
AMP, DDM, PDM Fuses, LT DOORS, RT DOORS, and SEATS Circuit Breakers
Left Turn Signal
Theft Deterrent
Power Windows - Left
Front Doors and Lift Gate
Left Turn Signal
Outside Mirrors
G302 - 1 of 2, G303, and G304
Figure
2:
Serial Data and Subsystem References
Master Electrical Component List
Control Module References
Front Passenger
Power, Ground, and Subsystem References
SP306
Door Switch Inputs
Outside Mirrors
Figure
3:
Front Passenger
Master Electrical Component List
Control Module References
Serial Data and Subsystem References
B+ Bus - Rear Fuse Block
AMP, DDM, PDM Fuses, LT DOORS, RT DOORS, and SEATS Circuit Breakers
Power Windows - Right
Door Lock/Indicator Schematics
Door Switch Inputs
Right Turn Signal
SP306
G302 - 1 of 2, G303, and G304
Outside Mirrors