GM Service Manual Online
For 1990-2009 cars only
Makes
🢒
Saab
🢒
2005
🢒
9-7x
🢒
Body
🢒
Wiring Systems
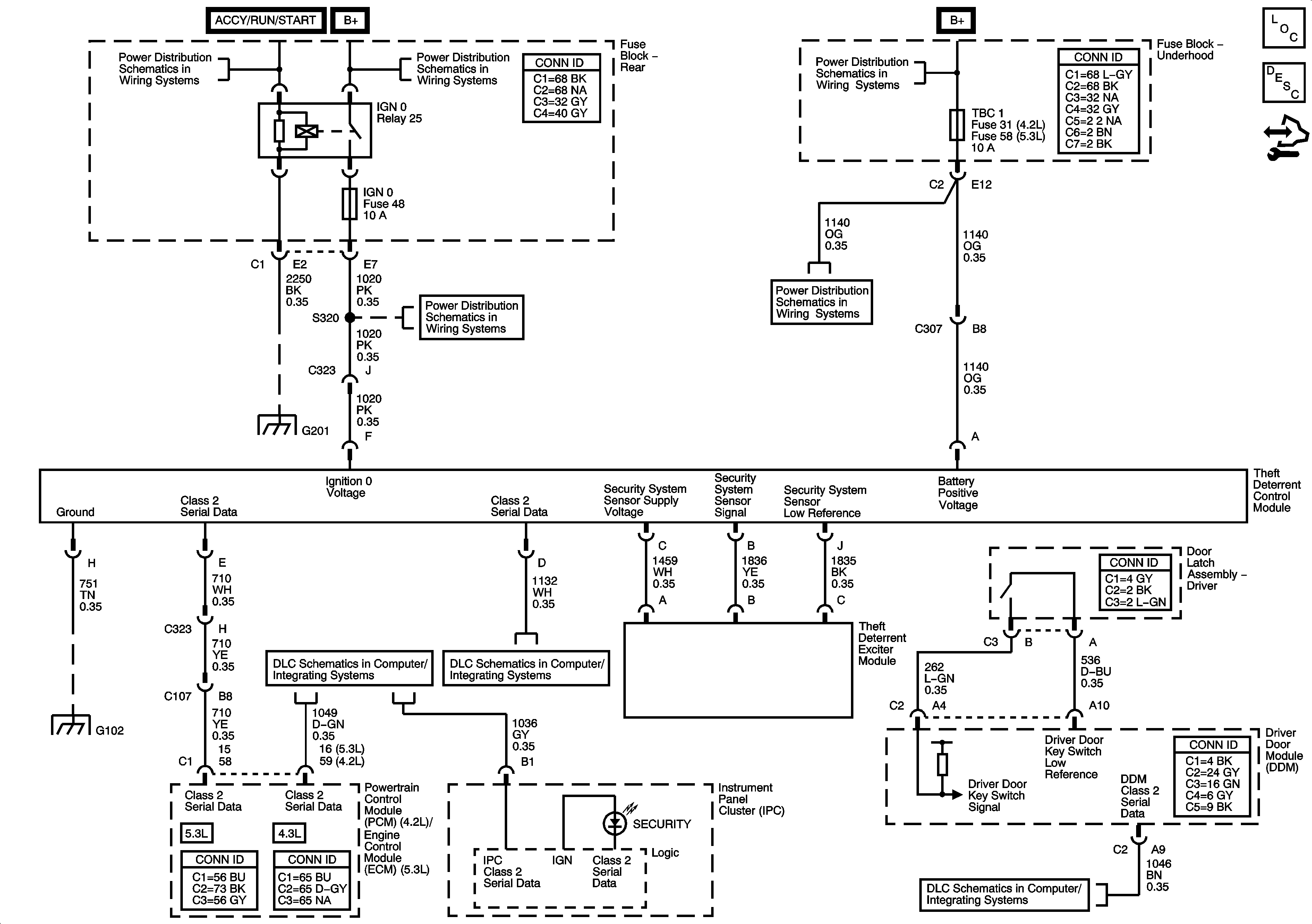
🢒 Theft Deterrent System Schematics
Master Electrical Component List
Theft Systems Description and Operation
Control Module References
Ignition Switch - ACCY/RUN/START, RUN, START Bus Bars and IGNA1 Fuse
B+ Bus - Rear Fuse Block
B+ Bus - Underhood Fuse Block - 1 of 2
4WD, BRK, FRT WPR, HVACI, IGN0, and TCM Fuses
AIR, EAP, ECM, PCMB, TBC 1, and TCM/CANISTER Fuses
G201 - 1 of 2
G102
SP 205
Power, Ground, Data Link Connector
SP306