GM Service Manual Online
For 1990-2009 cars only
Makes
🢒
Cadillac
🢒
2007
🢒
CTS
🢒
Diagnostic Navigation
🢒
Vehicle Diagnostic Information
🢒 Engine Controls Schematics
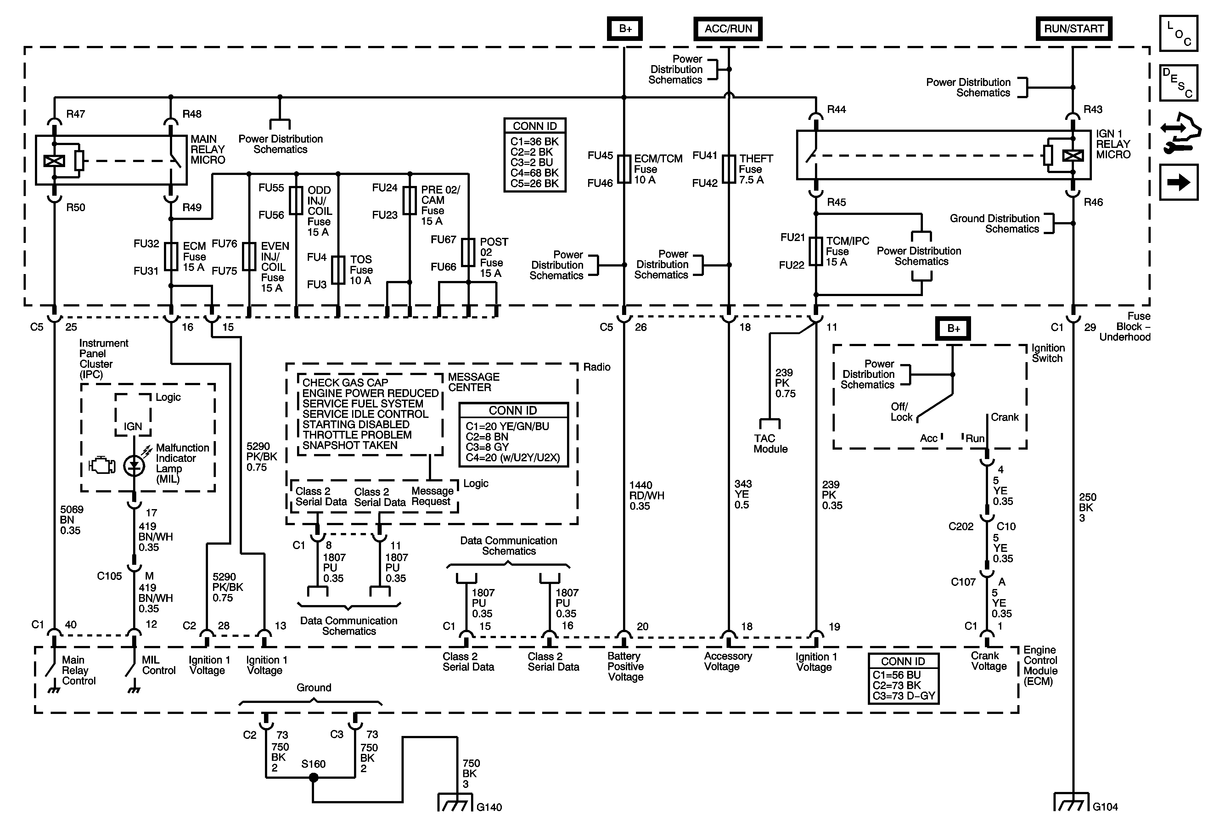
Figure
1:
Power, Ground, Serial Data, DIC, and Indicator
Master Electrical Component List
Engine Control Module Description
Control Module References
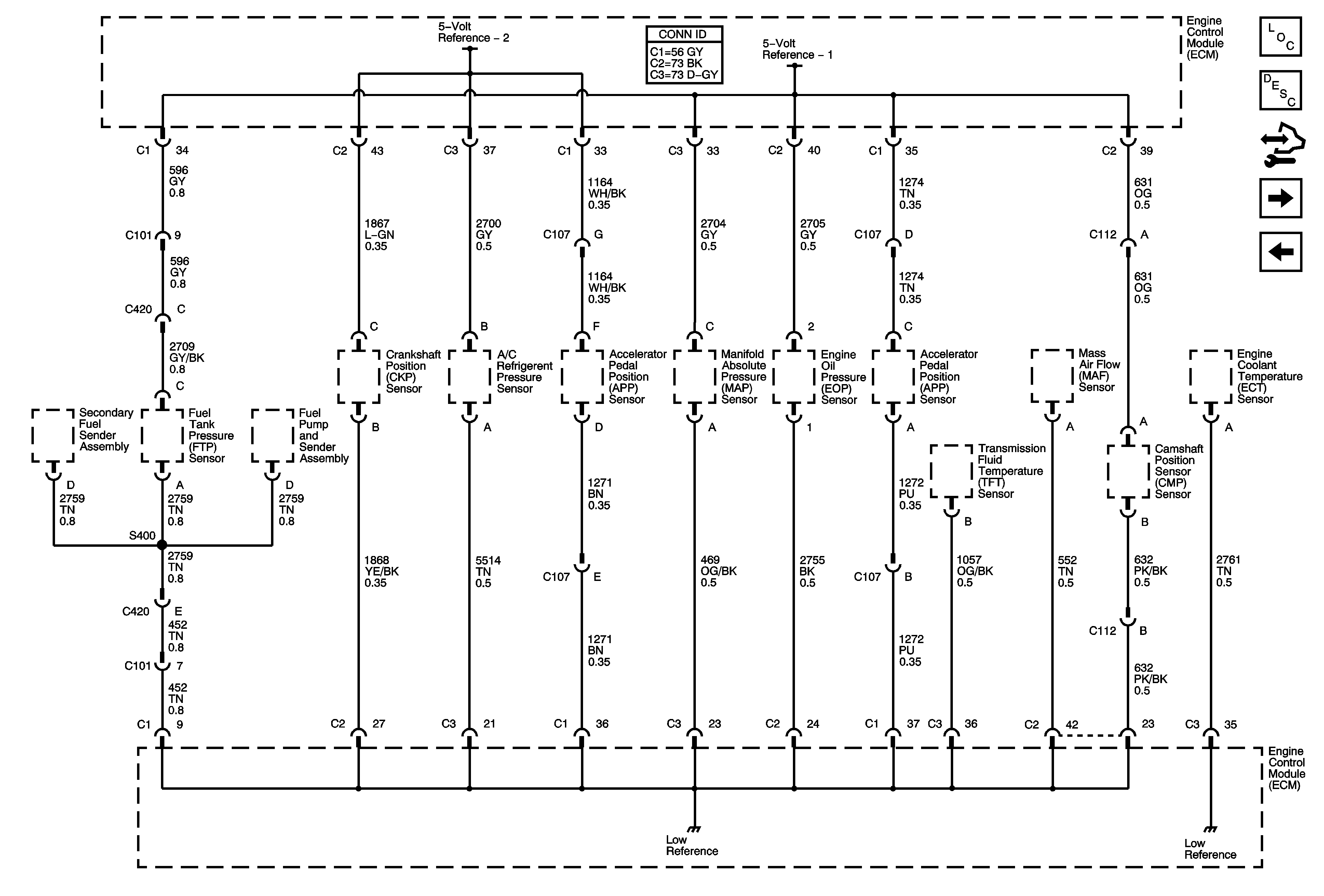
Engine Data Sensors - 5-Volt and Low Refernce Buses
Underhood Fuse Block B+ BUS 2 of 2
Ignition Switch 2 of 2
Underhood Fuse Block Starter Relay, IGN 1 Relay, HTR VLV/Clutch and TCM/IPC Fuses
Class 2 Serial Data Bus - LHD (1 of 2)
Ignition Switch 2 of 2
Underhood Fuse Block Starter Relay, IGN 1 Relay, HTR VLV/Clutch and TCM/IPC Fuses
G104 1 of 2
Class 2 Serial Data Bus - LHD (2 of 2)
G140, G141, and G142 (LS2)
Class 2 Serial Data Bus - LHD (1 of 2)
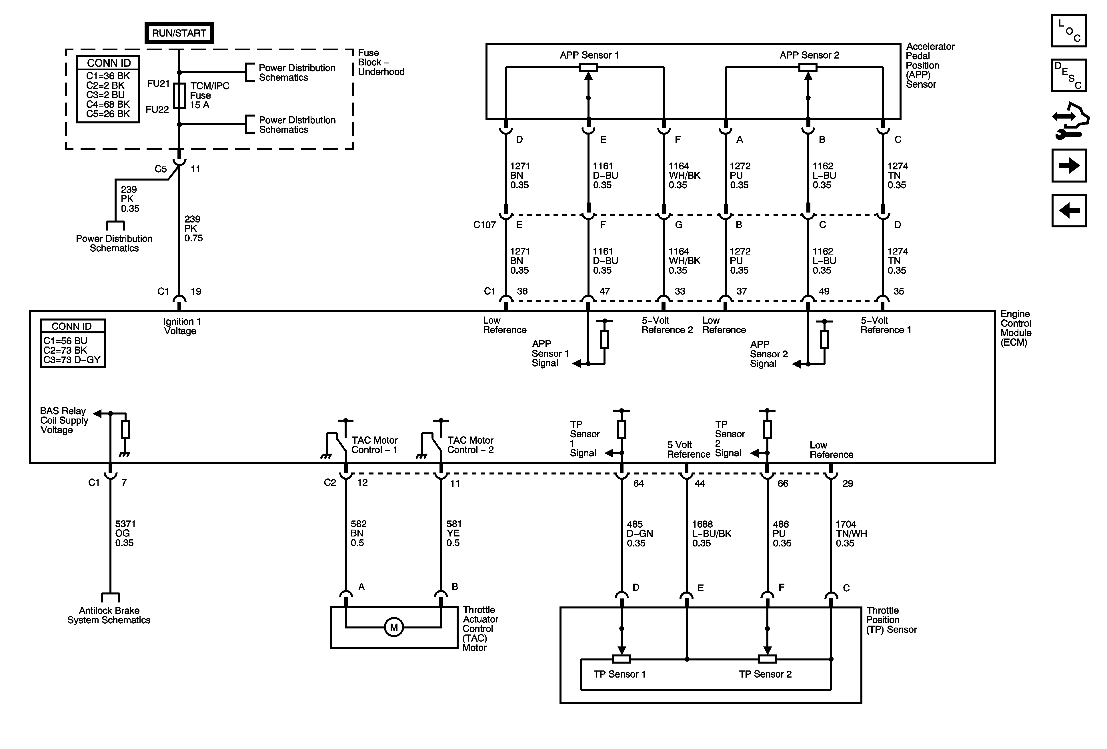
Engine Data Sensors - Throttle Actuator Control (TAC) System
Ignition Switch 1 of 2
G104 1 of 2
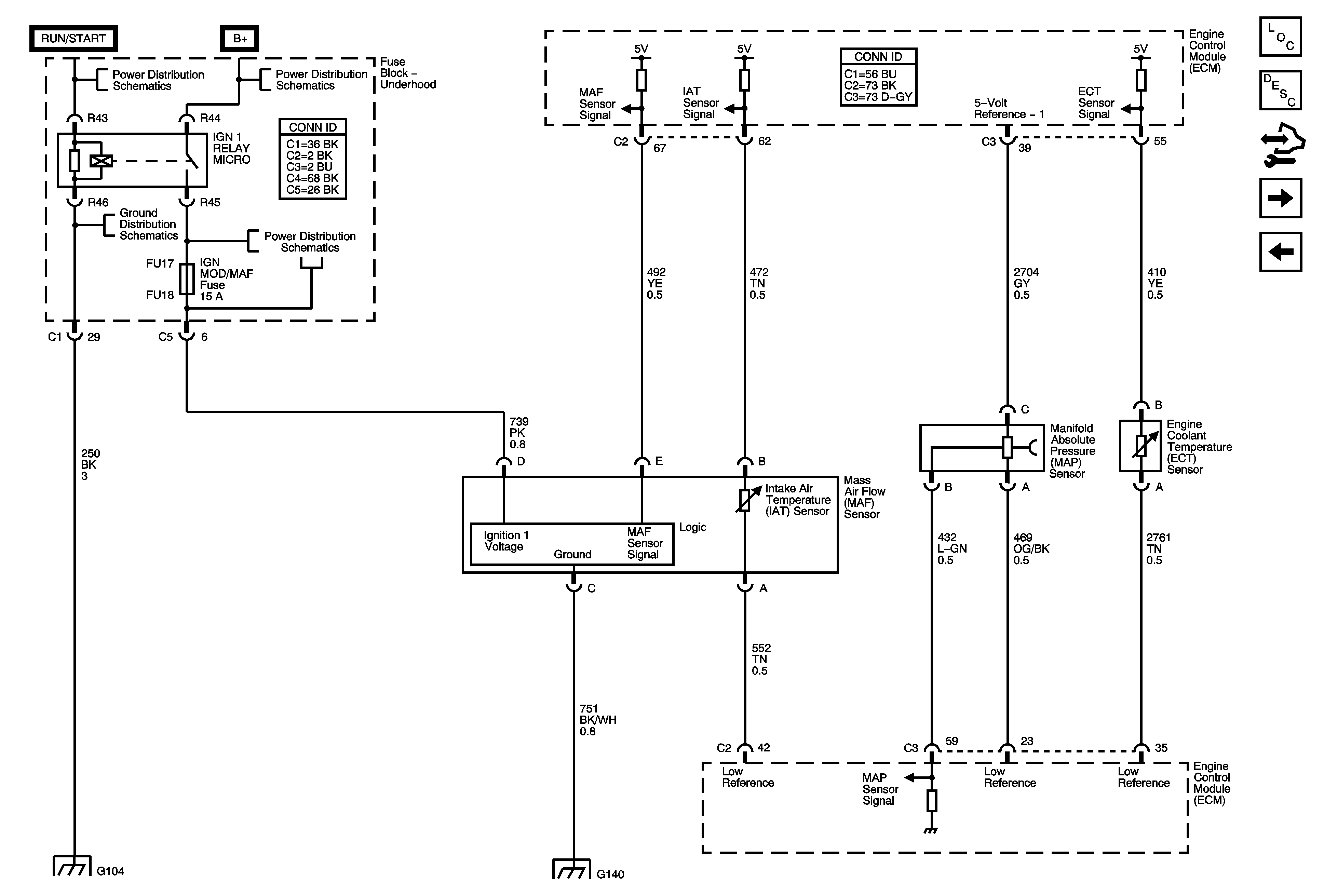
Figure
2:
Engine Data Sensors - 5-Volt and Low Reference Busses
Master Electrical Component List
Engine Control Module Description
Control Module References
Engine Data Sensors - MAP, ECT, MAF, and IAT Sensors
Power, Ground, Serial Data, DIC and Indicator
Figure
3:
Engine Data Sensors - MAP, ECT, MAF, and IAT Sensors
Master Electrical Component List
Engine Control Module Description
Control Module References
Engine Data Sensors - Heated Oxygen Sensors (HO2S)
Engine Data Sensors - 5-Volt and Low Refernce Buses
Underhood Fuse Block B+ BUS 2 of 2
Underhood Fuse Block Starter Relay, IGN 1 Relay, HTR VLV/Clutch and TCM/IPC Fuses
G104 1 of 2
Underhood Fuse Block Wash noz, Strg (TL) and IGN MOD/MAF Fuses
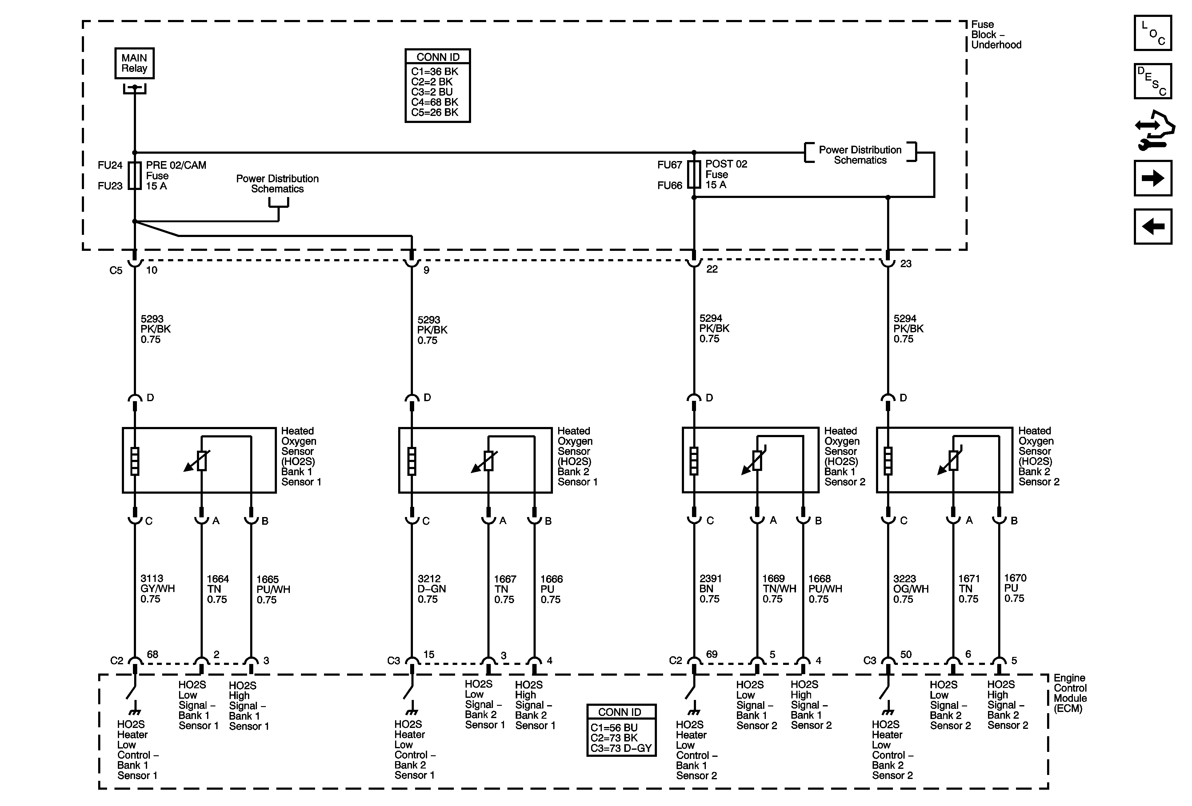
Figure
4:
Engine Data Sensors - Heated Oxygen Sensors (HO2S)
Master Electrical Component List
Engine Control Module Description
Control Module References
Engine Data Sensors - Throttle Actuator Control (TAC) System
Engine Data Sensors - MAP, ECT, MAF, and IAT Sensors
Underhood Fuse Block B+ BUS 2 of 2
Underhood Fuse Block B+ BUS 2 of 2
Underhood Fuse Block B+ BUS 2 of 2
Figure
5:
Engine Data Sensors - Throttle Actuator Control (TAC) System
Master Electrical Component List
Engine Control Module Description
Control Module References
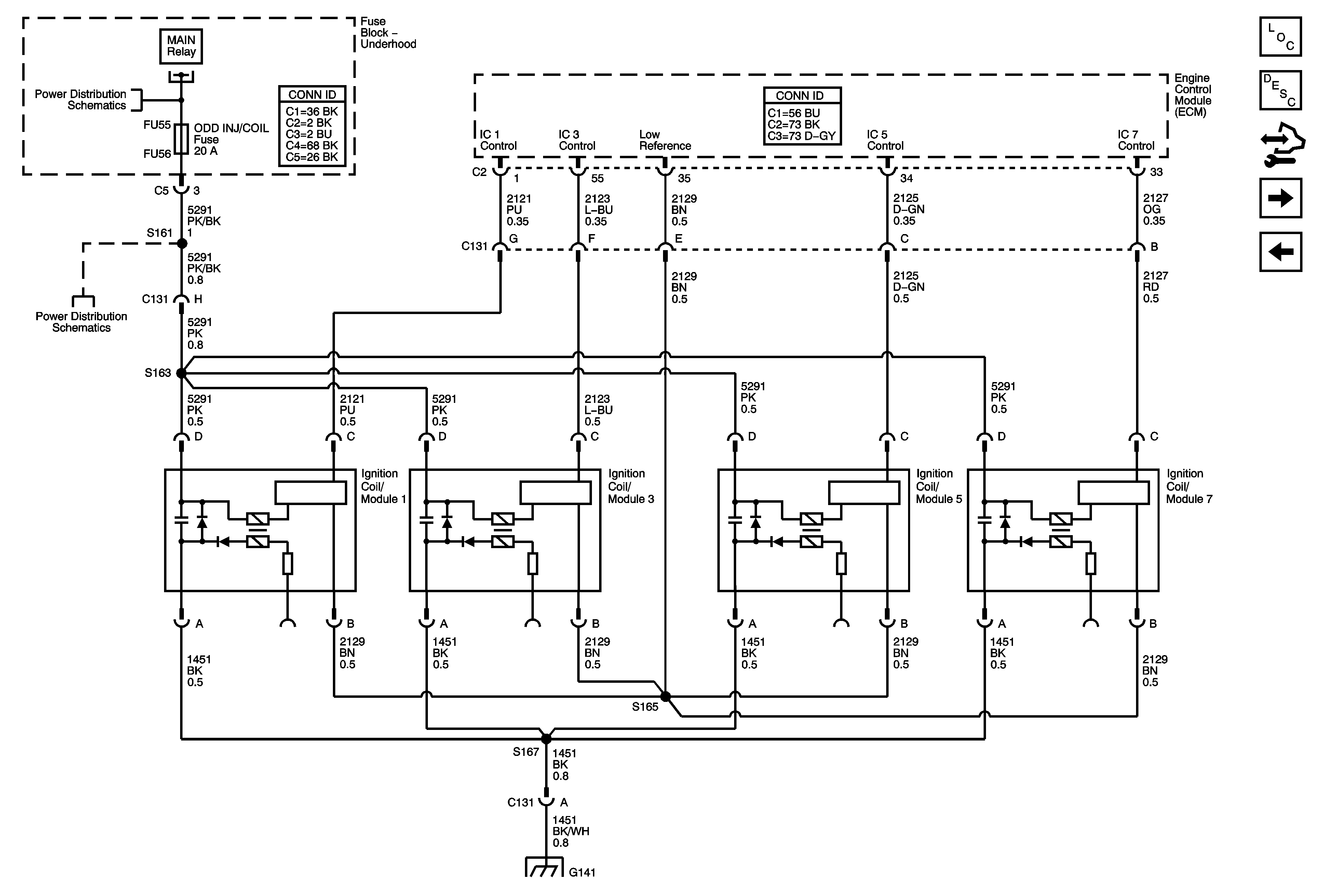
Ignition Controls - Odd Ignition Coils
Engine Data Sensors - Heated Oxygen Sensors (HO2S)
Underhood Fuse Block Starter Relay, IGN 1 Relay, HTR VLV/Clutch and TCM/IPC Fuses
Underhood Fuse Block Starter Relay, IGN 1 Relay, HTR VLV/Clutch and TCM/IPC Fuses
Underhood Fuse Block Starter Relay, IGN 1 Relay, HTR VLV/Clutch and TCM/IPC Fuses
Hydraulic Brakes Schematics
Figure
6:
Ignition Controls - Odd Ignition Coils
Master Electrical Component List
Engine Control Module Description
Control Module References
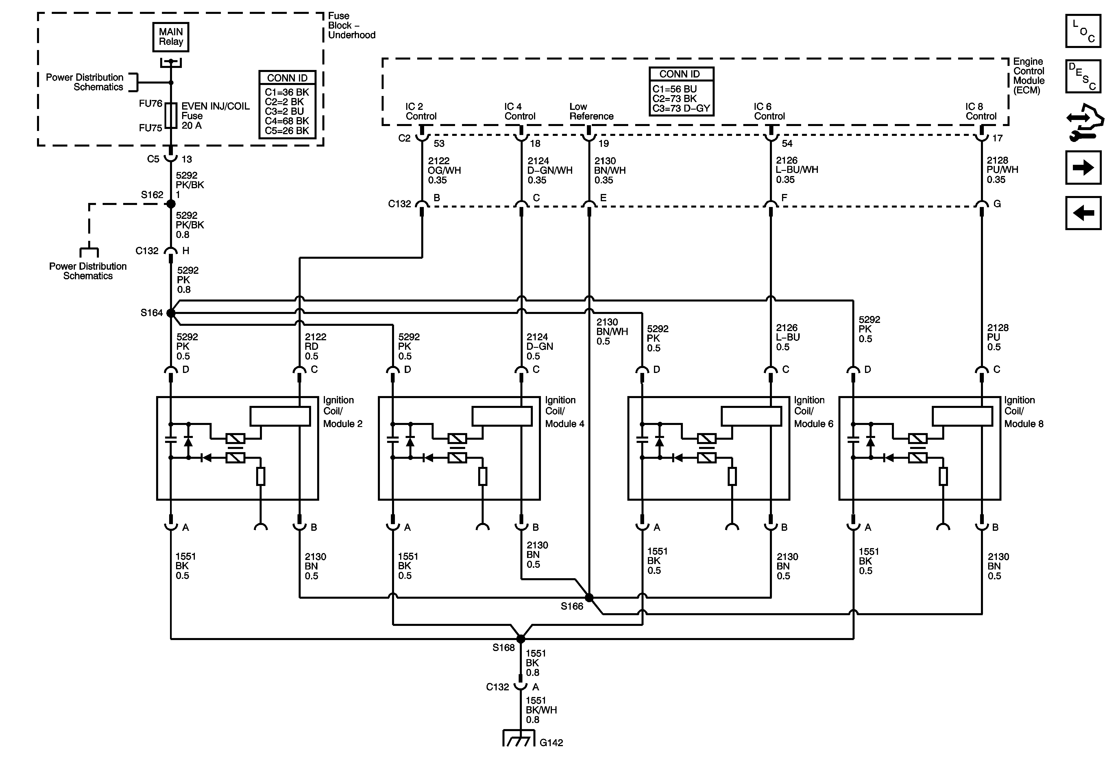
Ignition Controls - Even Ignition Coils
Engine Data Sensors - Throttle Actuator Control (TAC) System
Underhood Fuse Block Odd INJ/Coil Fuse
Underhood Fuse Block B+ BUS 2 of 2
Underhood Fuse Block Odd INJ/Coil Fuse
G140, G141, and G142 (LS2)
Figure
7:
Ignition Controls - Even Ignition Coils
Master Electrical Component List
Engine Control Module Description
Control Module References
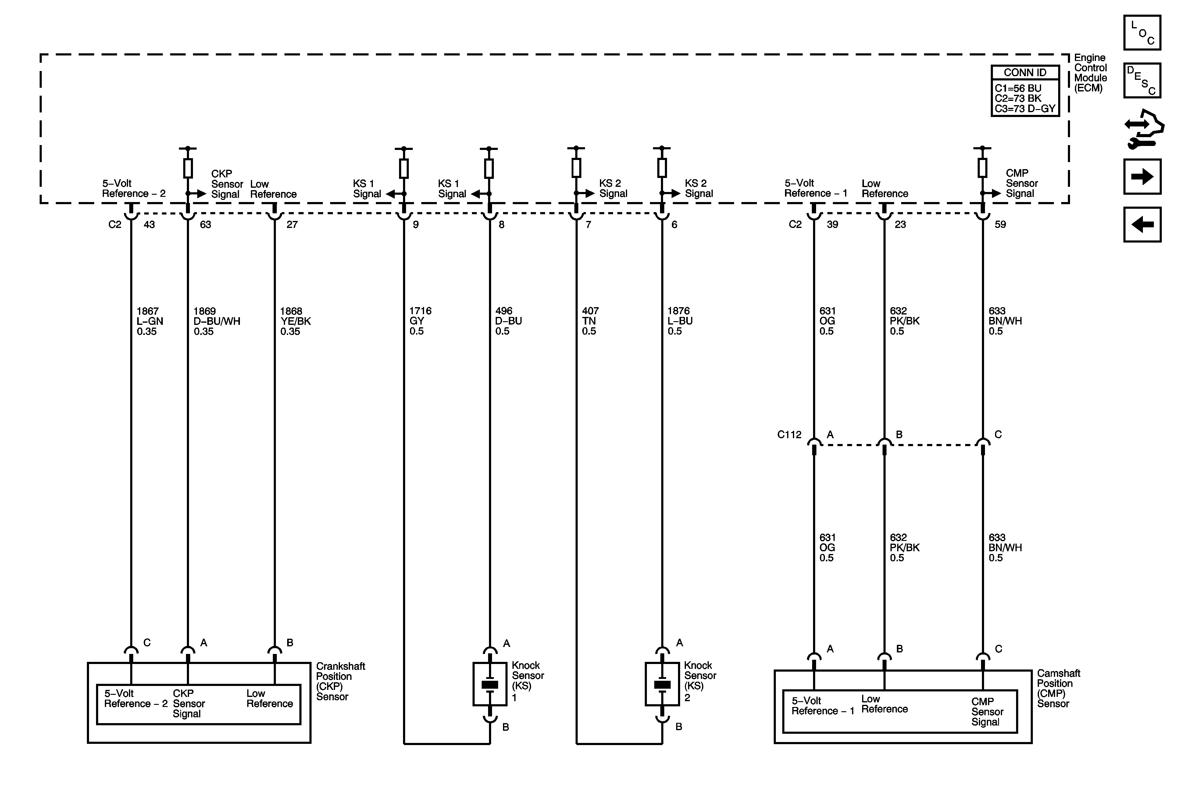
Ignition Controls - Knock, CKP, and CMP Sensors
Ignition Controls - Odd Ignition Coils
Underhood Fuse Block Even INJ/Coil Fuse
Underhood Fuse Block B+ BUS 2 of 2
Underhood Fuse Block Even INJ/Coil Fuse
G140, G141, and G142 (LS2)
Figure
8:
Ignition Controls - Knock, CKP, and CMP Sensors
Master Electrical Component List
Engine Control Module Description
Control Module References
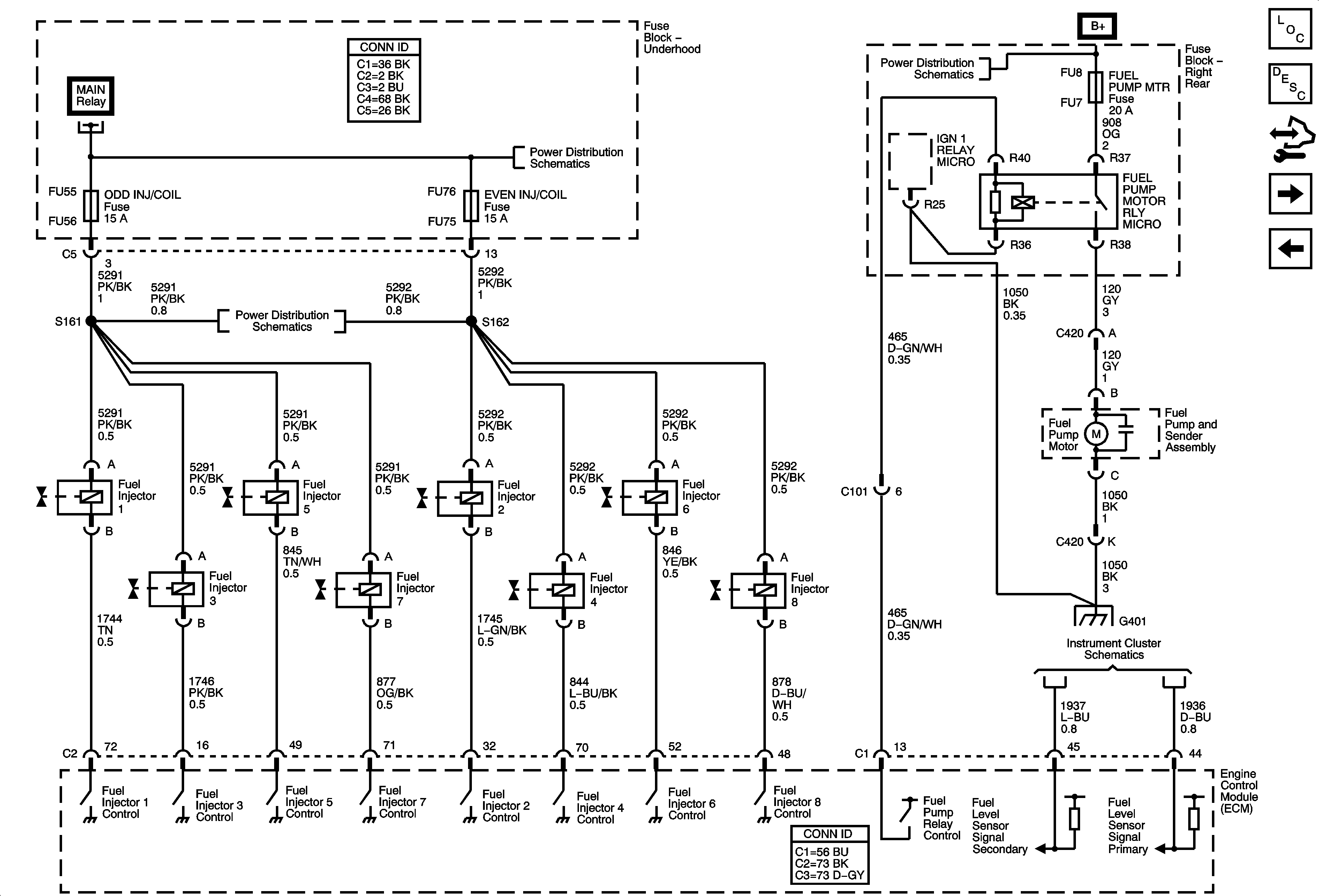
Fuel Controls - Fuel Injectors and Fuel Pump and Sender Assembly
Ignition Controls - Even Ignition Coils
Figure
9:
Fuel Controls - Fuel Injectors and Fuel Pump and Sender Assembly
Master Electrical Component List
Engine Control Module Description
Control Module References
Fuel Controls - EVAP Controls
Ignition Controls - Knock, CKP, and CMP Sensors
Underhood Fuse Block B+ BUS 2 of 2
Underhood Fuse Block Odd INJ/Coil Fuse
Underhood Fuse Block B+ BUS 2 of 2
Right Rear Fuse Block B+ Bus
G401
Gages - 6.0L (LS2)
Figure
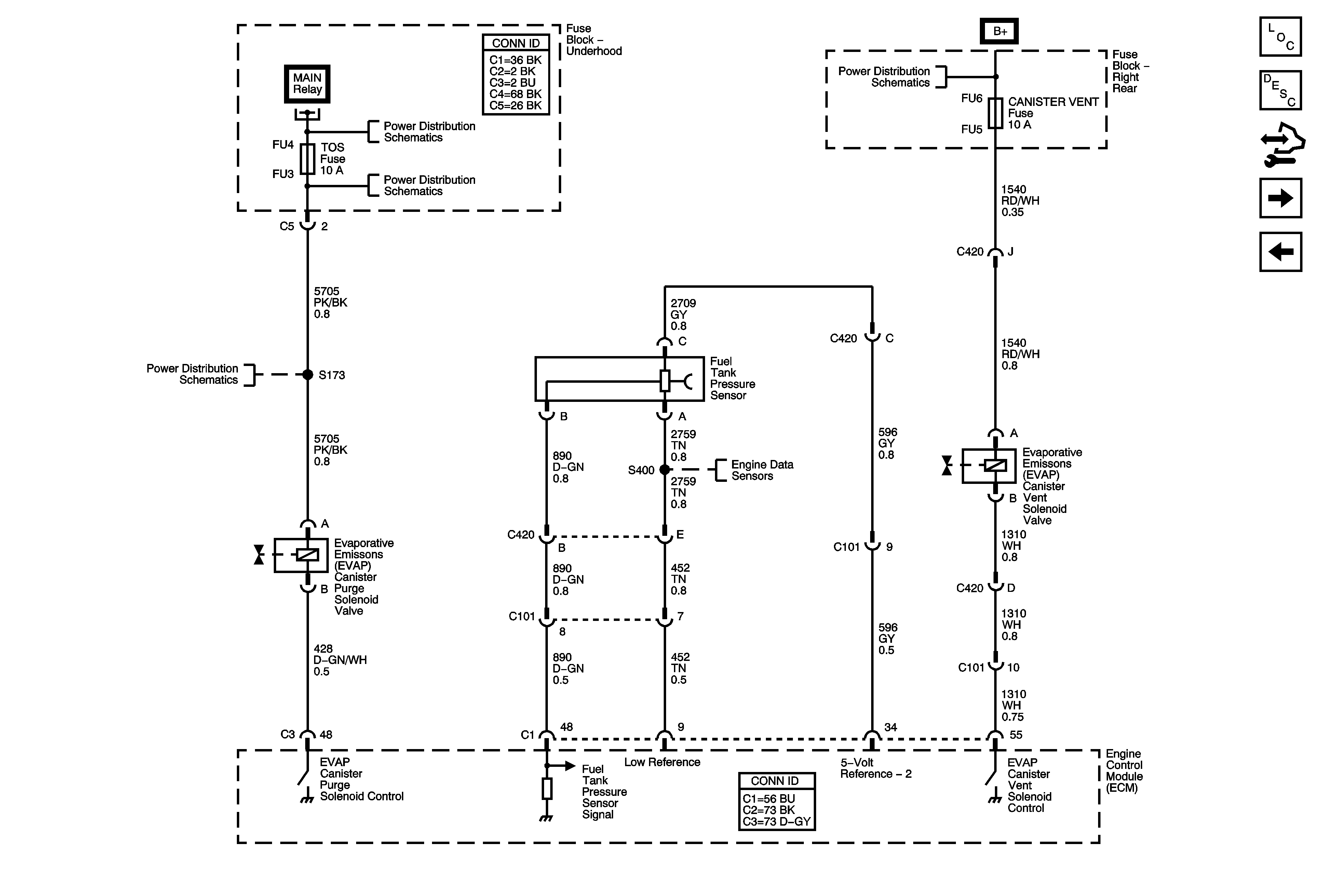
10:
Fuel Controls - EVAP Controls
Master Electrical Component List
Engine Control Module Description
Control Module References
Controlled/Monitored Subsystem References
Fuel Controls - Fuel Injectors and Fuel Pump and Sender Assembly
Underhood Fuse Block B+ BUS 2 of 2
Underhood Fuse Block Cooling Fan Fuses/Relays, Main Relay, ECM, and TOS
Underhood Fuse Block Cooling Fan Fuses/Relays, Main Relay, ECM, and TOS
Right Rear Fuse Block, DR MOD PWR Circuit Breaker Canister Vent, RIM/IGN SW., FRT HTD Seat MOD, and PWR Sander Fuses
Underhood Fuse Block Cooling Fan Fuses/Relays, Main Relay, ECM, and TOS
Engine Data Sensors - 5-Volt and Low Refernce Buses
Figure
11:
Controlled/Monitored Subsystem References
Master Electrical Component List
Engine Control Module Description
Control Module References
Fuel Controls - EVAP Controls
Starting System - 2.8L/3.6L (LP1/LY7)
BPP Sensor, Switches and Indicators - 2.8L/3.6L (LP1/LY7)
A/C Compressor Controls - 6.0L (LS2)
Cooling Fans - 6.0L (LS2)
Engine Oil Pressure (EOP) Sensor, Engine Oil Level/Temp. Sensor, TFT and Indicator
Manual Transmission - Tremec 6-Speed (MV1, MN6, M12) Schematics