GM Service Manual Online
For 1990-2009 cars only
Figure 1:

Heated Seat- Driver- Except KB6


Object Number: 1778903  Size: FS
Master Electrical Component List
Heated/Cooled Seats Description and Operation
Control Module References
Heated Seat - Passenger - Except KB6
Low Speed Bus - SP200 - 1 of 3
Low Speed Bus - SP200 - 3 of 3 and SP300
Figure 2:

Heated Seat- Passenger- Except KB6


Object Number: 1778909  Size: FS
Master Electrical Component List
Heated/Cooled Seats Description and Operation
Control Module References
Heated/Cooled Seat Module Power and Ground - KB6
Heated Seat - Driver - Except KB6
Low Speed Bus - SP200 - 1 of 3
Low Speed Bus - SP200 - 3 of 3 and SP300
Figure 3:

Heated/Cooled Seat Module Power and Ground - KB6


Object Number: 1773915  Size: FS
Master Electrical Component List
Heated/Cooled Seats Description and Operation
Control Module References
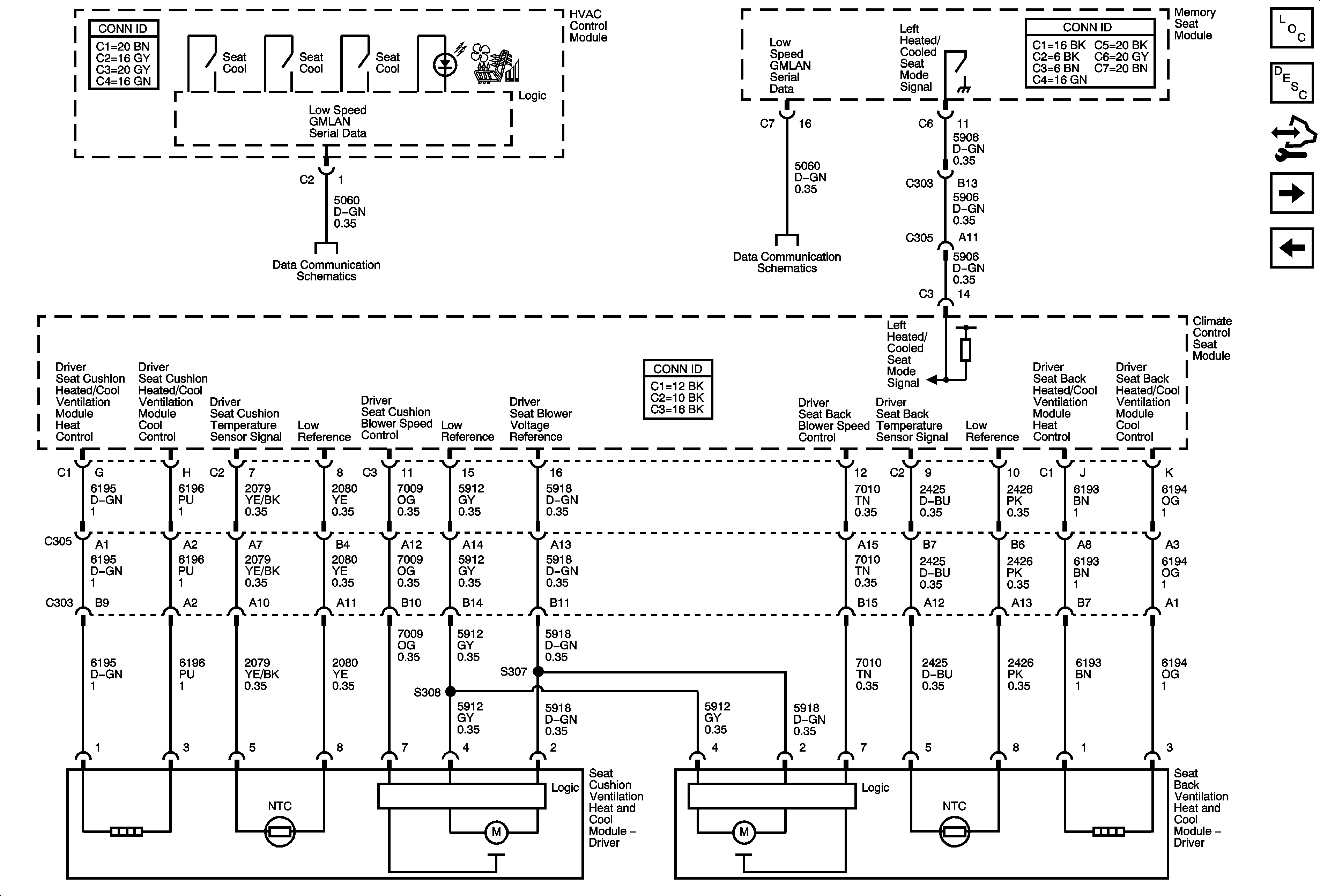
Heated/Cooled Seat - Driver - KB6
Heated Seat - Passenger - Except KB6
B+ Bus - 1 of 3
RUN/CRANK Bus - AIRBAG IGN, MISC IGN, ans SEO/ALC Fuses
RUN/CRANK Bus - AIRBAG IGN, MISC IGN, ans SEO/ALC Fuses
BCM, COOLED SEATS, CTSY, DDM, DIM, DSM, LBEC 2, MBEC 1, REAR HVAC, and RT STOP TRN Fuses and DRIVER SEAT 2, PASS SEAT 1, and RT DOORS Circuit Breakers
G102 and G108
RUN/CRANK Bus - AIRBAG IGN, MISC IGN, ans SEO/ALC Fuses
G102 and G108
G303, G304, and G305
Figure 4:

Heated/Cooled Seat- Driver- KB6


Object Number: 1773916  Size: FS
Master Electrical Component List
Heated/Cooled Seats Description and Operation
Control Module References
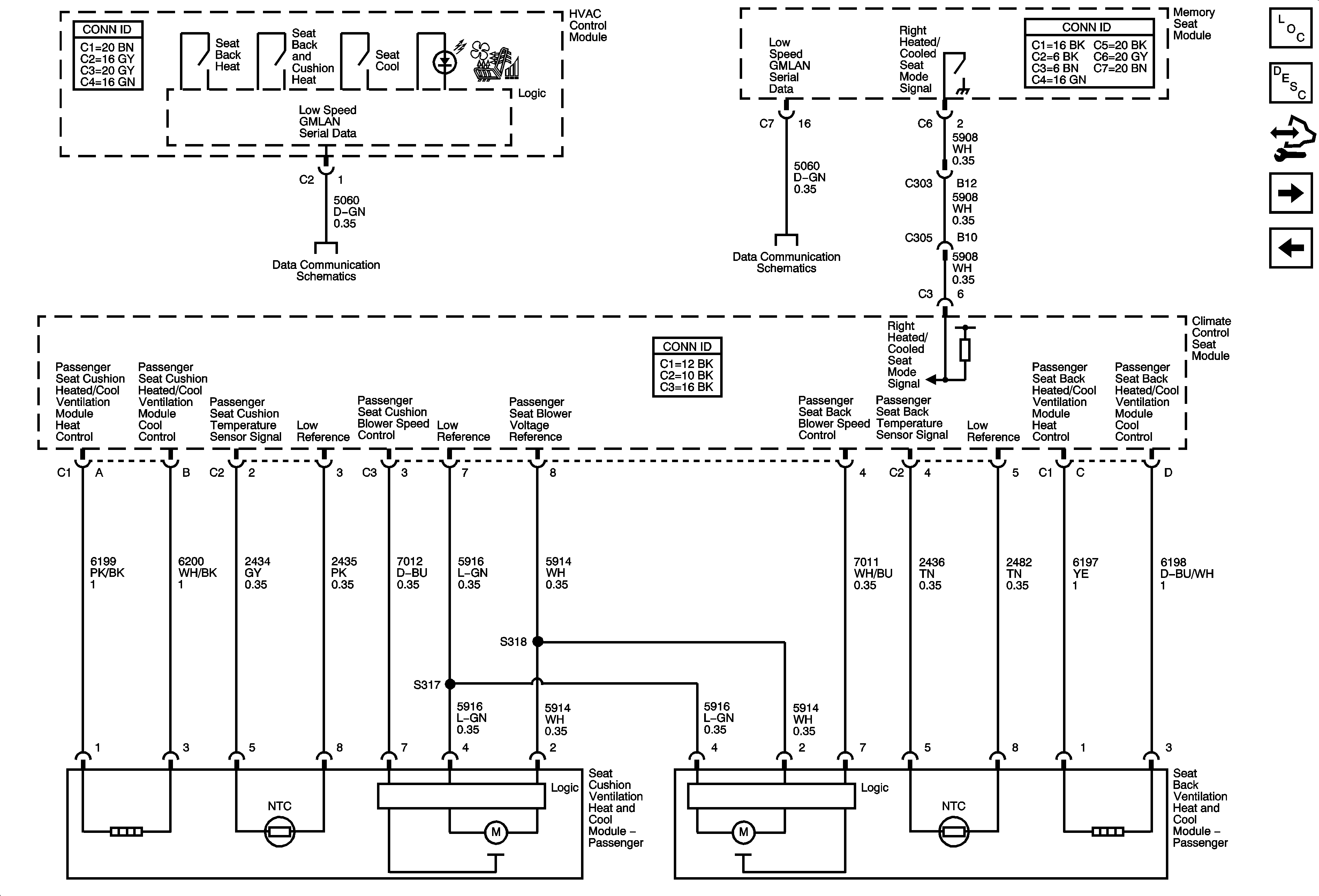
Heated/Cooled Seat - Passenger - KB6
Front End and Side Impact Sensors and Seat Position Switches
Low Speed Bus - SP200 - 1 of 3
Low Speed Bus - SP200 - 3 of 3 and SP300
Figure 5:

Heated/Cooled Seat- Passenger- KB6


Object Number: 1773917  Size: FS
Master Electrical Component List
Heated/Cooled Seats Description and Operation
Control Module References
Heated Seat - Rear - KA6
Heated/Cooled Seat - Driver - KB6
Low Speed Bus - SP200 - 1 of 3
Low Speed Bus - SP200 - 3 of 3 and SP300
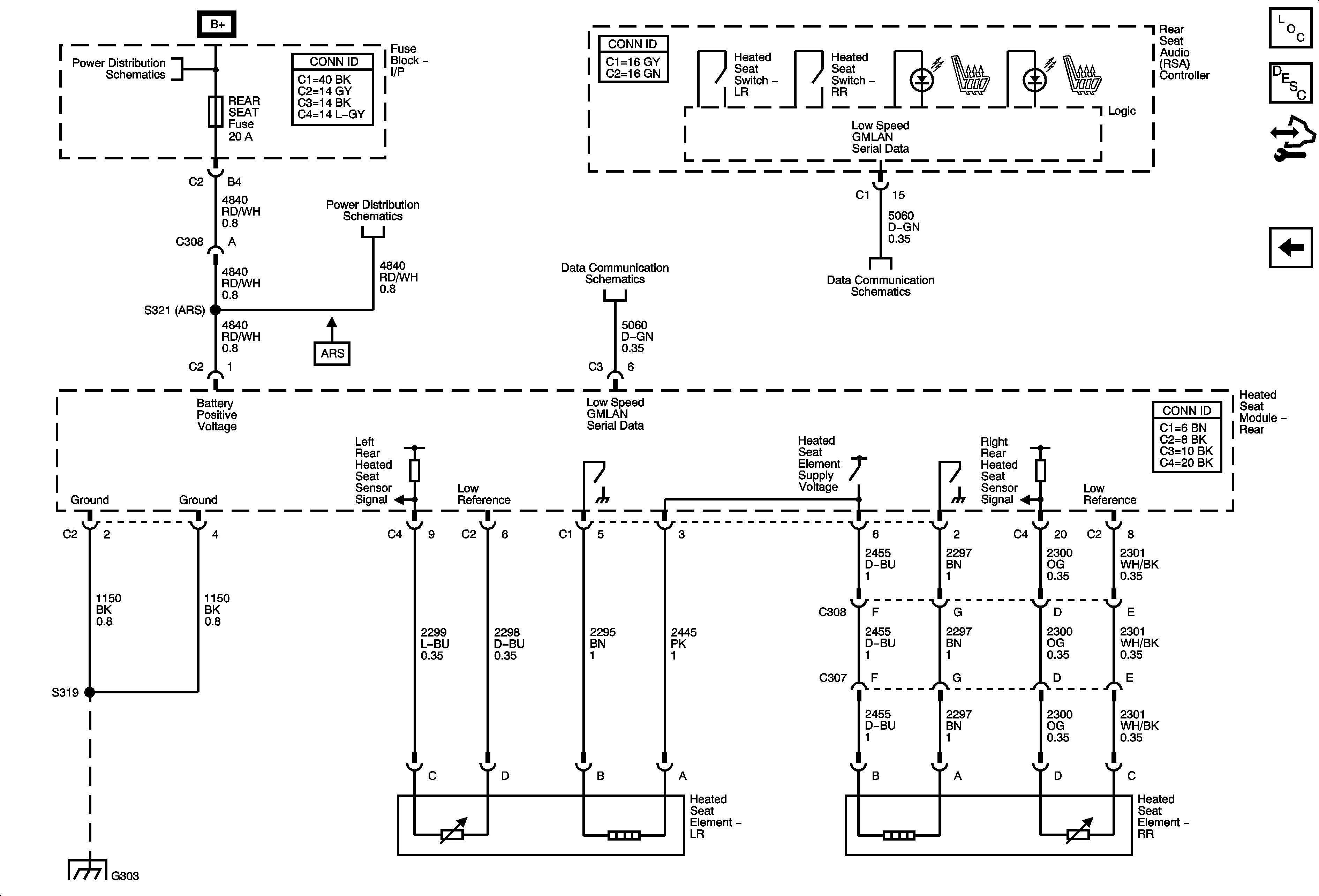
Figure 6:

Heated Seat- Rear- KA6


Object Number: 1775923  Size: FS
Master Electrical Component List
Heated/Cooled Seats Description and Operation
Control Module References
Heated/Cooled Seat - Passenger - KB6
IS LAMPS, LT STOP TRN, OBS DET, REAR SEAT, and STOP LAMPS Fuses and LT DR Circuit Breaker
IS LAMPS, LT STOP TRN, OBS DET, REAR SEAT, and STOP LAMPS Fuses and LT DR Circuit Breaker
Low Speed Bus - SP200 - 3 of 3 and SP300
Low Speed Bus - SP 200 - 2 of 3
G303, G304, and G305