GM Service Manual Online
For 1990-2009 cars only
Makes
🢒
Cadillac
🢒
2007
🢒
Escalade EXT
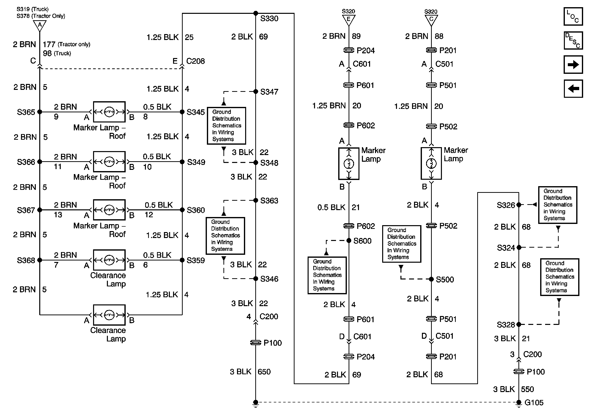
🢒 Lighting System Schematics - Marker Lamps
Lighting System Schematics - Marker Lamps
Clearance, Identification, and Marker Lamps
Master Electrical Component List
Exterior Lighting Systems Description and Operation
Lighting System Schematics - Outside Rearview Mirrors Lamps
Lighting System Schematics - Trailer STP LP RLY, Back UP SW, ABS RLY
Lighting System Schematics - Marker and Tail LP Rly,Multifunction SW
Lighting System Schematics - Marker and Tail LP Rly,Multifunction SW
Exterior Lamps Switch and Relays
Ground Distribution Schematics - S346, S347, S348 and S363
Ground Distribution Schematics - S346, S347, S348 and S363
Ground Distribution Schematics - S330, S345, S349, S359, S360 and S600
Ground Distribution Schematics - S324, S326 and S500
Ground Distribution Schematics - S324, S326 and S500
Ground Distribution Schematics - G105, S325 and S328