GM Service Manual Online
For 1990-2009 cars only
Makes
🢒
Cadillac
🢒
2007
🢒
Escalade EXT
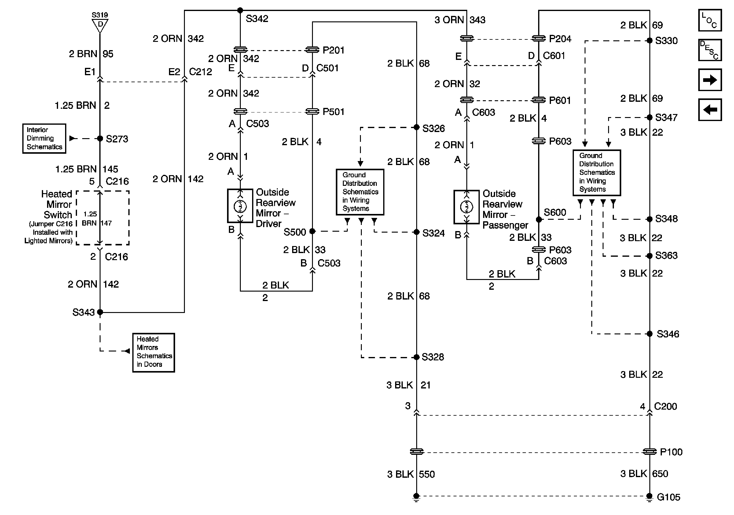
🢒 Lighting System Schematics - Outside Rearview Mirrors Lamps
Lighting System Schematics - Outside Rearview Mirrors Lamps
Lighted Mirrors
Master Electrical Component List
Exterior Lighting Systems Description and Operation
Lighting System Schematics - Tractor/Trailer Receptacle
Lighting System Schematics - Marker Lamps
Lighting System Schematics - Marker and Tail LP Rly,Multifunction SW
Lighting System Schematics - Instrument Panel Lighting
Doors System Schematics - Heated Outside Mirrors
Ground Distribution Schematics - S324, S326 and S500
Ground Distribution Schematics - S330, S345, S349, S359, S360 and S600