GM Service Manual Online
For 1990-2009 cars only
Makes
🢒
Chevrolet
🢒
2002
🢒
Chevy C Silverado - 2WD
🢒 Air Delivery/Temperature Controls (C60)
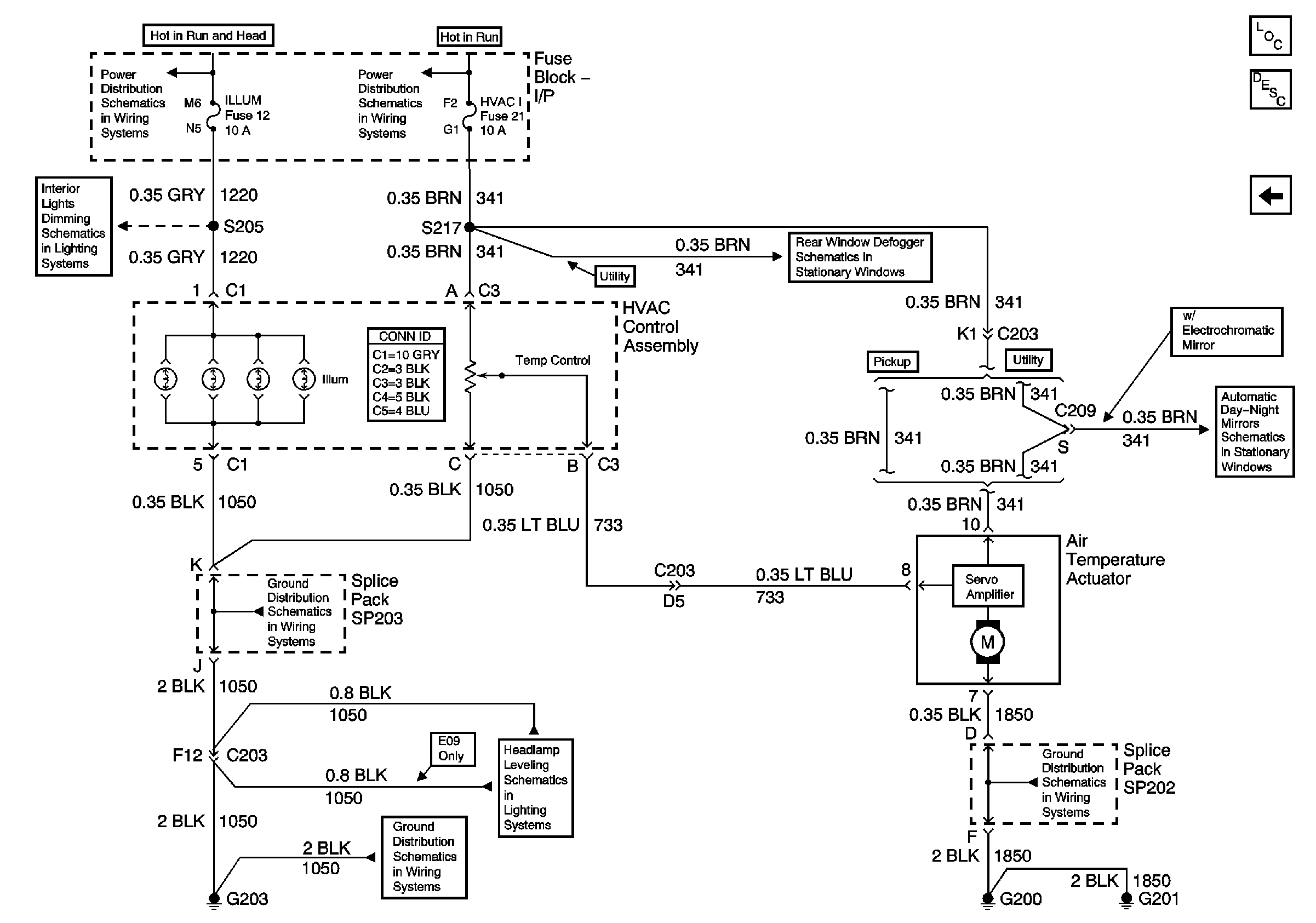
Air Delivery/Temperature Controls (C60)
Air Delivery/Temperature Controls (C60)
Master Electrical Component List
Air Delivery Description and Operation 2.2L and 4.3L
Air Delivery/Temperature Controls (C42)
ILLUM and PARK LP Fuses
Ign ACC, RUN and RAP Bus Bar
ILLUM Fuse 12
G203 and G204 (Pickup)
G203 and G204 (Pickup)
Headlight Leveling Schematics
Defogger Schematics
Inside Rearview Mirror Schematics
G200, G201 and G207 (Pickup and Crew Cab)