GM Service Manual Online
For 1990-2009 cars only
Makes
🢒
Chevrolet
🢒
2004
🢒
Chevy C Silverado - 2WD
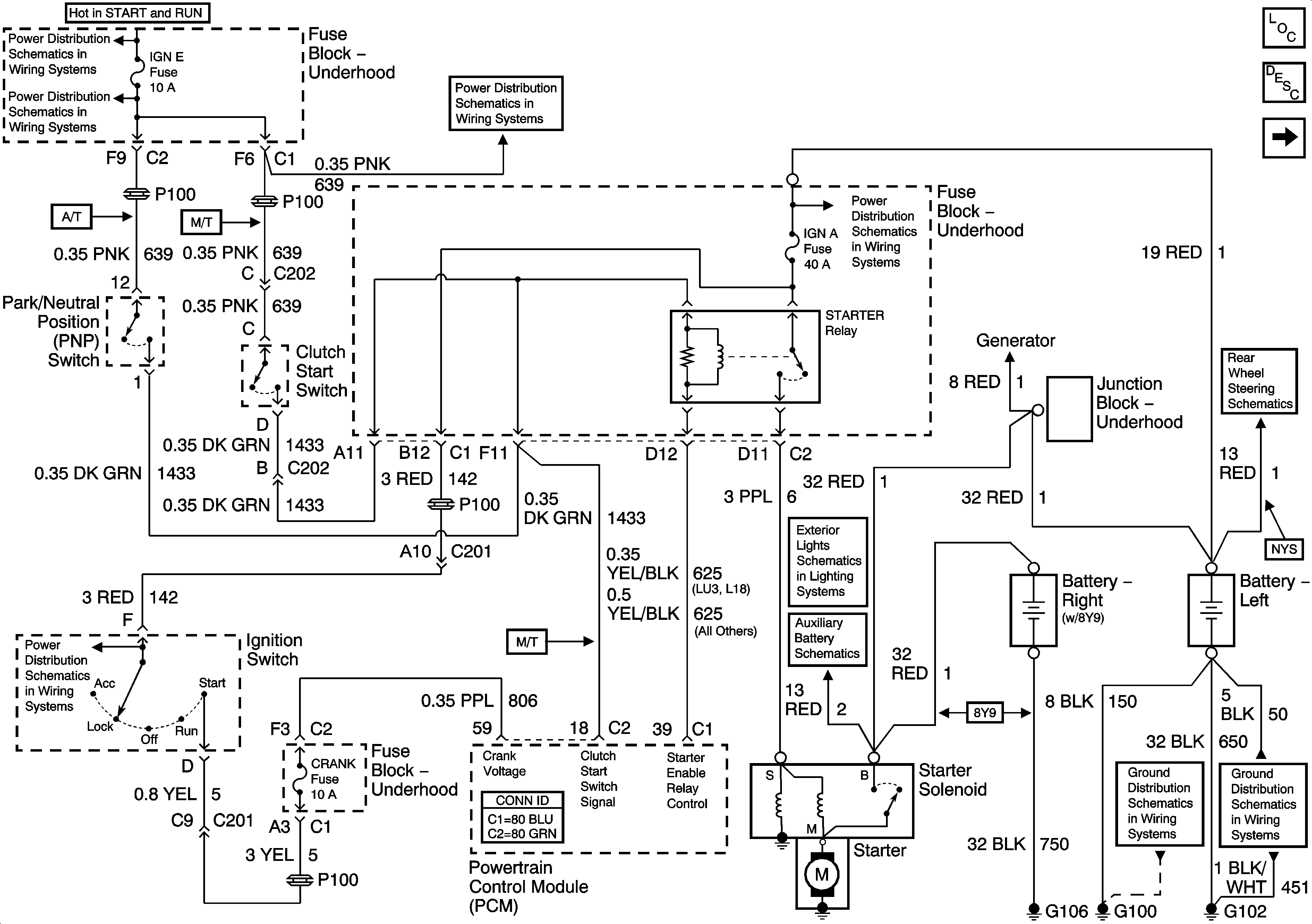
🢒 Starting - Gas
Starting - Gas
Starting - Gas
Master Electrical Component List
Starter/Generator Description and Operation
Starting - Diesel
Ignition Switch - ACC/RUN and RUN/START Bus Bars
IGN E Fuse
IGN E Fuse
Ignition Switch - START, RUN, and ACC/RUN/START Bus Bars
Ignition Switch - START, RUN, and ACC/RUN/START Bus Bars
B+ Bus Bar - 2 of 2
Charging - Gas
Power, Ground, Serial Data and Vehicle Speed
Roof Beacon
Auxiliary Battery Schematics
G100 and G101
G100 and G101