GM Service Manual Online
For 1990-2009 cars only
Figure 1:

Power, Ground, MIL, and DLC


Object Number: 1504712  Size: FS
Master Electrical Component List
Engine Control Module Description
Control Module References
Engine Data Sensors - 5-Volt Reference Bussing
Engine Controls Schematic Icons
FUEL FUMP Relay, POWERTRAIN Relay, FUEL PMP Fuse, EMISSION Fuse, INJECTORS Fuse, PCM/ECM Fuse
RUN/CRANK Relay, I/P IGN Fuse, PRK/NEUT Fuse, BACKUP Fuse, ABS Fuses, ECM TRANS Fuse, LIGHTER Fuse, CAN VENT Fuse, EPS Fuse, BCM2 and 3 Fuses, HEATED SEAT Fuse, S-BAND/ONSTAR Fuse, MIRROR Fuse
Ignition Switch, BCM2 Fuse, IGN SW Fuse, STOP LPS Fuse, AUDIO AMPLIFIER Fuse, CLUSTER Fuse, HVAC/PK3 Fuse
Ignition Switch, BCM2 Fuse, IGN SW Fuse, STOP LPS Fuse, AUDIO AMPLIFIER Fuse, CLUSTER Fuse, HVAC/PK3 Fuse
Ignition Switch, BCM2 Fuse, IGN SW Fuse, STOP LPS Fuse, AUDIO AMPLIFIER Fuse, CLUSTER Fuse, HVAC/PK3 Fuse
TCM Power, Ground, and PNP Switch
DLC High Speed, Serial Data, Class 2
G101 and G102
Figure 2:

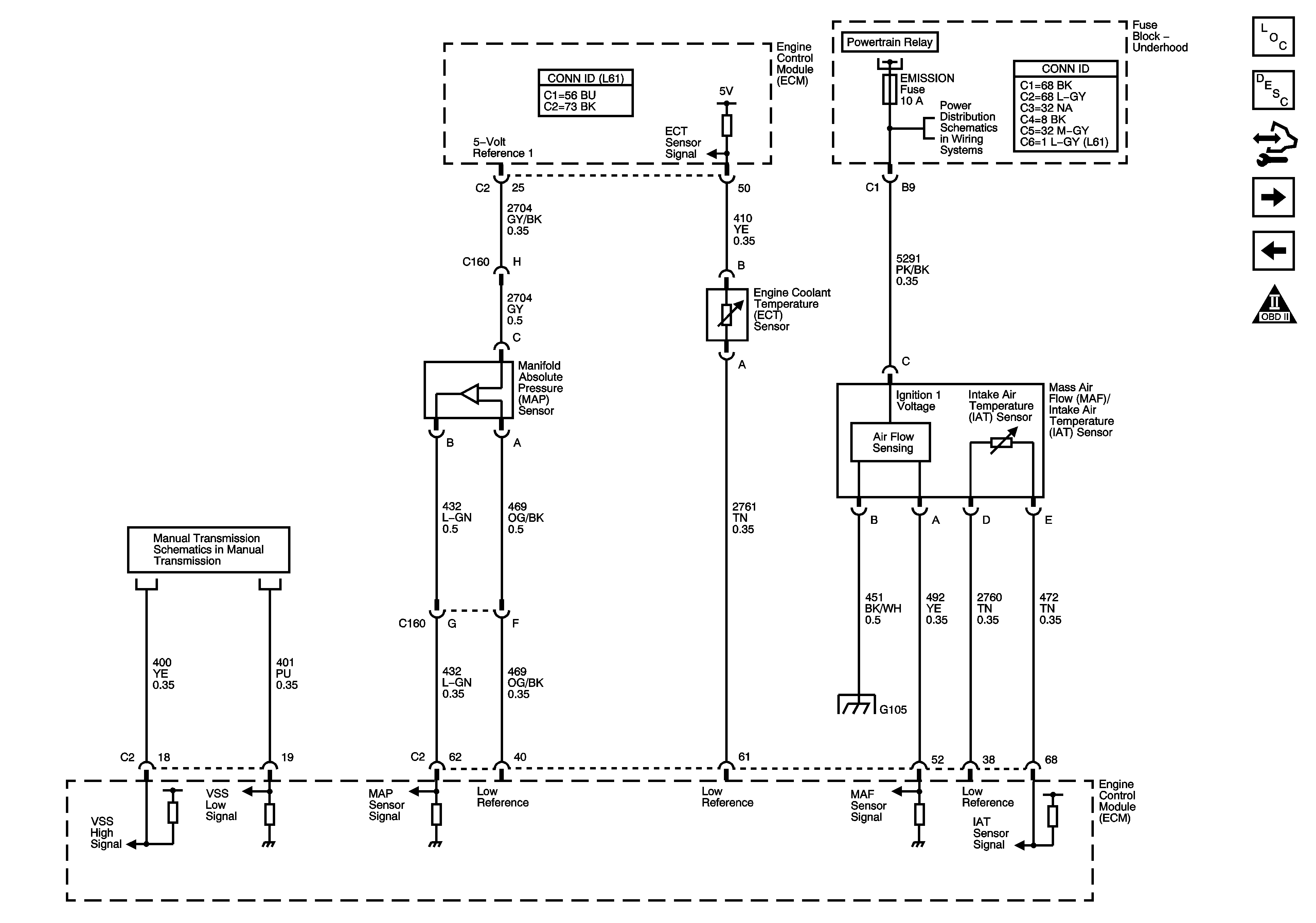
Engine Data Sensors - 5-Volt and Reference Bussing


Object Number: 1504713  Size: FS
Master Electrical Component List
Fuel System Description
Control Module References
Engine Data Sensors - Pressure, Temperature, and MAF/IAT
Power, Ground, MIL, and DLC
Engine Controls Schematic Icons
Figure 3:

Engine Data Sensors - Pressure, Temperature, and MAF/IAT


Object Number: 1504714  Size: FS
Master Electrical Component List
Engine Control Module Description
Control Module References
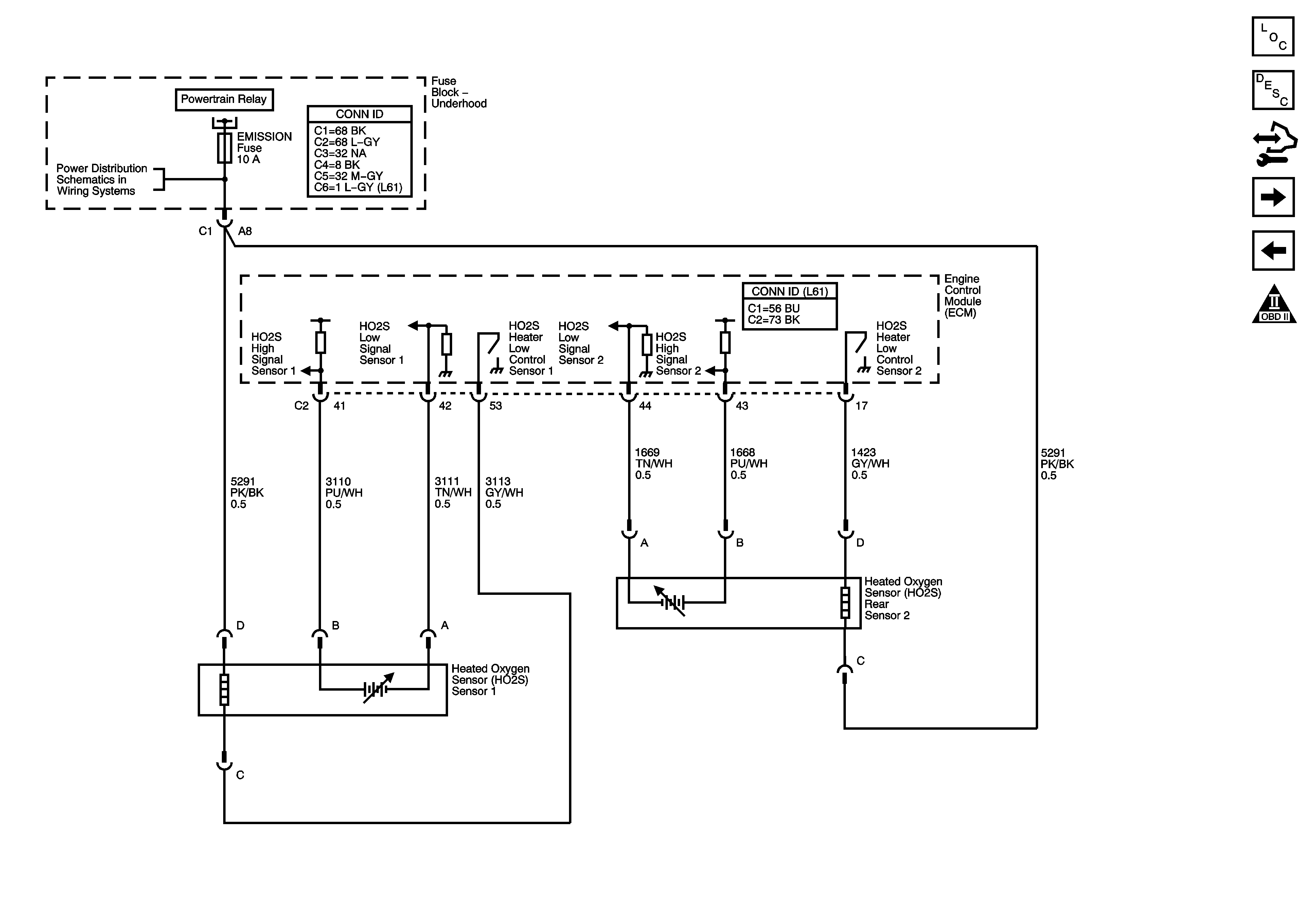
Engine Data Sensors - HO2S
Engine Data Sensors - 5-Volt Reference Bussing
Engine Controls Schematic Icons
FUEL FUMP Relay, POWERTRAIN Relay, FUEL PMP Fuse, EMISSION Fuse, INJECTORS Fuse, PCM/ECM Fuse
Ambient Air Temperature Sensor, EOP Sensor, Fuel Level Sensor, and Indicators
Figure 4:

Engine Data Sensors - HO2S


Object Number: 1504716  Size: FS
Master Electrical Component List
Engine Control Module Description
Control Module References
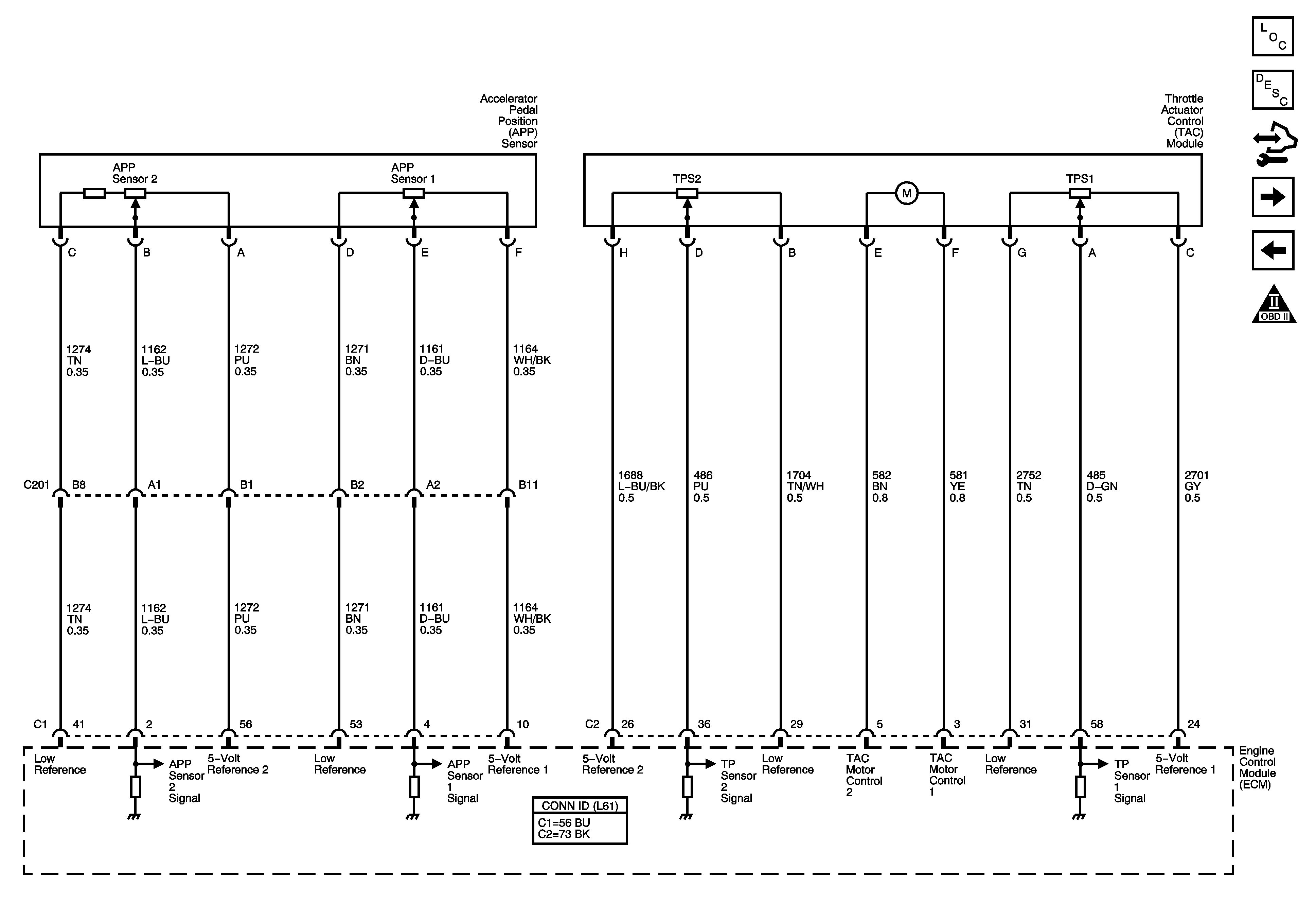
Engine Data Sensors - APP and TAC
Engine Data Sensors - Pressure, Temperature, and MAF/IAT
Engine Controls Schematic Icons
FUEL FUMP Relay, POWERTRAIN Relay, FUEL PMP Fuse, EMISSION Fuse, INJECTORS Fuse, PCM/ECM Fuse
Figure 5:

Engine Data Sensors - APP and TAC


Object Number: 1504717  Size: FS
Master Electrical Component List
Throttle Actuator Control (TAC) System Description
Control Module References
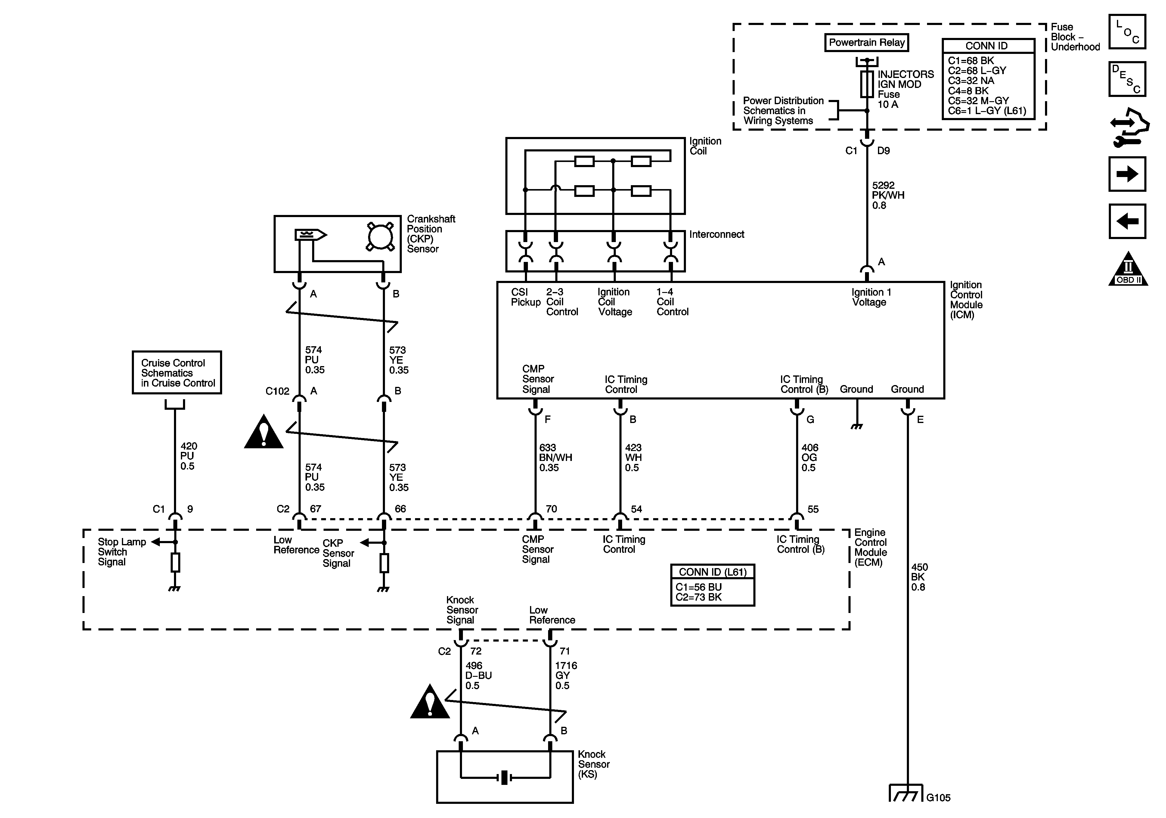
Ignition Controls
Engine Data Sensors - HO2S
Engine Controls Schematic Icons
Figure 6:

Ignition Controls


Object Number: 1504718  Size: FS
Master Electrical Component List
Engine Control Module Description
Control Module References
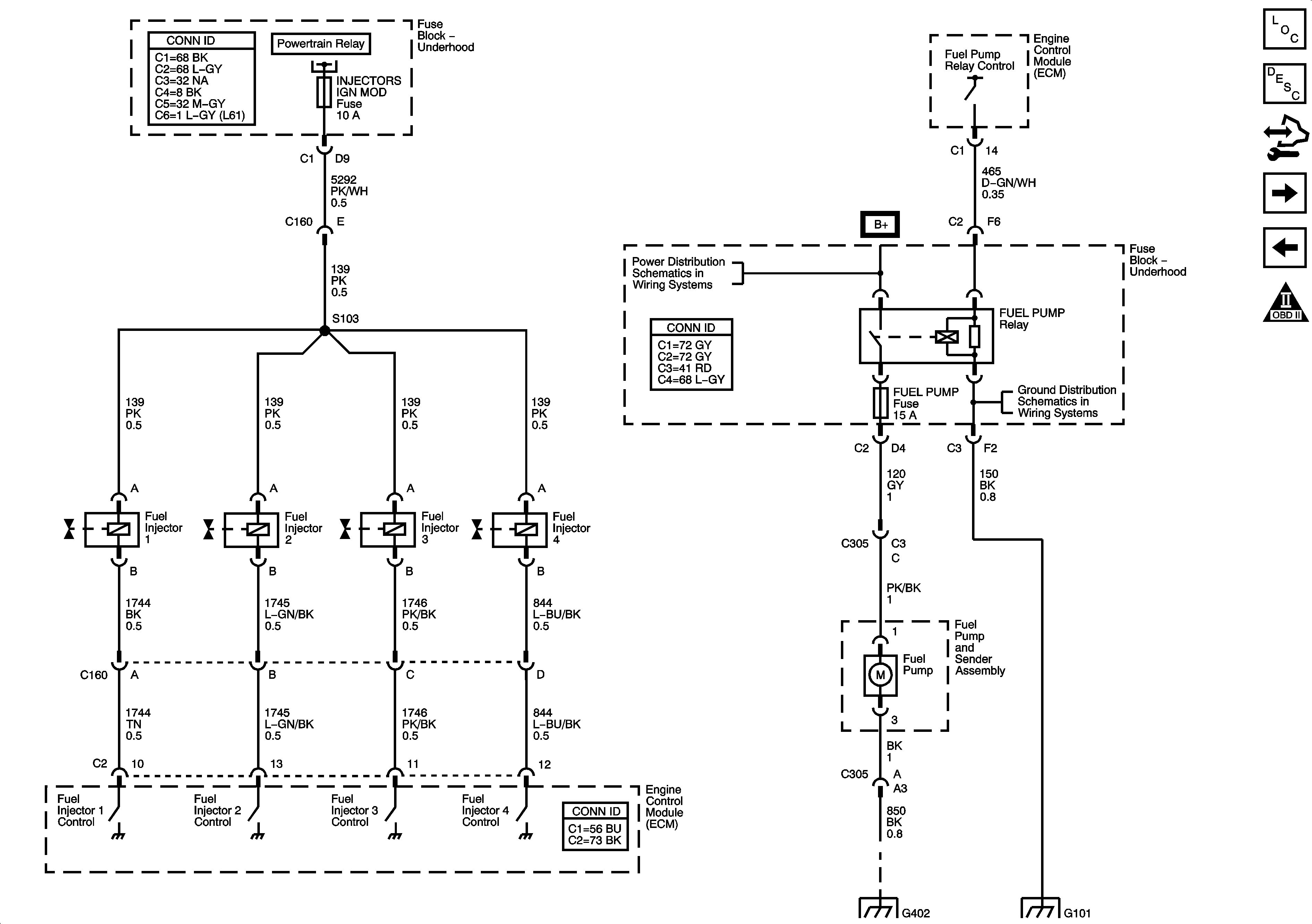
Fuel Controls
Engine Data Sensors - APP and TAC
Engine Controls Schematic Icons
FUEL FUMP Relay, POWERTRAIN Relay, FUEL PMP Fuse, EMISSION Fuse, INJECTORS Fuse, PCM/ECM Fuse
Clutch Pedal Position Switch and Stop Lamp Switch
Engine Controls Schematic Icons
Engine Controls Schematic Icons
G103 and G105
Figure 7:

Fuel Controls


Object Number: 1504721  Size: FS
Master Electrical Component List
Fuel System Description
Control Module References
EVAP Controls
Ignition Controls
Engine Controls Schematic Icons
FUEL FUMP Relay, POWERTRAIN Relay, FUEL PMP Fuse, EMISSION Fuse, INJECTORS Fuse, PCM/ECM Fuse
G402 and G403
G402 and G403
Figure 8:

EVAP Controls


Object Number: 1504722  Size: FS
Master Electrical Component List
Evaporative Emission Control System Description
Control Module References
Controlled/Monitored Subsystem References
Fuel Controls
Engine Controls Schematic Icons
RDO Fuse, DR LCK Fuse, INT LIGHTS Fuse, PWR WNDW Fuse, S ROOF Fuse, ECM/TCM Fuse, SDM Fuse, RAP Relay, INTERIOR LAMPS PCB Relay, Door Lock PCB Relays
FUEL FUMP Relay, POWERTRAIN Relay, FUEL PMP Fuse, EMISSION Fuse, INJECTORS Fuse, PCM/ECM Fuse
Figure 9:

Controlled/Monitored Subsystem References


Object Number: 1504723  Size: FS
Master Electrical Component List
Engine Control Module Description
Control Module References
EVAP Controls
Engine Controls Schematic Icons
Ambient Air Temperature Sensor, EOP Sensor, Fuel Level Sensor, and Indicators
Manual Transmission (LSJ)
Clutch Pedal Position Switch and Stop Lamp Switch
Cooling Fan and Indicator - 2.2L
Compressor Controls
Charging
Starting
Manual Transmission (LSJ)