GM Service Manual Online
For 1990-2009 cars only
Makes
🢒
Chevrolet
🢒
2002
🢒
Express
🢒
Brakes
🢒
Antilock Brake System
🢒 Engine Controls Schematics
Figure
1:
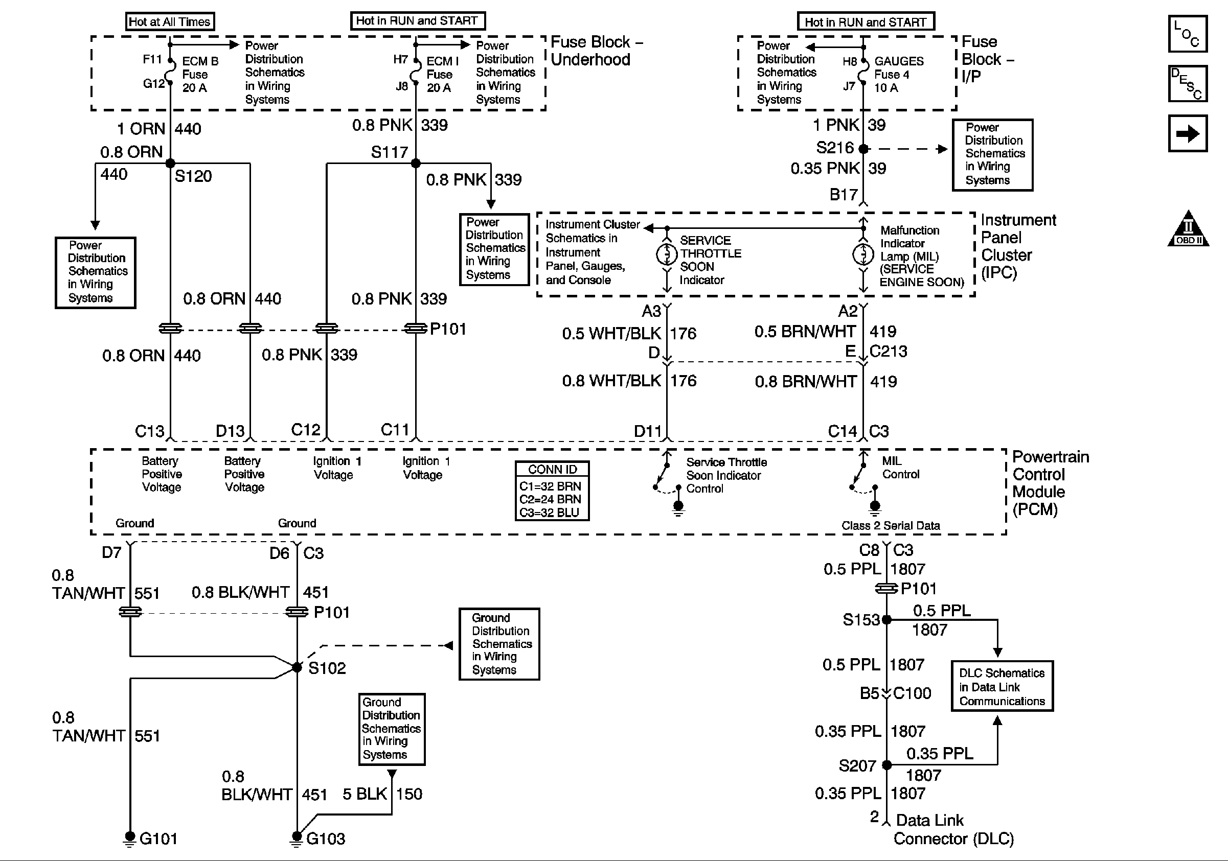
Module Power, Ground, Serial Data and MIL
Master Electrical Component List
Powertrain Control Module Description
Engine Data Sensors: Wastegate Controls, Boost Pressure Sensor, IAT, ECT
OBD II Symbol Description Notice
Battery, Auxiliary Battery, and Underhood Fuse/Relay Center
Ignition A, Ignition B Fuses, and Ignition Switch
Ignition A, Ignition B Fuses, and Ignition Switch
ECM B, Horn, and A/C Fuses
ECM 1 and Ignition E Fuses (6.5L)
Indicators 1 of 2 - Diesel
Gages Fuse
G103 - 6.5L Diesel Engine
G101 - Diesel Engine
Data Link Connector (DLC)
Figure
2:
Engine Data Sensors: Wastegate Controls, Boost Pressure Sensor, IAT, ECT
Master Electrical Component List
Powertrain Control Module Description
Engine Data Sensors: Accelerator Pedal Position Sensor
Module Power, Ground, Serial Data and MIL
OBD II Symbol Description Notice
Ignition A, Ignition B Fuses, and Ignition Switch
ECM 1 and Ignition E Fuses (6.5L)
Engine Data Sensors: CMP, CKP and ITS Motor
Sensor, Solenoid and GND Controls
Figure
3:
Engine Data Sensors: Accelerator Pedal Position Sensor
Master Electrical Component List
Powertrain Control Module Description
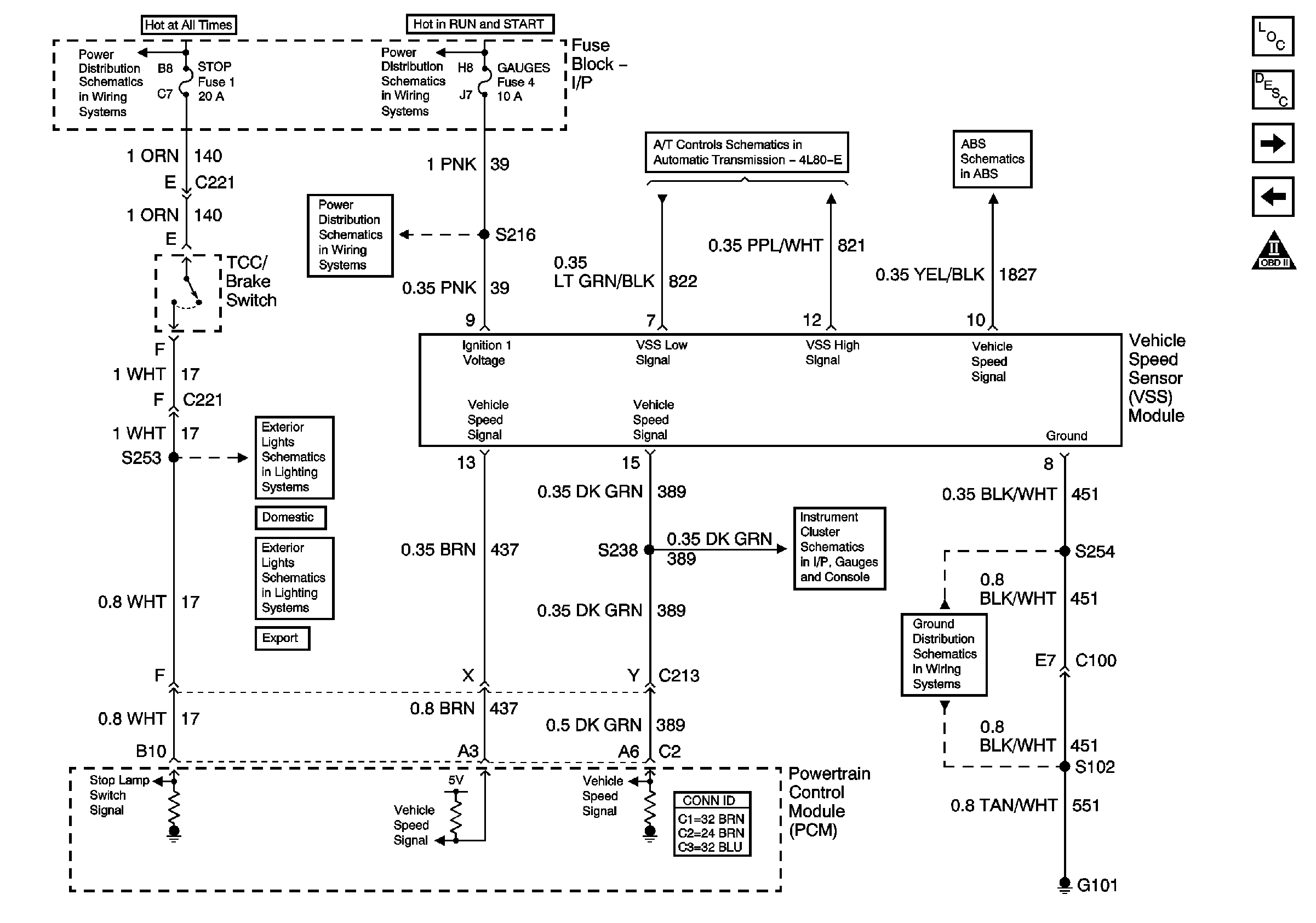
Engine Data Sensors: VSS Controls
Engine Data Sensors: Wastegate Controls, Boost Pressure Sensor, IAT, ECT
OBD II Symbol Description Notice
Figure
4:
Engine Data Sensors: VSS Controls
Master Electrical Component List
Powertrain Control Module Description
Engine Data Sensors: CMP, CKP and ITS Motor
Engine Data Sensors: Accelerator Pedal Position Sensor
OBD II Symbol Description Notice
Lighting and Battery Fuses
Ignition A, Ignition B Fuses, and Ignition Switch
Gages Fuse
VSS and Sensor Controls
Wheel Speed Sensors, VSS and Brake Pressure Switch
PARK LPS, TURN B/U, HAZARD and STOP Fuses
PARK LPS, TURN B/U, HAZARD and STOP Fuses
Gages
G101 - Diesel Engine
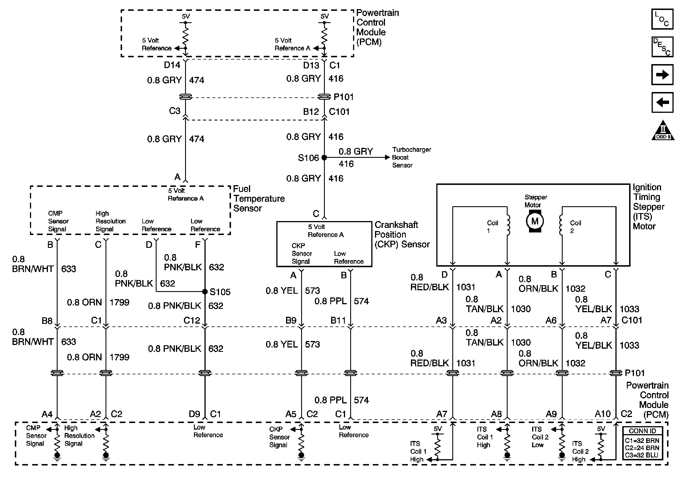
Figure
5:
Engine Data Sensors: CMP, CKP and ITS Motor
Master Electrical Component List
Powertrain Control Module Description
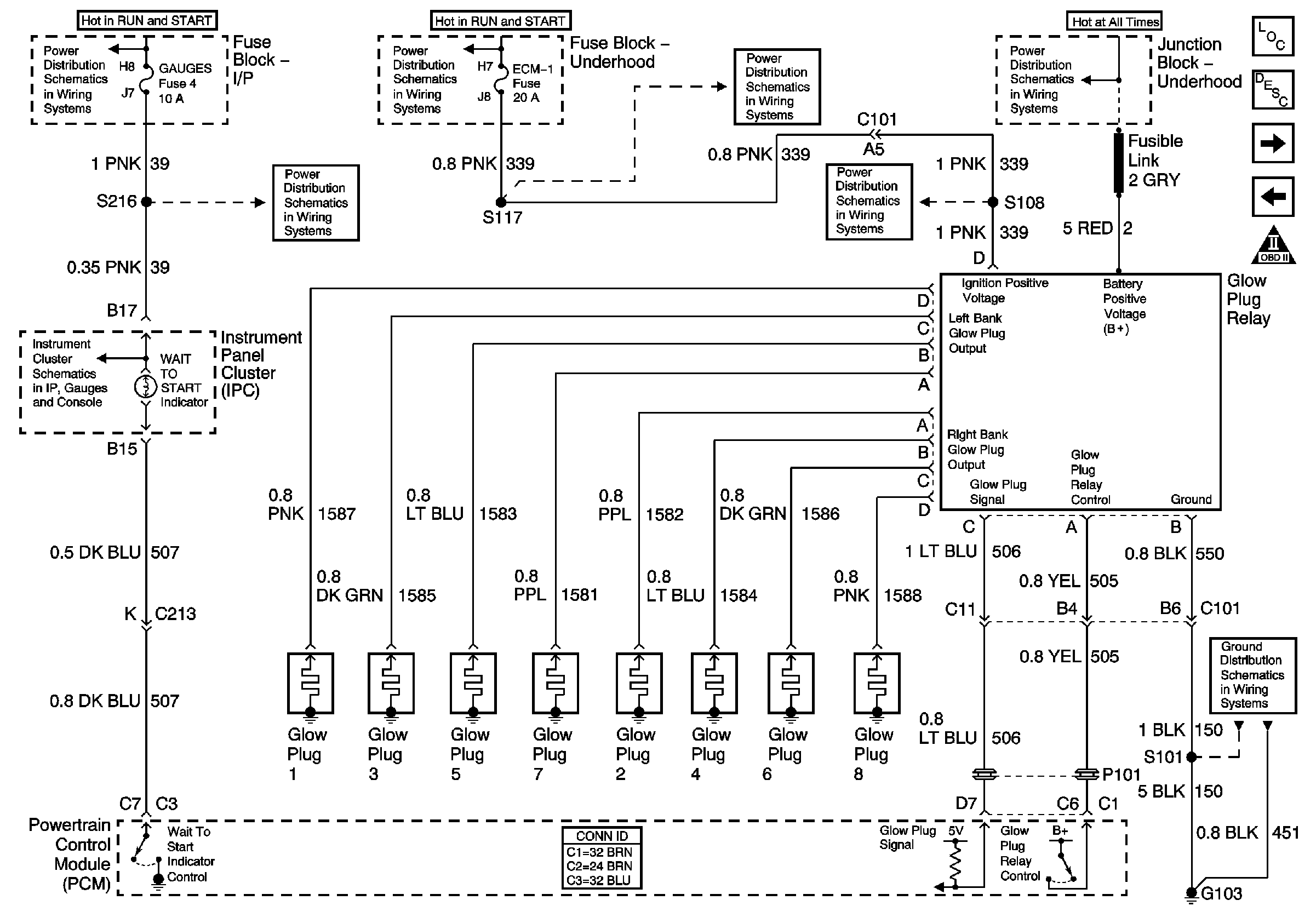
Engine Data Sensors: Glow Plug Controls-Federal Emissions
Engine Data Sensors: VSS Controls
OBD II Symbol Description Notice
Engine Data Sensors: Wastegate Controls, Boost Pressure Sensor, IAT, ECT
Figure
6:
Engine Data Sensors: Glow Plug Controls--Federal Emissions
Master Electrical Component List
Powertrain Control Module Description
Engine Data Sensors: Glow Plug Controls-California Emissions
Engine Data Sensors: CMP, CKP and ITS Motor
OBD II Symbol Description Notice
Ignition A, Ignition B Fuses, and Ignition Switch
Ignition A, Ignition B Fuses, and Ignition Switch
ECM 1 and Ignition E Fuses (6.5L)
Battery, Auxiliary Battery, and Underhood Fuse/Relay Center
Gages Fuse
ECM 1 and Ignition E Fuses (6.5L)
Indicators 1 of 2 - Diesel
G103 - 6.5L Diesel Engine
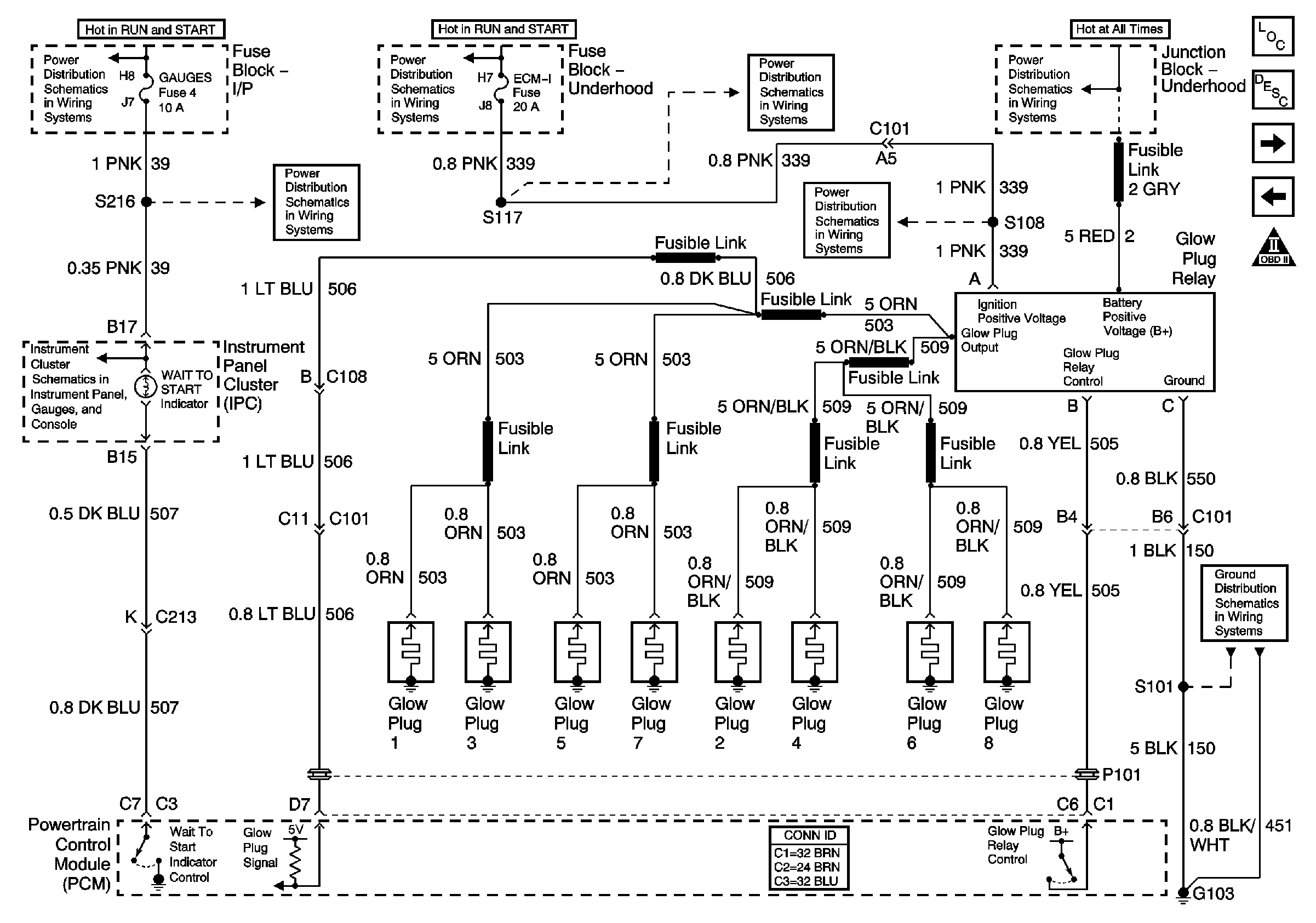
Figure
7:
Engine Data Sensors: Glow Plug Controls--California Emissions
Master Electrical Component List
Powertrain Control Module Description
Fuel Controls: Fuel Pump Controls
Engine Data Sensors: Glow Plug Controls-Federal Emissions
OBD II Symbol Description Notice
Ignition A, Ignition B Fuses, and Ignition Switch
Ignition A, Ignition B Fuses, and Ignition Switch
ECM 1 and Ignition E Fuses (6.5L)
Battery, Auxiliary Battery, and Underhood Fuse/Relay Center
Gages Fuse
ECM 1 and Ignition E Fuses (6.5L)
Indicators 1 of 2 - Diesel
G103 - 6.5L Diesel Engine
Figure
8:
Fuel Controls: Fuel Pump Controls
Master Electrical Component List
Powertrain Control Module Description
Fuel Controls: Fuel Solenoid, Water in Fuel and Temperature Sensors
Engine Data Sensors: Glow Plug Controls-California Emissions
OBD II Symbol Description Notice
Battery, Auxiliary Battery, and Underhood Fuse/Relay Center
ECM B, Horn, and A/C Fuses
G101 - Diesel Engine
G103 - 6.5L Diesel Engine
Figure
9:
Fuel Controls: Fuel Solenoid, Water in Fuel and Temperature Sensors
Master Electrical Component List
Powertrain Control Module Description
Controlled/Monitored Subsystem References
Fuel Controls: Fuel Pump Controls
OBD II Symbol Description Notice
Ignition A, Ignition B Fuses, and Ignition Switch
Ignition A, Ignition B Fuses, and Ignition Switch
Indicators 1 of 2 - Diesel
Gages Fuse
G103 - 6.5L Diesel Engine
Figure
10:
Controlled/Monitored Subsystem References
Master Electrical Component List
Powertrain Control Module Description
Transmission Controls
Fuel Controls: Fuel Solenoid, Water in Fuel and Temperature Sensors
OBD II Symbol Description Notice
6.5L Diesel Engine
(A/C Fuses; ECM-B, IGN-E, Compressor Clutch, G101, G103 (6.5L Diesel)
(A/C Fuses; ECM-B, IGN-E, Compressor Clutch, G101, G103 (6.5L Diesel)
Figure
11:
Transmission Controls
Master Electrical Component List
Powertrain Control Module Description
Controlled/Monitored Subsystem References
OBD II Symbol Description Notice
PWR, Solenoids and TCC/Brake Switch Controls
Sensor, Solenoid and GND Controls