GM Service Manual Online
For 1990-2009 cars only
Makes
🢒
Chevrolet
🢒
2002
🢒
Venture Ext.
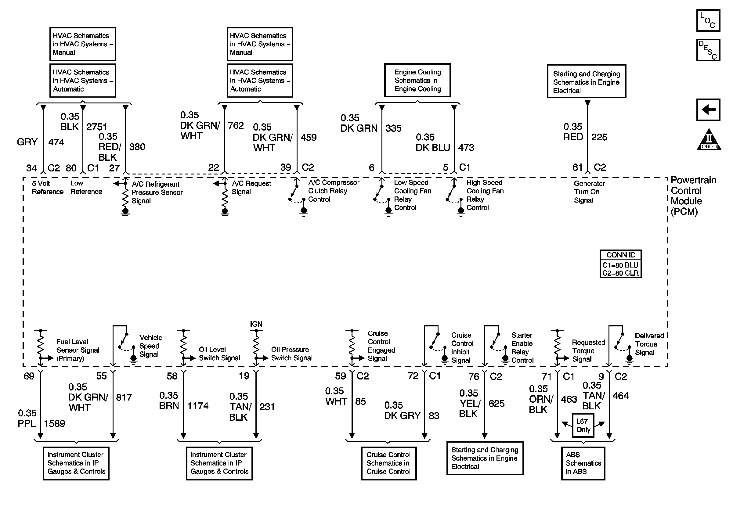
🢒 PCM References (2 of 2)
PCM References (2 of 2)
PCM References (2 of 2)
Master Electrical Component List
Powertrain Control Module Description
PCM References (1 of 2)
Engine Controls Schematic Icons
Compressor Controls
Compressor Controls
Compressor Controls
Compressor Controls
Cooling Fans
Charging
Gauges
Low Oil Pressure and Low Oil Indicators
Cruse Control
Starting
Stoplamp and Torque Signals