GM Service Manual Online
For 1990-2009 cars only
Makes
🢒
HUMMER
🢒
2007
🢒
H3
🢒
Diagnostic Navigation
🢒
Vehicle Diagnostic Information
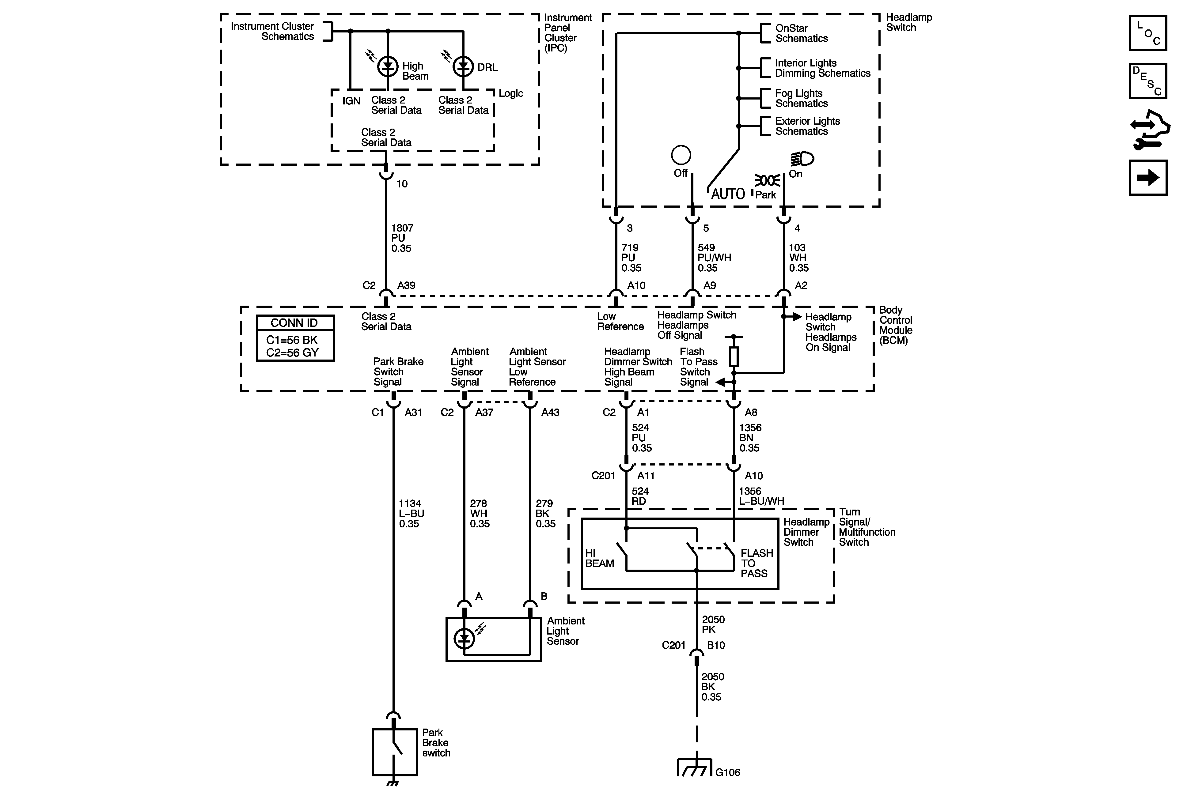
🢒 Headlights/Daytime Running Lights (DRL) Schematics
Figure
1:
Ambient Light Sensor, Headlamp Controls and Switches
Master Electrical Component List
Exterior Lighting Systems Description and Operation
Control Module References
Headlamps
Indicators
OnStar Schematics
Interior Lights Dimming Schematics
Fog Lights Schematics
Hazard Switch, Park Lamp Control, and Turn Signal/Stop Lamp Inputs
G106
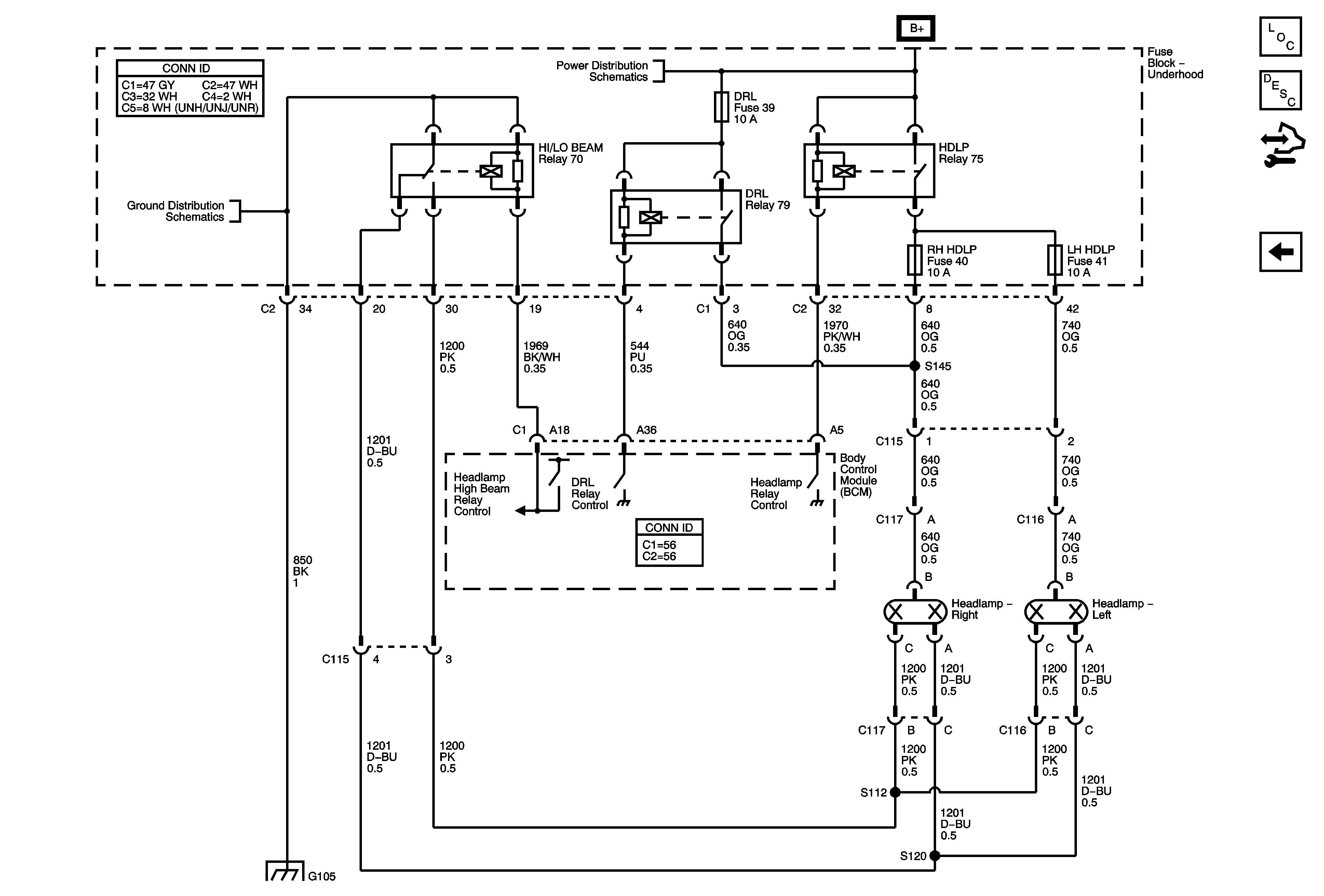
Figure
2:
Headlamps
Master Electrical Component List
Exterior Lighting Systems Description and Operation
Control Module References
Ambient Light Sensor, Headlamp Controls and Switches
B+ Bus - Underhood Fuse Block - 2 of 2
G105
G105
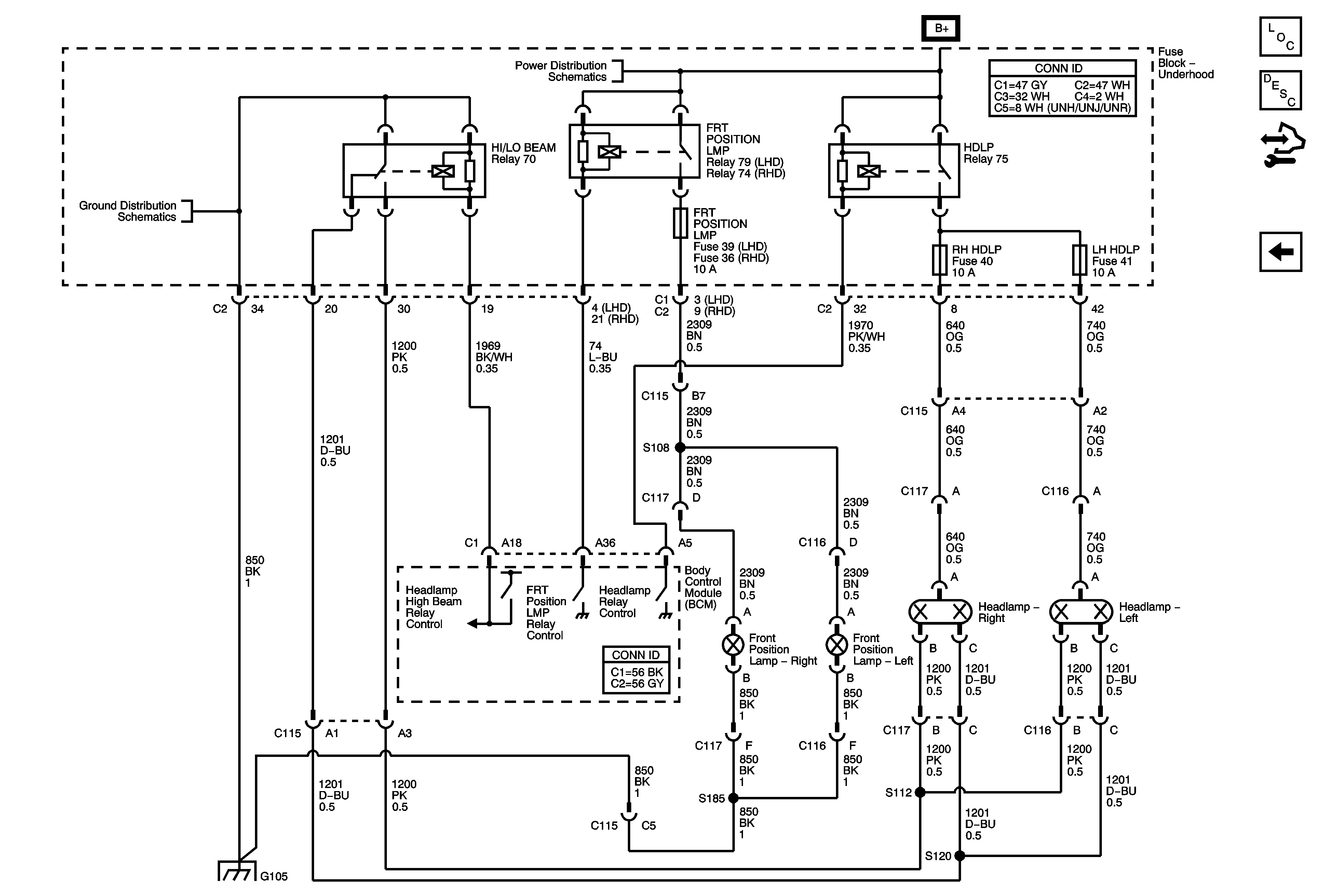
Figure
3:
Headlamps/Front Position Lamps
Master Electrical Component List
Exterior Lighting Systems Description and Operation
Control Module References
Headlamps
B+ Bus - Underhood Fuse Block - 1 of 2
G105
G105 - Export