| Figure 1: |
Hazard Switch, Park Lamp Control, and Turn Signal/Stop Lamp Inputs
|
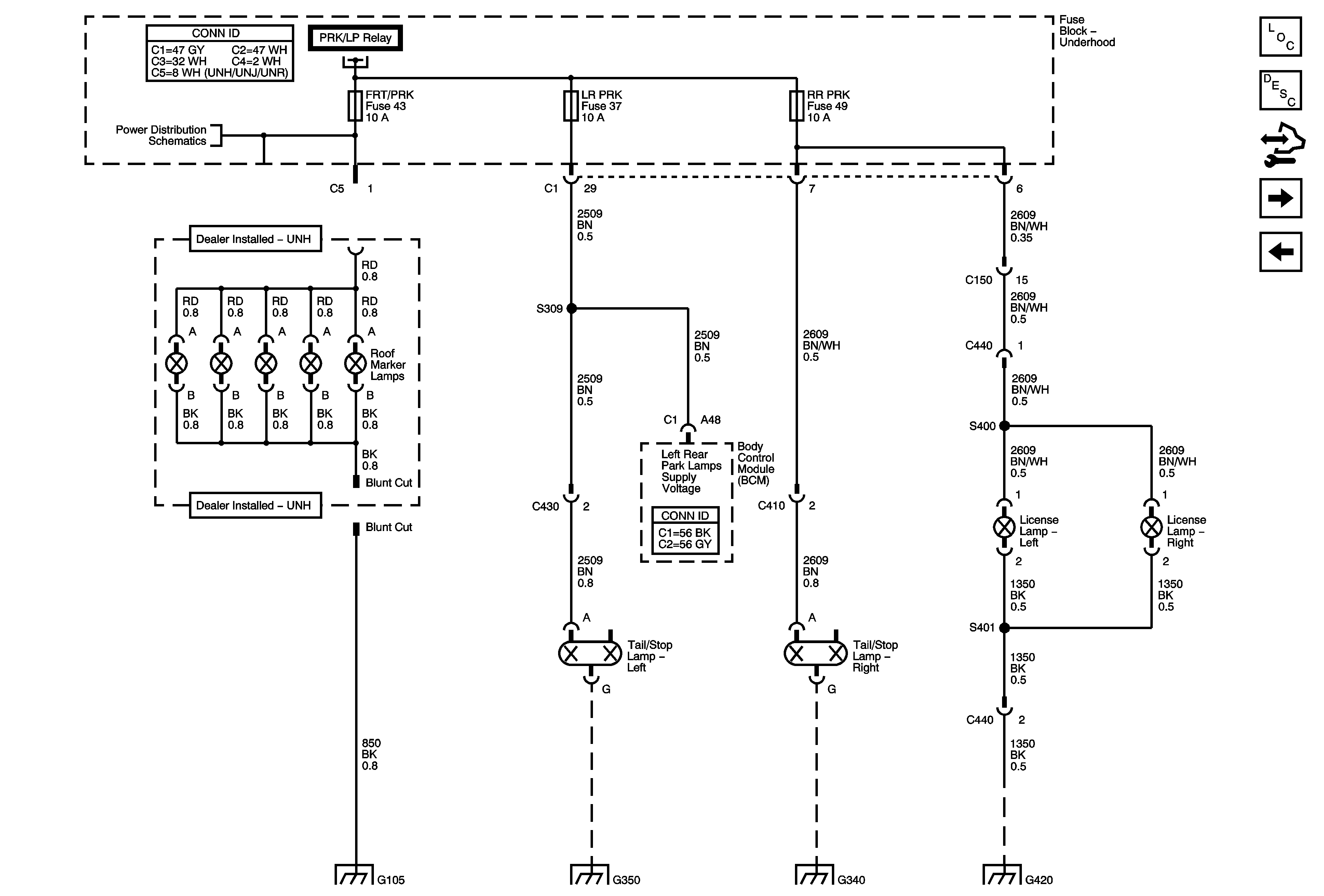
| Figure 2: |
Roof Marker Lamps (UNH), License Lamp and Park Lamps
|
| Figure 3: |
Roof Marker Lamps (UNH), License Lamps and Park Lamps - Export
|
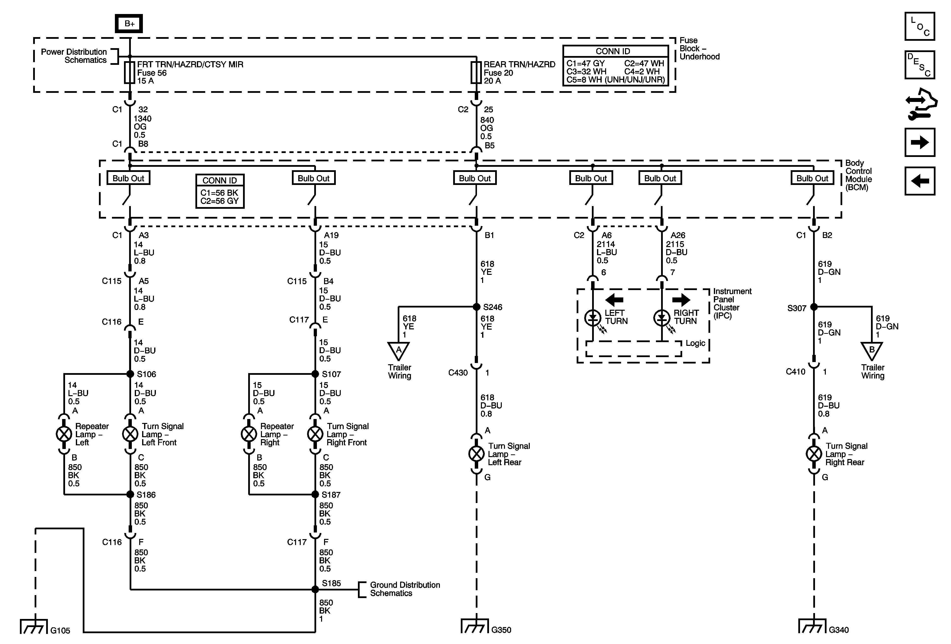
| Figure 4: |
Turn Signal/Stop Lamps
|
| Figure 5: |
Turn Signal/Hazard Lamps - Export
|
| Figure 6: |
Center High Mount Stop Lamps (CHMSL) and Stop Lamp Switch
|
| Figure 7: |
Grille Mounted Off Road Lamps - UNR
|
| Figure 8: |
Roof Mounted Off Road Lamps - UNJ
|
| Figure 9: |
Backup Lamps
|
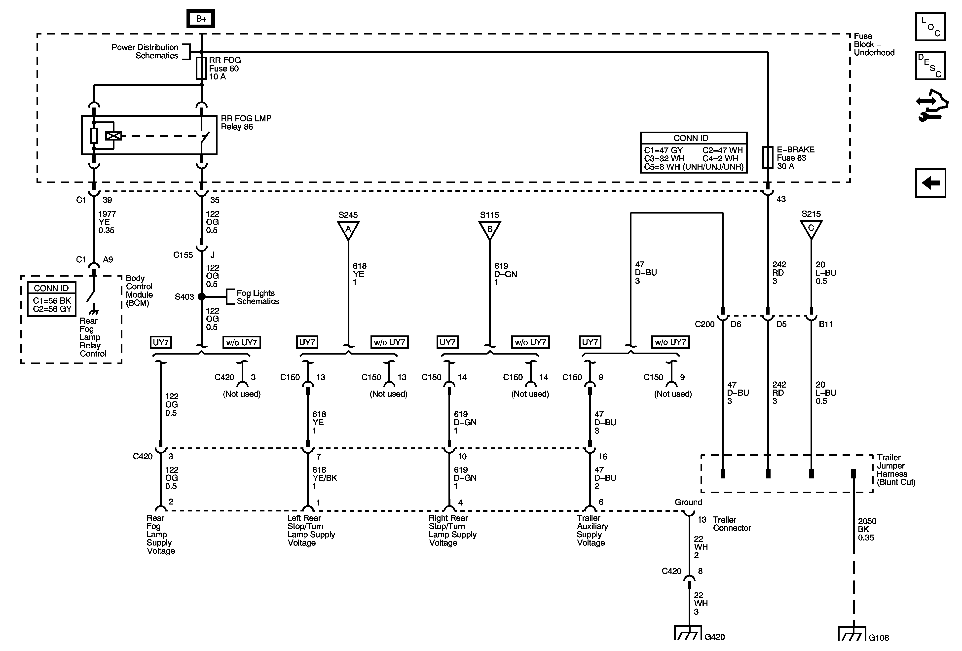
| Figure 10: |
Trailer Wiring
|
| Figure 11: |
Trailer Wiring - Export 1 of 2
|
| Figure 12: |
Trailer Wiring - Export 2 of 2
|