GM Service Manual Online
For 1990-2009 cars only
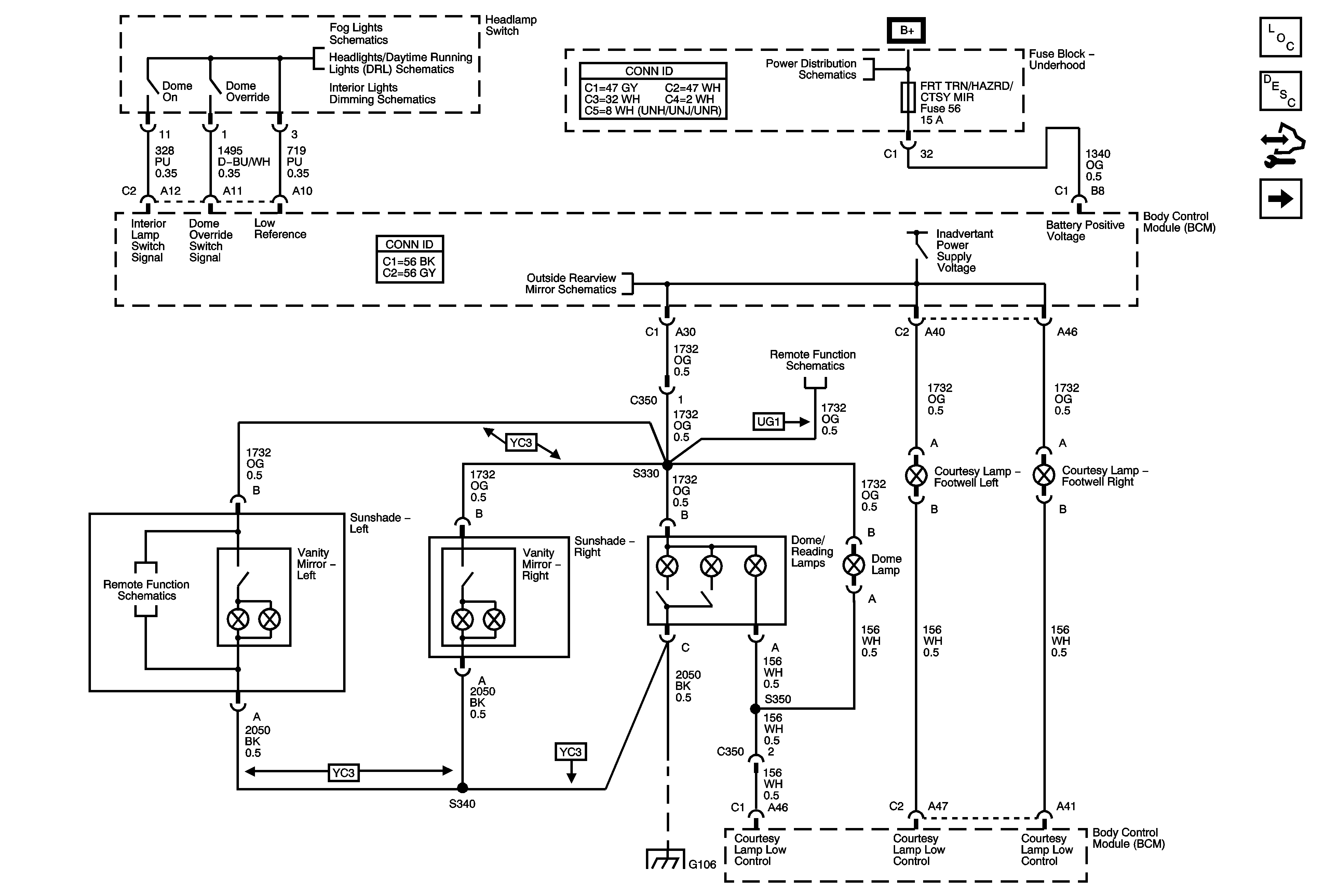
Figure 1:

Dome Lamp, Footwell Courtesy Lamps, and Vanity Mirror Lamps


Object Number: 1778385  Size: FS
Master Electrical Component List
Interior Lighting Systems Description and Operation
Control Module References
Door Lock and Window Switches
Fog Lights Schematics
Ambient Light Sensor, Headlamp Controls and Switches
Interior Lights Dimming Schematics
B+ Bus - Underhood Fuse Block - 1 of 2
Outside Rearview Mirror Schematics
Garage Door Opener Schematic
Garage Door Opener Schematic
Hazard Switch, Park Lamp Control, and Turn Signal/Stop Lamp Inputs
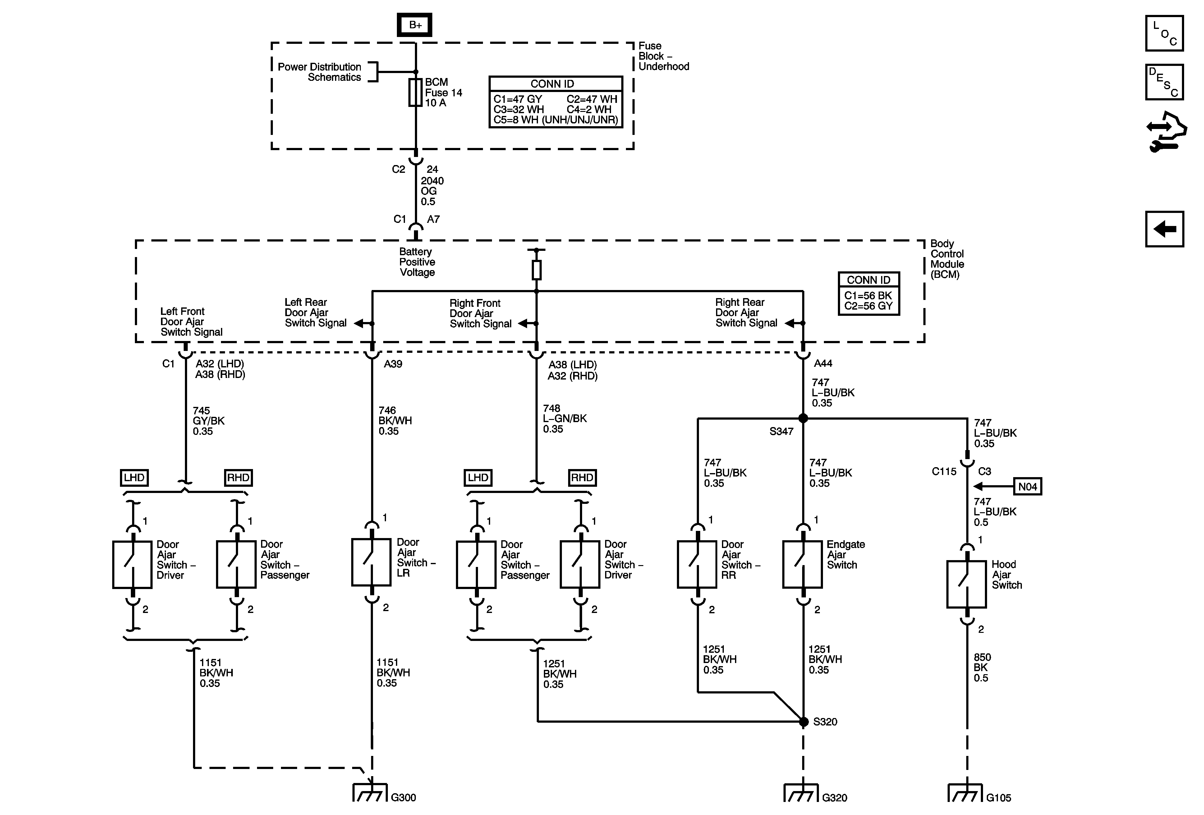
Figure 2:

Door Lock and Window Switches


Object Number: 1778387  Size: FS
Master Electrical Component List
Interior Lighting Systems Description and Operation
Control Module References
Door Jamb Switches
Dome Lamp, Footwell Courtesy Lamps, and Vanity Mirror Lamps
B+ Bus - Underhood Fuse Block - 2 of 2
FRT/PRK, LR PRK, RR PRK, and TRLR Fuses
G350
Power Door Locks
Driver Door
Rear Doors
Power Door Locks
Front Passenger Door
Rear Doors
G350
G340 and G345
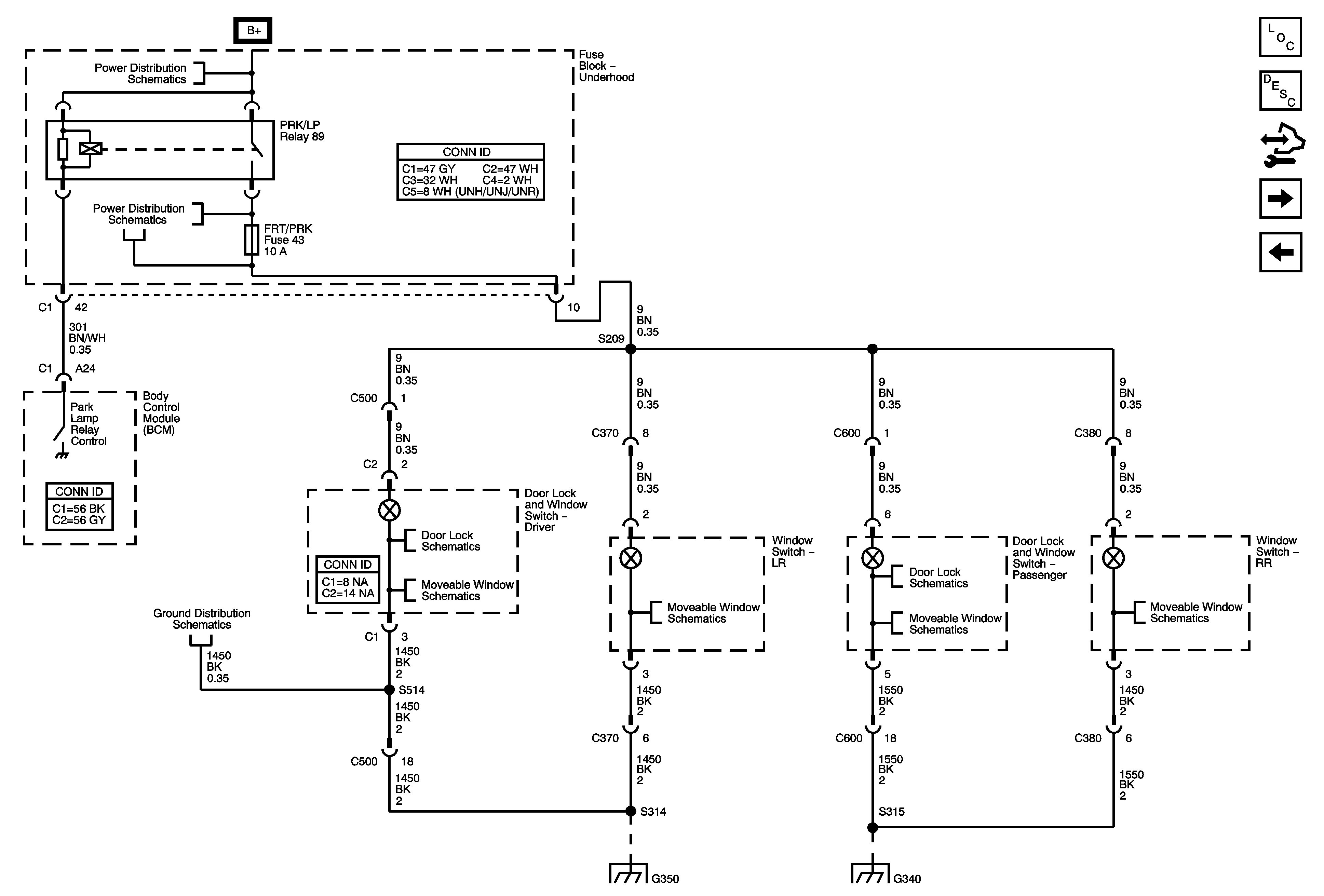
Figure 3:

Door Lock and Window Switches - RHD


Object Number: 1891465  Size: FS
Master Electrical Component List
Interior Lighting Systems Description and Operation
Control Module References
Door Jamb Switches
Door Lock and Window Switches
B+ Bus - Underhood Fuse Block - 2 of 2
FRT/PRK, LR PRK, RR PRK, and TRLR Fuses
Power Door Locks - RHD
Driver Door - RHD
Rear Doors
Power Door Locks - RHD
Front Passenger Door - RHD
Rear Doors
G340 and G345
G340 and G345
G350
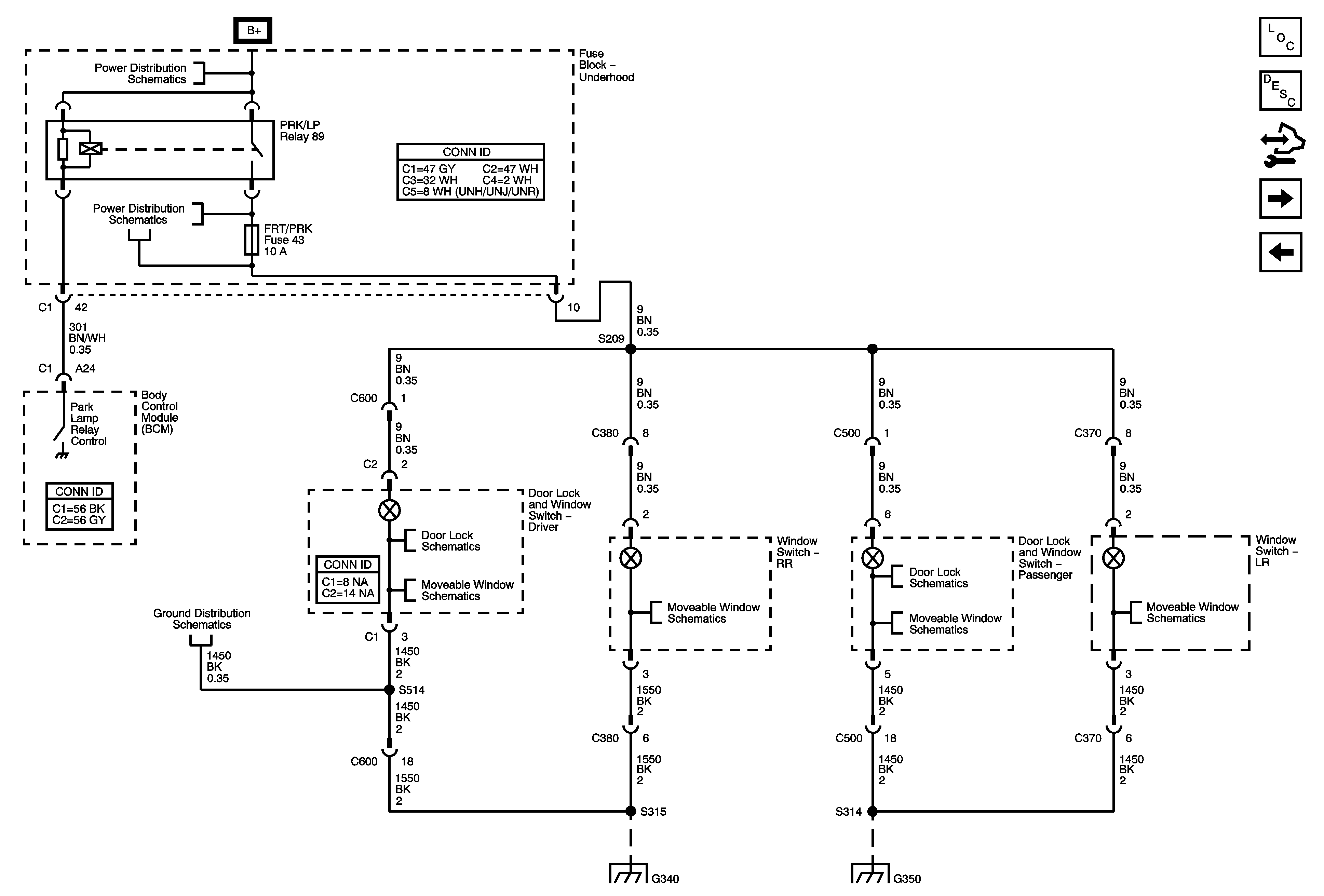
Figure 4:

Door Jamb Switches


Object Number: 1778397  Size: FS
Master Electrical Component List
Interior Lighting Systems Description and Operation
Control Module References
Door Lock and Window Switches
B+ Bus - Underhood Fuse Block - 1 of 2
G300, G310, and G320
G300, G310, and G320