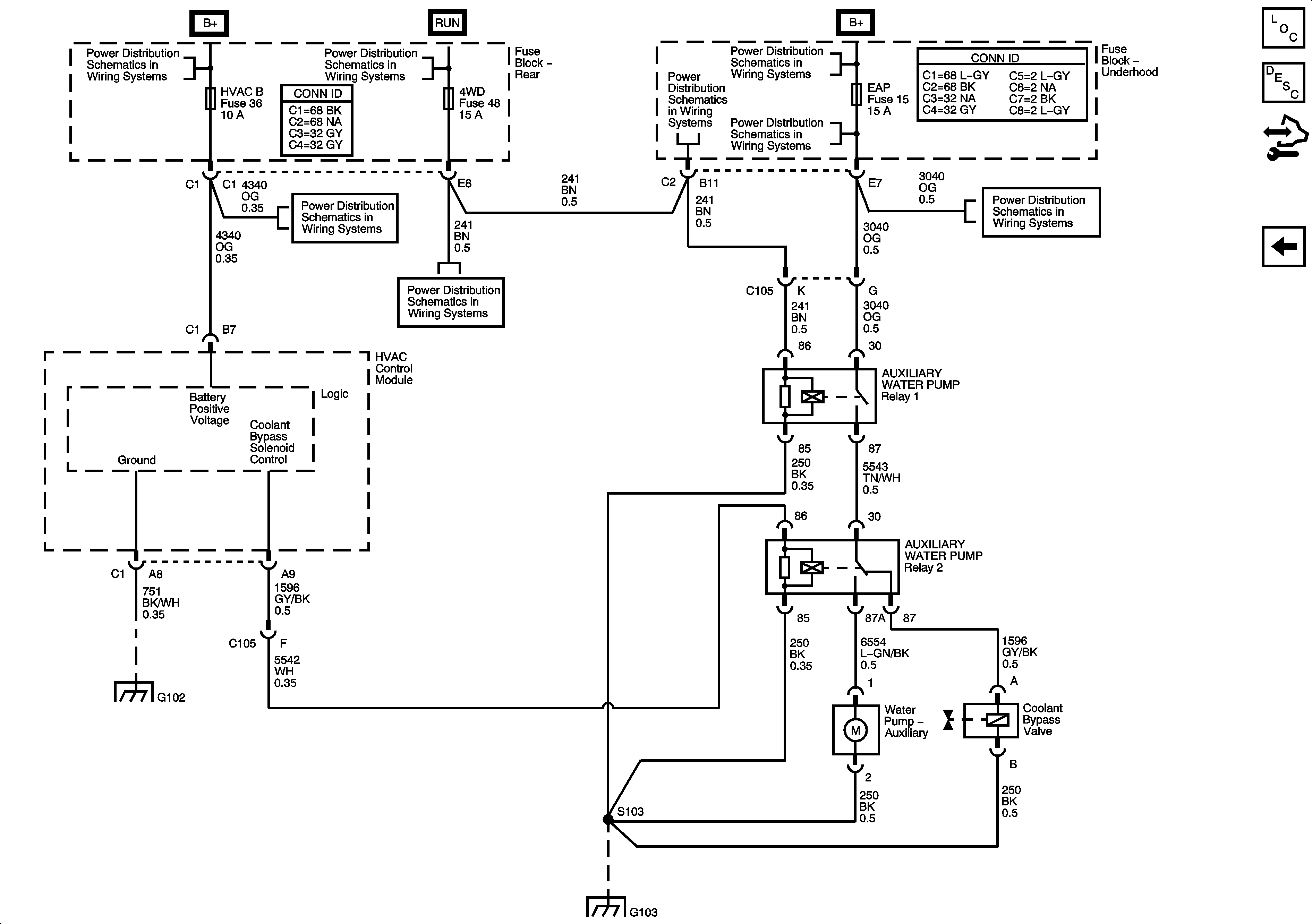
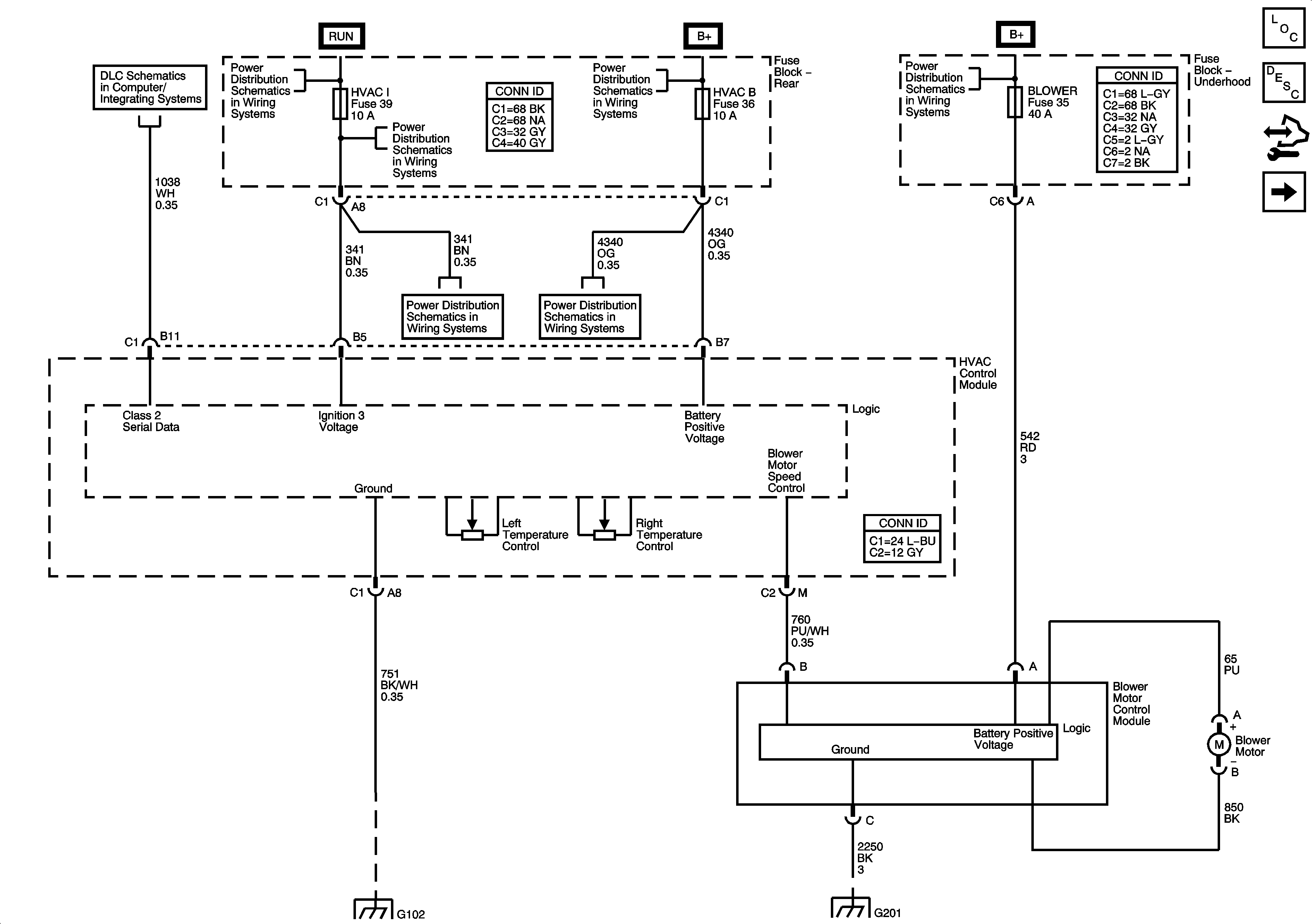
| Figure 1: |
Module Power, Ground, Serial Data, Blower Motor,
and Coolant Bypass Valve
|
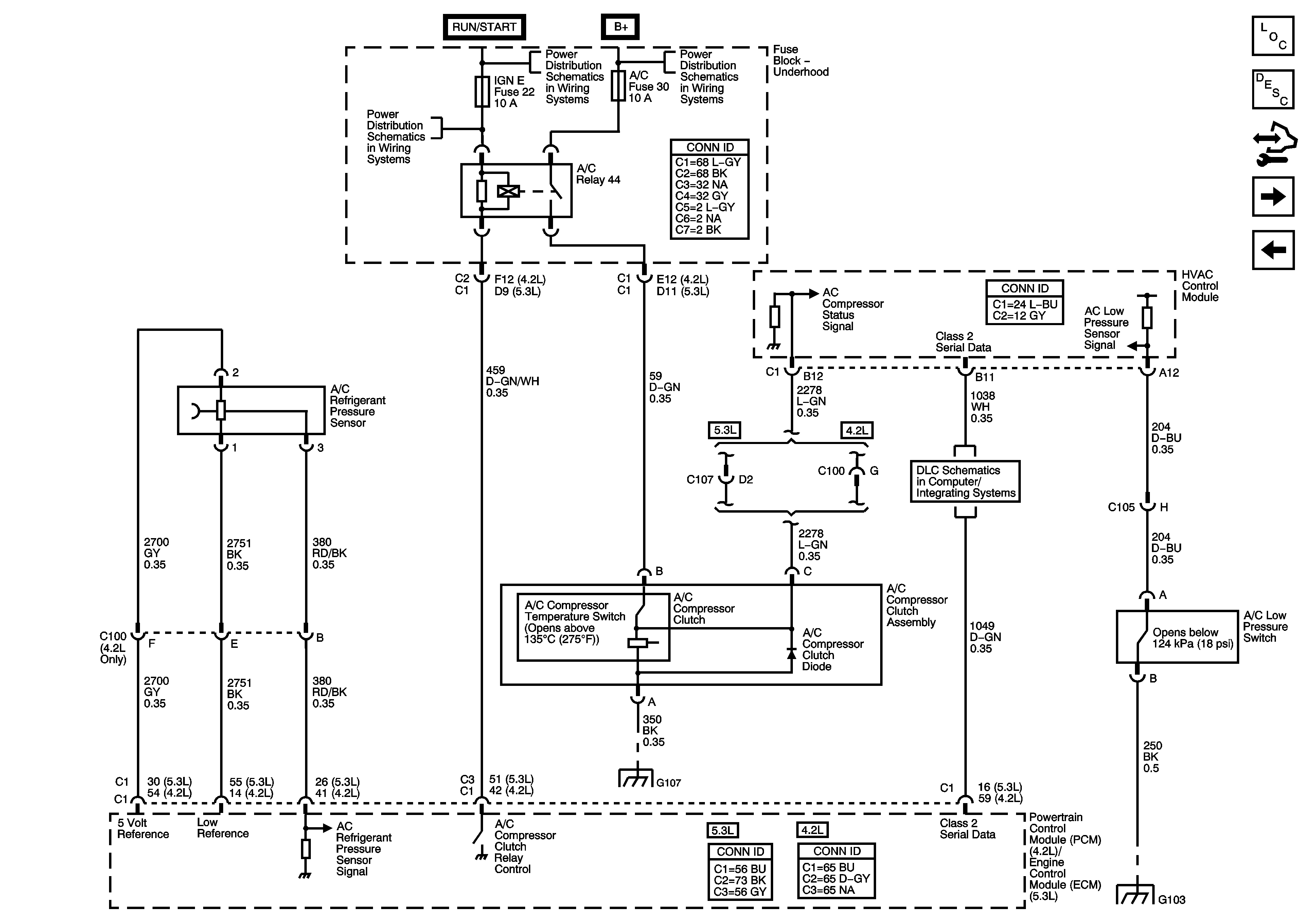
| Figure 2: |
Compressor Controls
|
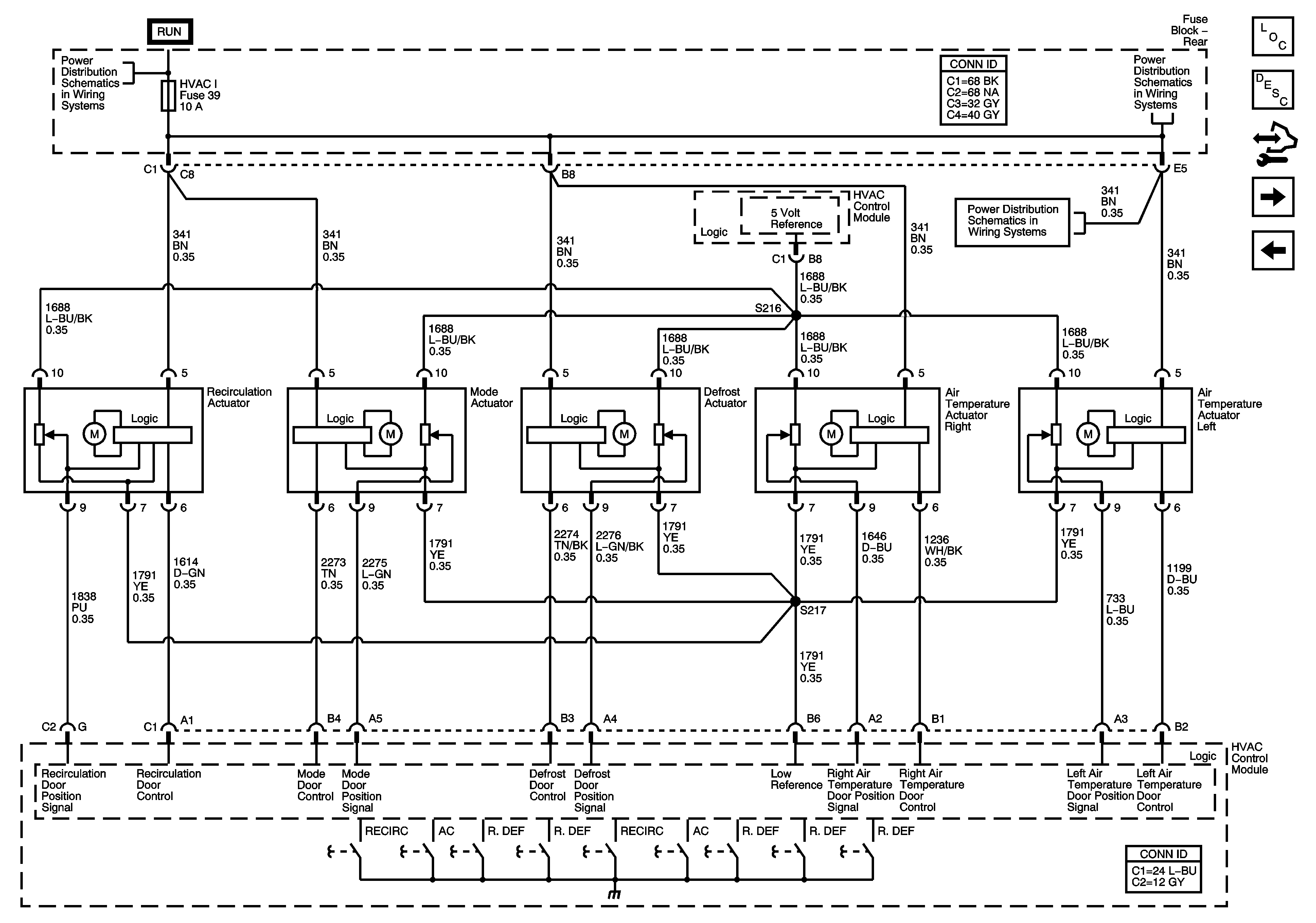
| Figure 3: |
Air Delivery/Temperature Actuators
|
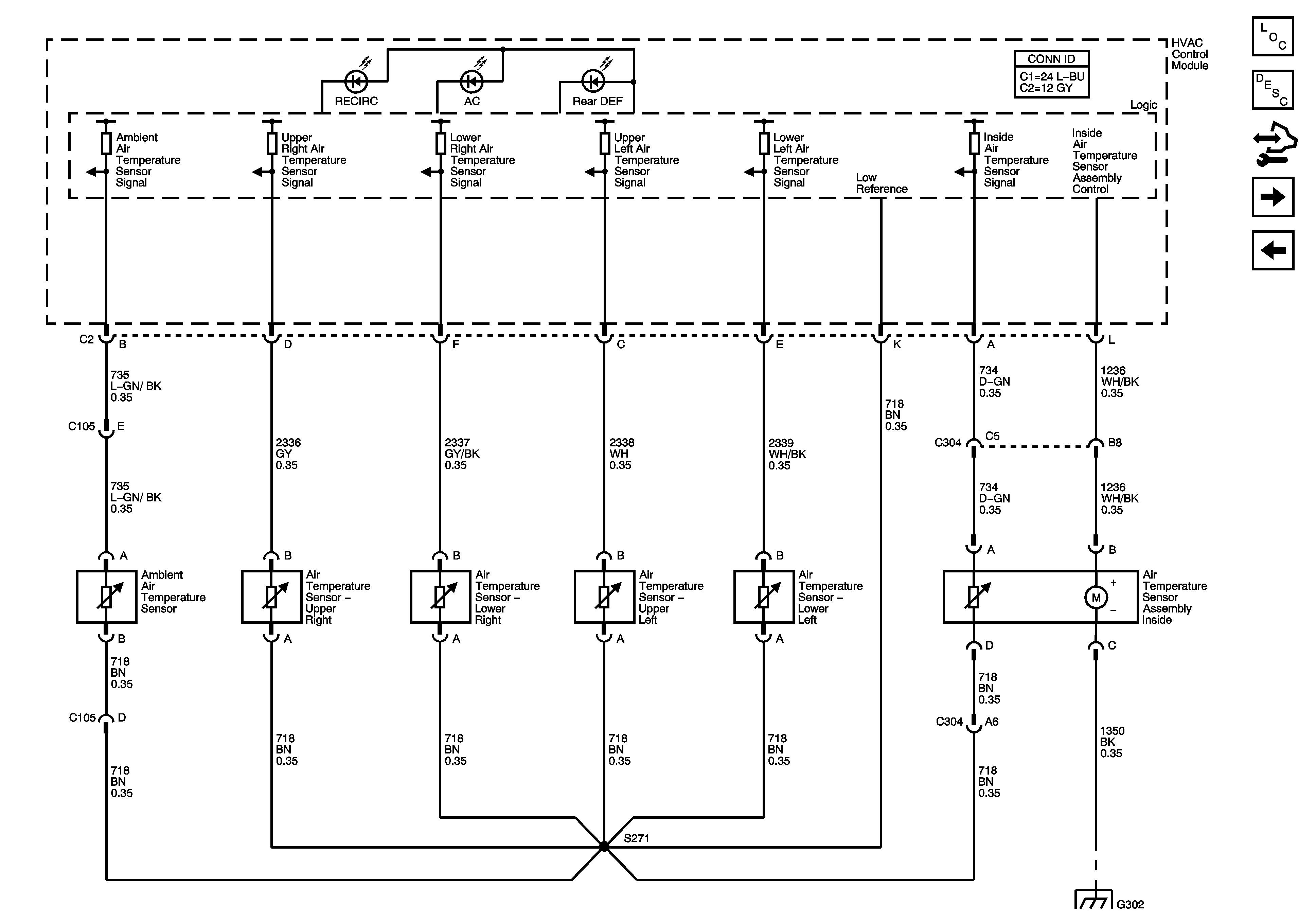
| Figure 4: |
Air Temperature Sensors
|
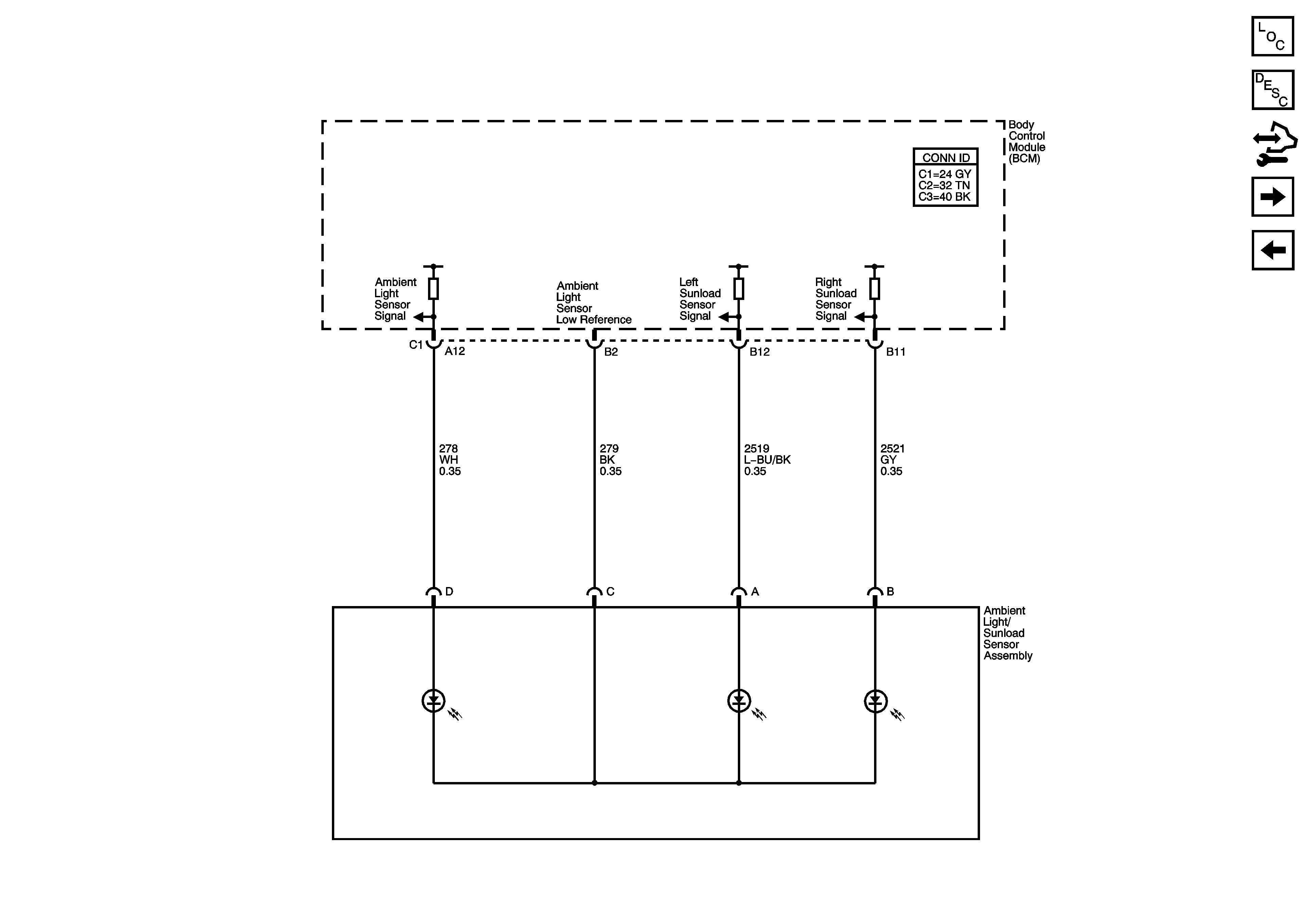
| Figure 5: |
Ambient LIght/Sunload Sensors
|
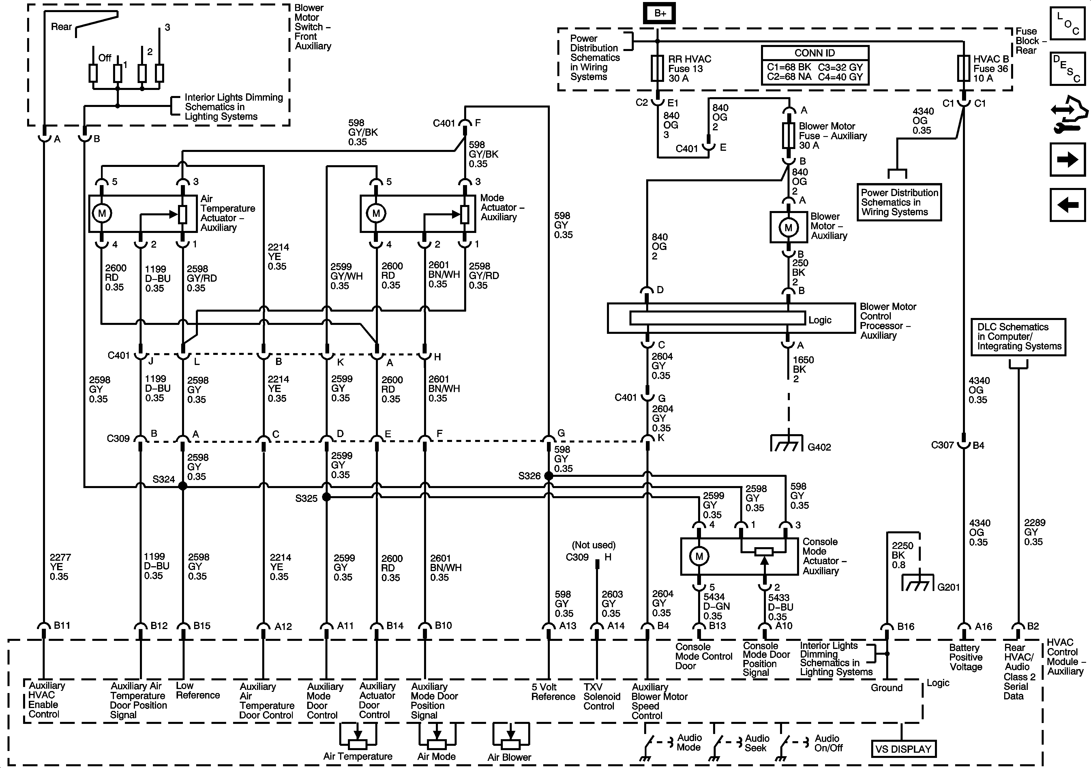
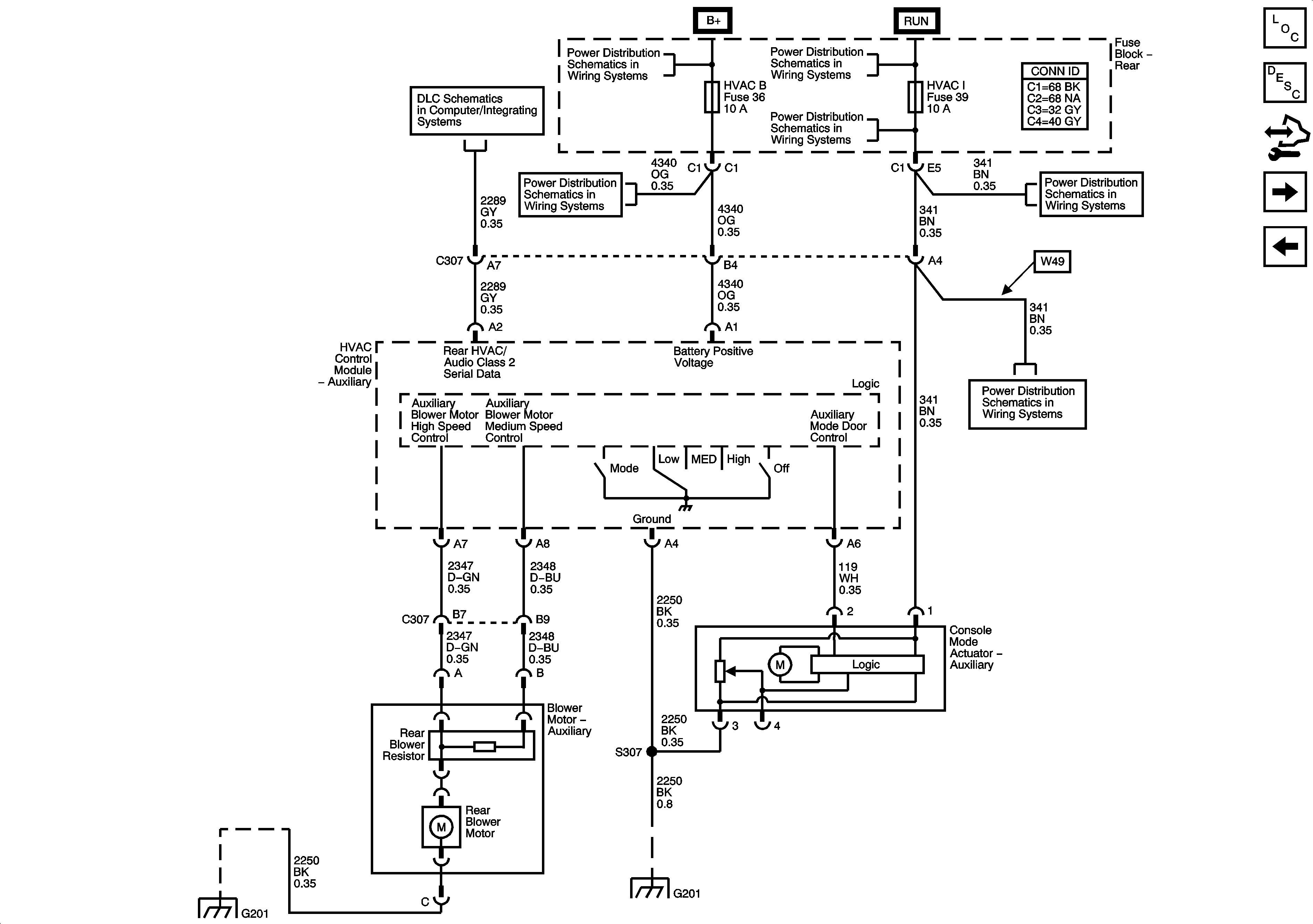
| Figure 6: |
Rear Auxiliary Controls
|
| Figure 7: |
Rear HVAC w/RSA - LWB except XUV
|
| Figure 8: |
Water Pump Controls - LWB Except XUV
|