GM Service Manual Online
For 1990-2009 cars only
Figure 1:

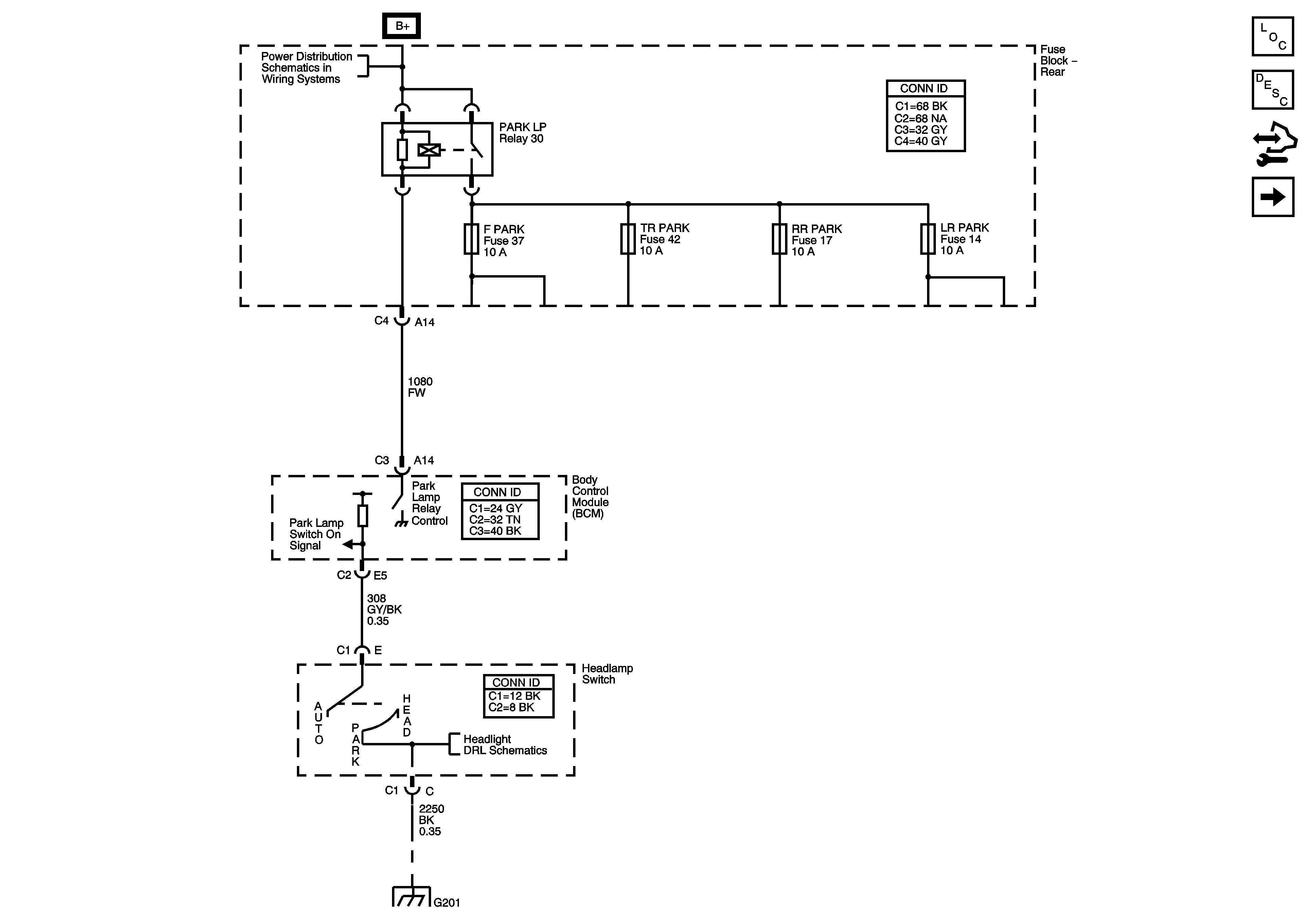
Park Lamp Relay


Object Number: 1429842  Size: FS
Master Electrical Component List
Exterior Lighting Systems Description and Operation
Control Module References
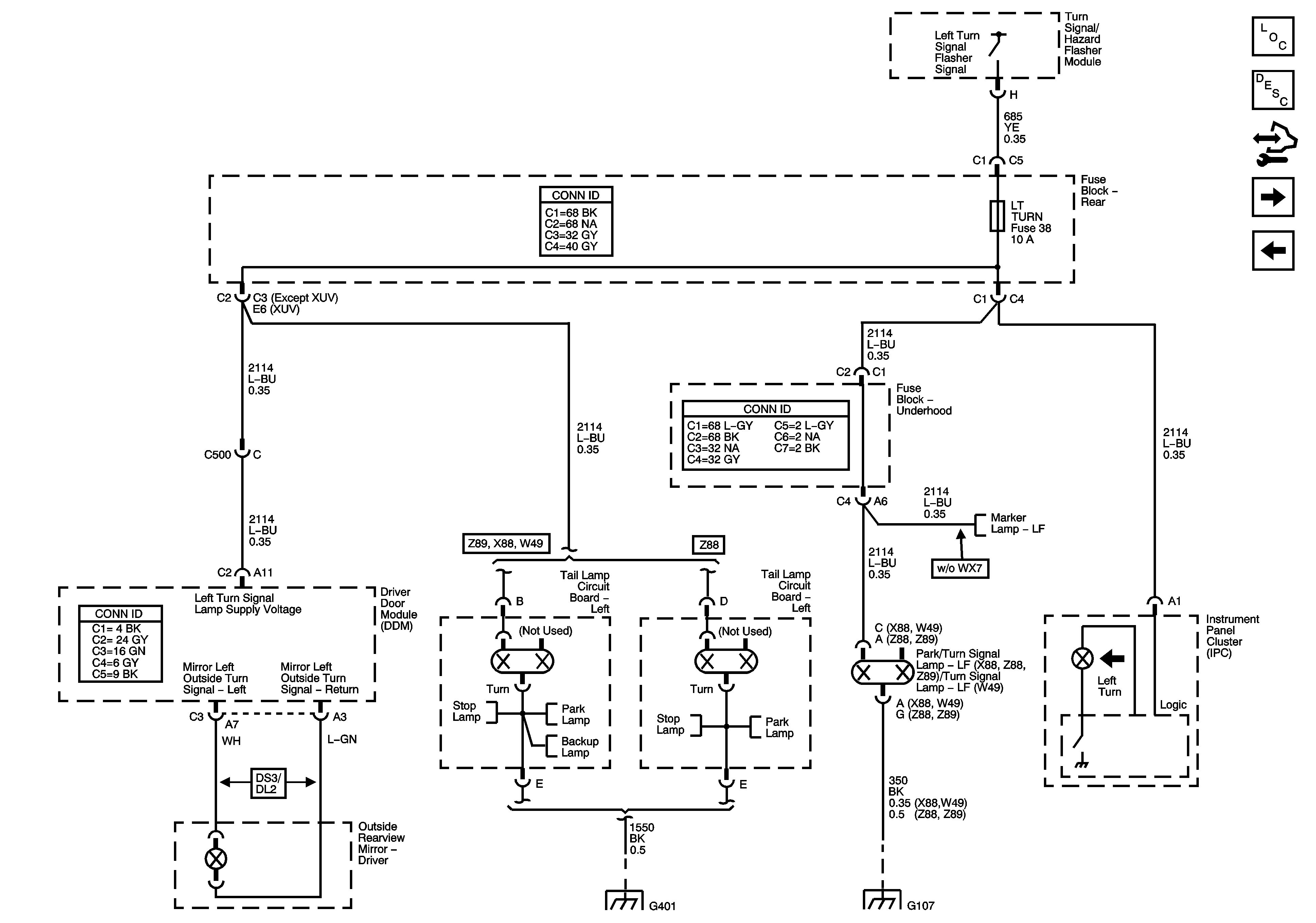
Marker and Front Park Lamps
B+ Bus - Rear Fuse Block
Headlamp Switch
G201 - 1 of 2
Figure 2:

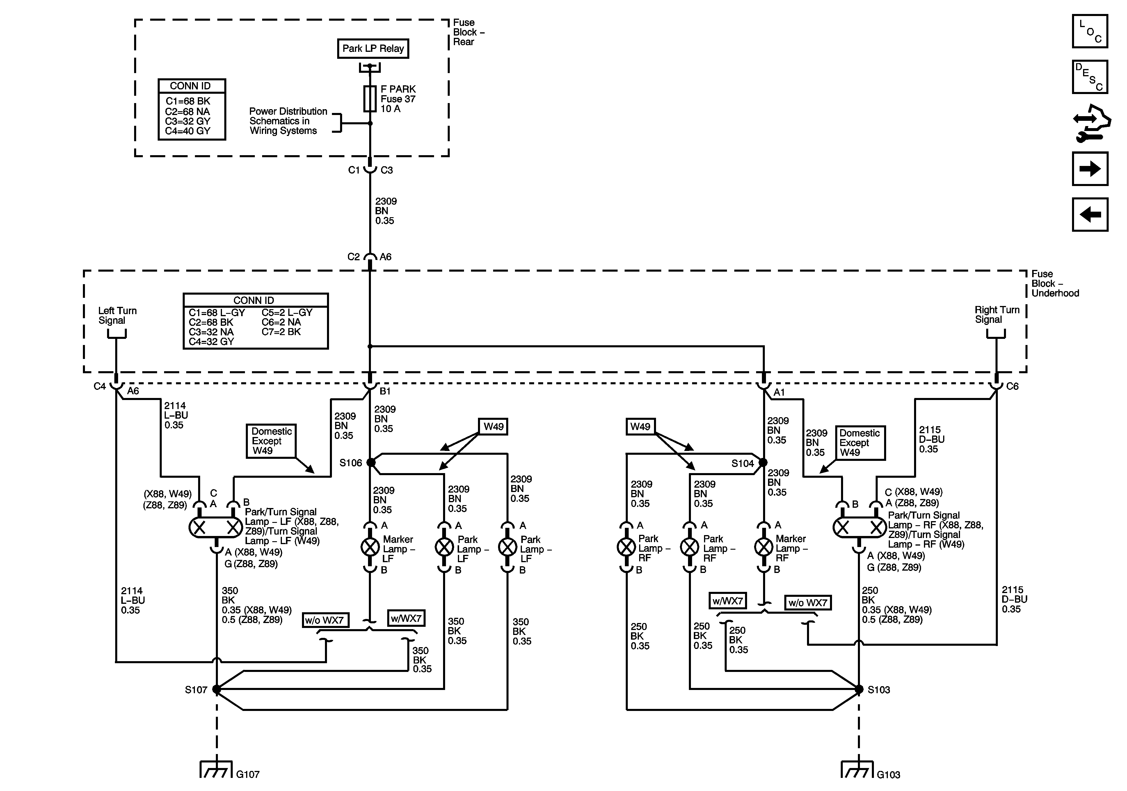
Marker and Front Park Lamps


Object Number: 1429843  Size: FS
Master Electrical Component List
Exterior Lighting Systems Description and Operation
Control Module References
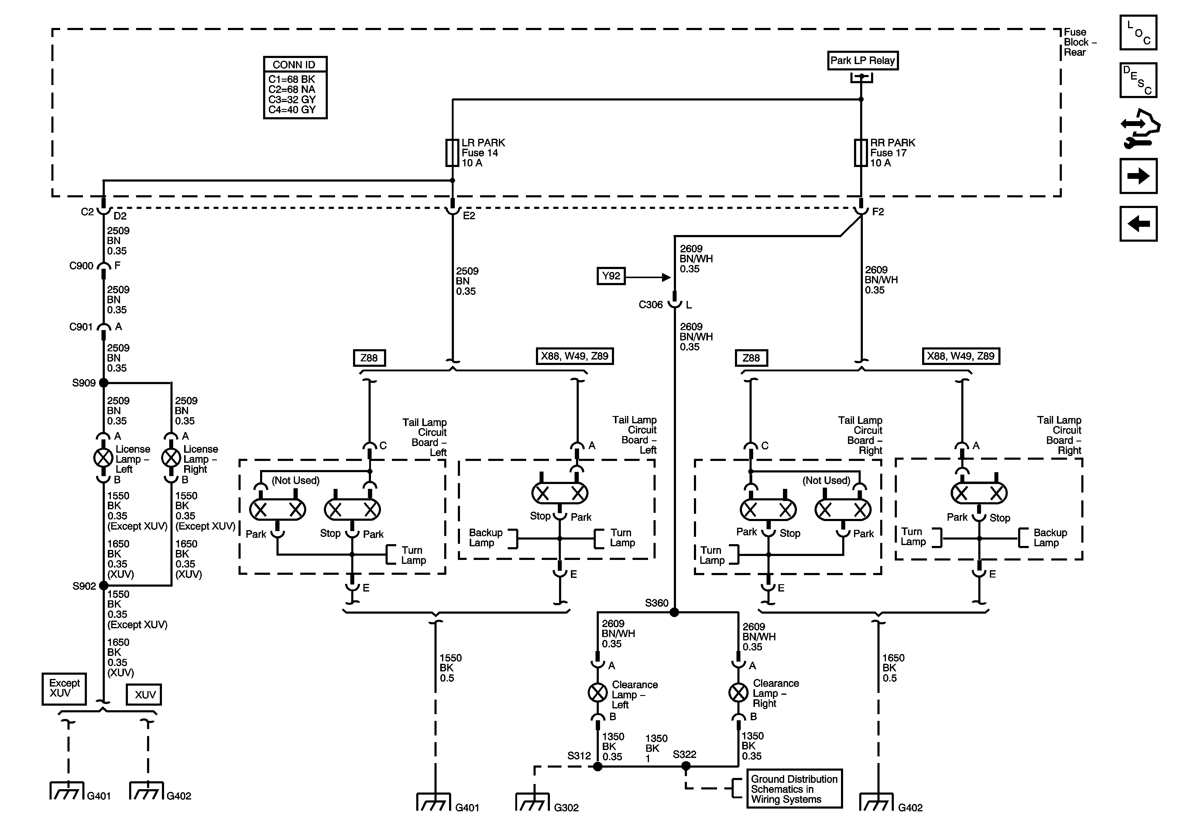
Clearance, License, and Rear Park Lamps
Park Lamp Relay
FPARK, LGM#2, LR PARK, RRFOG, RRPARK, TR PARK, Fuses, and RRWIPER Circuit Breaker
Park Lamp Relay
Left Turn Signals
G104, G105, and G107
Right Turn Signals
G101, G103, G106, and G110
Figure 3:

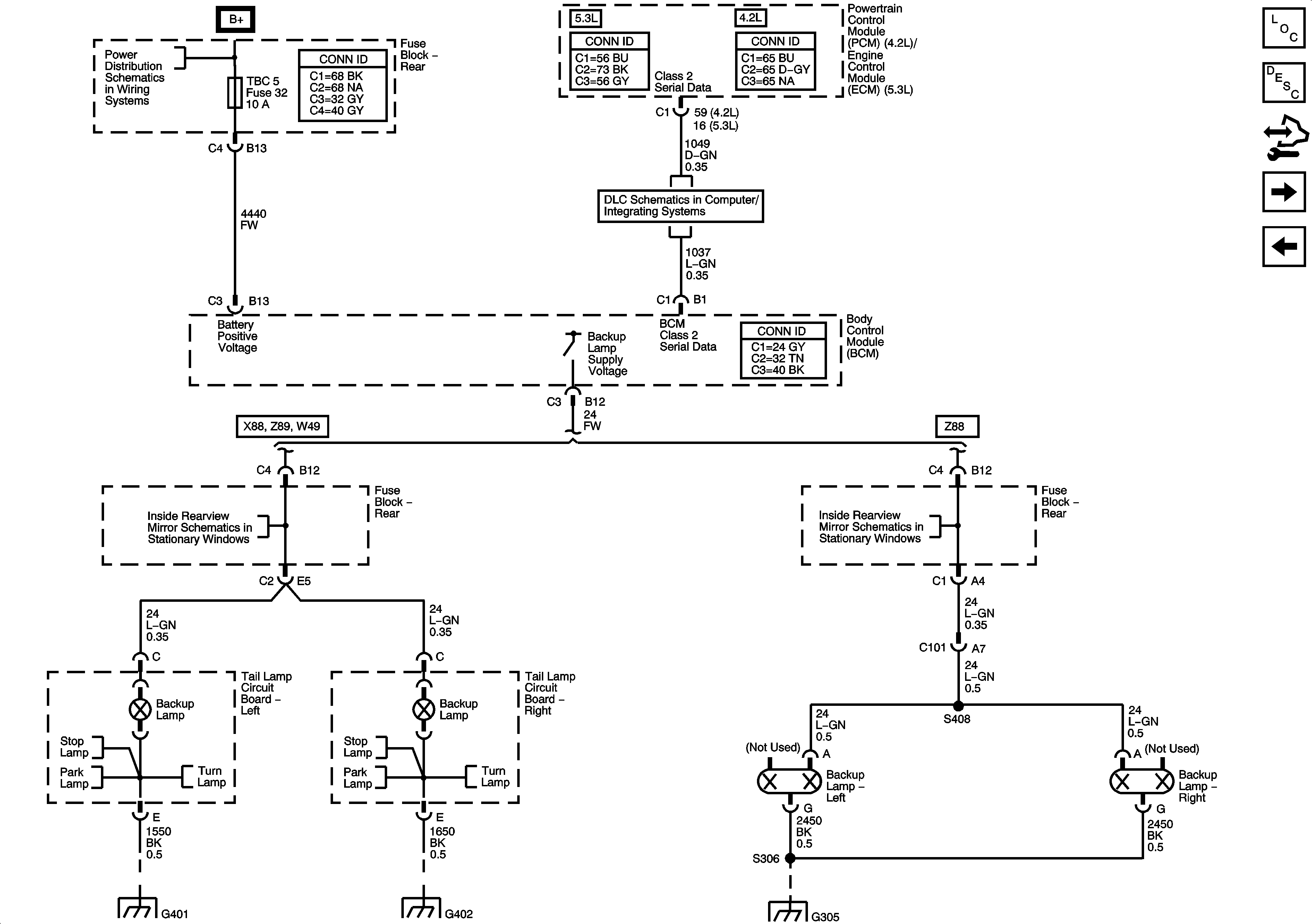
Clearance, License, and Rear Park Lamps


Object Number: 1429844  Size: FS
Master Electrical Component List
Exterior Lighting Systems Description and Operation
Control Module References
Stop Lamps
Marker and Front Park Lamps
Park Lamp Relay
Left Turn Signals
Backup Lamps
Left Turn Signals
Right Turn Signals
Right Turn Signals
Backup Lamps
G401, G402, and G403 - Except XUV
G401, G402, G403 - XUV
G401, G402, and G403 - Except XUV
G302 - 1 of 2, G303, and G304
G302 - 2 of 2
G401, G402, and G403 - Except XUV
Figure 4:

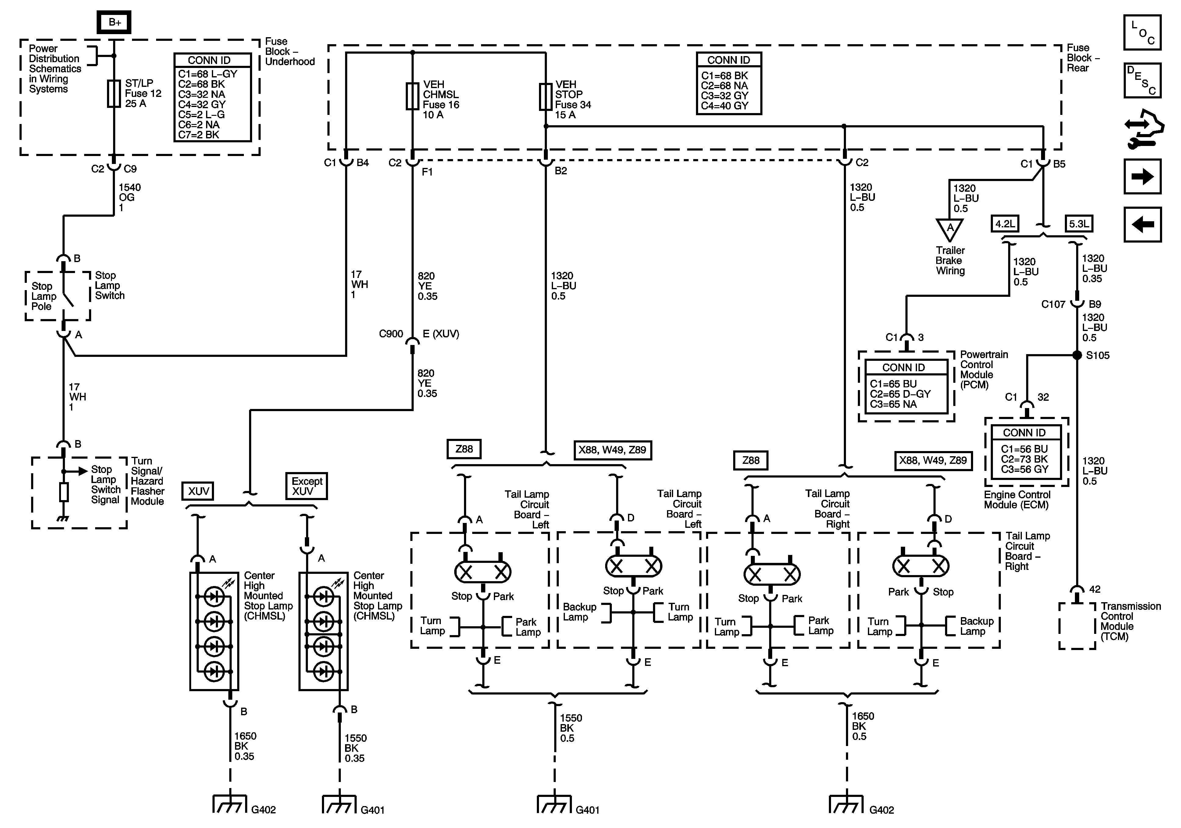
Stop Lamps


Object Number: 1429845  Size: FS
Master Electrical Component List
Exterior Lighting Systems Description and Operation
Control Module References
Turn Signal/Hazard Controls and Cornering Lamps
Clearance, License, and Rear Park Lamps
B+ Bus - Underhood Fuse Block
Trailer Wiring
Left Turn Signals
Clearance, License, and Rear Park Lamps
Backup Lamps
Left Turn Signals
Right Turn Signals
Backup Lamps
Right Turn Signals
Backup Lamps
G401, G402, G403 - XUV
G401, G402, and G403 - Except XUV
G401, G402, and G403 - Except XUV
G401, G402, and G403 - Except XUV
Figure 5:

Turn Signal/Hazard Controls and Cornering Lamps


Object Number: 1429848  Size: FS
Master Electrical Component List
Exterior Lighting Systems Description and Operation
Control Module References
Left Turn Signals
Stop Lamps
FPARK, LGM#2, LR PARK, RRFOG, RRPARK, TR PARK, Fuses, and RRWIPER Circuit Breaker
Park Lamp Relay
Ignition Switch - ACCY/RUN and RUN/START Bus Bars, IGN B Fuse
BACK UP, BTSI, IGNE, TBC IGN1, and TRLR B/U Fuses
BACK UP, BTSI, IGNE, TBC IGN1, and TRLR B/U Fuses
B+ Bus - Underhood Fuse Block
G104, G105, and G107
G101, G103, G106, and G110
G102
G201 - 1 of 2
Figure 6:

Left Turn Signals


Object Number: 1429852  Size: FS
Master Electrical Component List
Exterior Lighting Systems Description and Operation
Control Module References
Right Turn Signals
Turn Signal/Hazard Controls and Cornering Lamps
Marker and Front Park Lamps
Stop Lamps
Clearance, License, and Rear Park Lamps
Backup Lamps
Stop Lamps
Clearance, License, and Rear Park Lamps
G401, G402, and G403 - Except XUV
G104, G105, and G107
Figure 7:

Right Turn Signals


Object Number: 1429855  Size: FS
Master Electrical Component List
Exterior Lighting Systems Description and Operation
Control Module References
Backup Lamps
Left Turn Signals
Marker and Front Park Lamps
Stop Lamps
Clearance, License, and Rear Park Lamps
Stop Lamps
Clearance, License, and Rear Park Lamps
Backup Lamps
G101, G103, G106, and G110
G401, G402, and G403 - Except XUV
Figure 8:

Backup Lamps


Object Number: 1429857  Size: FS
Master Electrical Component List
Exterior Lighting Systems Description and Operation
Control Module References
Trailer Wiring
Right Turn Signals
B+ Bus - Rear Fuse Block
SP205
Auto Day/Night Mirrors
Auto Day/Night Mirrors
Stop Lamps
Clearance, License, and Rear Park Lamps
Left Turn Signals
Stop Lamps
Clearance, License, and Rear Park Lamps
Right Turn Signals
G401, G402, and G403 - Except XUV
G401, G402, and G403 - Except XUV
G201 - 2 of 2 and G305
Figure 9:

Trailer Wiring


Object Number: 1429860  Size: FS
Master Electrical Component List
Exterior Lighting Systems Description and Operation
Control Module References
Backup Lamps
B+ Bus - Underhood Fuse Block
Ignition Switch - ACCY/RUN and RUN/START Bus Bars, IGN B Fuse
BACK UP, BTSI, IGNE, TBC IGN1, and TRLR B/U Fuses
Park Lamp Relay
Stop Lamps
BACK UP, BTSI, IGNE, TBC IGN1, and TRLR B/U Fuses
G201 - 1 of 2