GM Service Manual Online
For 1990-2009 cars only
Figure 1:

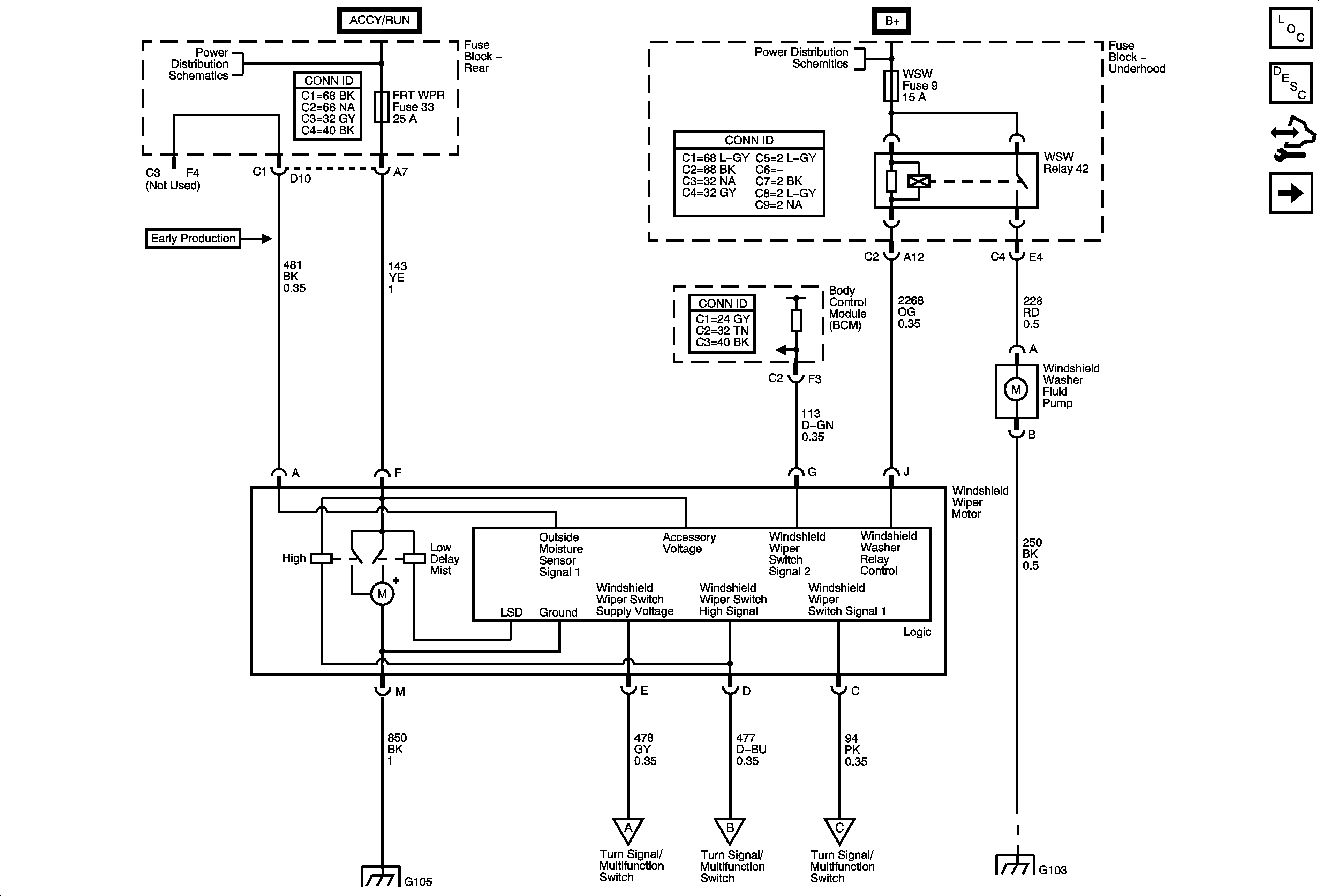
Windshield Wiper/Washer Motors


Object Number: 1747680  Size: FS
Master Electrical Component List
Wiper/Washer System Description and Operation
Control Module References
Wiper/Washer Switch and Washer Fluid Level Switch
Ignition Switch - ACCY/RUN, RUN/START Bus Bars and IGN B Fuse
B+ Bus - Underhood Fuse Block
G104, G105, and G107
Wiper/Washer Switch and Washer Fluid Level Switch
Figure 2:

Wiper/Washer Switch and Washer Fluid Level Switch


Object Number: 1747685  Size: FS
Master Electrical Component List
Wiper/Washer System Description and Operation
Control Module References
Headlamp Washer - CE4
Windshield Wiper/Washer Motors
Windshield Wiper/Washer Motors
Windshield Wiper/Washer Motors
Windshield Wiper/Washer Motors
SP205
G102
G101, G103, G106, and G110
G102
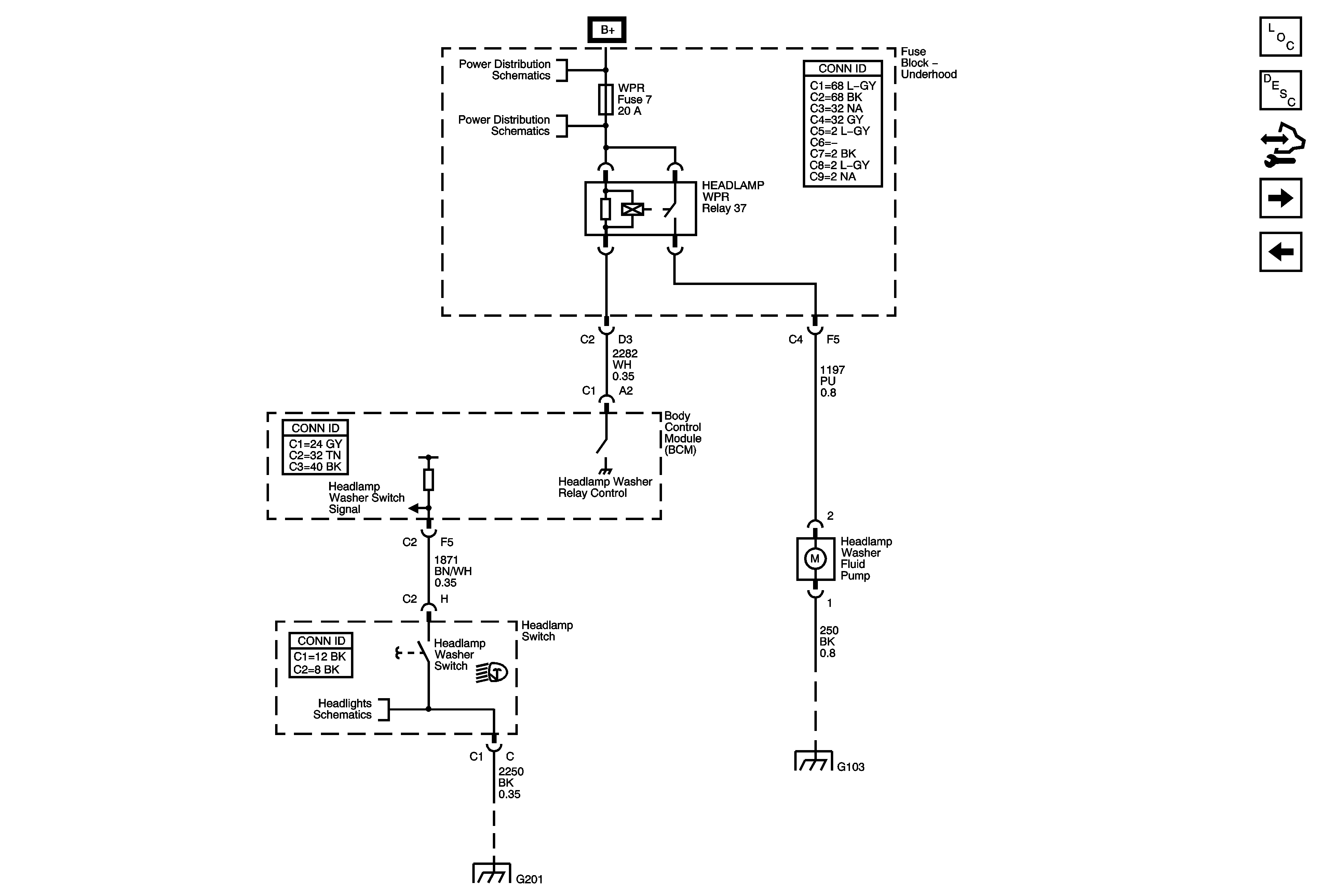
Figure 3:

Headlamp Washer - CE4


Object Number: 1747687  Size: FS
Master Electrical Component List
Headlamp Washer System Description and Operation
Control Module References
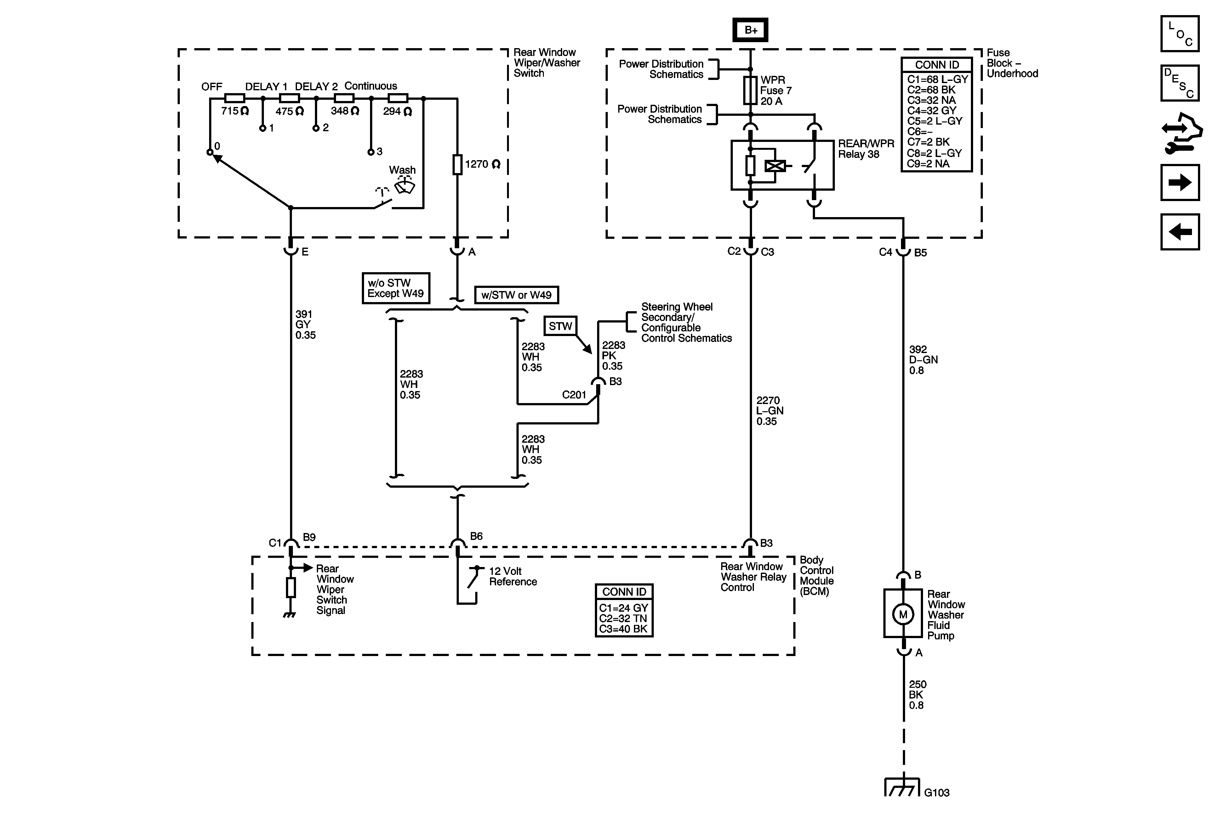
Rear Wiper/Washer Controls
Wiper/Washer Switch and Washer Fluid Level Switch
B+ Bus - Underhood Fuse Block
B+ Bus - Underhood Fuse Block
Headlamp Switch
G101, G103, G106, and G110
G201 - 1 of 2
Figure 4:

Rear Wiper/Washer Controls


Object Number: 1747689  Size: FS
Master Electrical Component List
Control Module References
Rear Window Wiper Motor
Headlamp Washer - CE4
B+ Bus - Underhood Fuse Block
Steering Wheel Secondary/Configurable Control Schematics
G101, G103, G106, and G110
Figure 5:

Rear Window Wiper Motor


Object Number: 1747690  Size: FS
Master Electrical Component List
Rear Wiper/Washer System Description and Operation
Control Module References
Rear Wiper/Washer Controls
B+ Bus - Rear Fuse Block
SP205
SP306
G401, G402, and G403