GM Service Manual Online
For 1990-2009 cars only
Figure 1:

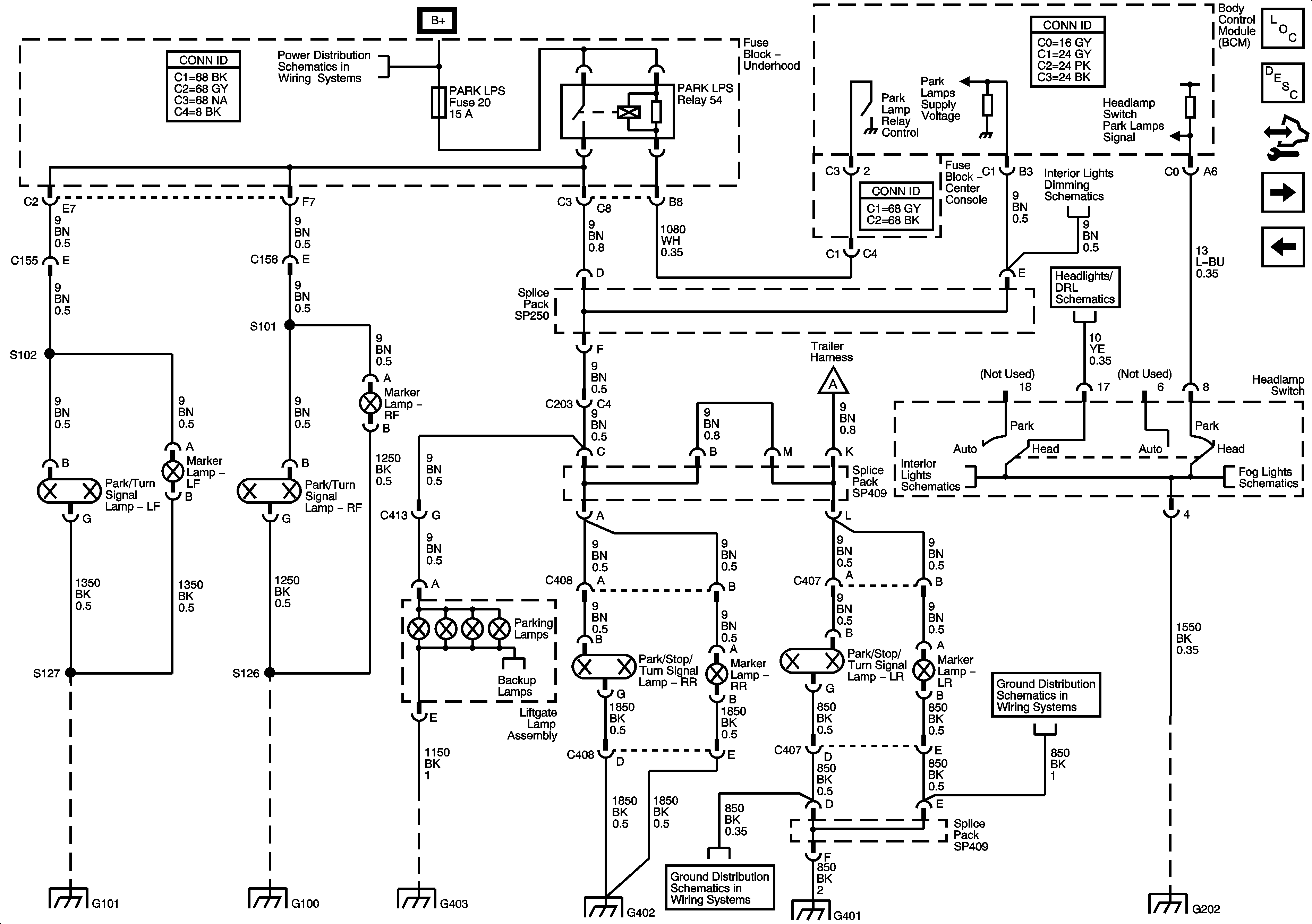
Park Lamps - Pontiac (Early Production)


Object Number: 1500679  Size: FS
Master Electrical Component List
Exterior Lighting Systems Description and Operation
Control Module References
Park Lamps - Pontiac (Late Production)
B+ Bus 1 of 2
Panel Lamps - Pontiac, Page 2 of 2
Indicators, Lamp Control)
Panel Lamps - Pontiac, Page 2 of 2
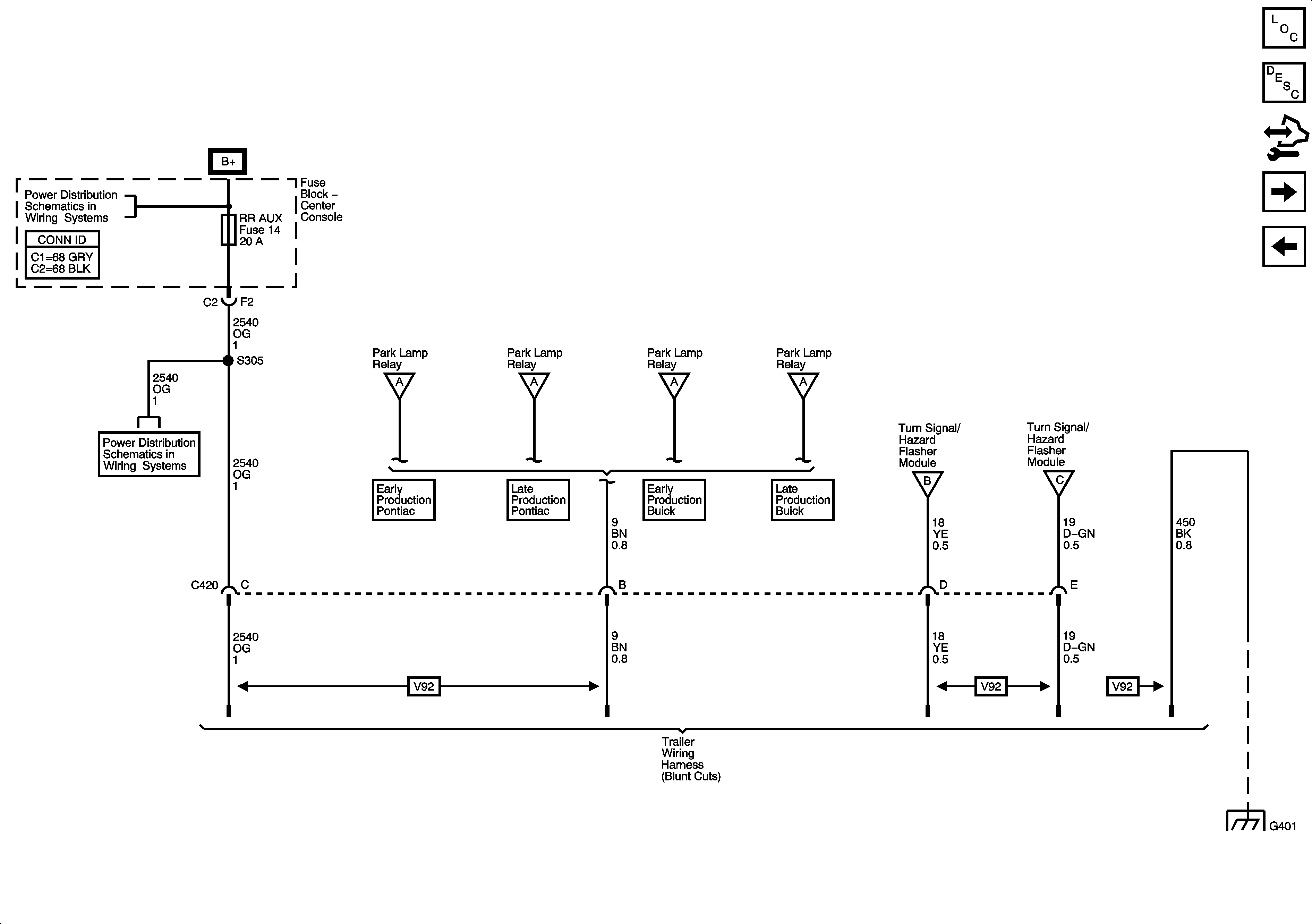
Trailer Harness
Interior Lights Schematics (I/P Lighting, Lamp Control)
Fog Lights Schematics
G101
G100
G401
G401
G401
G401
G402 and G403
G202
Figure 2:

Park Lamps - Pontiac (Late Production)


Object Number: 1573980  Size: FS
Master Electrical Component List
Exterior Lighting Systems Description and Operation
Control Module References
Park Lamps - Buick (Early Production)
Park Lamps - Pontiac (Early Production)
B+ Bus 1 of 2
Panel Lamps - Pontiac, Page 2 of 2
Indicators, Lamp Control)
Panel Lamps - Pontiac, Page 2 of 2
Trailer Harness
Interior Lights Schematics (I/P Lighting, Lamp Control)
Fog Lights Schematics
G101
G100
G401
G401
G401
G401
G402 and G403
G202
Figure 3:

Park Lamps - Buick (Early Production)


Object Number: 1500680  Size: FS
Master Electrical Component List
Exterior Lighting Systems Description and Operation
Control Module References
Park Lamps - Buick (Late Production)
Park Lamps - Pontiac (Late Production)
B+ Bus 1 of 2
Panel Lamps - Buick, Page 2 of 2
Indicators, Lamp Control)
Trailer Harness
Interior Lights Schematics (I/P Lighting, Lamp Control)
Fog Lights Schematics
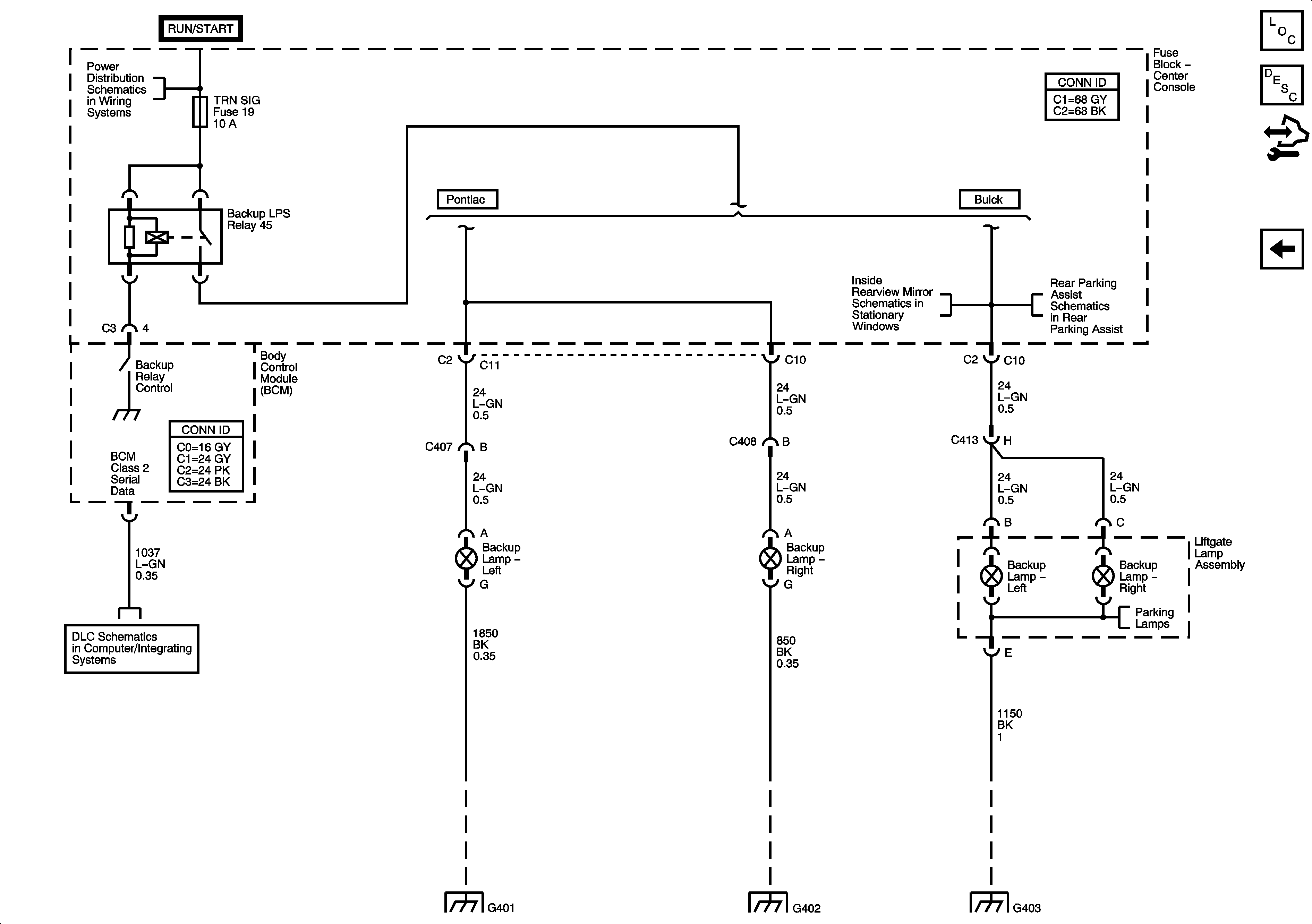
Backup Lamps
G101
G100
G402 and G403
G402 and G403
G401
G401
G401
G202
Figure 4:

Park Lamps - Buick (Late Production)


Object Number: 1573982  Size: FS
Master Electrical Component List
Exterior Lighting Systems Description and Operation
Control Module References
Turn Signal/Hazard Control
Park Lamps - Buick (Early Production)
B+ Bus 1 of 2
Panel Lamps - Buick, Page 2 of 2
Indicators, Lamp Control)
Trailer Harness
Interior Lights Schematics (I/P Lighting, Lamp Control)
Fog Lights Schematics
Backup Lamps
G101
G100
G402 and G403
G402 and G403
G401
G401
G401
G202
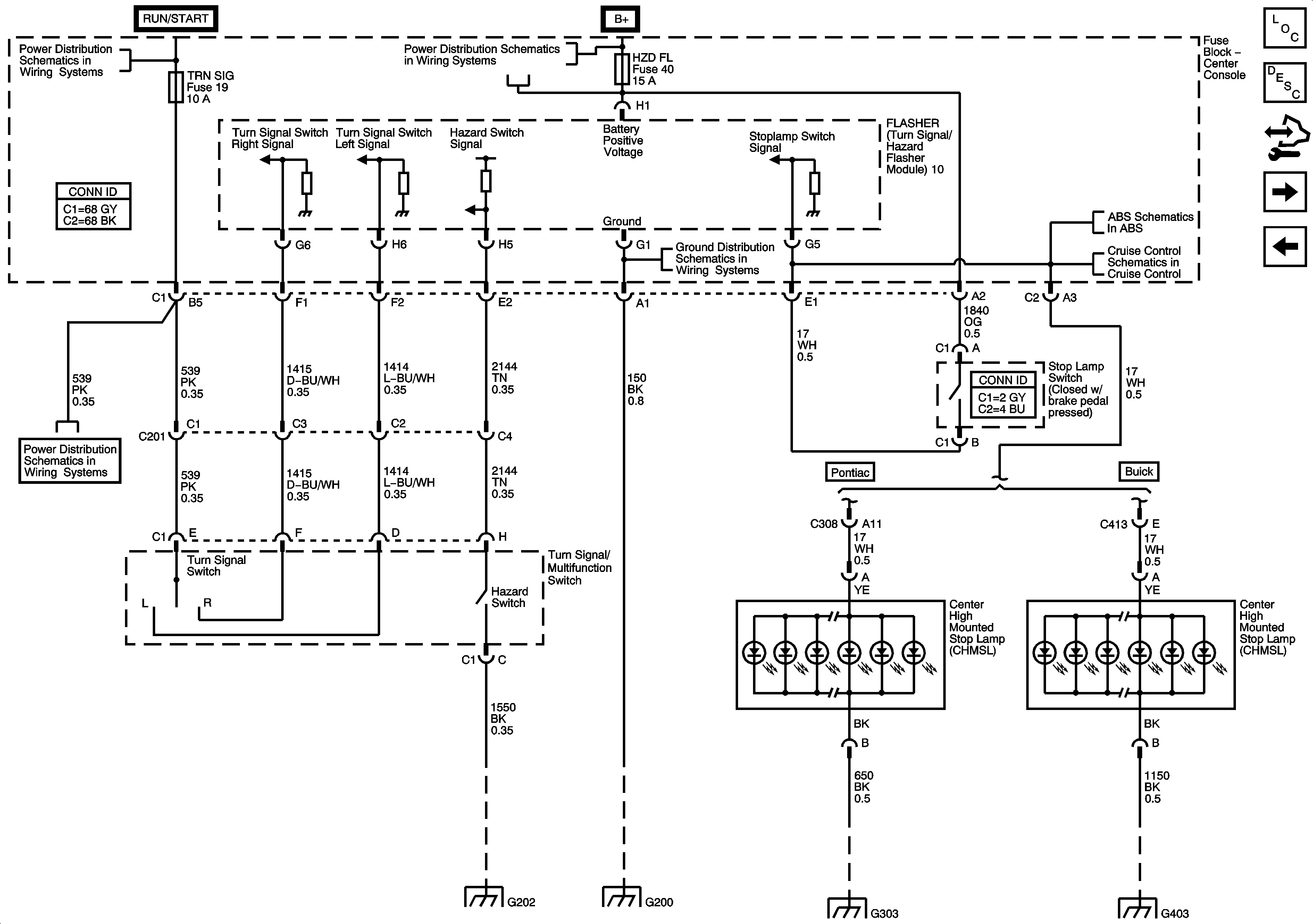
Figure 5:

Turn Signal/Hazard Control


Object Number: 1500682  Size: FS
Master Electrical Component List
Exterior Lighting Systems Description and Operation
Control Module References
Turn/Stop Lamps and Indicators
Park Lamps - Buick (Late Production)
BTSI (3.4L), CRUISE, IGN 1 MAIN, and TRN SIG Fuses
BATT 1, BCML, HUD, HZD FL, INKEY, IP MDL, RADIO, and RD AMP Fuses
G200
DLC, Indicators and Traction Control Switch 3.4L
Cruise Control Schematic - LA1
BTSI (3.4L), CRUISE, IGN 1 MAIN, and TRN SIG Fuses
G202
G200
G303
G402 and G403
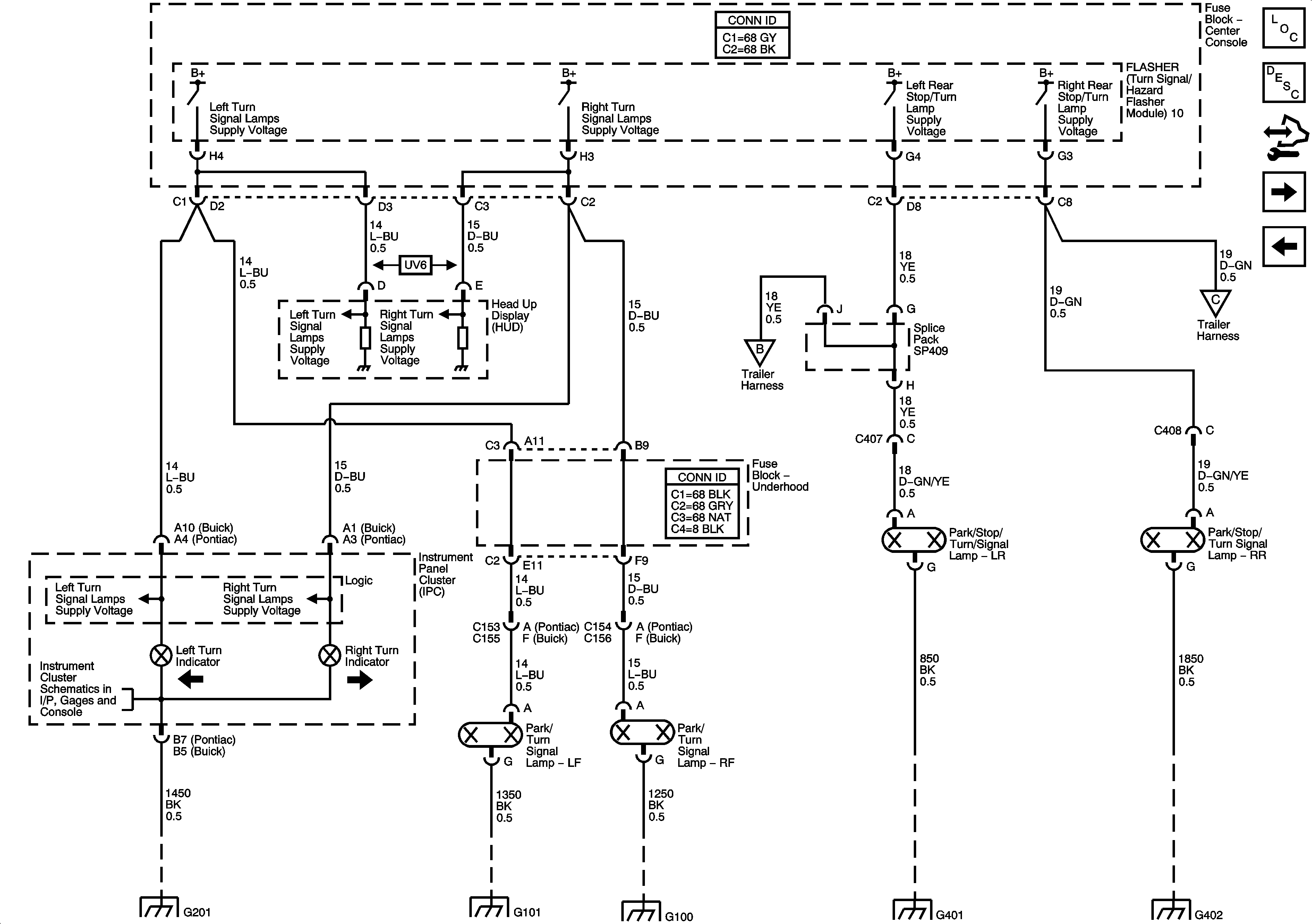
Figure 6:

Turn/Stop Lamps and Indicators


Object Number: 1500683  Size: FS
Master Electrical Component List
Exterior Lighting Systems Description and Operation
Control Module References
Trailer Harness
Turn Signal/Hazard Control
Trailer Harness
Trailer Harness
Indicators
G201
G101
G100
G401
G402 and G403
Figure 7:

Trailer Harness


Object Number: 1499678  Size: FS
Master Electrical Component List
Exterior Lighting Systems Description and Operation
Control Module References
Backup Lamps
Turn/Stop Lamps and Indicators
B+ Bus 1 of 2
BATT 2, BCM D, ELC BATT, GATE REL, PWR MIR, and RR AUX Fuses and PWR STS Circuit Breaker
Park Lamps - Pontiac (Early Production)
Park Lamps - Pontiac (Late Production)
Park Lamps - Buick (Early Production)
Park Lamps - Buick (Late Production)
Turn/Stop Lamps and Indicators
Turn/Stop Lamps and Indicators
G401
Figure 8:

Backup Lamps


Object Number: 1500685  Size: FS
Master Electrical Component List
Exterior Lighting Systems Description and Operation
Control Module References
Trailer Harness
B+ Bus 1 of 2
Inside Rearview Mirror Schematics
RPA Module Power and Ground
Data Link Connector (DLC)
Park Lamps - Buick (Late Production)
G401
G401
G402 and G403