GM Service Manual Online
For 1990-2009 cars only
Makes
🢒
Pontiac
🢒
2002
🢒
Firebird
🢒 Foglights Pontiac
Foglights Pontiac
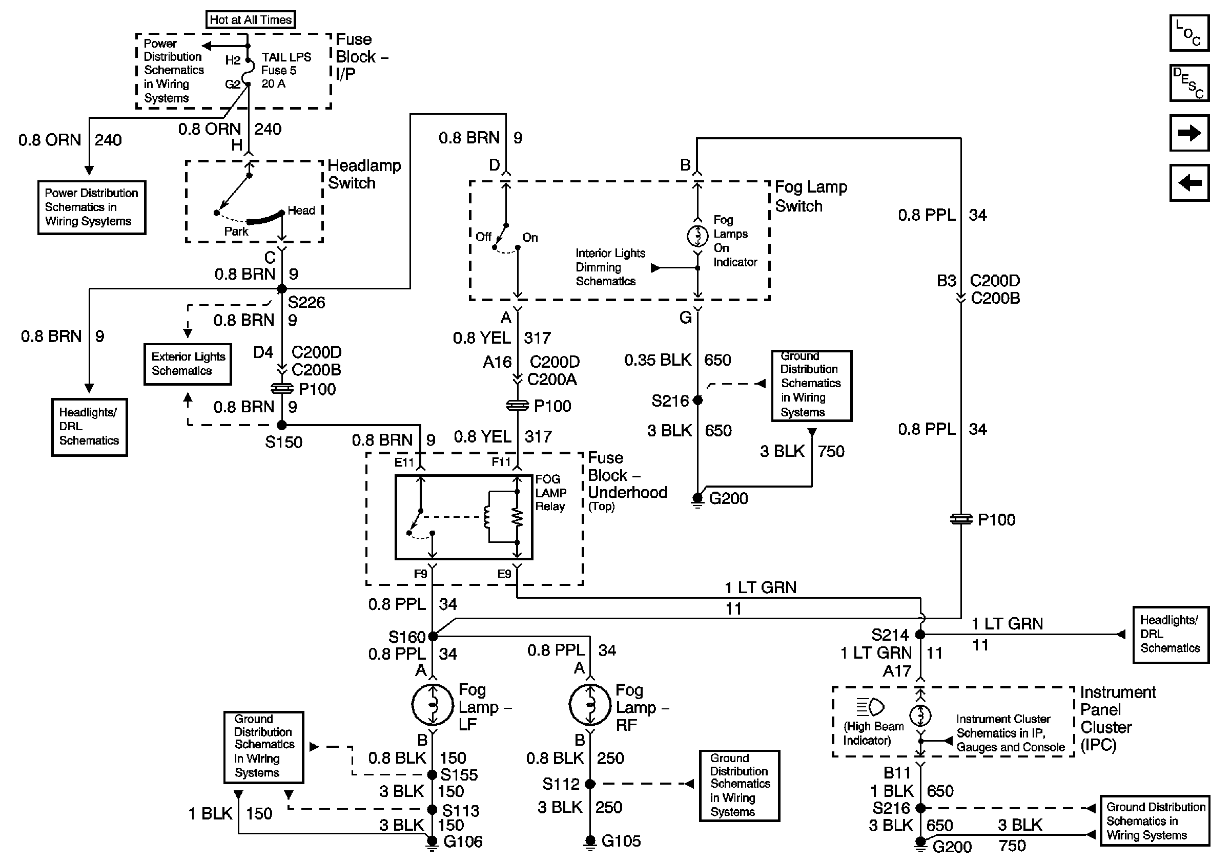
Fog Lights - Pontiac
Master Electrical Component List
Exterior Lighting Systems Description and Operation
Front Foglights Europe
Foglights Chevrolet Domestic and Gulf
I/P-2,TAIL LPS, STOP/HAZARD,PWR ACCY and CIG/ACCY Fuses
I/P-2,TAIL LPS, STOP/HAZARD,PWR ACCY and CIG/ACCY Fuses
Front Park Lamps Pontiac
Power,Ground and Switch Control
G106
Interior Lamps
G200 Page 1 of 3
G105
Lamp Indicators
Headlights Pontiac
G200 Page 1 of 3