GM Service Manual Online
For 1990-2009 cars only
Makes
🢒
Pontiac
🢒
2003
🢒
Vibe - FWD
🢒
Brakes
🢒
Hydraulic Brakes
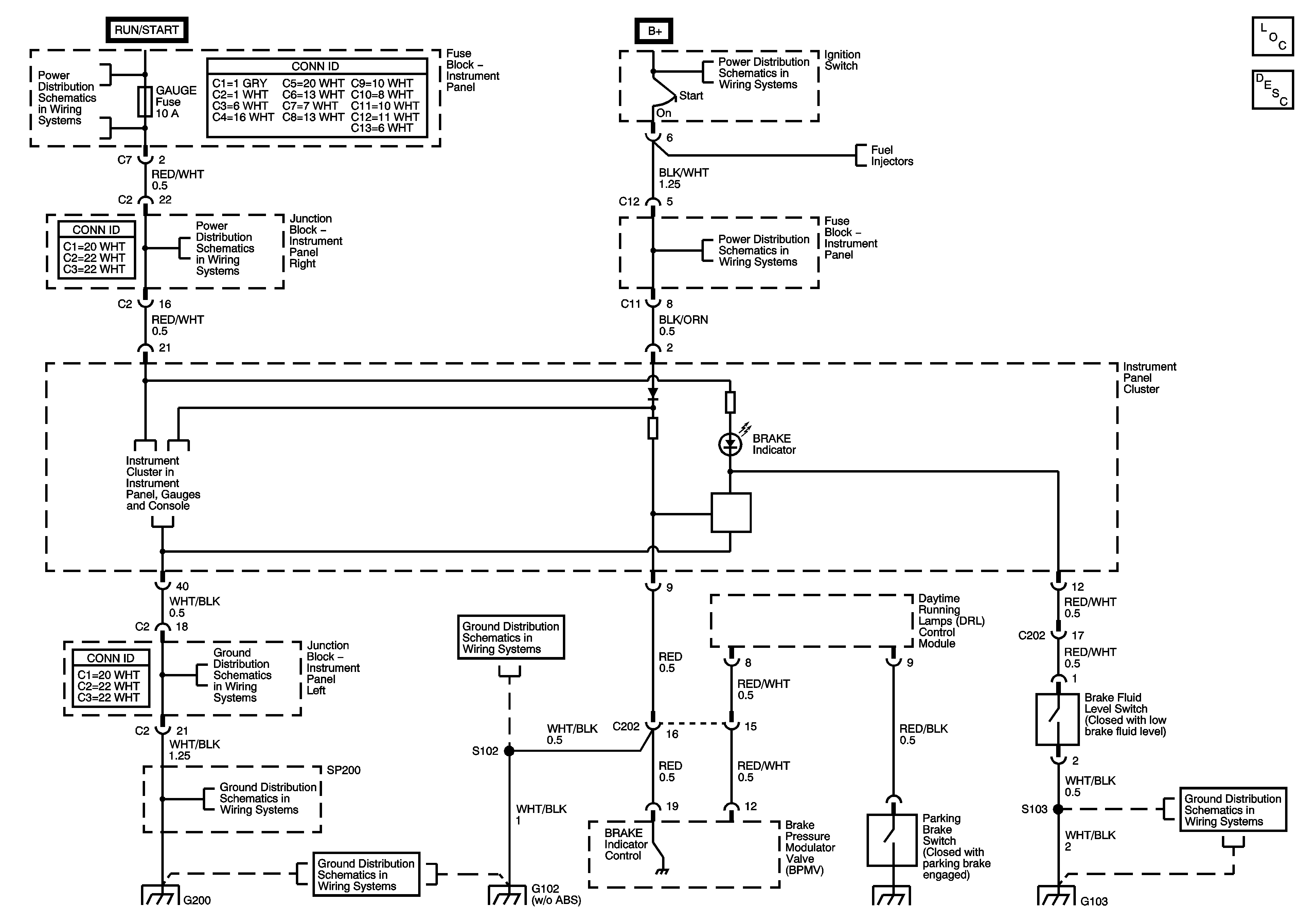
🢒 Brake Warning System Schematics
Master Electrical Component List
Brake Warning System Description and Operation
WASH, RR WIP, WIPER, ECU-IG, GAUGE, HEATER, and DEF Fuses
Heater Relay, Right Instrument Panel Junction Block
Brake, ABS Indicators, Turn Indicators
Left Instrument Panel Junction Block
SP200 and G200
G100, G101, G102 and G103
Ignition Switch and C/OPN Relay
Ignition Switch and C/OPN Relay
S103 and G103