GM Service Manual Online
For 1990-2009 cars only
Figure 1:

Module Power, Ground, Serial Data, and Blower Motor


Object Number: 1533113  Size: FS
Master Electrical Component List
Air Delivery Description and Operation
Control Module References
Compressor Controls
G201 - 1 of 2
G102
4WD, BRK, FRT WPR, HVACI, IGN0, and TCM Fuses
4WD, BRK, FRT WPR, HVACI, IGN0, and TCM Fuses
HVAC B, LGM/DSM, OH BATT/ONSTAR, and RADIO Fuses
B+ Bus - Rear Fuse Block
SP 205
B+ Bus - Underhood Fuse Block - 1 of 2
G201 - 1 of 2
Figure 2:

Compressor Controls


Object Number: 1533117  Size: FS
Master Electrical Component List
Air Delivery Description and Operation
Control Module References
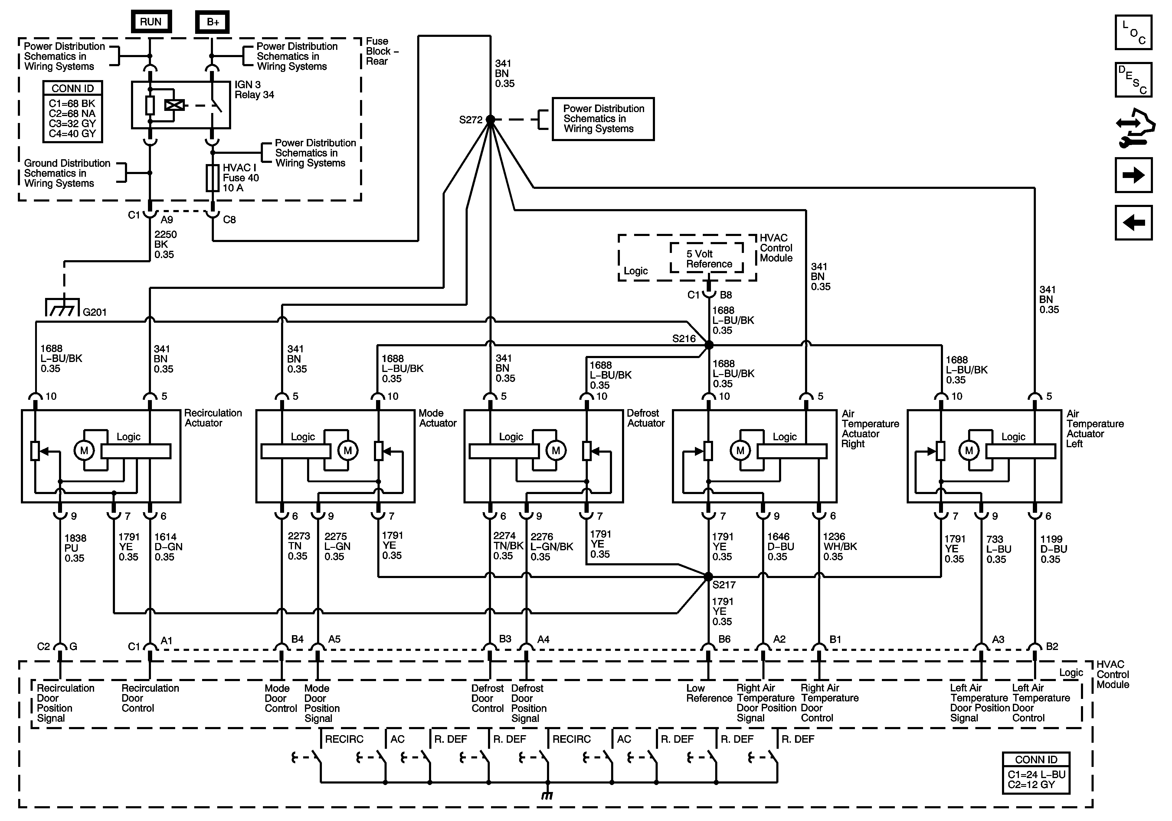
Air Delivery/Temperature Actuators
Module Power, Ground, Serial Data, and Blower Motor
G104, G105 and G107
BACK UP, BTSI, IGN E, and TRLR B/U Fuses
BACK UP, BTSI, IGN E, and TRLR B/U Fuses
G104, G105 and G107
B+ Bus - Underhood Fuse Block - 1 of 2
G104, G105 and G107
SP 205
G101, G103, G106, and G110
Figure 3:

Air Delivery/Temperature Actuators


Object Number: 1533118  Size: FS
Master Electrical Component List
Air Delivery Description and Operation
Control Module References
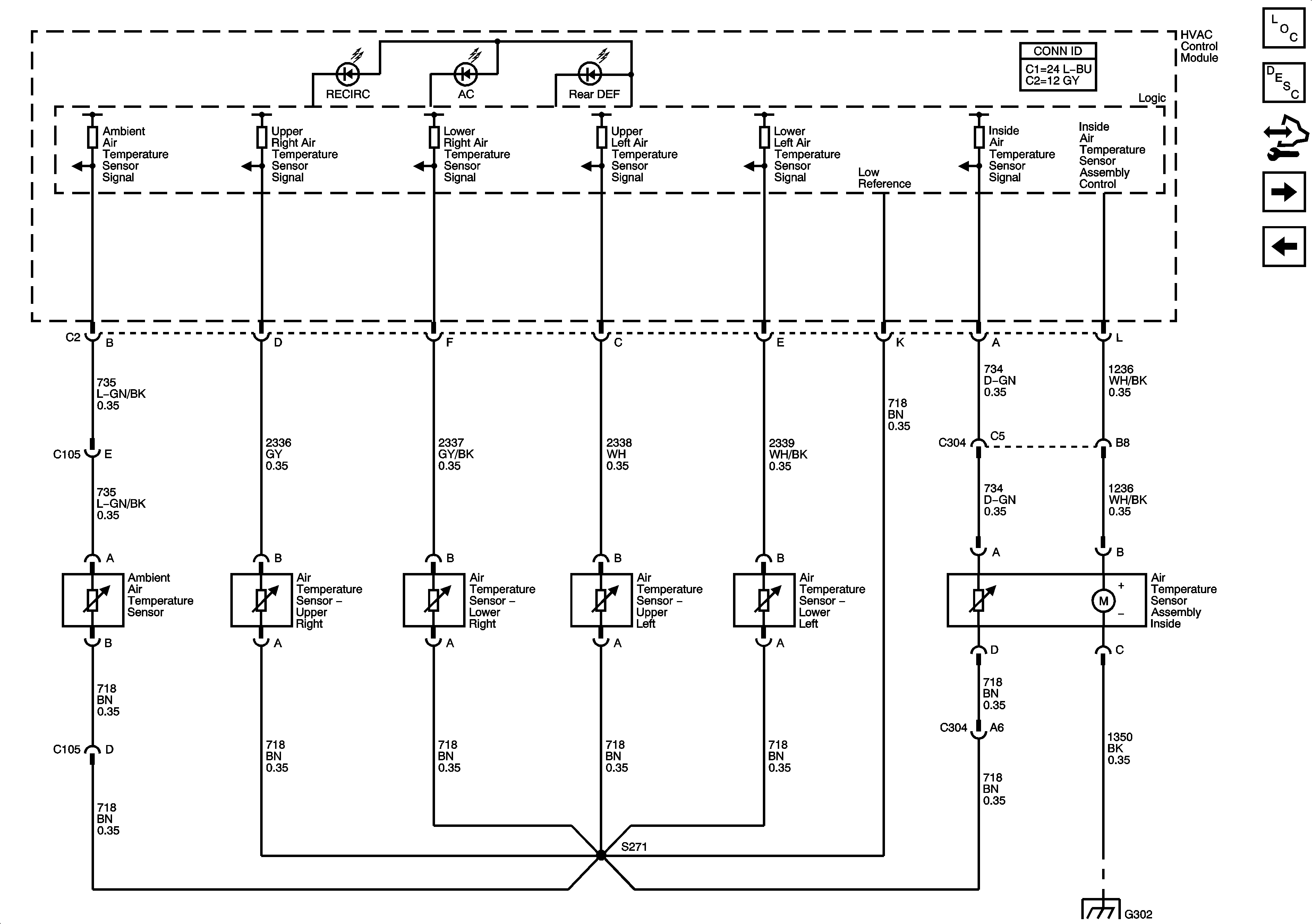
Air Temperature Sensors
Compressor Controls
Ignition Switch - ACCY/RUN/START, RUN, START Bus Bars and IGNA1 Fuse
G201 - 1 of 2
B+ Bus - Rear Fuse Block
4WD, BRK, FRT WPR, HVACI, IGN0, and TCM Fuses
G201 - 1 of 2
4WD, BRK, FRT WPR, HVACI, IGN0, and TCM Fuses
Figure 4:

Air Temperature Sensors


Object Number: 1533119  Size: FS
Master Electrical Component List
Air Temperature Description and Operation
Control Module References
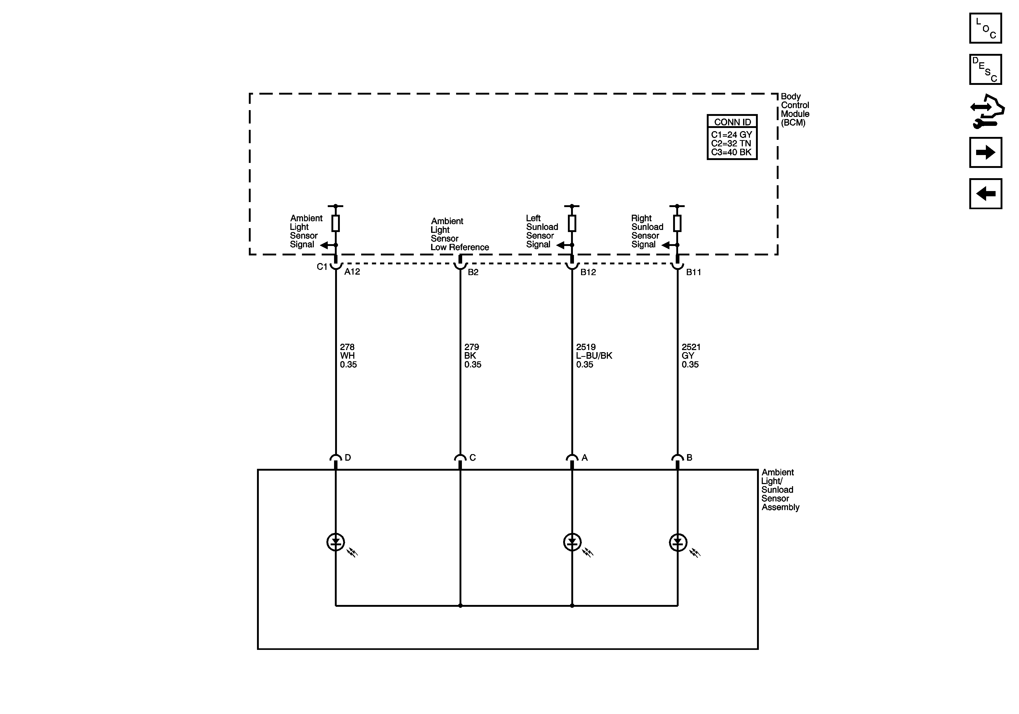
Ambient Light/Sunload Sensors
Air Delivery/Temperature Actuators
G302 - 1 of 2, G303, and G304
Figure 5:

Ambient Light/Sunload Sensors


Object Number: 1533120  Size: FS
Master Electrical Component List
Air Temperature Description and Operation
Control Module References
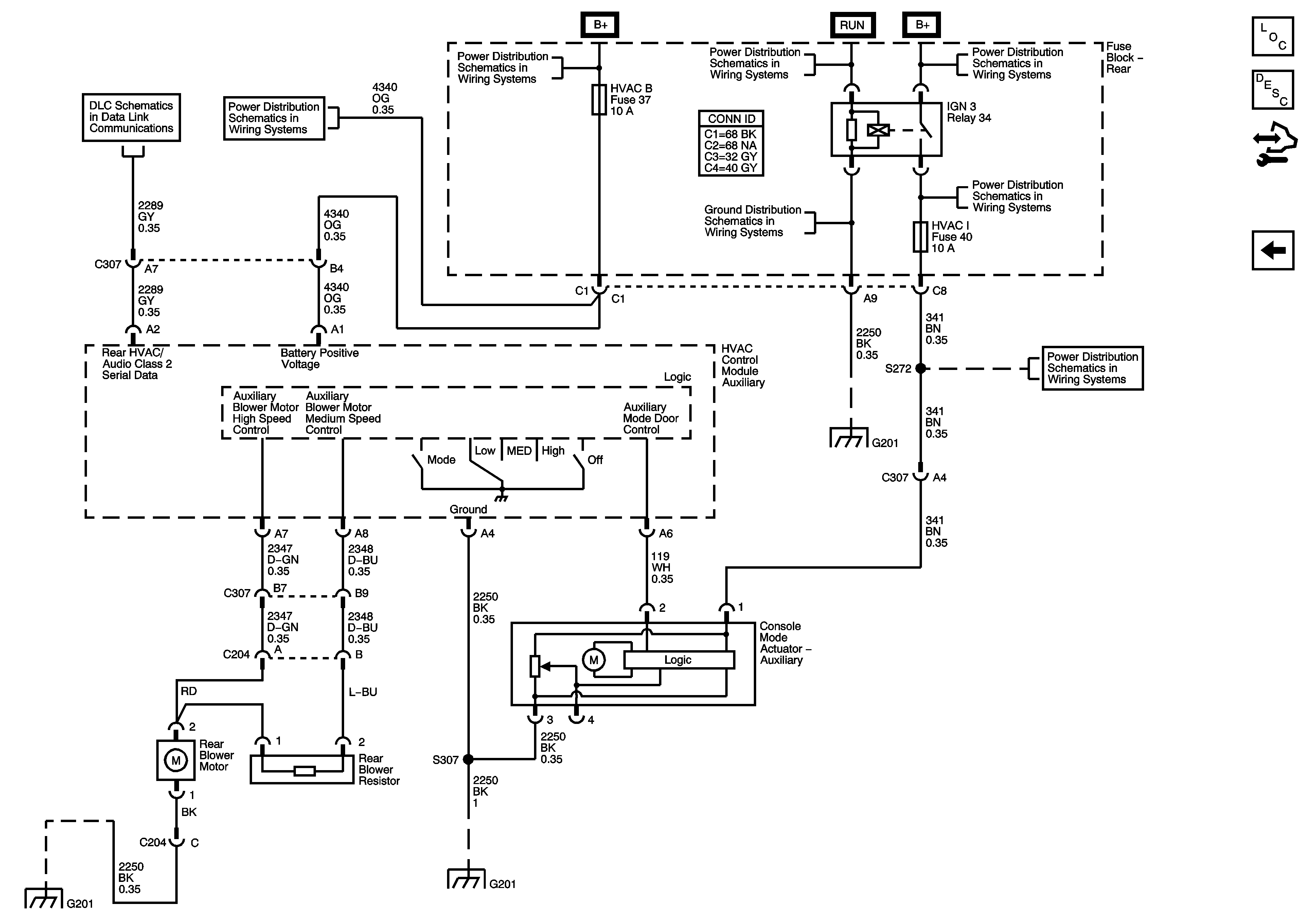
Rear Auxiliary Controls
Air Temperature Sensors
Figure 6:

Rear Auxiliary Controls


Object Number: 1533121  Size: FS
Master Electrical Component List
Air Delivery Description and Operation
Control Module References
Ambient Light/Sunload Sensors
SP 205
HVAC B, LGM/DSM, OH BATT/ONSTAR, and RADIO Fuses
B+ Bus - Rear Fuse Block
G201 - 1 of 2
G201 - 1 of 2
Ignition Switch - ACCY/RUN/START, RUN, START Bus Bars and IGNA1 Fuse
G201 - 1 of 2
G201 - 1 of 2
B+ Bus - Rear Fuse Block
4WD, BRK, FRT WPR, HVACI, IGN0, and TCM Fuses