GM Service Manual Online
For 1990-2009 cars only
Figure 1:

Module Power, Ground, Serial Data, and MIL


Object Number: 1906822  Size: FS
Master Electrical Component List
Engine Control Module Description
Control Module References
Engine Data Sensors - 5-Volt and Low Reference
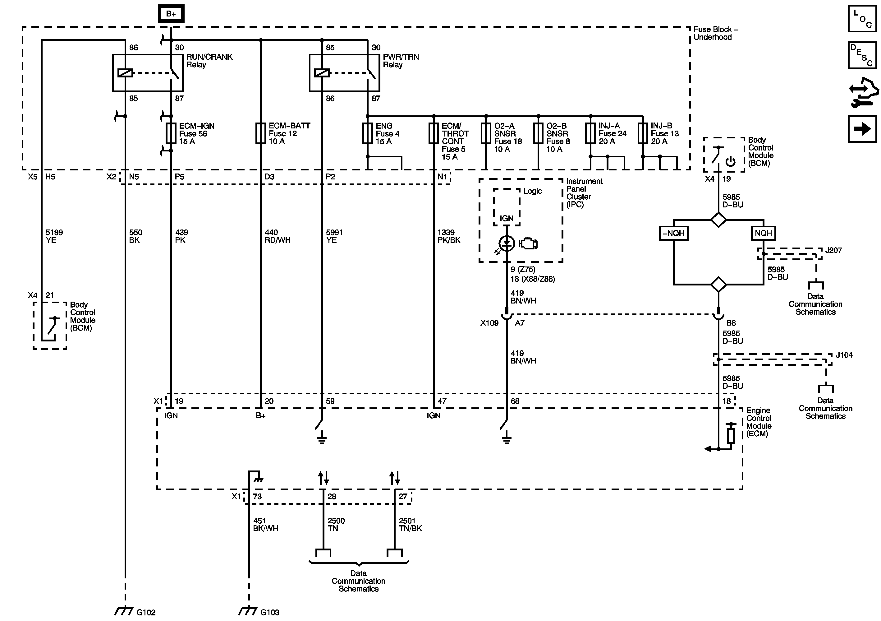
RUN/CRANK Bus - ECM-IGN and TRANS IGN 1 Fuses
ECM-BATT, HEADLAMP WASH, HVAC BATT, IPC, LTR, S/ROOF, and TCM-BATT Fuses
PWR/TRN Bus - ECM/THROT CONT, ENG, O2-A SNSR, and O2-B SNSR Fuses
PWR/TRN Bus - ECM/THROT CONT, ENG, O2-A SNSR, and O2-B SNSR Fuses
PWR/TRN Bus - ECM/THROT CONT, ENG, O2-A SNSR, and O2-B SNSR Fuses
PWR/TRN Bus - ECM/THROT CONT, ENG, O2-A SNSR, and O2-B SNSR Fuses
PWR/TRN Bus - INJ-A and INJ-B Fuses
PWR/TRN Bus - INJ-A and INJ-B Fuses
Serial Data Communication Enable and Wake-up Circuits
Serial Data Communication Enable and Wake-up Circuits
G102, G104, and G108
G103, G110 and G111
HIgh Speed Bus - 1 of 2
Figure 2:

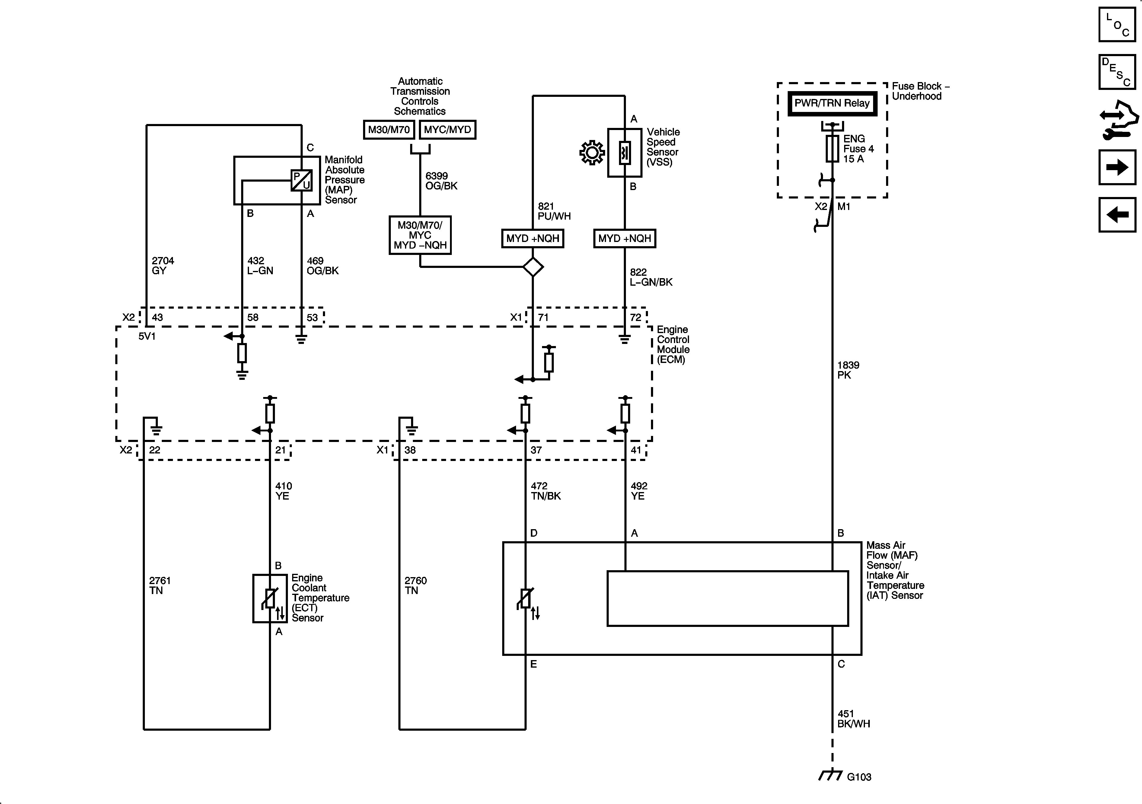
Engine Data Sensors - 5-Volt and Low Reference


Object Number: 1906825  Size: FS
Master Electrical Component List
Engine Control Module Description
Control Module References
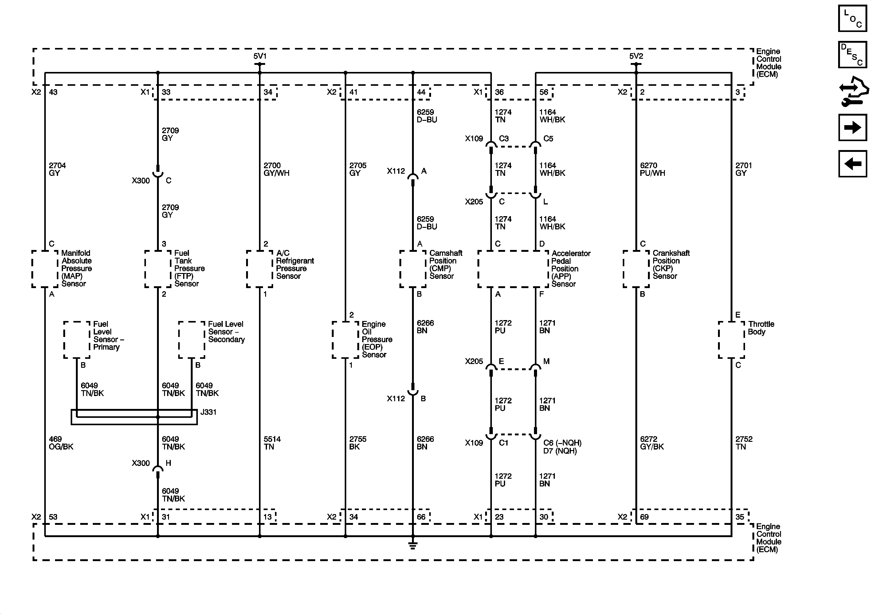
Engine Data Sensors - Pressure and Temperature
Module Power, Ground, Serial Data, and MIL
Figure 3:

Engine Data Sensors - Pressure and Temperature


Object Number: 1906830  Size: FS
Master Electrical Component List
Engine Control Module Description
Control Module References
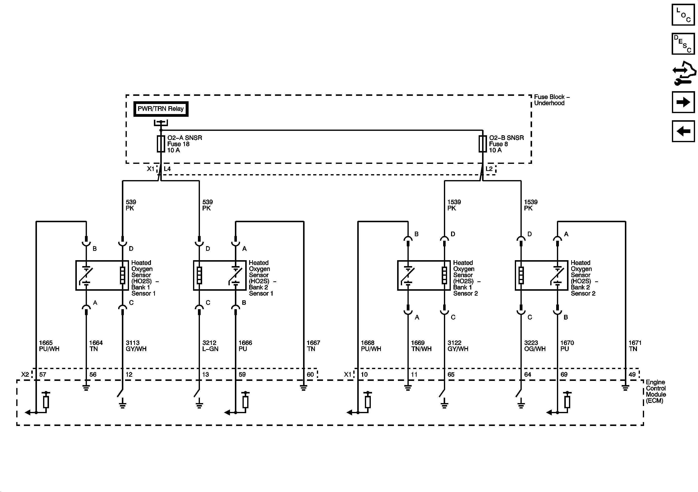
Engine Data Sensors - Oxygen Sensors
Engine Data Sensors - 5-Volt and Low Reference
Module Power, Ground, and Serial Data
Module Power, Ground, Serial Data, and Stop Lamp Switch
PWR/TRN Bus - ECM/THROT CONT, ENG, O2-A SNSR, and O2-B SNSR Fuses
G103, G110 and G111
Figure 4:

Engine Data Sensors - Oxygen Sensors


Object Number: 1906836  Size: FS
Master Electrical Component List
Engine Control Module Description
Control Module References
Engine Data Sensors - Throttle Controls
Engine Data Sensors - Pressure and Temperature
PWR/TRN Bus - ECM/THROT CONT, ENG, O2-A SNSR, and O2-B SNSR Fuses
PWR/TRN Bus - ECM/THROT CONT, ENG, O2-A SNSR, and O2-B SNSR Fuses
Figure 5:

Engine Data Sensors - Throttle Controls


Object Number: 1906839  Size: FS
Master Electrical Component List
Throttle Actuator Control (TAC) System Description
Control Module References
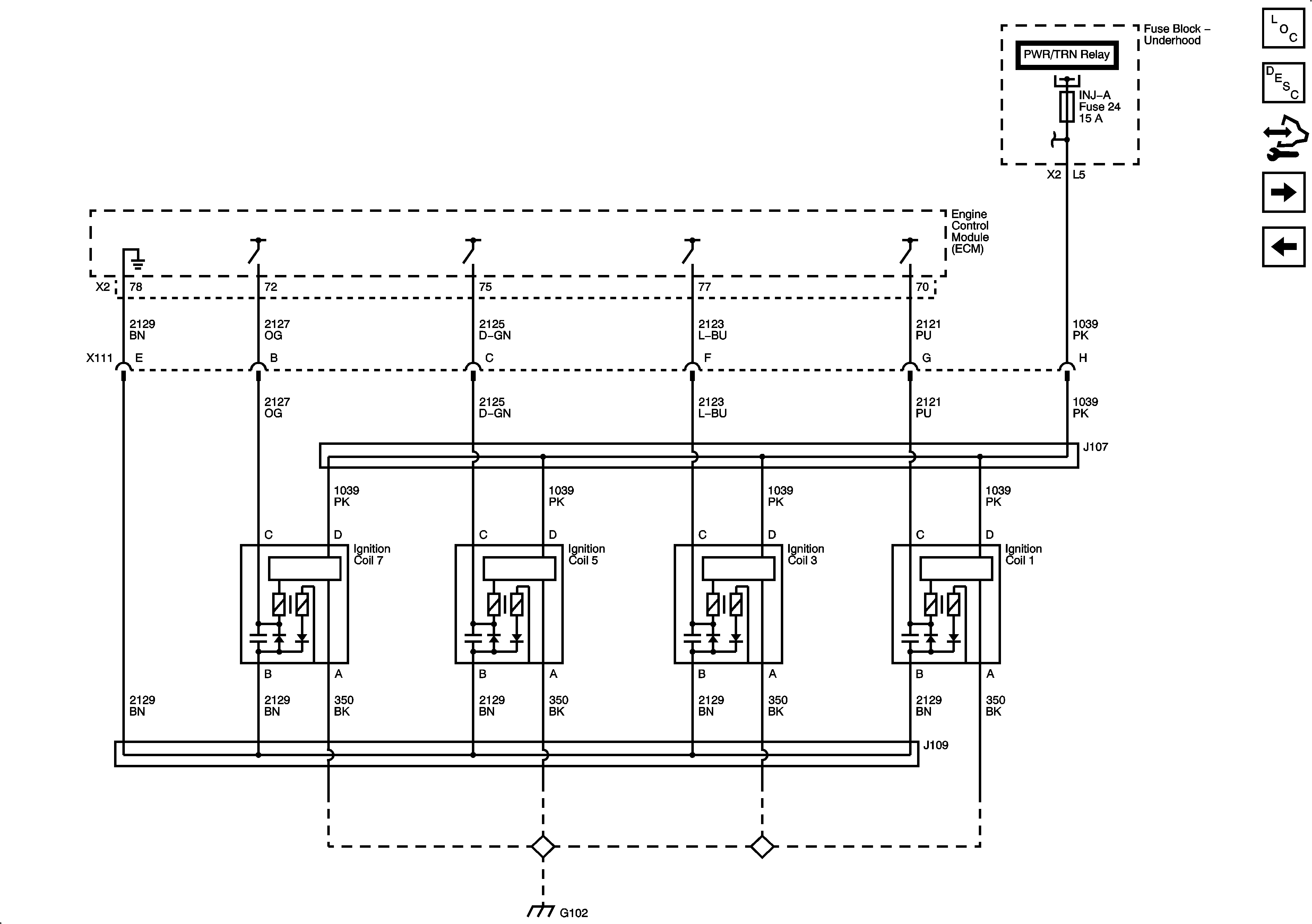
Ignition Controls - Ignition System Coils 1, 3, 5, and 7
Engine Data Sensors - Oxygen Sensors
Figure 6:

Ignition Controls - Ignition System Coils 1, 3, 5, and 7


Object Number: 1906843  Size: FS
Master Electrical Component List
Electronic Ignition (EI) System Description
Control Module References
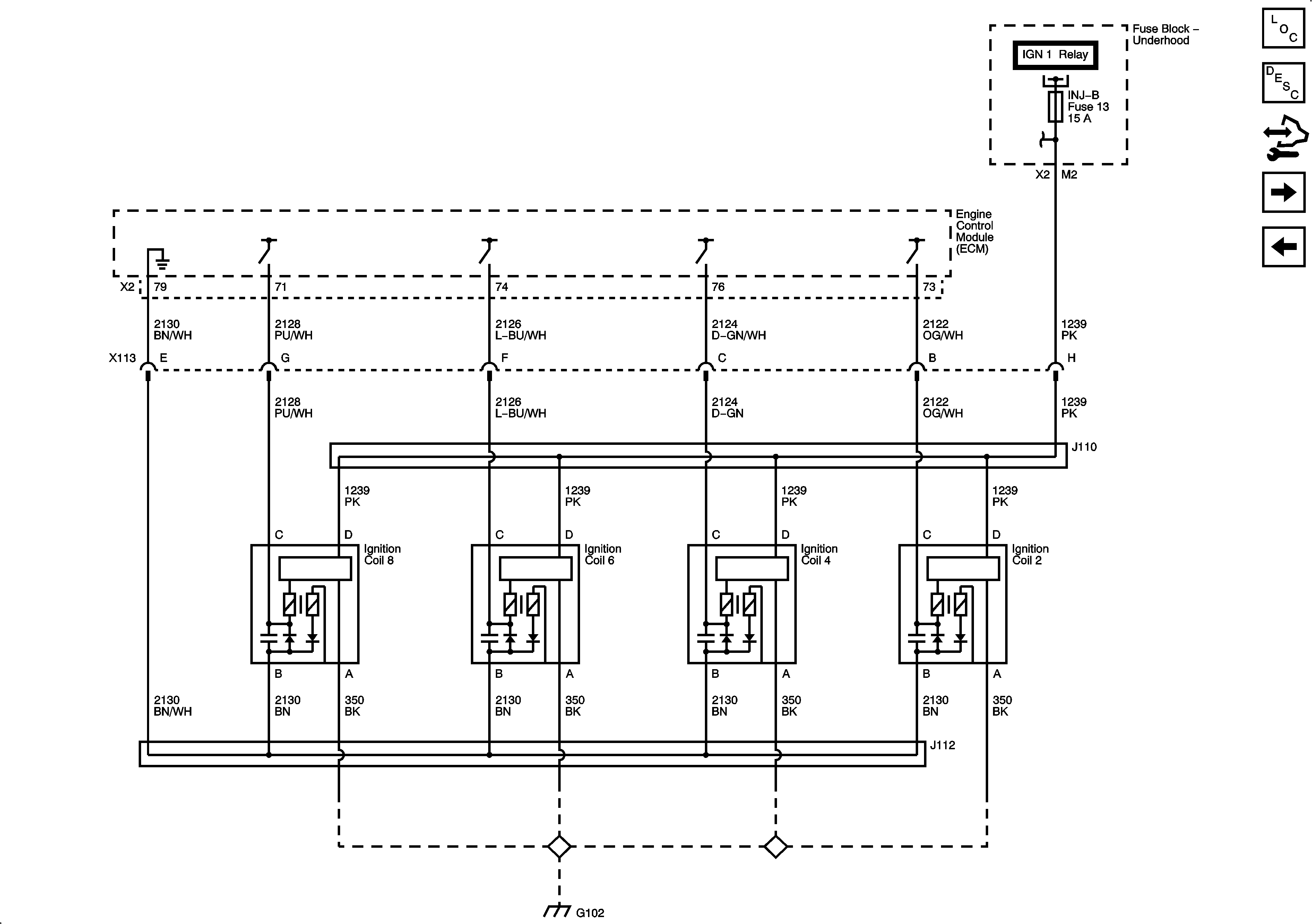
Ignition Controls - Ignition System Coils 2, 4, 6, and 8
Engine Data Sensors - Throttle Controls
Figure 7:

Ignition Controls - Ignition System Coils 2, 4, 6, and 8


Object Number: 1906847  Size: FS
Master Electrical Component List
Electronic Ignition (EI) System Description
Control Module References
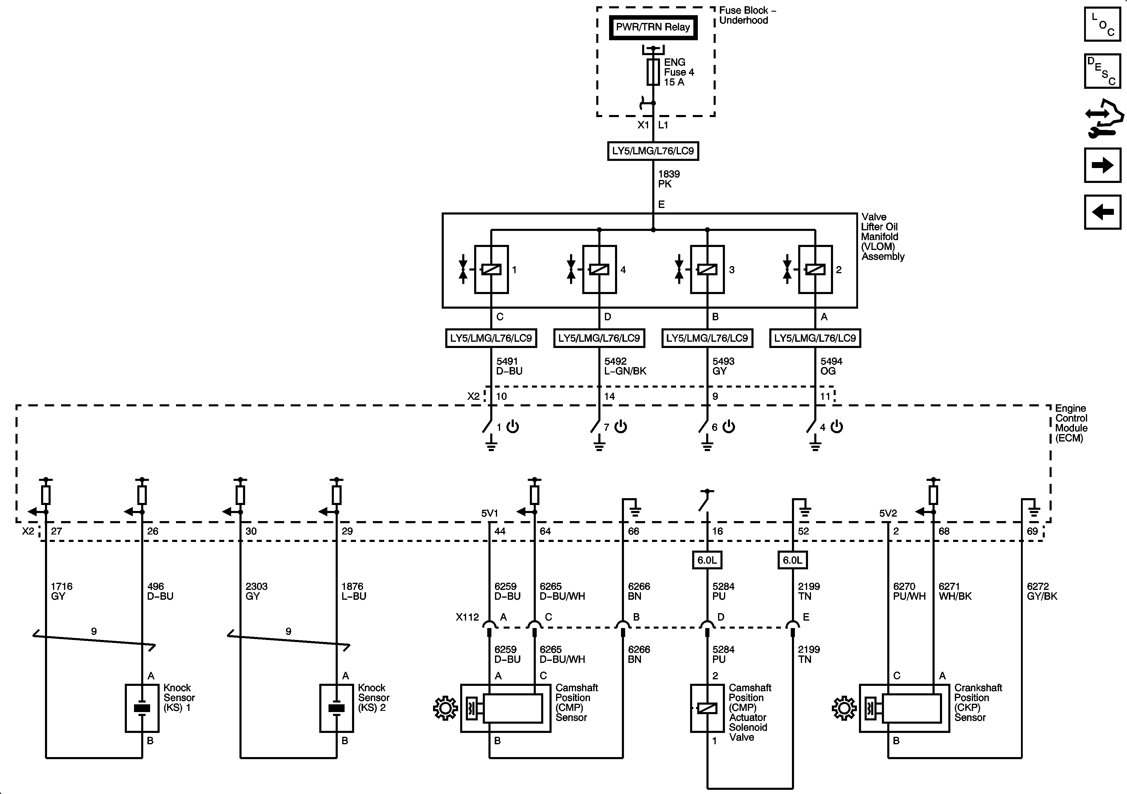
Ignition Controls - Sensors and Active Fuel Management (AFM) Controls
Ignition Controls - Ignition System Coils 1, 3, 5, and 7
PWR/TRN Bus - INJ-A and INJ-B Fuses
G102, G104, and G108
Figure 8:

Ignition Controls - Sensors and Active Fuel Management (AFM) Controls


Object Number: 1906853  Size: FS
Master Electrical Component List
Electronic Ignition (EI) System Description
Control Module References
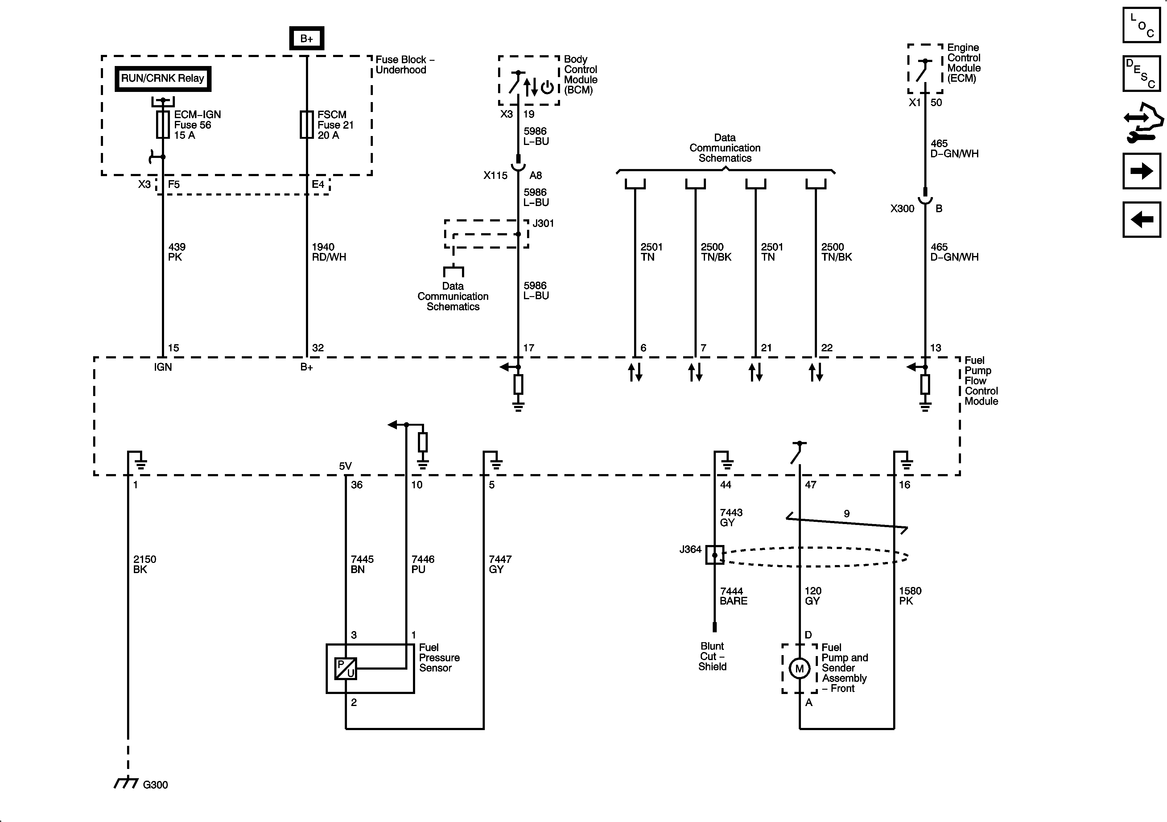
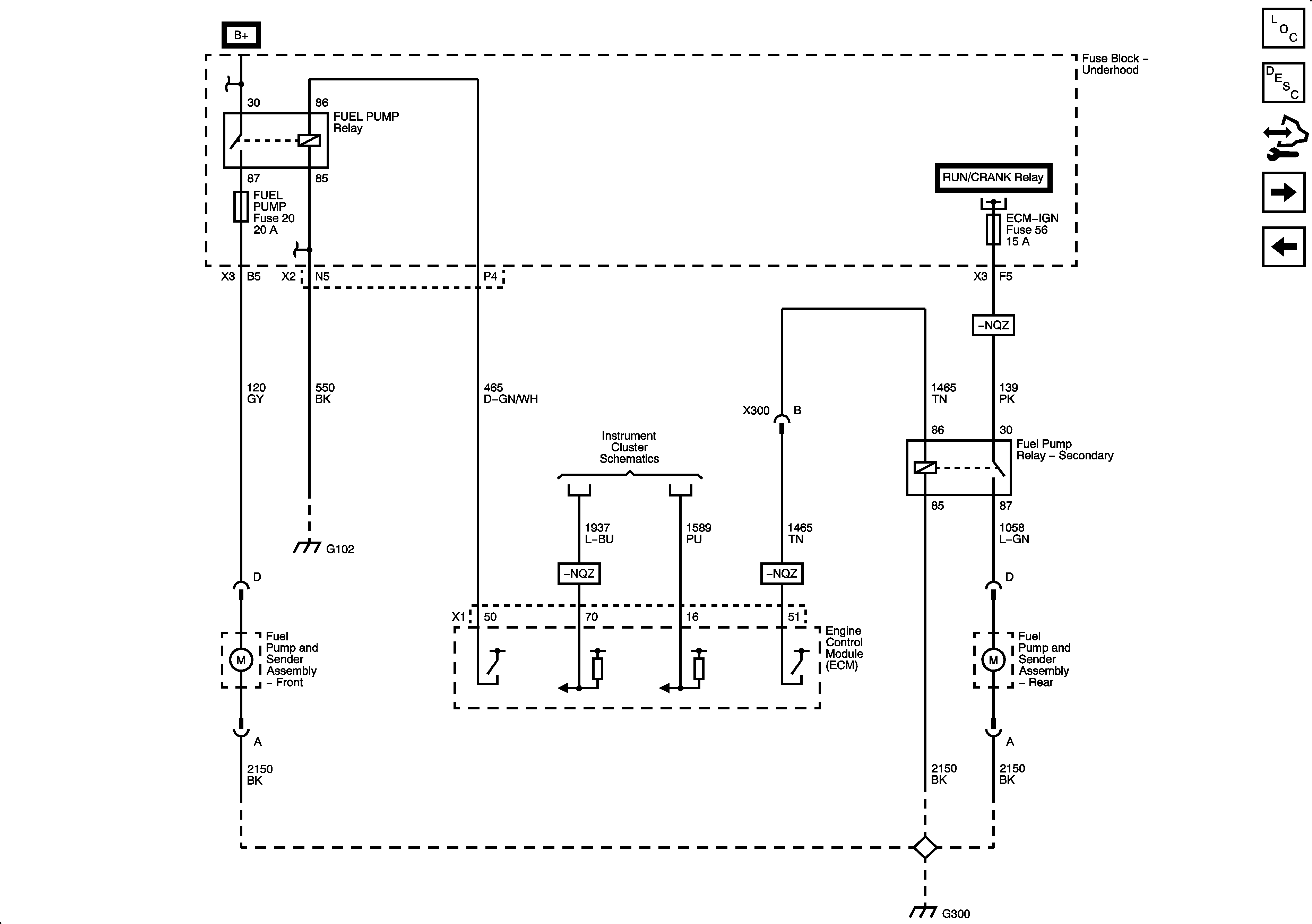
Fuel Controls - Fuel Pump Controls (LY6)
Ignition Controls - Ignition System Coils 2, 4, 6, and 8
PWR/TRN Bus - ECM/THROT CONT, ENG, O2-A SNSR, and O2-B SNSR Fuses
Figure 9:

Fuel Controls - Fuel Pump Controls (LY6)


Object Number: 1906858  Size: FS
Master Electrical Component List
Fuel System Description
Control Module References
Fuel Pump Flow Control Module (Except LY6)
Ignition Controls - Sensors and Active Fuel Management (AFM) Controls
A/C CMPRSR, FRT WASH, FUEL PUMP, HORN, and REAR DEFOG and REAR WASH Fuses
G102, G104, and G108
Gages
RUN/CRANK Bus - ECM-IGN and TRANS IGN 1 Fuses
Figure 10:

Fuel Pump Flow Control Module (except LY6)


Object Number: 1922644  Size: FS
Master Electrical Component List
Fuel System Description
Control Module References
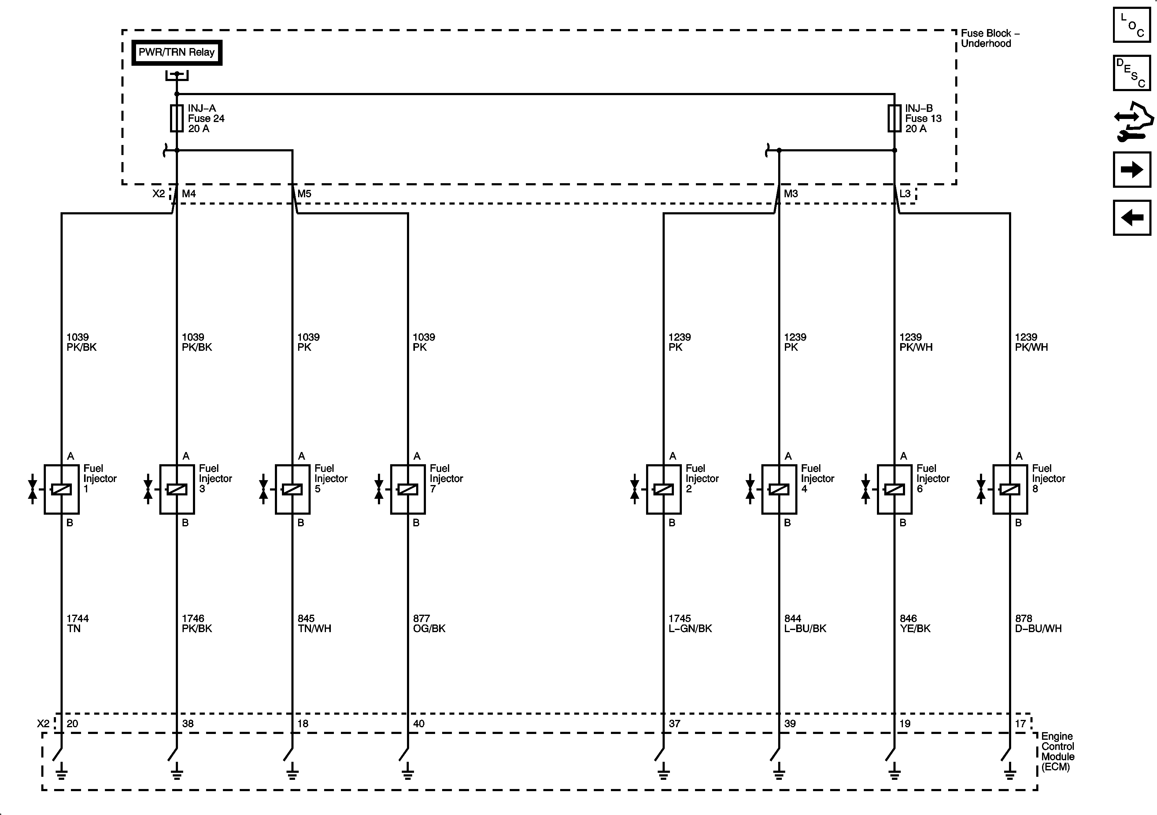
Fuel Controls - Fuel Injectors
Fuel Controls - Fuel Pump Controls (LY6)
Figure 11:

Fuel Controls - Fuel Injectors


Object Number: 1906863  Size: FS
Master Electrical Component List
Fuel System Description
Control Module References
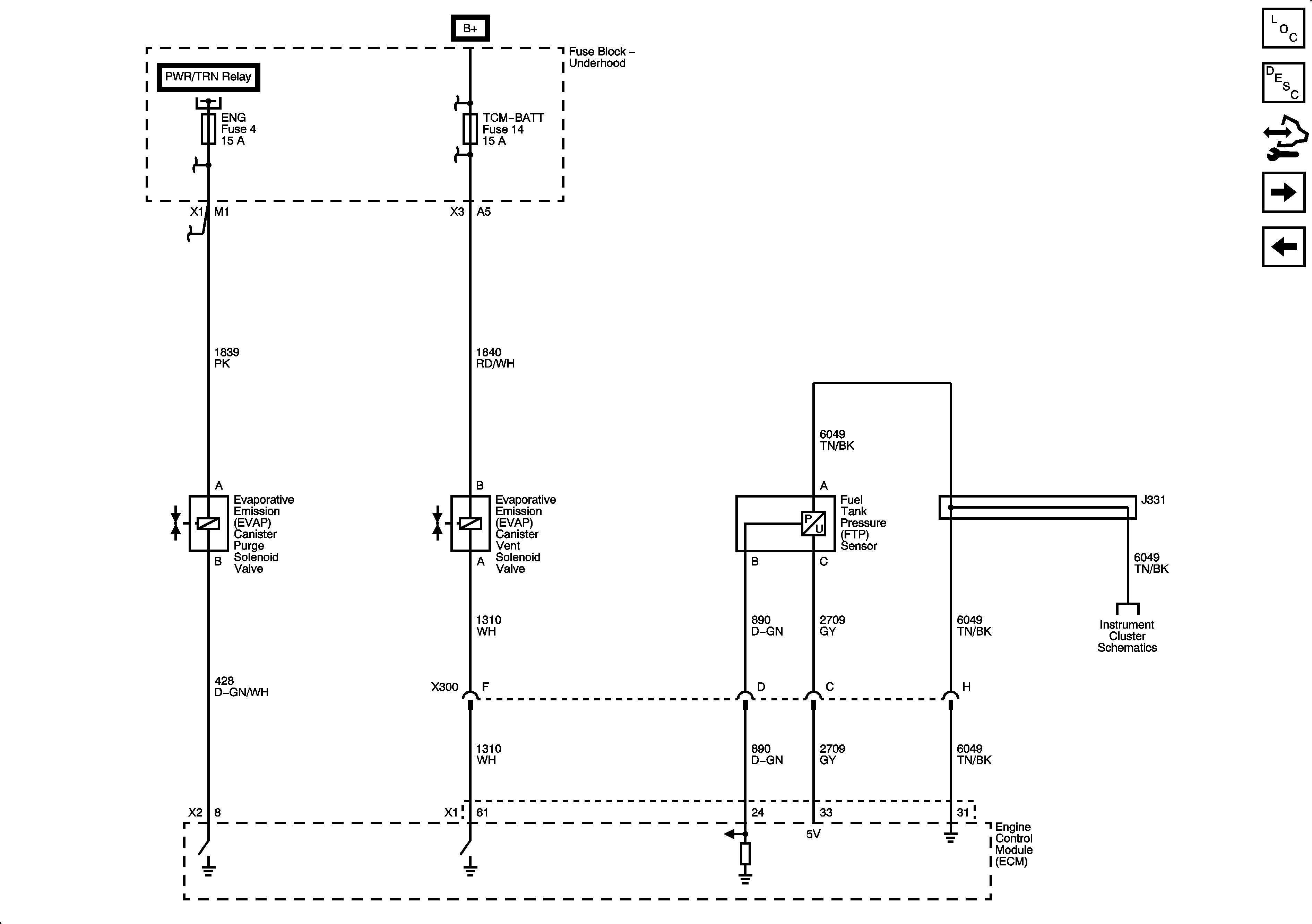
Fuel Controls - EVAP Controls
Fuel Pump Flow Control Module (Except LY6)
PWR/TRN Bus - INJ-A and INJ-B Fuses
PWR/TRN Bus - INJ-A and INJ-B Fuses
Figure 12:

Fuel Controls - EVAP Controls


Object Number: 1906867  Size: FS
Master Electrical Component List
Evaporative Emission Control System Description
Control Module References
Controlled/Monitored Subsystem References
Fuel Controls - Fuel Injectors
PWR/TRN Bus - ECM/THROT CONT, ENG, O2-A SNSR, and O2-B SNSR Fuses
ECM-BATT, HEADLAMP WASH, HVAC BATT, IPC, LTR, S/ROOF, and TCM-BATT Fuses
Figure 13:

Controlled/Monitored Subsystem References


Object Number: 1906869  Size: FS
Master Electrical Component List
Engine Control Module Description
Control Module References
Fuel Controls - EVAP Controls
Engine Cooling Schematics (Except HP2)
A/C Compressor Controls
A/C Compressor Controls
Stop Lamp Controls and CHMSL
Charging
Starting
PNP Signals, VSS Signal, and Tow/Haul Signal
Transmission Range Signals and Driver Shift Request
Indicators