GM Service Manual Online
For 1990-2009 cars only
Figure 1:

Park Lamp Controls and Front Park Lamps


Object Number: 1907053  Size: FS
Master Electrical Component List
Exterior Lighting Systems Description and Operation
Control Module References
Left Rear Park Lamps and License Lamps
RT PRK and TRLR PRK Fuses
LT PRK Fuse
Left Rear Park Lamps and License Lamps
RT PRK and TRLR PRK Fuses
Right Rear Park Lamps
Trailer Wiring - 1 of 2 (EXP) or 1 of 1 (without EXP)
G201
G101
G100
G101
G100
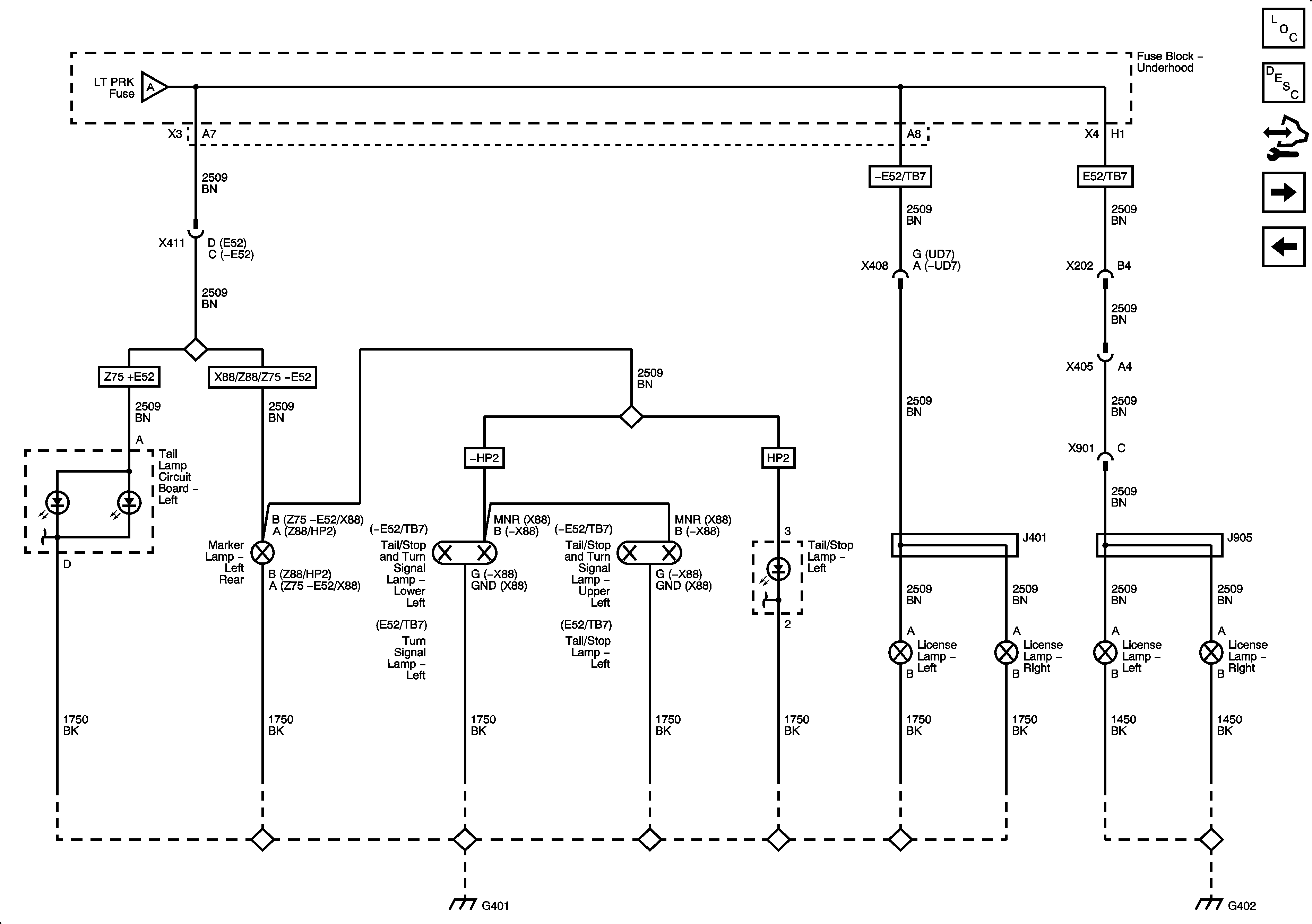
Figure 2:

Left Rear Park Lamps and License Lamps


Object Number: 1907058  Size: FS
Master Electrical Component List
Exterior Lighting Systems Description and Operation
Control Module References
Right Rear Park Lamps
Park Lamp Controls and Front Park Lamps
Park Lamp Controls and Front Park Lamps
G401
G402 - E52
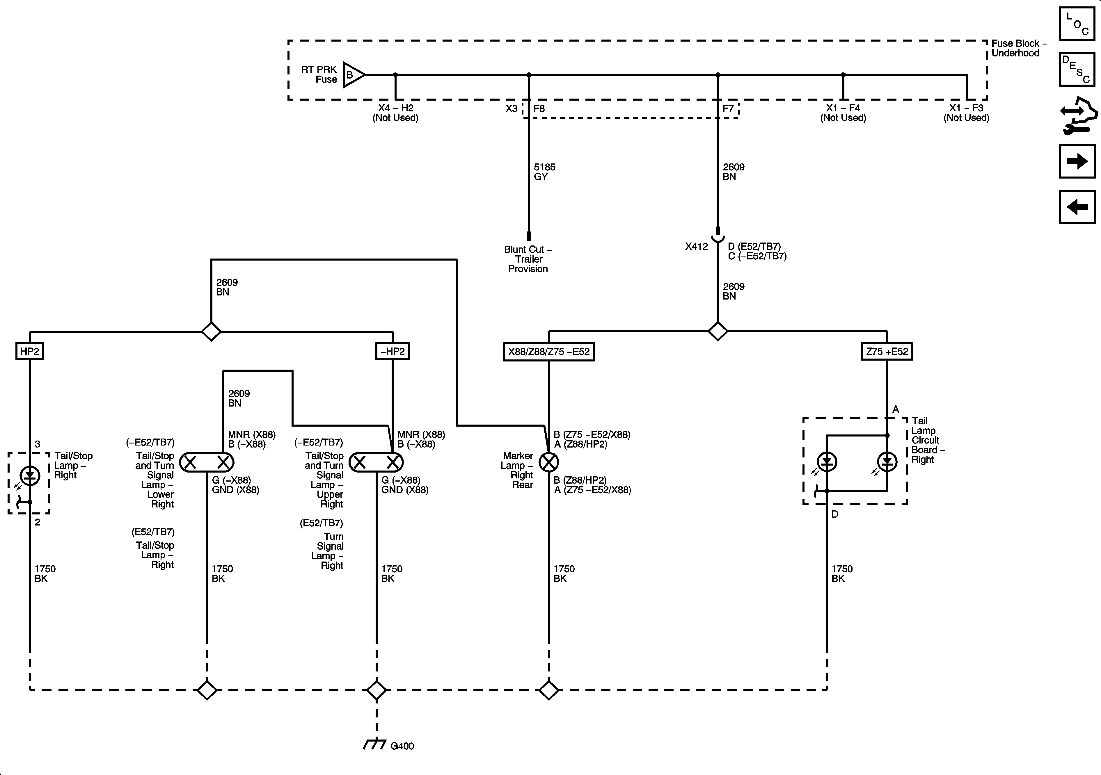
Figure 3:

Right Rear Park Lamps


Object Number: 1907063  Size: FS
Master Electrical Component List
Exterior Lighting Systems Description and Operation
Control Module References
Exterior Illumination Lamps
Left Rear Park Lamps and License Lamps
Park Lamp Controls and Front Park Lamps
G400
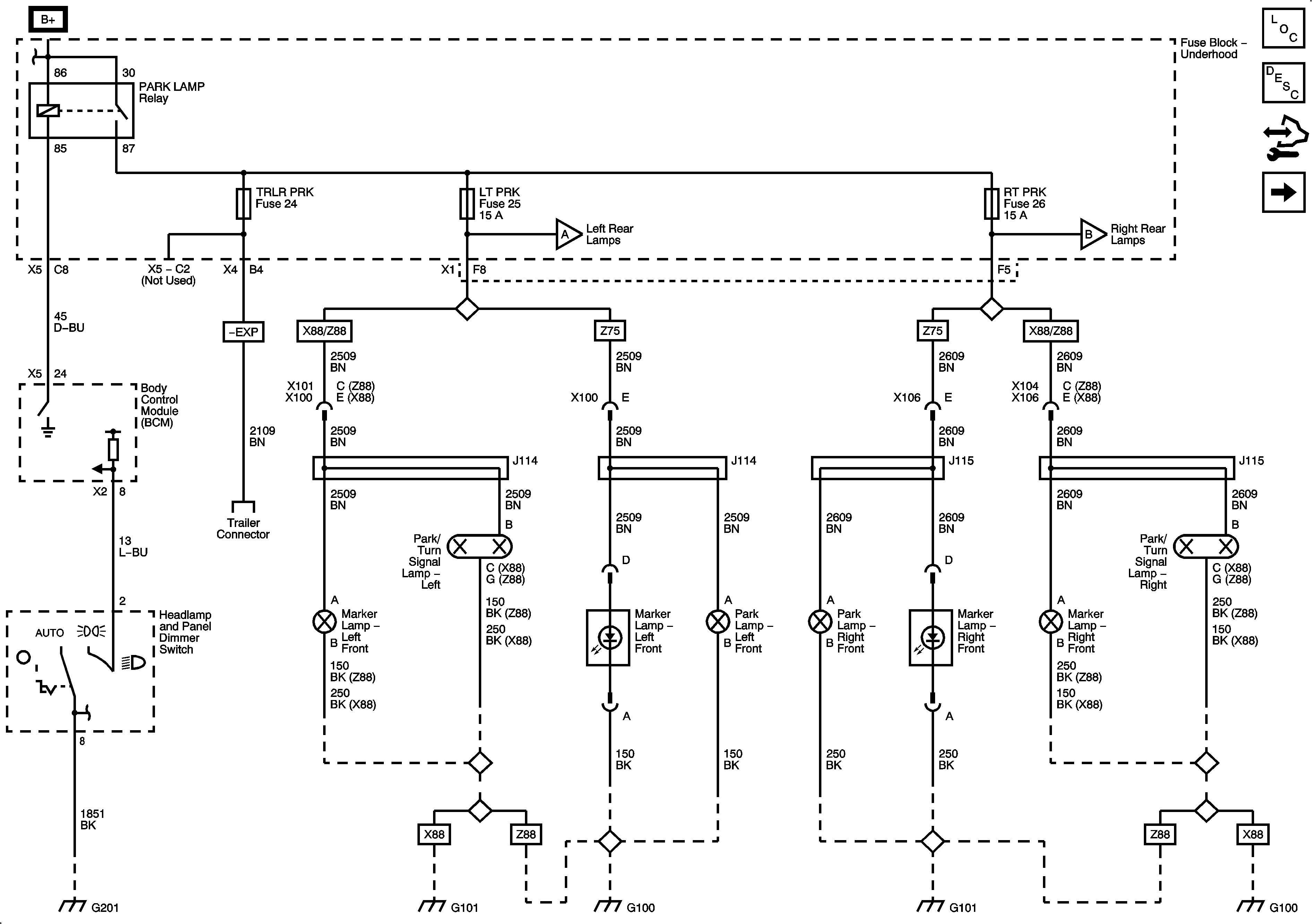
Figure 4:

Exterior Illumination Lamps


Object Number: 1907067  Size: FS
Master Electrical Component List
Exterior Lighting Systems Description and Operation
Control Module References
Turn Signal Controls
Right Rear Park Lamps
Data Communication Schematics
Figure 5:

Turn Signal Controls


Object Number: 1907071  Size: FS
Master Electrical Component List
Exterior Lighting Systems Description and Operation
Control Module References
Front Turn Signal Lamps
Exterior Illumination Lamps
IS LAMPS, LT STOP TRN, OBS DET, REAR SEAT, and STOP LAMPS Fuses and LT DR Circuit Breaker
BCM, COOLED SEATS, CTSY, DDM, DIM, DSM, LBEC 1, MBEC 1, REAR HVAC, and RT STOP TRN Fuses and DRIVER SEAT 2, PASS SEAT 1, and RT DOORS Circuit Breakers
G201
Figure 6:

Front Turn Signal Lamps


Object Number: 1907075  Size: FS
Master Electrical Component List
Exterior Lighting Systems Description and Operation
Control Module References
Rear Turn Signal Lamps
Turn Signal Controls
Rear Turn Signal Lamps
Rear Turn Signal Lamps
G100
G101
G100
G101
Figure 7:

Rear Turn Signal Lamps


Object Number: 1907080  Size: FS
Master Electrical Component List
Exterior Lighting Systems Description and Operation
Control Module References
Stop Lamp Controls and CHMSL
Front Turn Signal Lamps
Front Turn Signal Lamps
Front Turn Signal Lamps
G401
Figure 8:

Stop Lamp Controls and CHMSL


Object Number: 1907083  Size: FS
Master Electrical Component List
Exterior Lighting Systems Description and Operation
Control Module References
Stop Lamps - Z75 with EXP, X88 or Z88
Rear Turn Signal Lamps
IS LAMPS, LT STOP TRN, OBS DET, REAR SEAT, and STOP LAMPS Fuses and LT DR Circuit Breaker
Trailer Wiring - 2 of 2 (EXP)
Dimming Control and LED Dimming - 1 of 3
G402 - E52
G303, G304, and G305
Figure 9:

Stop Lamps - Z75 with EXP, X88 or Z88


Object Number: 1907088  Size: FS
Master Electrical Component List
Exterior Lighting Systems Description and Operation
Control Module References
Stop Lamps - Domestic Z75
Stop Lamp Controls and CHMSL
G401
G400
Figure 10:

Stop Lamps - Domestic Z75


Object Number: 1907091  Size: FS
Master Electrical Component List
Exterior Lighting Systems Description and Operation
Control Module References
Backup Lamps
Stop Lamps - Z75 with EXP, X88 or Z88
Front Turn Signal Lamps
G401
G400
Figure 11:

Backup Lamps


Object Number: 1907094  Size: FS
Master Electrical Component List
Exterior Lighting Systems Description and Operation
Control Module References
Stop Lamps - Domestic Z75
TRLR BCK/UP, TRLR STOP LT, TRLR STOP RT, and VEH BCK/UP Fuses
G102, G104, and G108
G401
G400